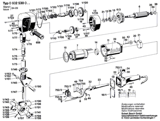
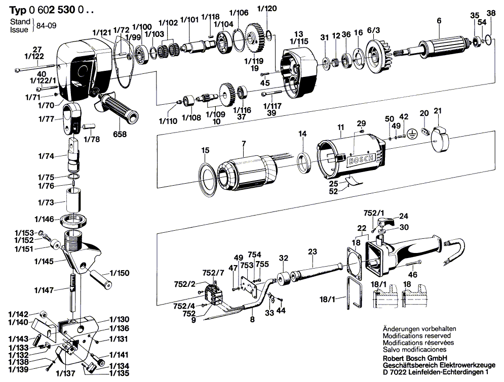
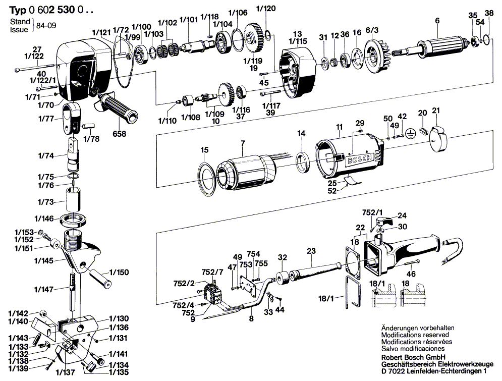
BOSCH Abstreifer | Ersatzteile für Hf-Schweisskantenformer | 1602308011
- 
Vergleichsliste 
- Bitte fügen Sie mindestens 2 Artikel hinzu, um den Vergleich durchzuführen.
 
 
GRATIS VERSAND AB 200 EUR*
MARKENQUALITÄT ZU TOP-PREISEN
SCHNELLE LIEFERUNG
- 0,00 € *
 - 
 Anmelden 
- Anmelden sicher
 - 
Ich bin Neukunde
Jetzt kostenlos registrieren 

 - Service
 
- 0,00 € *
 - 
 Anmelden 
- Anmelden sicher
 - 
Ich bin Neukunde
Jetzt kostenlos registrieren 

 - Service
 
- Übersicht
 - Ersatzteile
 - BOSCH Ersatzteile
 - BOSCH Ersatzteile nach Maschine
 - BOSCH Abstreifer | Ersatzteile für Hf-Schweisskantenformer | 1602308011