BOSCH 1001 VSR - 0601001745

Artikelnummer: EB-0601001745

Position:

Marke: BOSCH


Bitte Kompatibilität prüfen!

Bitte prüfen Sie unbedingt die 10-stellige Typennummer Ihrer Maschine / Ihres Gerätes. Das Ersatzteil ist nur kompatibel, wenn Sie die Typennummer Ihrer Maschine in der unten stehenden Produktbeschreibung finden.

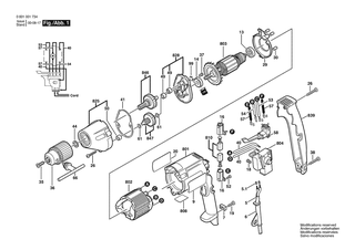
Bitte prüfen Sie ebenfalls detailliert die Explosionszeichnung mit Ihrem Artikelwunsch und der jeweiligen Pos-Nummer.

Alle Elemente, welche vom schwarzen Strich der Pos-Nummer ausgehend berührt / erfasst werden, gehören zu dieser Pos-Nummer und somit zu diesem Artikel. Jede Pos-Nummer ist ein eigenständiger Artikel, welchen Sie in der Auflistung finden.

Sie erhalten stets die aktuellste, neueste Produktversion zu der gewählten Pos-Nummer seitens des Herstellers. Es kann daher je nach Gerätealter vorkommen, dass Sie ggf. weitere, zugehörige Elemente, welche an diese Pos-Nummer grenzen, ebenfalls mittauschen müssen.

Nähere Informationen finden Sie unter dem Link
Hinweise zu Ihrer BOSCH Ersatzteilsuche

Beschreibung

Die aufgelisteten BOSCH Ersatzteile sind mit folgendem Gerät und Modell kompatibel:

BOSCH Gerätename:1001 VSR
BOSCH Typennummer:0601001745
alternative Schreibweisen:0 601 001 745, 0601 001 745, 0.601.001.745, 0-601-001-745

Bitte prüfen Sie die Typennummer auf Ihrem Gerät um die Kompatibilität des BOSCH Ersatzteils zu gewährleisten.

Die passenden Ersatzteile des BOSCH 1001 VSR (Bohrmaschine) mit der Typennummer 0601001745 finden Sie in der nachfolgenden Darstellung geordnet nach der Positionsnummern aus der Explosionszeichnung:

Pos.
5/1
BOSCH Aderendhülse DIN 46 228-A1-6 | Ersatzteile für 1001 VSR | 1900452012
Hersteller: BOSCH
Artikelnummer: EB-0601001745-1900452012
Netto: 3,94 € zzgl. MwSt.
zzgl. 6,90 € Versand (brutto)
einmalig pro Bestellung

Lieferzeit: 5 Werktage

Stück
Pos.
6
BOSCH Tülle Ø11,6-Ø12,5x84 MM | Ersatzteile für 1001 VSR | 2600707060
Hersteller: BOSCH
Artikelnummer: EB-0601001745-2600707060
Netto: 4,56 € zzgl. MwSt.
zzgl. 6,90 € Versand (brutto)
einmalig pro Bestellung

Lieferzeit: 5 Werktage

Stück
Pos.
7
BOSCH Leitungshalter | Ersatzteile für 1001 VSR | 2601035001
Hersteller: BOSCH
Artikelnummer: EB-0601001745-2601035001
Netto: 3,94 € zzgl. MwSt.
zzgl. 6,90 € Versand (brutto)
einmalig pro Bestellung

Lieferzeit: 5 Werktage

Stück
Pos.
13
BOSCH Kugellager 7x22x7 | Ersatzteile für 1001 VSR | 1900905018
Hersteller: BOSCH
Artikelnummer: EB-0601001745-1900905018
Netto: 15,15 € zzgl. MwSt.
zzgl. 6,90 € Versand (brutto)
einmalig pro Bestellung

Lieferzeit: 5 Werktage

Stück
Pos.
18
BOSCH Zylinderschraube M3x6,5-4.8 | Ersatzteile für 1001 VSR | 2603410001
Hersteller: BOSCH
Artikelnummer: EB-0601001745-2603410001
Netto: 3,94 € zzgl. MwSt.
zzgl. 6,90 € Versand (brutto)
einmalig pro Bestellung

Lieferzeit: 5 Werktage

Stück
Pos.
38
BOSCH Blechschraube DIN 7981-ST3,9x25C-H | Ersatzteile für 1001 VSR | 2910615022
Hersteller: BOSCH
Artikelnummer: EB-0601001745-2910615022
nur Informationsartikel
Nie mehr lieferbar
keine Alternativen
Pos.
41
BOSCH Flachdichtring | Ersatzteile für 1001 VSR | 3601016502
Hersteller: BOSCH
Artikelnummer: EB-0601001745-3601016502
nur Informationsartikel
Nie mehr lieferbar
keine Alternativen
Pos.
52
BOSCH Torx-Linsenschraube 3x10 | Ersatzteile für 1001 VSR | 2603490017
Hersteller: BOSCH
Artikelnummer: EB-0601001745-2603490017
Netto: 4,36 € zzgl. MwSt.
zzgl. 6,90 € Versand (brutto)
einmalig pro Bestellung

Lieferzeit: 5 Werktage

Stück
Pos.
57
BOSCH Verbindungsleitung L=63 MM WEISS | Ersatzteile für 1001 VSR | 2604448104
Hersteller: BOSCH
Artikelnummer: EB-0601001745-2604448104
Netto: 3,94 € zzgl. MwSt.
zzgl. 6,90 € Versand (brutto)
einmalig pro Bestellung

Lieferzeit: 5 Werktage

Packung
Pos.
58
BOSCH Umschalter | Ersatzteile für 1001 VSR | 2607200231
Hersteller: BOSCH
Artikelnummer: EB-0601001745-2607200231
Netto: 13,81 € zzgl. MwSt.
zzgl. 6,90 € Versand (brutto)
einmalig pro Bestellung

Lieferzeit: 5 Werktage

Stück
Pos.
810
BOSCH Kohlebürstensatz | Ersatzteile für 1001 VSR | 2604321914
Hersteller: BOSCH
Artikelnummer: EB-0601001745-2604321914
nur Informationsartikel
Nie mehr lieferbar
keine Alternativen

Angaben zur Produktsicherheit

Hersteller:
Robert Bosch Power Tools GmbH
Postfach 30 02 20
70442 Stuttgart

E-Mail:
kontakt@bosch.de