BOSCH 1022 VSR - 0601022745

Artikelnummer: EB-0601022745

Position:

Marke: BOSCH


Bitte Kompatibilität prüfen!

Bitte prüfen Sie unbedingt die 10-stellige Typennummer Ihrer Maschine / Ihres Gerätes. Das Ersatzteil ist nur kompatibel, wenn Sie die Typennummer Ihrer Maschine in der unten stehenden Produktbeschreibung finden.

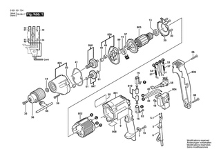
Bitte prüfen Sie ebenfalls detailliert die Explosionszeichnung mit Ihrem Artikelwunsch und der jeweiligen Pos-Nummer.

Alle Elemente, welche vom schwarzen Strich der Pos-Nummer ausgehend berührt / erfasst werden, gehören zu dieser Pos-Nummer und somit zu diesem Artikel. Jede Pos-Nummer ist ein eigenständiger Artikel, welchen Sie in der Auflistung finden.

Sie erhalten stets die aktuellste, neueste Produktversion zu der gewählten Pos-Nummer seitens des Herstellers. Es kann daher je nach Gerätealter vorkommen, dass Sie ggf. weitere, zugehörige Elemente, welche an diese Pos-Nummer grenzen, ebenfalls mittauschen müssen.

Nähere Informationen finden Sie unter dem Link
Hinweise zu Ihrer BOSCH Ersatzteilsuche

Beschreibung

Die aufgelisteten BOSCH Ersatzteile sind mit folgendem Gerät und Modell kompatibel:

BOSCH Gerätename:1022 VSR
BOSCH Typennummer:0601022745
alternative Schreibweisen:0 601 022 745, 0601 022 745, 0.601.022.745, 0-601-022-745

Bitte prüfen Sie die Typennummer auf Ihrem Gerät um die Kompatibilität des BOSCH Ersatzteils zu gewährleisten.

Die passenden Ersatzteile des BOSCH 1022 VSR (Bohrmaschine) mit der Typennummer 0601022745 finden Sie in der nachfolgenden Darstellung geordnet nach der Positionsnummern aus der Explosionszeichnung:

Pos.
5/1
BOSCH Aderendhülse DIN 46 228-A1-6 | Ersatzteile für 1022 VSR | 1900452012
Hersteller: BOSCH
Artikelnummer: EB-0601022745-1900452012
Netto: 3,94 € zzgl. MwSt.
zzgl. 6,90 € Versand (brutto)
einmalig pro Bestellung

Lieferzeit: 5 Werktage

Stück
Pos.
5
BOSCH Netzanschlussleitung USA/CDN 2,15m 2 x 0,82mm SJ 18/2 | Ersatzteile für 1022 VSR | 3604460555
Hersteller: BOSCH
Artikelnummer: EB-0601022745-3604460555
Netto: 10,92 € zzgl. MwSt.
zzgl. 6,90 € Versand (brutto)
einmalig pro Bestellung

Lieferzeit: 5 Werktage

Stück
Pos.
6
BOSCH Tülle Ø11,6-Ø12,5x84 MM | Ersatzteile für 1022 VSR | 2600707060
Hersteller: BOSCH
Artikelnummer: EB-0601022745-2600707060
Netto: 4,53 € zzgl. MwSt.
zzgl. 6,90 € Versand (brutto)
einmalig pro Bestellung

Lieferzeit: 5 Werktage

Stück
Pos.
7
BOSCH Leitungshalter | Ersatzteile für 1022 VSR | 2601035001
Hersteller: BOSCH
Artikelnummer: EB-0601022745-2601035001
Netto: 3,94 € zzgl. MwSt.
zzgl. 6,90 € Versand (brutto)
einmalig pro Bestellung

Lieferzeit: 5 Werktage

Stück
Pos.
9
BOSCH Firmenschild | Ersatzteile für 1022 VSR | 2610906806
Hersteller: BOSCH
Artikelnummer: EB-0601022745-2610906806
Netto: 5,21 € zzgl. MwSt.
zzgl. 6,90 € Versand (brutto)
einmalig pro Bestellung

Lieferzeit: 5 Werktage

Stück
Pos.
13
BOSCH Kugellager 7x22x7 | Ersatzteile für 1022 VSR | 1900905018
Hersteller: BOSCH
Artikelnummer: EB-0601022745-1900905018
Netto: 15,75 € zzgl. MwSt.
zzgl. 6,90 € Versand (brutto)
einmalig pro Bestellung

Lieferzeit: 5 Werktage

Stück
Pos.
14
BOSCH Rillenkugellager 9x24x7 | Ersatzteile für 1022 VSR | 2600905021
Hersteller: BOSCH
Artikelnummer: EB-0601022745-2600905021
Netto: 8,33 € zzgl. MwSt.
zzgl. 6,90 € Versand (brutto)
einmalig pro Bestellung

Lieferzeit: 5 Werktage

Stück
Pos.
16
BOSCH Bürstenhalter | Ersatzteile für 1022 VSR | 2604337003
Hersteller: BOSCH
Artikelnummer: EB-0601022745-2604337003
Netto: 4,32 € zzgl. MwSt.
zzgl. 6,90 € Versand (brutto)
einmalig pro Bestellung

Lieferzeit: 5 Werktage

Stück
Pos.
18
BOSCH Zylinderschraube M3x6,5-4.8 | Ersatzteile für 1022 VSR | 2603410001
Hersteller: BOSCH
Artikelnummer: EB-0601022745-2603410001
Netto: 3,94 € zzgl. MwSt.
zzgl. 6,90 € Versand (brutto)
einmalig pro Bestellung

Lieferzeit: 5 Werktage

Stück
Pos.
19
BOSCH Blechschraube DIN 7981-ST3,9x16-C-H | Ersatzteile für 1022 VSR | 2910611019
Hersteller: BOSCH
Artikelnummer: EB-0601022745-2910611019
nur Informationsartikel
Nie mehr lieferbar
keine Alternativen
Pos.
20
BOSCH Hinweisschild | Ersatzteile für 1022 VSR | 3601119676
Hersteller: BOSCH
Artikelnummer: EB-0601022745-3601119676
nur Informationsartikel
Nie mehr lieferbar
keine Alternativen
Pos.
26
BOSCH Torx-Linsenschraube 4x30 | Ersatzteile für 1022 VSR | 2603490025
Hersteller: BOSCH
Artikelnummer: EB-0601022745-2603490025
Netto: 3,63 € zzgl. MwSt.
zzgl. 6,90 € Versand (brutto)
einmalig pro Bestellung

Lieferzeit: 5 Werktage

Stück
Pos.
29
BOSCH Abdeckscheibe | Ersatzteile für 1022 VSR | 3600590505
Hersteller: BOSCH
Artikelnummer: EB-0601022745-3600590505
Netto: 3,94 € zzgl. MwSt.
zzgl. 6,90 € Versand (brutto)
einmalig pro Bestellung

Lieferzeit: 5 Werktage

Stück
Pos.
30
BOSCH Gummipuffer | Ersatzteile für 1022 VSR | 3602391503
Hersteller: BOSCH
Artikelnummer: EB-0601022745-3602391503
nur Informationsartikel
Nie mehr lieferbar
keine Alternativen
Pos.
35
BOSCH Flachkopfschraube | Ersatzteile für 1022 VSR | 3603430507
Hersteller: BOSCH
Artikelnummer: EB-0601022745-3603430507
Netto: 7,36 € zzgl. MwSt.
zzgl. 6,90 € Versand (brutto)
einmalig pro Bestellung

Lieferzeit: 5 Werktage

Stück
Pos.
36
BOSCH Bohrfutter 3/8" | Ersatzteile für 1022 VSR | 3608571505
Hersteller: BOSCH
Artikelnummer: EB-0601022745-3608571505
nur Informationsartikel
Nie mehr lieferbar
keine Alternativen
Pos.
37
BOSCH Gewindefurchschraube M4x8 | Ersatzteile für 1022 VSR | 2603410048
Hersteller: BOSCH
Artikelnummer: EB-0601022745-2603410048
Netto: 3,94 € zzgl. MwSt.
zzgl. 6,90 € Versand (brutto)
einmalig pro Bestellung

Lieferzeit: 5 Werktage

Stück
Pos.
38
BOSCH Blechschraube DIN 7981-ST3,9x25C-H | Ersatzteile für 1022 VSR | 2910615022
Hersteller: BOSCH
Artikelnummer: EB-0601022745-2910615022
nur Informationsartikel
Nie mehr lieferbar
keine Alternativen
Pos.
40
BOSCH Verbindungskabel L=110 MM WEISS | Ersatzteile für 1022 VSR | 2604448146
Hersteller: BOSCH
Artikelnummer: EB-0601022745-2604448146
Netto: 3,94 € zzgl. MwSt.
zzgl. 6,90 € Versand (brutto)
einmalig pro Bestellung

Lieferzeit: 5 Werktage

Stück
Pos.
41
BOSCH Flachdichtring | Ersatzteile für 1022 VSR | 3601016502
Hersteller: BOSCH
Artikelnummer: EB-0601022745-3601016502
nur Informationsartikel
Nie mehr lieferbar
keine Alternativen
Pos.
44
BOSCH Distanzscheibe | Ersatzteile für 1022 VSR | 3600102505
Hersteller: BOSCH
Artikelnummer: EB-0601022745-3600102505
nur Informationsartikel
Nie mehr lieferbar
keine Alternativen
Pos.
49
BOSCH Nadelbüchse | Ersatzteile für 1022 VSR | 3600910505
Hersteller: BOSCH
Artikelnummer: EB-0601022745-3600910505
nur Informationsartikel
Nie mehr lieferbar
keine Alternativen
Pos.
50
BOSCH Nadelhülse Ø6/12 MM | Ersatzteile für 1022 VSR | 2600914017
Hersteller: BOSCH
Artikelnummer: EB-0601022745-2600914017
nur Informationsartikel
Nie mehr lieferbar
keine Alternativen
Pos.
52
BOSCH Torx-Linsenschraube 3x10 | Ersatzteile für 1022 VSR | 2603490017
Hersteller: BOSCH
Artikelnummer: EB-0601022745-2603490017
Netto: 4,32 € zzgl. MwSt.
zzgl. 6,90 € Versand (brutto)
einmalig pro Bestellung

Lieferzeit: 5 Werktage

Stück
Pos.
53
BOSCH Verbindungsleitung L=78 MM WEISS | Ersatzteile für 1022 VSR | 2604448137
Hersteller: BOSCH
Artikelnummer: EB-0601022745-2604448137
nur Informationsartikel
Nie mehr lieferbar
keine Alternativen
Pos.
54
BOSCH Verbindungskabel L=68 MM WEISS | Ersatzteile für 1022 VSR | 2604448100
Hersteller: BOSCH
Artikelnummer: EB-0601022745-2604448100
Netto: 3,63 € zzgl. MwSt.
zzgl. 6,90 € Versand (brutto)
einmalig pro Bestellung

Lieferzeit: 5 Werktage

Stück
Pos.
57
BOSCH Verbindungsleitung L=63 MM WEISS | Ersatzteile für 1022 VSR | 2604448104
Hersteller: BOSCH
Artikelnummer: EB-0601022745-2604448104
Netto: 3,94 € zzgl. MwSt.
zzgl. 6,90 € Versand (brutto)
einmalig pro Bestellung

Lieferzeit: 5 Werktage

Packung
Pos.
58
BOSCH Umschalter | Ersatzteile für 1022 VSR | 2607200231
Hersteller: BOSCH
Artikelnummer: EB-0601022745-2607200231
Netto: 14,36 € zzgl. MwSt.
zzgl. 6,90 € Versand (brutto)
einmalig pro Bestellung

Lieferzeit: 5 Werktage

Stück
Pos.
61
BOSCH Ausgleichscheibe 0,3 MM | Ersatzteile für 1022 VSR | 2600100607
Hersteller: BOSCH
Artikelnummer: EB-0601022745-2600100607
Netto: 3,94 € zzgl. MwSt.
zzgl. 6,90 € Versand (brutto)
einmalig pro Bestellung

Lieferzeit: 5 Werktage

Stück
Pos.
66
BOSCH Bohrfutterschlüssel | Ersatzteile für 1022 VSR | 3608571506
Hersteller: BOSCH
Artikelnummer: EB-0601022745-3608571506
nur Informationsartikel
Nie mehr lieferbar
keine Alternativen
Pos.
99
BOSCH Sicherungsscheibe | Ersatzteile für 1022 VSR | 3600171504
Hersteller: BOSCH
Artikelnummer: EB-0601022745-3600171504
nur Informationsartikel
Nie mehr lieferbar
keine Alternativen
Pos.
801
BOSCH Motorgehäuse DUNKELBLAU | Ersatzteile für 1022 VSR | 3605108557
Hersteller: BOSCH
Artikelnummer: EB-0601022745-3605108557
Netto: 21,16 € zzgl. MwSt.
zzgl. 6,90 € Versand (brutto)
einmalig pro Bestellung

Lieferzeit: 5 Werktage

Stück
Pos.
802
BOSCH Polschuh 115V | Ersatzteile für 1022 VSR | 2610910309
Hersteller: BOSCH
Artikelnummer: EB-0601022745-2610910309
Netto: 19,18 € zzgl. MwSt.
zzgl. 6,90 € Versand (brutto)
einmalig pro Bestellung

Lieferzeit: 5 Werktage

Stück
Pos.
803
BOSCH Anker 115V | Ersatzteile für 1022 VSR | 2610910307
Hersteller: BOSCH
Artikelnummer: EB-0601022745-2610910307
Netto: 42,86 € zzgl. MwSt.
zzgl. 6,90 € Versand (brutto)
einmalig pro Bestellung

Lieferzeit: 5 Werktage

Stück
Pos.
804
BOSCH Ein/Aus-Schalter | Ersatzteile für 1022 VSR | 2610994891
Hersteller: BOSCH
Artikelnummer: EB-0601022745-2610994891
nur Informationsartikel
Nie mehr lieferbar
keine Alternativen
Pos.
808
BOSCH Typschild | Ersatzteile für 1022 VSR | 3601119718
Hersteller: BOSCH
Artikelnummer: EB-0601022745-3601119718
nur Informationsartikel
Nie mehr lieferbar
keine Alternativen
Pos.
810
BOSCH Kohlebürstensatz | Ersatzteile für 1022 VSR | 2604321914
Hersteller: BOSCH
Artikelnummer: EB-0601022745-2604321914
nur Informationsartikel
Nie mehr lieferbar
keine Alternativen
Pos.
825
BOSCH Getriebegehäuse SCHWARZ | Ersatzteile für 1022 VSR | 3605190514
Hersteller: BOSCH
Artikelnummer: EB-0601022745-3605190514
Netto: 32,85 € zzgl. MwSt.
zzgl. 6,90 € Versand (brutto)
einmalig pro Bestellung

Lieferzeit: 5 Werktage

Stück
Pos.
828
BOSCH Lagerbrücke | Ersatzteile für 1022 VSR | 3605806537
Hersteller: BOSCH
Artikelnummer: EB-0601022745-3605806537
Netto: 23,72 € zzgl. MwSt.
zzgl. 6,90 € Versand (brutto)
einmalig pro Bestellung

Lieferzeit: 5 Werktage

Stück
Pos.
839
BOSCH Gehäusedeckel DUNKELBLAU | Ersatzteile für 1022 VSR | 3605133521
Hersteller: BOSCH
Artikelnummer: EB-0601022745-3605133521
Netto: 8,33 € zzgl. MwSt.
zzgl. 6,90 € Versand (brutto)
einmalig pro Bestellung

Lieferzeit: 5 Werktage

Stück
Pos.
846
BOSCH Stirnradgetriebe | Ersatzteile für 1022 VSR | 3606120552
Hersteller: BOSCH
Artikelnummer: EB-0601022745-3606120552
nur Informationsartikel
Nie mehr lieferbar
keine Alternativen
Pos.
847
BOSCH Getriebewelle | Ersatzteile für 1022 VSR | 3606319519
Hersteller: BOSCH
Artikelnummer: EB-0601022745-3606319519
Netto: 24,19 € zzgl. MwSt.
zzgl. 6,90 € Versand (brutto)
einmalig pro Bestellung

Lieferzeit: 5 Werktage

Stück

Angaben zur Produktsicherheit

Hersteller:
Robert Bosch Power Tools GmbH
Postfach 30 02 20
70442 Stuttgart

E-Mail:
kontakt@bosch.de