BOSCH 1050 - F015105002

Artikelnummer: EB-F015105002

Position:

Marke: BOSCH


Bitte Kompatibilität prüfen!

Bitte prüfen Sie unbedingt die 10-stellige Typennummer Ihrer Maschine / Ihres Gerätes. Das Ersatzteil ist nur kompatibel, wenn Sie die Typennummer Ihrer Maschine in der unten stehenden Produktbeschreibung finden.

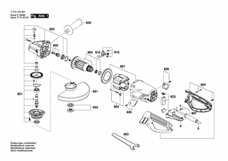
Bitte prüfen Sie ebenfalls detailliert die Explosionszeichnung mit Ihrem Artikelwunsch und der jeweiligen Pos-Nummer.

Alle Elemente, welche vom schwarzen Strich der Pos-Nummer ausgehend berührt / erfasst werden, gehören zu dieser Pos-Nummer und somit zu diesem Artikel. Jede Pos-Nummer ist ein eigenständiger Artikel, welchen Sie in der Auflistung finden.

Sie erhalten stets die aktuellste, neueste Produktversion zu der gewählten Pos-Nummer seitens des Herstellers. Es kann daher je nach Gerätealter vorkommen, dass Sie ggf. weitere, zugehörige Elemente, welche an diese Pos-Nummer grenzen, ebenfalls mittauschen müssen.

Nähere Informationen finden Sie unter dem Link
Hinweise zu Ihrer BOSCH Ersatzteilsuche

Beschreibung

Die aufgelisteten BOSCH Ersatzteile sind mit folgendem Gerät und Modell kompatibel:

BOSCH Gerätename:1050
BOSCH Typennummer:F015105002
alternative Schreibweisen:F 015 105 002, F015 105 002, F.015.105.002, F-015-105-002

Bitte prüfen Sie die Typennummer auf Ihrem Gerät um die Kompatibilität des BOSCH Ersatzteils zu gewährleisten.

Die passenden Ersatzteile des BOSCH 1050 (Winkelschleifer) mit der Typennummer F015105002 finden Sie in der nachfolgenden Darstellung geordnet nach der Positionsnummern aus der Explosionszeichnung:

Pos.
4
BOSCH Ein/Aus-Schalter | Ersatzteile für 1050 | 2610Z01056
Hersteller: BOSCH
Artikelnummer: EB-F015105002-2610Z01056
Netto: 4,18 € zzgl. MwSt.
zzgl. 6,90 € Versand (brutto)
einmalig pro Bestellung

Lieferzeit: 5 Werktage

Stück
Pos.
5
BOSCH Netzanschlussleitung CH 4,15m 2x1,50 H07RN-F | Ersatzteile für 1050 | 2610935840
Hersteller: BOSCH
Artikelnummer: EB-F015105002-2610935840
nur Informationsartikel
Nie mehr lieferbar
keine Alternativen
Pos.
650
BOSCH Zusatzhandgriff | Ersatzteile für 1050 | 2610Z00381
Hersteller: BOSCH
Artikelnummer: EB-F015105002-2610Z00381
nur Informationsartikel
Nie mehr lieferbar
keine Alternativen
Pos.
651
BOSCH Radschutz | Ersatzteile für 1050 | 2610Z01059
Hersteller: BOSCH
Artikelnummer: EB-F015105002-2610Z01059
nur Informationsartikel
Nie mehr lieferbar
keine Alternativen
Pos.
652
BOSCH Aufspannflansch | Ersatzteile für 1050 | 2610Z01062
Hersteller: BOSCH
Artikelnummer: EB-F015105002-2610Z01062
nur Informationsartikel
Nie mehr lieferbar
keine Alternativen
Pos.
653
BOSCH Stirnlochschlüssel | Ersatzteile für 1050 | 2610399832
Hersteller: BOSCH
Artikelnummer: EB-F015105002-2610399832
nur Informationsartikel
Nie mehr lieferbar
keine Alternativen
Pos.
801
BOSCH Motorgehäuse | Ersatzteile für 1050 | 2610Z01052
Hersteller: BOSCH
Artikelnummer: EB-F015105002-2610Z01052
nur Informationsartikel
Nie mehr lieferbar
keine Alternativen
Pos.
802
BOSCH Polschuh 230V | Ersatzteile für 1050 | 2610Z01053
Hersteller: BOSCH
Artikelnummer: EB-F015105002-2610Z01053
nur Informationsartikel
Nie mehr lieferbar
keine Alternativen
Pos.
803
BOSCH Anker 230V | Ersatzteile für 1050 | 2610Z01061
Hersteller: BOSCH
Artikelnummer: EB-F015105002-2610Z01061
nur Informationsartikel
Nie mehr lieferbar
keine Alternativen
Pos.
807
BOSCH Tülle | Ersatzteile für 1050 | 2610Z01055
Hersteller: BOSCH
Artikelnummer: EB-F015105002-2610Z01055
nur Informationsartikel
Nie mehr lieferbar
keine Alternativen
Pos.
810
BOSCH Kohlebürstensatz | Ersatzteile für 1050 | 2610Z01050
Hersteller: BOSCH
Artikelnummer: EB-F015105002-2610Z01050
nur Informationsartikel
Nie mehr lieferbar
keine Alternativen
Pos.
816
BOSCH Bürstenhalter | Ersatzteile für 1050 | 2610Z01051
Hersteller: BOSCH
Artikelnummer: EB-F015105002-2610Z01051
nur Informationsartikel
Nie mehr lieferbar
keine Alternativen
Pos.
821
BOSCH Spindelgruppe | Ersatzteile für 1050 | 2610Z01049
Hersteller: BOSCH
Artikelnummer: EB-F015105002-2610Z01049
nur Informationsartikel
Nie mehr lieferbar
keine Alternativen
Pos.
822
BOSCH Getriebegehäuse | Ersatzteile für 1050 | 2610Z01048
Hersteller: BOSCH
Artikelnummer: EB-F015105002-2610Z01048
nur Informationsartikel
Nie mehr lieferbar
keine Alternativen
Pos.
823
BOSCH Softstartmodul | Ersatzteile für 1050 | 2610Z01057
Hersteller: BOSCH
Artikelnummer: EB-F015105002-2610Z01057
nur Informationsartikel
Nie mehr lieferbar
keine Alternativen
Pos.
824
BOSCH Handgriff | Ersatzteile für 1050 | 2610Z01054
Hersteller: BOSCH
Artikelnummer: EB-F015105002-2610Z01054
nur Informationsartikel
Nie mehr lieferbar
keine Alternativen
Pos.
825
BOSCH Kegelradsatz | Ersatzteile für 1050 | 2610Z01060
Hersteller: BOSCH
Artikelnummer: EB-F015105002-2610Z01060
nur Informationsartikel
Nie mehr lieferbar
keine Alternativen
Pos.
826
BOSCH Bürstendeckel | Ersatzteile für 1050 | 2610Z01058
Hersteller: BOSCH
Artikelnummer: EB-F015105002-2610Z01058
nur Informationsartikel
Nie mehr lieferbar
keine Alternativen

Angaben zur Produktsicherheit

Hersteller:
Robert Bosch Power Tools GmbH
Postfach 30 02 20
70442 Stuttgart

E-Mail:
kontakt@bosch.de