BOSCH 1215 - F015121503

Artikelnummer: EB-F015121503

Position:

Marke: BOSCH


Bitte Kompatibilität prüfen!

Bitte prüfen Sie unbedingt die 10-stellige Typennummer Ihrer Maschine / Ihres Gerätes. Das Ersatzteil ist nur kompatibel, wenn Sie die Typennummer Ihrer Maschine in der unten stehenden Produktbeschreibung finden.

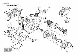
Bitte prüfen Sie ebenfalls detailliert die Explosionszeichnung mit Ihrem Artikelwunsch und der jeweiligen Pos-Nummer.

Alle Elemente, welche vom schwarzen Strich der Pos-Nummer ausgehend berührt / erfasst werden, gehören zu dieser Pos-Nummer und somit zu diesem Artikel. Jede Pos-Nummer ist ein eigenständiger Artikel, welchen Sie in der Auflistung finden.

Sie erhalten stets die aktuellste, neueste Produktversion zu der gewählten Pos-Nummer seitens des Herstellers. Es kann daher je nach Gerätealter vorkommen, dass Sie ggf. weitere, zugehörige Elemente, welche an diese Pos-Nummer grenzen, ebenfalls mittauschen müssen.

Nähere Informationen finden Sie unter dem Link
Hinweise zu Ihrer BOSCH Ersatzteilsuche

Beschreibung

Die aufgelisteten BOSCH Ersatzteile sind mit folgendem Gerät und Modell kompatibel:

BOSCH Gerätename:1215
BOSCH Typennummer:F015121503
alternative Schreibweisen:F 015 121 503, F015 121 503, F.015.121.503, F-015-121-503

Bitte prüfen Sie die Typennummer auf Ihrem Gerät um die Kompatibilität des BOSCH Ersatzteils zu gewährleisten.

Die passenden Ersatzteile des BOSCH 1215 (Bandschleifer) mit der Typennummer F015121503 finden Sie in der nachfolgenden Darstellung geordnet nach der Positionsnummern aus der Explosionszeichnung:

Pos.
2
BOSCH Polschuh 230V | Ersatzteile für 1215 | 2610398706
Hersteller: BOSCH
Artikelnummer: EB-F015121503-2610398706
nur Informationsartikel
Nie mehr lieferbar
keine Alternativen
Pos.
3
BOSCH Anker 230V | Ersatzteile für 1215 | 2610398707
Hersteller: BOSCH
Artikelnummer: EB-F015121503-2610398707
nur Informationsartikel
Nie mehr lieferbar
keine Alternativen
Pos.
4
BOSCH Ein/Aus-Schalter | Ersatzteile für 1215 | 2610398709
Hersteller: BOSCH
Artikelnummer: EB-F015121503-2610398709
nur Informationsartikel
Nie mehr lieferbar
keine Alternativen
Pos.
5
BOSCH Netzanschlussleitung GB 230V | Ersatzteile für 1215 | 2610376418
Hersteller: BOSCH
Artikelnummer: EB-F015121503-2610376418
nur Informationsartikel
Nie mehr lieferbar
keine Alternativen
Pos.
6
BOSCH Tülle | Ersatzteile für 1215 | 2610397124
Hersteller: BOSCH
Artikelnummer: EB-F015121503-2610397124
nur Informationsartikel
Nie mehr lieferbar
keine Alternativen
Pos.
7
BOSCH Leitungshalter | Ersatzteile für 1215 | 2610393890
Hersteller: BOSCH
Artikelnummer: EB-F015121503-2610393890
nur Informationsartikel
Nie mehr lieferbar
keine Alternativen
Pos.
12
BOSCH Entstörkondensator | Ersatzteile für 1215 | 2610398717
Hersteller: BOSCH
Artikelnummer: EB-F015121503-2610398717
nur Informationsartikel
Nie mehr lieferbar
keine Alternativen
Pos.
16
BOSCH Kohlebürstensatz | Ersatzteile für 1215 | 2610398705
Hersteller: BOSCH
Artikelnummer: EB-F015121503-2610398705
nur Informationsartikel
Nie mehr lieferbar
keine Alternativen
Pos.
20
BOSCH Bandabdeckung | Ersatzteile für 1215 | 2610398697
Hersteller: BOSCH
Artikelnummer: EB-F015121503-2610398697
nur Informationsartikel
Nie mehr lieferbar
keine Alternativen
Pos.
21
BOSCH Zahnriemen | Ersatzteile für 1215 | 2610398698
Hersteller: BOSCH
Artikelnummer: EB-F015121503-2610398698
nur Informationsartikel
Nie mehr lieferbar
keine Alternativen
Pos.
22
BOSCH Gabel | Ersatzteile für 1215 | 2610398699
Hersteller: BOSCH
Artikelnummer: EB-F015121503-2610398699
nur Informationsartikel
Nie mehr lieferbar
keine Alternativen
Pos.
23
BOSCH Gabelhebel | Ersatzteile für 1215 | 2610398700
Hersteller: BOSCH
Artikelnummer: EB-F015121503-2610398700
nur Informationsartikel
Nie mehr lieferbar
keine Alternativen
Pos.
24
BOSCH Grundplatte | Ersatzteile für 1215 | 2610398701
Hersteller: BOSCH
Artikelnummer: EB-F015121503-2610398701
nur Informationsartikel
Nie mehr lieferbar
keine Alternativen
Pos.
25
BOSCH Abdeckung | Ersatzteile für 1215 | 2610398702
Hersteller: BOSCH
Artikelnummer: EB-F015121503-2610398702
nur Informationsartikel
Nie mehr lieferbar
keine Alternativen
Pos.
26
BOSCH Schalthebel | Ersatzteile für 1215 | 2610398703
Hersteller: BOSCH
Artikelnummer: EB-F015121503-2610398703
nur Informationsartikel
Nie mehr lieferbar
keine Alternativen
Pos.
27
BOSCH Antriebsscheibe | Ersatzteile für 1215 | 2610398704
Hersteller: BOSCH
Artikelnummer: EB-F015121503-2610398704
nur Informationsartikel
Nie mehr lieferbar
keine Alternativen
Pos.
28
BOSCH Zahnriemenscheibe | Ersatzteile für 1215 | 2610398708
Hersteller: BOSCH
Artikelnummer: EB-F015121503-2610398708
nur Informationsartikel
Nie mehr lieferbar
keine Alternativen
Pos.
29
BOSCH Lagergehäuse | Ersatzteile für 1215 | 2610398710
Hersteller: BOSCH
Artikelnummer: EB-F015121503-2610398710
nur Informationsartikel
Nie mehr lieferbar
keine Alternativen
Pos.
30
BOSCH Gerätegehäuse | Ersatzteile für 1215 | 2610398711
Hersteller: BOSCH
Artikelnummer: EB-F015121503-2610398711
nur Informationsartikel
Nie mehr lieferbar
keine Alternativen
Pos.
31
BOSCH Gehäusedeckel | Ersatzteile für 1215 | 2610398712
Hersteller: BOSCH
Artikelnummer: EB-F015121503-2610398712
nur Informationsartikel
Nie mehr lieferbar
keine Alternativen
Pos.
32
BOSCH Knopfsatz | Ersatzteile für 1215 | 2610398713
Hersteller: BOSCH
Artikelnummer: EB-F015121503-2610398713
nur Informationsartikel
Nie mehr lieferbar
keine Alternativen
Pos.
33
BOSCH Induktionsspule | Ersatzteile für 1215 | 2610398714
Hersteller: BOSCH
Artikelnummer: EB-F015121503-2610398714
nur Informationsartikel
Nie mehr lieferbar
keine Alternativen
Pos.
34
BOSCH Aufspannplatte | Ersatzteile für 1215 | 2610398715
Hersteller: BOSCH
Artikelnummer: EB-F015121503-2610398715
nur Informationsartikel
Nie mehr lieferbar
keine Alternativen
Pos.
35
BOSCH Antriebswelle | Ersatzteile für 1215 | 2610398716
Hersteller: BOSCH
Artikelnummer: EB-F015121503-2610398716
nur Informationsartikel
Nie mehr lieferbar
keine Alternativen
Pos.
650
BOSCH Staubbehaelter | Ersatzteile für 1215 | 2610398153
Hersteller: BOSCH
Artikelnummer: EB-F015121503-2610398153
nur Informationsartikel
Nie mehr lieferbar
keine Alternativen
Pos.
651
BOSCH Adapter | Ersatzteile für 1215 | 2610398155
Hersteller: BOSCH
Artikelnummer: EB-F015121503-2610398155
nur Informationsartikel
Nie mehr lieferbar
keine Alternativen

Angaben zur Produktsicherheit

Hersteller:
Robert Bosch Power Tools GmbH
Postfach 30 02 20
70442 Stuttgart

E-Mail:
kontakt@bosch.de