BOSCH 1250DEVS - 0601250774

Artikelnummer: EB-0601250774

Position:

Marke: BOSCH


Bitte Kompatibilität prüfen!

Bitte prüfen Sie unbedingt die 10-stellige Typennummer Ihrer Maschine / Ihres Gerätes. Das Ersatzteil ist nur kompatibel, wenn Sie die Typennummer Ihrer Maschine in der unten stehenden Produktbeschreibung finden.

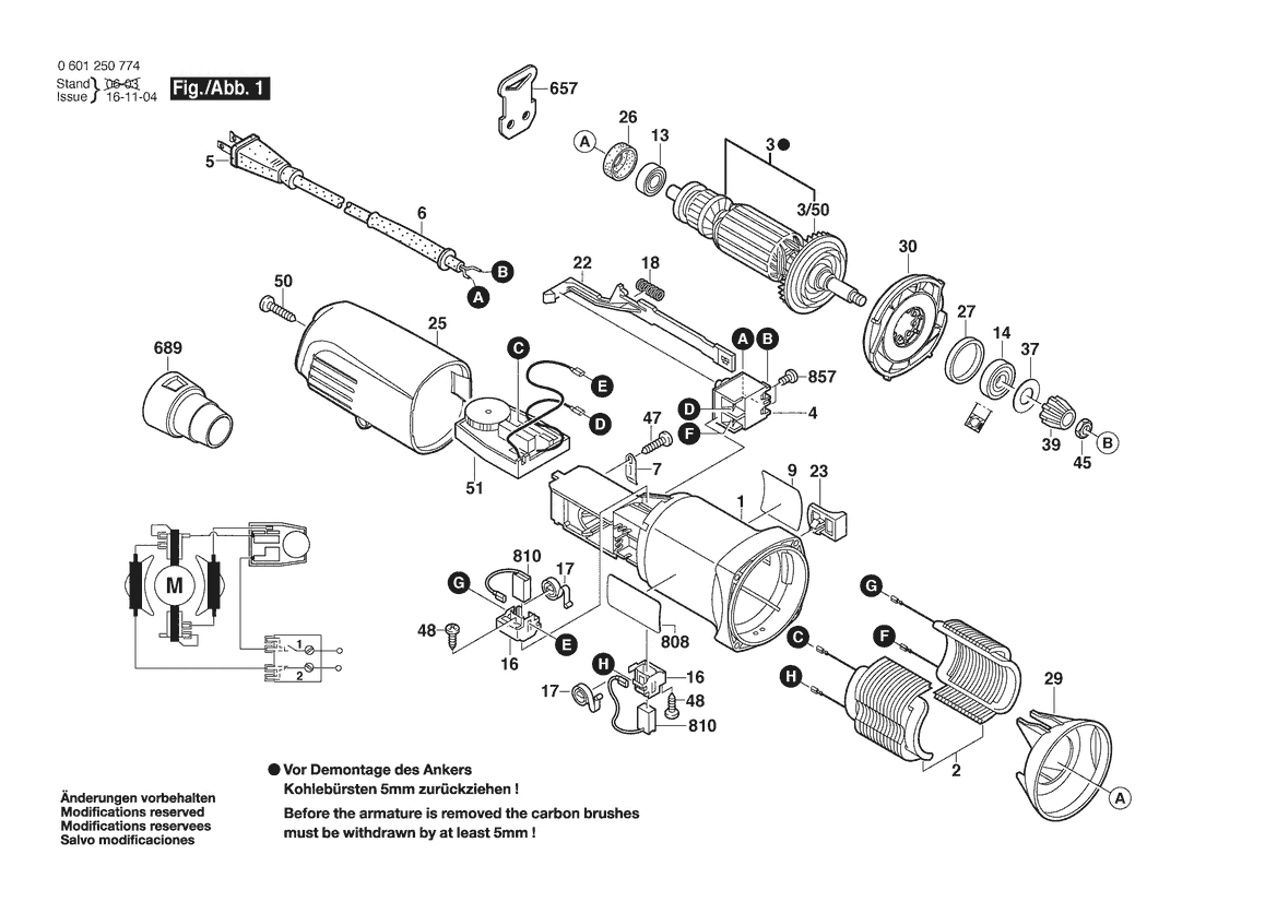
Bitte prüfen Sie ebenfalls detailliert die Explosionszeichnung mit Ihrem Artikelwunsch und der jeweiligen Pos-Nummer.

Alle Elemente, welche vom schwarzen Strich der Pos-Nummer ausgehend berührt / erfasst werden, gehören zu dieser Pos-Nummer und somit zu diesem Artikel. Jede Pos-Nummer ist ein eigenständiger Artikel, welchen Sie in der Auflistung finden.

Sie erhalten stets die aktuellste, neueste Produktversion zu der gewählten Pos-Nummer seitens des Herstellers. Es kann daher je nach Gerätealter vorkommen, dass Sie ggf. weitere, zugehörige Elemente, welche an diese Pos-Nummer grenzen, ebenfalls mittauschen müssen.

Nähere Informationen finden Sie unter dem Link
Hinweise zu Ihrer BOSCH Ersatzteilsuche

Beschreibung

Die aufgelisteten BOSCH Ersatzteile sind mit folgendem Gerät und Modell kompatibel:

BOSCH Gerätename:1250DEVS
BOSCH Typennummer:0601250774
alternative Schreibweisen:0 601 250 774, 0601 250 774, 0.601.250.774, 0-601-250-774

Bitte prüfen Sie die Typennummer auf Ihrem Gerät um die Kompatibilität des BOSCH Ersatzteils zu gewährleisten.

Die passenden Ersatzteile des BOSCH 1250DEVS (Exzenterschleifer) mit der Typennummer 0601250774 finden Sie in der nachfolgenden Darstellung geordnet nach der Positionsnummern aus der Explosionszeichnung:

Pos.
1
BOSCH Motorgehäuse | Ersatzteile für 1250DEVS | 1619P09772
Hersteller: BOSCH
Artikelnummer: EB-0601250774-1619P09772
Netto: 11,92 € zzgl. MwSt.
zzgl. 6,90 € Versand (brutto)
einmalig pro Bestellung

Lieferzeit: 5 Werktage

Stück
Pos.
3/50
BOSCH Lüfter | Ersatzteile für 1250DEVS | 1606610141
Hersteller: BOSCH
Artikelnummer: EB-0601250774-1606610141
Netto: 5,67 € zzgl. MwSt.
zzgl. 6,90 € Versand (brutto)
einmalig pro Bestellung

Lieferzeit: 5 Werktage

Stück
Pos.
655/1
BOSCH Zusatzhandgriff | Ersatzteile für 1250DEVS | 1619P16111
Hersteller: BOSCH
Artikelnummer: EB-0601250774-1619P16111
Netto: 4,82 € zzgl. MwSt.
zzgl. 6,90 € Versand (brutto)
einmalig pro Bestellung

Lieferzeit: 22 Werktage

Stück
Pos.
655/1
BOSCH Zusatzhandgriff M10, Ø32,5x105 MM | Ersatzteile für 1250DEVS | 2602025067
Hersteller: BOSCH
Artikelnummer: EB-0601250774-2602025067
nur Informationsartikel
Nie mehr lieferbar
keine Alternativen
Pos.
655/2
BOSCH Innensechskantschlüssel 5 MM | Ersatzteile für 1250DEVS | 2610364015
Hersteller: BOSCH
Artikelnummer: EB-0601250774-2610364015
Netto: 5,19 € zzgl. MwSt.
zzgl. 6,90 € Versand (brutto)
einmalig pro Bestellung

Lieferzeit: 5 Werktage

Stück
Pos.
2
BOSCH Polschuh 100-120V | Ersatzteile für 1250DEVS | 1604220329
Hersteller: BOSCH
Artikelnummer: EB-0601250774-1604220329
Netto: 15,75 € zzgl. MwSt.
zzgl. 6,90 € Versand (brutto)
einmalig pro Bestellung

Lieferzeit: 5 Werktage

Stück
Pos.
3
BOSCH Anker 100-120V | Ersatzteile für 1250DEVS | 1604010627
Hersteller: BOSCH
Artikelnummer: EB-0601250774-1604010627
Netto: 24,13 € zzgl. MwSt.
zzgl. 6,90 € Versand (brutto)
einmalig pro Bestellung

Lieferzeit: 5 Werktage

Stück
Pos.
4
BOSCH Schalter | Ersatzteile für 1250DEVS | 1607200146
Hersteller: BOSCH
Artikelnummer: EB-0601250774-1607200146
Netto: 9,18 € zzgl. MwSt.
zzgl. 6,90 € Versand (brutto)
einmalig pro Bestellung

Lieferzeit: 5 Werktage

Stück
Pos.
5
BOSCH Netzanschlussleitung USA/CDN 4,15m 2 x 082mm SJ 18/2 | Ersatzteile für 1250DEVS | 1604460276
Hersteller: BOSCH
Artikelnummer: EB-0601250774-1604460276
Netto: 15,42 € zzgl. MwSt.
zzgl. 6,90 € Versand (brutto)
einmalig pro Bestellung

Lieferzeit: 5 Werktage

Stück
Pos.
6
BOSCH Tülle Ø7,6-Ø8,2x95 MM | Ersatzteile für 1250DEVS | 2600703013
Hersteller: BOSCH
Artikelnummer: EB-0601250774-2600703013
Netto: 4,53 € zzgl. MwSt.
zzgl. 6,90 € Versand (brutto)
einmalig pro Bestellung

Lieferzeit: 5 Werktage

Stück
Pos.
7
BOSCH Befestigungsschelle | Ersatzteile für 1250DEVS | 1601302017
Hersteller: BOSCH
Artikelnummer: EB-0601250774-1601302017
Netto: 3,63 € zzgl. MwSt.
zzgl. 6,90 € Versand (brutto)
einmalig pro Bestellung

Lieferzeit: 5 Werktage

Stück
Pos.
9
BOSCH Firmenschild | Ersatzteile für 1250DEVS | 2601116512
Hersteller: BOSCH
Artikelnummer: EB-0601250774-2601116512
Netto: 5,19 € zzgl. MwSt.
zzgl. 6,90 € Versand (brutto)
einmalig pro Bestellung

Lieferzeit: 5 Werktage

Stück
Pos.
13
BOSCH Kugellager 7x19x6 | Ersatzteile für 1250DEVS | 2600905032
Hersteller: BOSCH
Artikelnummer: EB-0601250774-2600905032
Netto: 6,15 € zzgl. MwSt.
zzgl. 6,90 € Versand (brutto)
einmalig pro Bestellung

Lieferzeit: 16 Werktage

Stück
Pos.
14
BOSCH Rillenkugellager | Ersatzteile für 1250DEVS | 1619P11240
Hersteller: BOSCH
Artikelnummer: EB-0601250774-1619P11240
Netto: 4,82 € zzgl. MwSt.
zzgl. 6,90 € Versand (brutto)
einmalig pro Bestellung

Lieferzeit: 5 Werktage

Stück
Pos.
16
BOSCH Bürstenhalter | Ersatzteile für 1250DEVS | 1619P01811
Hersteller: BOSCH
Artikelnummer: EB-0601250774-1619P01811
Netto: 4,82 € zzgl. MwSt.
zzgl. 6,90 € Versand (brutto)
einmalig pro Bestellung

Lieferzeit: 5 Werktage

Stück
Pos.
17
BOSCH Spiralfeder | Ersatzteile für 1250DEVS | 1604652013
Hersteller: BOSCH
Artikelnummer: EB-0601250774-1604652013
Netto: 3,94 € zzgl. MwSt.
zzgl. 6,90 € Versand (brutto)
einmalig pro Bestellung

Lieferzeit: 5 Werktage

Stück
Pos.
18
BOSCH Druckfeder | Ersatzteile für 1250DEVS | 1604611031
Hersteller: BOSCH
Artikelnummer: EB-0601250774-1604611031
Netto: 4,53 € zzgl. MwSt.
zzgl. 6,90 € Versand (brutto)
einmalig pro Bestellung

Lieferzeit: 5 Werktage

Stück
Pos.
21
BOSCH Getriebegehäuse | Ersatzteile für 1250DEVS | 2605806438
Hersteller: BOSCH
Artikelnummer: EB-0601250774-2605806438
Netto: 24,13 € zzgl. MwSt.
zzgl. 6,90 € Versand (brutto)
einmalig pro Bestellung

Lieferzeit: 5 Werktage

Stück
Pos.
22
BOSCH Verstellschieber | Ersatzteile für 1250DEVS | 1602319009
Hersteller: BOSCH
Artikelnummer: EB-0601250774-1602319009
Netto: 4,82 € zzgl. MwSt.
zzgl. 6,90 € Versand (brutto)
einmalig pro Bestellung

Lieferzeit: 5 Werktage

Stück
Pos.
23
BOSCH Schaltergriff SCHWARZ | Ersatzteile für 1250DEVS | 1602026068
Hersteller: BOSCH
Artikelnummer: EB-0601250774-1602026068
Netto: 4,53 € zzgl. MwSt.
zzgl. 6,90 € Versand (brutto)
einmalig pro Bestellung

Lieferzeit: 5 Werktage

Stück
Pos.
25
BOSCH Gehäusedeckel | Ersatzteile für 1250DEVS | 2605500167
Hersteller: BOSCH
Artikelnummer: EB-0601250774-2605500167
Netto: 9,18 € zzgl. MwSt.
zzgl. 6,90 € Versand (brutto)
einmalig pro Bestellung

Lieferzeit: 5 Werktage

Stück
Pos.
26
BOSCH Zwischenring | Ersatzteile für 1250DEVS | 1600502024
Hersteller: BOSCH
Artikelnummer: EB-0601250774-1600502024
Netto: 4,32 € zzgl. MwSt.
zzgl. 6,90 € Versand (brutto)
einmalig pro Bestellung

Lieferzeit: 5 Werktage

Stück
Pos.
27
BOSCH Gummiring | Ersatzteile für 1250DEVS | 1600206025
Hersteller: BOSCH
Artikelnummer: EB-0601250774-1600206025
Netto: 4,32 € zzgl. MwSt.
zzgl. 6,90 € Versand (brutto)
einmalig pro Bestellung

Lieferzeit: 5 Werktage

Stück
Pos.
29
BOSCH Luftleitring | Ersatzteile für 1250DEVS | 1600591023
Hersteller: BOSCH
Artikelnummer: EB-0601250774-1600591023
Netto: 4,53 € zzgl. MwSt.
zzgl. 6,90 € Versand (brutto)
einmalig pro Bestellung

Lieferzeit: 5 Werktage

Stück
Pos.
30
BOSCH Luftleitring | Ersatzteile für 1250DEVS | 2601328071
Hersteller: BOSCH
Artikelnummer: EB-0601250774-2601328071
Netto: 4,32 € zzgl. MwSt.
zzgl. 6,90 € Versand (brutto)
einmalig pro Bestellung

Lieferzeit: 5 Werktage

Stück
Pos.
37
BOSCH Abdeckscheibe | Ersatzteile für 1250DEVS | 1600100033
Hersteller: BOSCH
Artikelnummer: EB-0601250774-1600100033
Netto: 4,53 € zzgl. MwSt.
zzgl. 6,90 € Versand (brutto)
einmalig pro Bestellung

Lieferzeit: 5 Werktage

Stück
Pos.
39
BOSCH Ritzel | Ersatzteile für 1250DEVS | 2609110149
Hersteller: BOSCH
Artikelnummer: EB-0601250774-2609110149
Netto: 5,67 € zzgl. MwSt.
zzgl. 6,90 € Versand (brutto)
einmalig pro Bestellung

Lieferzeit: 5 Werktage

Stück
Pos.
41
BOSCH Nadellager Ø8x8 MM | Ersatzteile für 1250DEVS | 2600917003
Hersteller: BOSCH
Artikelnummer: EB-0601250774-2600917003
Netto: 4,82 € zzgl. MwSt.
zzgl. 6,90 € Versand (brutto)
einmalig pro Bestellung

Lieferzeit: 5 Werktage

Stück
Pos.
45
BOSCH Sechskantmutter DIN 934-M6-8-A | Ersatzteile für 1250DEVS | 2915011007
Hersteller: BOSCH
Artikelnummer: EB-0601250774-2915011007
Netto: 3,63 € zzgl. MwSt.
zzgl. 6,90 € Versand (brutto)
einmalig pro Bestellung

Lieferzeit: 5 Werktage

Stück
Pos.
47
BOSCH Spezialschraube | Ersatzteile für 1250DEVS | 2609110052
Hersteller: BOSCH
Artikelnummer: EB-0601250774-2609110052
Netto: 3,63 € zzgl. MwSt.
zzgl. 6,90 € Versand (brutto)
einmalig pro Bestellung

Lieferzeit: 5 Werktage

Stück
Pos.
48
BOSCH Torx-Linsenschraube 3x10 | Ersatzteile für 1250DEVS | 1619P00220
Hersteller: BOSCH
Artikelnummer: EB-0601250774-1619P00220
Netto: 3,63 € zzgl. MwSt.
zzgl. 6,90 € Versand (brutto)
einmalig pro Bestellung

Lieferzeit: 5 Werktage

Stück
Pos.
50
BOSCH Blechschraube DIN 7981-ST3,9x19-C-H | Ersatzteile für 1250DEVS | 2910611020
Hersteller: BOSCH
Artikelnummer: EB-0601250774-2910611020
Netto: 3,94 € zzgl. MwSt.
zzgl. 6,90 € Versand (brutto)
einmalig pro Bestellung

Lieferzeit: 5 Werktage

Stück
Pos.
51
BOSCH Drehzahlregler | Ersatzteile für 1250DEVS | 1607233168
Hersteller: BOSCH
Artikelnummer: EB-0601250774-1607233168
Netto: 29,45 € zzgl. MwSt.
zzgl. 6,90 € Versand (brutto)
einmalig pro Bestellung

Lieferzeit: 5 Werktage

Stück
Pos.
55
BOSCH Blechschraube DIN 7981-ST3,9x25-C-H | Ersatzteile für 1250DEVS | 2910611022
Hersteller: BOSCH
Artikelnummer: EB-0601250774-2910611022
nur Informationsartikel
Nie mehr lieferbar
keine Alternativen
Pos.
110
BOSCH Hinweisschild | Ersatzteile für 1250DEVS | 2601119008
Hersteller: BOSCH
Artikelnummer: EB-0601250774-2601119008
Netto: 4,82 € zzgl. MwSt.
zzgl. 6,90 € Versand (brutto)
einmalig pro Bestellung

Lieferzeit: 5 Werktage

Stück
Pos.
111
BOSCH O-Ring 42,0x1,0 MM | Ersatzteile für 1250DEVS | 3600210136
Hersteller: BOSCH
Artikelnummer: EB-0601250774-3600210136
nur Informationsartikel
Nie mehr lieferbar
keine Alternativen
Pos.
112
BOSCH Ausgleichscheibe 0,1 MM DICK | Ersatzteile für 1250DEVS | 1600136016
Hersteller: BOSCH
Artikelnummer: EB-0601250774-1600136016
Netto: 4,53 € zzgl. MwSt.
zzgl. 6,90 € Versand (brutto)
einmalig pro Bestellung

Lieferzeit: 5 Werktage

Stück
Pos.
112
BOSCH Ausgleichscheibe 0,2 MM DICK | Ersatzteile für 1250DEVS | 1600136017
Hersteller: BOSCH
Artikelnummer: EB-0601250774-1600136017
Netto: 4,53 € zzgl. MwSt.
zzgl. 6,90 € Versand (brutto)
einmalig pro Bestellung

Lieferzeit: 5 Werktage

Stück
Pos.
114
BOSCH Umschalthebel | Ersatzteile für 1250DEVS | 2601990030
Hersteller: BOSCH
Artikelnummer: EB-0601250774-2601990030
Netto: 7,76 € zzgl. MwSt.
zzgl. 6,90 € Versand (brutto)
einmalig pro Bestellung

Lieferzeit: 5 Werktage

Stück
Pos.
115
BOSCH Druckfeder | Ersatzteile für 1250DEVS | 2604601089
Hersteller: BOSCH
Artikelnummer: EB-0601250774-2604601089
Netto: 3,63 € zzgl. MwSt.
zzgl. 6,90 € Versand (brutto)
einmalig pro Bestellung

Lieferzeit: 5 Werktage

Stück
Pos.
124
BOSCH Reibring | Ersatzteile für 1250DEVS | 2600206019
Hersteller: BOSCH
Artikelnummer: EB-0601250774-2600206019
Netto: 6,70 € zzgl. MwSt.
zzgl. 6,90 € Versand (brutto)
einmalig pro Bestellung

Lieferzeit: 5 Werktage

Stück
Pos.
125
BOSCH Stützteller Ø150 | Ersatzteile für 1250DEVS | 2608601106
Hersteller: BOSCH
Artikelnummer: EB-0601250774-2608601106
Netto: 29,45 € zzgl. MwSt.
zzgl. 6,90 € Versand (brutto)
einmalig pro Bestellung

Lieferzeit: 5 Werktage

Stück
Pos.
127
BOSCH Innensechskantschraube DIN 7984-M8x18-8.8 | Ersatzteile für 1250DEVS | 2910130240
Hersteller: BOSCH
Artikelnummer: EB-0601250774-2910130240
Netto: 3,94 € zzgl. MwSt.
zzgl. 6,90 € Versand (brutto)
einmalig pro Bestellung

Lieferzeit: 5 Werktage

Stück
Pos.
128
BOSCH Dichtung | Ersatzteile für 1250DEVS | 2601015087
Hersteller: BOSCH
Artikelnummer: EB-0601250774-2601015087
Netto: 19,18 € zzgl. MwSt.
zzgl. 6,90 € Versand (brutto)
einmalig pro Bestellung

Lieferzeit: 63 Werktage

Stück
Pos.
129
BOSCH Gewindefurchschraube | Ersatzteile für 1250DEVS | 2603435042
Hersteller: BOSCH
Artikelnummer: EB-0601250774-2603435042
Netto: 3,94 € zzgl. MwSt.
zzgl. 6,90 € Versand (brutto)
einmalig pro Bestellung

Lieferzeit: 5 Werktage

Stück
Pos.
130
BOSCH Gewindefurchschraube | Ersatzteile für 1250DEVS | 2603435083
Hersteller: BOSCH
Artikelnummer: EB-0601250774-2603435083
Netto: 3,60 € zzgl. MwSt.
zzgl. 6,90 € Versand (brutto)
einmalig pro Bestellung

Lieferzeit: 5 Werktage

Stück
Pos.
131
BOSCH Absaugrohr | Ersatzteile für 1250DEVS | 2601328072
Hersteller: BOSCH
Artikelnummer: EB-0601250774-2601328072
Netto: 15,75 € zzgl. MwSt.
zzgl. 6,90 € Versand (brutto)
einmalig pro Bestellung

Lieferzeit: 5 Werktage

Stück
Pos.
133
BOSCH Innensechskantschraube DIN 912-M6x25-8.8 | Ersatzteile für 1250DEVS | 2910141203
Hersteller: BOSCH
Artikelnummer: EB-0601250774-2910141203
Netto: 3,94 € zzgl. MwSt.
zzgl. 6,90 € Versand (brutto)
einmalig pro Bestellung

Lieferzeit: 5 Werktage

Stück
Pos.
135
BOSCH Torx-Senkschraube | Ersatzteile für 1250DEVS | 2604421013
Hersteller: BOSCH
Artikelnummer: EB-0601250774-2604421013
Netto: 4,32 € zzgl. MwSt.
zzgl. 6,90 € Versand (brutto)
einmalig pro Bestellung

Lieferzeit: 5 Werktage

Stück
Pos.
136
BOSCH Dichtring | Ersatzteile für 1250DEVS | 2600015008
Hersteller: BOSCH
Artikelnummer: EB-0601250774-2600015008
Netto: 4,53 € zzgl. MwSt.
zzgl. 6,90 € Versand (brutto)
einmalig pro Bestellung

Lieferzeit: 5 Werktage

Stück
Pos.
137
BOSCH O-Ring 5,0x1,0 MM | Ersatzteile für 1250DEVS | 3600210101
Hersteller: BOSCH
Artikelnummer: EB-0601250774-3600210101
Netto: 3,94 € zzgl. MwSt.
zzgl. 6,90 € Versand (brutto)
einmalig pro Bestellung

Lieferzeit: 5 Werktage

Stück
Pos.
140
BOSCH Schaltbolzen | Ersatzteile für 1250DEVS | 2603102010
Hersteller: BOSCH
Artikelnummer: EB-0601250774-2603102010
Netto: 10,92 € zzgl. MwSt.
zzgl. 6,90 € Versand (brutto)
einmalig pro Bestellung

Lieferzeit: 5 Werktage

Stück
Pos.
142
BOSCH Ausgleichgewicht | Ersatzteile für 1250DEVS | 2608012010
Hersteller: BOSCH
Artikelnummer: EB-0601250774-2608012010
Netto: 8,33 € zzgl. MwSt.
zzgl. 6,90 € Versand (brutto)
einmalig pro Bestellung

Lieferzeit: 5 Werktage

Stück
Pos.
143
BOSCH Schalthebel ROT | Ersatzteile für 1250DEVS | 2602026115
Hersteller: BOSCH
Artikelnummer: EB-0601250774-2602026115
Netto: 6,70 € zzgl. MwSt.
zzgl. 6,90 € Versand (brutto)
einmalig pro Bestellung

Lieferzeit: 5 Werktage

Stück
Pos.
146
BOSCH Sicherungsring | Ersatzteile für 1250DEVS | 2916650026
Hersteller: BOSCH
Artikelnummer: EB-0601250774-2916650026
Netto: 5,67 € zzgl. MwSt.
zzgl. 6,90 € Versand (brutto)
einmalig pro Bestellung

Lieferzeit: 5 Werktage

Stück
Pos.
657
BOSCH Schlüsselhalter | Ersatzteile für 1250DEVS | 3602311050
Hersteller: BOSCH
Artikelnummer: EB-0601250774-3602311050
Netto: 4,32 € zzgl. MwSt.
zzgl. 6,90 € Versand (brutto)
einmalig pro Bestellung

Lieferzeit: 5 Werktage

Stück
Pos.
658
BOSCH Adapter | Ersatzteile für 1250DEVS | 2610907746
Hersteller: BOSCH
Artikelnummer: EB-0601250774-2610907746
nur Informationsartikel
Nie mehr lieferbar
keine Alternativen
Pos.
689
BOSCH Adapter | Ersatzteile für 1250DEVS | 1600A00B8V
Hersteller: BOSCH
Artikelnummer: EB-0601250774-1600A00B8V
Netto: 8,33 € zzgl. MwSt.
zzgl. 6,90 € Versand (brutto)
einmalig pro Bestellung

Lieferzeit: 5 Werktage

Stück
Pos.
808
BOSCH Typschild | Ersatzteile für 1250DEVS | 3601119429
Hersteller: BOSCH
Artikelnummer: EB-0601250774-3601119429
Netto: 4,53 € zzgl. MwSt.
zzgl. 6,90 € Versand (brutto)
einmalig pro Bestellung

Lieferzeit: 5 Werktage

Stück
Pos.
810
BOSCH Kohlebürstensatz | Ersatzteile für 1250DEVS | 1607014144
Hersteller: BOSCH
Artikelnummer: EB-0601250774-1607014144
Netto: 9,18 € zzgl. MwSt.
zzgl. 6,90 € Versand (brutto)
einmalig pro Bestellung

Lieferzeit: 5 Werktage

Stück
Pos.
819
BOSCH Ritzel | Ersatzteile für 1250DEVS | 2606316902
Hersteller: BOSCH
Artikelnummer: EB-0601250774-2606316902
Netto: 70,50 € zzgl. MwSt.
zzgl. 6,90 € Versand (brutto)
einmalig pro Bestellung

Lieferzeit: 5 Werktage

Stück
Pos.
821
BOSCH Zahnriemenrad | Ersatzteile für 1250DEVS | 2606319903
Hersteller: BOSCH
Artikelnummer: EB-0601250774-2606319903
Netto: 106,72 € zzgl. MwSt.
zzgl. 6,90 € Versand (brutto)
einmalig pro Bestellung

Lieferzeit: 5 Werktage

Stück
Pos.
832
BOSCH Abdeckscheibe | Ersatzteile für 1250DEVS | 3607031724
Hersteller: BOSCH
Artikelnummer: EB-0601250774-3607031724
Netto: 8,33 € zzgl. MwSt.
zzgl. 6,90 € Versand (brutto)
einmalig pro Bestellung

Lieferzeit: 5 Werktage

Stück
Pos.
838
BOSCH Getriebegehäuse | Ersatzteile für 1250DEVS | 2605806890
Hersteller: BOSCH
Artikelnummer: EB-0601250774-2605806890
Netto: 106,72 € zzgl. MwSt.
zzgl. 6,90 € Versand (brutto)
einmalig pro Bestellung

Lieferzeit: 5 Werktage

Stück
Pos.
840
BOSCH Schaltbolzen | Ersatzteile für 1250DEVS | 2603102012
Hersteller: BOSCH
Artikelnummer: EB-0601250774-2603102012
Netto: 12,98 € zzgl. MwSt.
zzgl. 6,90 € Versand (brutto)
einmalig pro Bestellung

Lieferzeit: 5 Werktage

Stück
Pos.
844
BOSCH Griffkappe | Ersatzteile für 1250DEVS | 2602026106
Hersteller: BOSCH
Artikelnummer: EB-0601250774-2602026106
Netto: 15,75 € zzgl. MwSt.
zzgl. 6,90 € Versand (brutto)
einmalig pro Bestellung

Lieferzeit: 5 Werktage

Stück
Pos.
857
BOSCH Linsenschraube DIN7985-M3,5x5-4.8-H | Ersatzteile für 1250DEVS | 2910641081
Hersteller: BOSCH
Artikelnummer: EB-0601250774-2910641081
nur Informationsartikel
Nie mehr lieferbar
keine Alternativen

Angaben zur Produktsicherheit

Hersteller:
Robert Bosch Power Tools GmbH
Postfach 30 02 20
70442 Stuttgart

E-Mail:
kontakt@bosch.de