BOSCH 1640 VS - 3601F40010

Artikelnummer: EB-3601F40010

Position:

Marke: BOSCH


Bitte Kompatibilität prüfen!

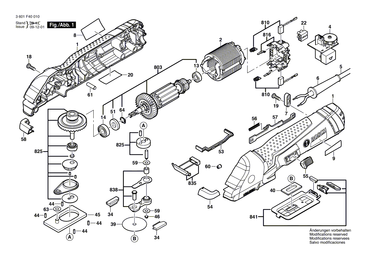
Bitte prüfen Sie unbedingt die 10-stellige Typennummer Ihrer Maschine / Ihres Gerätes. Das Ersatzteil ist nur kompatibel, wenn Sie die Typennummer Ihrer Maschine in der unten stehenden Produktbeschreibung finden.

Bitte prüfen Sie ebenfalls detailliert die Explosionszeichnung mit Ihrem Artikelwunsch und der jeweiligen Pos-Nummer.

Alle Elemente, welche vom schwarzen Strich der Pos-Nummer ausgehend berührt / erfasst werden, gehören zu dieser Pos-Nummer und somit zu diesem Artikel. Jede Pos-Nummer ist ein eigenständiger Artikel, welchen Sie in der Auflistung finden.

Sie erhalten stets die aktuellste, neueste Produktversion zu der gewählten Pos-Nummer seitens des Herstellers. Es kann daher je nach Gerätealter vorkommen, dass Sie ggf. weitere, zugehörige Elemente, welche an diese Pos-Nummer grenzen, ebenfalls mittauschen müssen.

Nähere Informationen finden Sie unter dem Link
Hinweise zu Ihrer BOSCH Ersatzteilsuche

Beschreibung

Die aufgelisteten BOSCH Ersatzteile sind mit folgendem Gerät und Modell kompatibel:

BOSCH Gerätename:1640 VS
BOSCH Typennummer:3601F40010
alternative Schreibweisen:3 601 F40 010, 3601 F40 010, 3.601.F40.010, 3-601-F40-010

Bitte prüfen Sie die Typennummer auf Ihrem Gerät um die Kompatibilität des BOSCH Ersatzteils zu gewährleisten.

Die passenden Ersatzteile des BOSCH 1640 VS (Feinschnittsäge) mit der Typennummer 3601F40010 finden Sie in der nachfolgenden Darstellung geordnet nach der Positionsnummern aus der Explosionszeichnung:

Pos.
1
BOSCH Motorgehäuse | Ersatzteile für 1640 VS | 1619PA0002
Hersteller: BOSCH
Artikelnummer: EB-3601F40010-1619PA0002
nur Informationsartikel
Nie mehr lieferbar
keine Alternativen
Pos.
2
BOSCH Polschuh | Ersatzteile für 1640 VS | 1619PA0003
Hersteller: BOSCH
Artikelnummer: EB-3601F40010-1619PA0003
nur Informationsartikel
Nie mehr lieferbar
keine Alternativen
Pos.
4
BOSCH Schalter | Ersatzteile für 1640 VS | 2607200642
Hersteller: BOSCH
Artikelnummer: EB-3601F40010-2607200642
nur Informationsartikel
Nie mehr lieferbar
keine Alternativen
Pos.
5
BOSCH Schnur | Ersatzteile für 1640 VS | 1619PA0006
Hersteller: BOSCH
Artikelnummer: EB-3601F40010-1619PA0006
nur Informationsartikel
Nie mehr lieferbar
keine Alternativen
Pos.
6
BOSCH Tülle | Ersatzteile für 1640 VS | 1619PA0007
Hersteller: BOSCH
Artikelnummer: EB-3601F40010-1619PA0007
nur Informationsartikel
Nie mehr lieferbar
keine Alternativen
Pos.
7
BOSCH Leitungshalter | Ersatzteile für 1640 VS | 1619PA0008
Hersteller: BOSCH
Artikelnummer: EB-3601F40010-1619PA0008
nur Informationsartikel
Nie mehr lieferbar
keine Alternativen
Pos.
8
BOSCH Typschild | Ersatzteile für 1640 VS | 1619PA0009
Hersteller: BOSCH
Artikelnummer: EB-3601F40010-1619PA0009
nur Informationsartikel
Nie mehr lieferbar
keine Alternativen
Pos.
9
BOSCH Firmenschild | Ersatzteile für 1640 VS | 1619PA0010
Hersteller: BOSCH
Artikelnummer: EB-3601F40010-1619PA0010
nur Informationsartikel
Nie mehr lieferbar
keine Alternativen
Pos.
13
BOSCH Rillenkugellager | Ersatzteile für 1640 VS | 1619PA0012
Hersteller: BOSCH
Artikelnummer: EB-3601F40010-1619PA0012
nur Informationsartikel
Nie mehr lieferbar
keine Alternativen
Pos.
14
BOSCH Rillenkugellager | Ersatzteile für 1640 VS | 1619PA0013
Hersteller: BOSCH
Artikelnummer: EB-3601F40010-1619PA0013
nur Informationsartikel
Nie mehr lieferbar
keine Alternativen
Pos.
18
BOSCH Blechschraube | Ersatzteile für 1640 VS | 1619PA0065
Hersteller: BOSCH
Artikelnummer: EB-3601F40010-1619PA0065
nur Informationsartikel
Nie mehr lieferbar
keine Alternativen
Pos.
19
BOSCH Blechschraube | Ersatzteile für 1640 VS | 1619PA0066
Hersteller: BOSCH
Artikelnummer: EB-3601F40010-1619PA0066
nur Informationsartikel
Nie mehr lieferbar
keine Alternativen
Pos.
20
BOSCH Warnzettel | Ersatzteile für 1640 VS | 1619PA0017
Hersteller: BOSCH
Artikelnummer: EB-3601F40010-1619PA0017
nur Informationsartikel
Nie mehr lieferbar
keine Alternativen
Pos.
22
BOSCH Anschlusskasten | Ersatzteile für 1640 VS | 1619PA0019
Hersteller: BOSCH
Artikelnummer: EB-3601F40010-1619PA0019
nur Informationsartikel
Nie mehr lieferbar
keine Alternativen
Pos.
34
BOSCH Kulissenhalter | Ersatzteile für 1640 VS | 1619PA0031
Hersteller: BOSCH
Artikelnummer: EB-3601F40010-1619PA0031
nur Informationsartikel
Nie mehr lieferbar
keine Alternativen
Pos.
39
BOSCH Vorlegscheibe | Ersatzteile für 1640 VS | 1619PA0036
Hersteller: BOSCH
Artikelnummer: EB-3601F40010-1619PA0036
nur Informationsartikel
Nie mehr lieferbar
keine Alternativen
Pos.
40
BOSCH Block | Ersatzteile für 1640 VS | 1619PA0037
Hersteller: BOSCH
Artikelnummer: EB-3601F40010-1619PA0037
nur Informationsartikel
Nie mehr lieferbar
keine Alternativen
Pos.
44
BOSCH Stift | Ersatzteile für 1640 VS | 1619PA0041
Hersteller: BOSCH
Artikelnummer: EB-3601F40010-1619PA0041
nur Informationsartikel
Nie mehr lieferbar
keine Alternativen
Pos.
45
BOSCH Ausgleichgewicht | Ersatzteile für 1640 VS | 1619PA0042
Hersteller: BOSCH
Artikelnummer: EB-3601F40010-1619PA0042
nur Informationsartikel
Nie mehr lieferbar
keine Alternativen
Pos.
46
BOSCH Sicherungsring | Ersatzteile für 1640 VS | 1619PA0043
Hersteller: BOSCH
Artikelnummer: EB-3601F40010-1619PA0043
nur Informationsartikel
Nie mehr lieferbar
keine Alternativen
Pos.
51
BOSCH Ring | Ersatzteile für 1640 VS | 1619PA0048
Hersteller: BOSCH
Artikelnummer: EB-3601F40010-1619PA0048
nur Informationsartikel
Nie mehr lieferbar
keine Alternativen
Pos.
53
BOSCH Abdeckung | Ersatzteile für 1640 VS | 1619PA0050
Hersteller: BOSCH
Artikelnummer: EB-3601F40010-1619PA0050
nur Informationsartikel
Nie mehr lieferbar
keine Alternativen
Pos.
54
BOSCH Abdeckung | Ersatzteile für 1640 VS | 1619PA0051
Hersteller: BOSCH
Artikelnummer: EB-3601F40010-1619PA0051
nur Informationsartikel
Nie mehr lieferbar
keine Alternativen
Pos.
55
BOSCH Tastknopf | Ersatzteile für 1640 VS | 1619PA0052
Hersteller: BOSCH
Artikelnummer: EB-3601F40010-1619PA0052
nur Informationsartikel
Nie mehr lieferbar
keine Alternativen
Pos.
56
BOSCH Kontaktlasche | Ersatzteile für 1640 VS | 1619PA0053
Hersteller: BOSCH
Artikelnummer: EB-3601F40010-1619PA0053
nur Informationsartikel
Nie mehr lieferbar
keine Alternativen
Pos.
57
BOSCH Schalterbetaetiger | Ersatzteile für 1640 VS | 1619PA0054
Hersteller: BOSCH
Artikelnummer: EB-3601F40010-1619PA0054
nur Informationsartikel
Nie mehr lieferbar
keine Alternativen
Pos.
58
BOSCH Abdeckung | Ersatzteile für 1640 VS | 1619PA0055
Hersteller: BOSCH
Artikelnummer: EB-3601F40010-1619PA0055
nur Informationsartikel
Nie mehr lieferbar
keine Alternativen
Pos.
59
BOSCH Vorlegscheibe | Ersatzteile für 1640 VS | 1619PA0056
Hersteller: BOSCH
Artikelnummer: EB-3601F40010-1619PA0056
nur Informationsartikel
Nie mehr lieferbar
keine Alternativen
Pos.
60
BOSCH Stahlkugel | Ersatzteile für 1640 VS | 1619PA0057
Hersteller: BOSCH
Artikelnummer: EB-3601F40010-1619PA0057
nur Informationsartikel
Nie mehr lieferbar
keine Alternativen
Pos.
61
BOSCH Pin | Ersatzteile für 1640 VS | 1619PA0420
Hersteller: BOSCH
Artikelnummer: EB-3601F40010-1619PA0420
nur Informationsartikel
Nie mehr lieferbar
keine Alternativen
Pos.
63
BOSCH Vorlegscheibe | Ersatzteile für 1640 VS | 1619PA0428
Hersteller: BOSCH
Artikelnummer: EB-3601F40010-1619PA0428
nur Informationsartikel
Nie mehr lieferbar
keine Alternativen
Pos.
64
BOSCH Sprengring | Ersatzteile für 1640 VS | 1619PA0430
Hersteller: BOSCH
Artikelnummer: EB-3601F40010-1619PA0430
nur Informationsartikel
Nie mehr lieferbar
keine Alternativen
Pos.
803
BOSCH Anker | Ersatzteile für 1640 VS | 1619PA0058
Hersteller: BOSCH
Artikelnummer: EB-3601F40010-1619PA0058
nur Informationsartikel
Nie mehr lieferbar
keine Alternativen
Pos.
810
BOSCH Pinsel | Ersatzteile für 1640 VS | 1619PA0059
Hersteller: BOSCH
Artikelnummer: EB-3601F40010-1619PA0059
nur Informationsartikel
Nie mehr lieferbar
keine Alternativen
Pos.
816
BOSCH Bürstenhalter | Ersatzteile für 1640 VS | 1619PA0060
Hersteller: BOSCH
Artikelnummer: EB-3601F40010-1619PA0060
nur Informationsartikel
Nie mehr lieferbar
keine Alternativen
Pos.
825
BOSCH Antrieb | Ersatzteile für 1640 VS | 1619PA0061
Hersteller: BOSCH
Artikelnummer: EB-3601F40010-1619PA0061
nur Informationsartikel
Nie mehr lieferbar
keine Alternativen
Pos.
835
BOSCH Taschenlampe | Ersatzteile für 1640 VS | 1619PA0063
Hersteller: BOSCH
Artikelnummer: EB-3601F40010-1619PA0063
nur Informationsartikel
Nie mehr lieferbar
keine Alternativen
Pos.
838
BOSCH Pleuelstange | Ersatzteile für 1640 VS | 1619PA0062
Hersteller: BOSCH
Artikelnummer: EB-3601F40010-1619PA0062
nur Informationsartikel
Nie mehr lieferbar
keine Alternativen
Pos.
841
BOSCH Aufspannplatte | Ersatzteile für 1640 VS | 1619PA0064
Hersteller: BOSCH
Artikelnummer: EB-3601F40010-1619PA0064
nur Informationsartikel
Nie mehr lieferbar
keine Alternativen

Angaben zur Produktsicherheit

Hersteller:
Robert Bosch Power Tools GmbH
Postfach 30 02 20
70442 Stuttgart

E-Mail:
kontakt@bosch.de