BOSCH 1831 - F012183102

Artikelnummer: EB-F012183102

Position:

Marke: BOSCH


Bitte Kompatibilität prüfen!

Bitte prüfen Sie unbedingt die 10-stellige Typennummer Ihrer Maschine / Ihres Gerätes. Das Ersatzteil ist nur kompatibel, wenn Sie die Typennummer Ihrer Maschine in der unten stehenden Produktbeschreibung finden.

Bitte prüfen Sie ebenfalls detailliert die Explosionszeichnung mit Ihrem Artikelwunsch und der jeweiligen Pos-Nummer.

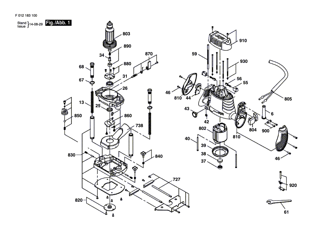
Alle Elemente, welche vom schwarzen Strich der Pos-Nummer ausgehend berührt / erfasst werden, gehören zu dieser Pos-Nummer und somit zu diesem Artikel. Jede Pos-Nummer ist ein eigenständiger Artikel, welchen Sie in der Auflistung finden.

Sie erhalten stets die aktuellste, neueste Produktversion zu der gewählten Pos-Nummer seitens des Herstellers. Es kann daher je nach Gerätealter vorkommen, dass Sie ggf. weitere, zugehörige Elemente, welche an diese Pos-Nummer grenzen, ebenfalls mittauschen müssen.

Nähere Informationen finden Sie unter dem Link
Hinweise zu Ihrer BOSCH Ersatzteilsuche

Beschreibung

Die aufgelisteten BOSCH Ersatzteile sind mit folgendem Gerät und Modell kompatibel:

BOSCH Gerätename:1831
BOSCH Typennummer:F012183102
alternative Schreibweisen:F 012 183 102, F012 183 102, F.012.183.102, F-012-183-102

Bitte prüfen Sie die Typennummer auf Ihrem Gerät um die Kompatibilität des BOSCH Ersatzteils zu gewährleisten.

Die passenden Ersatzteile des BOSCH 1831 (Oberfräse) mit der Typennummer F012183102 finden Sie in der nachfolgenden Darstellung geordnet nach der Positionsnummern aus der Explosionszeichnung:

Pos.
6
BOSCH Tülle | Ersatzteile für 1831 | 1600703048
Hersteller: BOSCH
Artikelnummer: EB-F012183102-1600703048
nur Informationsartikel
Nie mehr lieferbar
keine Alternativen
Pos.
13
BOSCH Verschlussfeder | Ersatzteile für 1831 | 160461200X
Hersteller: BOSCH
Artikelnummer: EB-F012183102-160461200X
nur Informationsartikel
Nie mehr lieferbar
keine Alternativen
Pos.
25
BOSCH Staubkappe | Ersatzteile für 1831 | 1600A003DY
Hersteller: BOSCH
Artikelnummer: EB-F012183102-1600A003DY
nur Informationsartikel
Nie mehr lieferbar
keine Alternativen
Pos.
26
BOSCH Zwischengehäuse | Ersatzteile für 1831 | 1600A003DZ
Hersteller: BOSCH
Artikelnummer: EB-F012183102-1600A003DZ
nur Informationsartikel
Nie mehr lieferbar
keine Alternativen
Pos.
31
BOSCH Rillenkugellager | Ersatzteile für 1831 | 1600900045
Hersteller: BOSCH
Artikelnummer: EB-F012183102-1600900045
nur Informationsartikel
Nie mehr lieferbar
keine Alternativen
Pos.
34
BOSCH Spannzange | Ersatzteile für 1831 | 1600A003EK
Hersteller: BOSCH
Artikelnummer: EB-F012183102-1600A003EK
nur Informationsartikel
Nie mehr lieferbar
keine Alternativen
Pos.
37
BOSCH Rillenkugellager | Ersatzteile für 1831 | 1600900046
Hersteller: BOSCH
Artikelnummer: EB-F012183102-1600900046
nur Informationsartikel
Nie mehr lieferbar
keine Alternativen
Pos.
38
BOSCH Zwischenring | Ersatzteile für 1831 | 1600A003E0
Hersteller: BOSCH
Artikelnummer: EB-F012183102-1600A003E0
nur Informationsartikel
Nie mehr lieferbar
keine Alternativen
Pos.
39
BOSCH Luftverteiler | Ersatzteile für 1831 | 160059105G
Hersteller: BOSCH
Artikelnummer: EB-F012183102-160059105G
nur Informationsartikel
Nie mehr lieferbar
keine Alternativen
Pos.
40
BOSCH Schraube | Ersatzteile für 1831 | 160343000H
Hersteller: BOSCH
Artikelnummer: EB-F012183102-160343000H
nur Informationsartikel
Nie mehr lieferbar
keine Alternativen
Pos.
42
BOSCH Sechskantmutter | Ersatzteile für 1831 | 1600A003E1
Hersteller: BOSCH
Artikelnummer: EB-F012183102-1600A003E1
nur Informationsartikel
Nie mehr lieferbar
keine Alternativen
Pos.
43
BOSCH Schlossmodul | Ersatzteile für 1831 | 1600A003E2
Hersteller: BOSCH
Artikelnummer: EB-F012183102-1600A003E2
nur Informationsartikel
Nie mehr lieferbar
keine Alternativen
Pos.
44
BOSCH EL-Feldregler | Ersatzteile für 1831 | 16072335BK
Hersteller: BOSCH
Artikelnummer: EB-F012183102-16072335BK
nur Informationsartikel
Nie mehr lieferbar
keine Alternativen
Pos.
46
BOSCH Schraube | Ersatzteile für 1831 | 160343000J
Hersteller: BOSCH
Artikelnummer: EB-F012183102-160343000J
nur Informationsartikel
Nie mehr lieferbar
keine Alternativen
Pos.
55
BOSCH Bürstenhalter | Ersatzteile für 1831 | 1600A003E4
Hersteller: BOSCH
Artikelnummer: EB-F012183102-1600A003E4
nur Informationsartikel
Nie mehr lieferbar
keine Alternativen
Pos.
56
BOSCH Kohlebürstensatz | Ersatzteile für 1831 | 160701417H
Hersteller: BOSCH
Artikelnummer: EB-F012183102-160701417H
nur Informationsartikel
Nie mehr lieferbar
keine Alternativen
Pos.
59
BOSCH Tiefenanschlag | Ersatzteile für 1831 | 1600A003E5
Hersteller: BOSCH
Artikelnummer: EB-F012183102-1600A003E5
nur Informationsartikel
Nie mehr lieferbar
keine Alternativen
Pos.
61
BOSCH Einmaulschlüssel | Ersatzteile für 1831 | 1600A003EL
Hersteller: BOSCH
Artikelnummer: EB-F012183102-1600A003EL
nur Informationsartikel
Nie mehr lieferbar
keine Alternativen
Pos.
67
BOSCH Verriegelungsbuchse | Ersatzteile für 1831 | 1600A003E6
Hersteller: BOSCH
Artikelnummer: EB-F012183102-1600A003E6
nur Informationsartikel
Nie mehr lieferbar
keine Alternativen
Pos.
68
BOSCH Griffhülse | Ersatzteile für 1831 | 1600A003E7
Hersteller: BOSCH
Artikelnummer: EB-F012183102-1600A003E7
Netto: 4,53 € zzgl. MwSt.
zzgl. 6,90 € Versand (brutto)
einmalig pro Bestellung

Lieferzeit: 5 Werktage

Stück
Pos.
727
BOSCH Parallelanschlag | Ersatzteile für 1831 | 1600A003EN
Hersteller: BOSCH
Artikelnummer: EB-F012183102-1600A003EN
nur Informationsartikel
Nie mehr lieferbar
keine Alternativen
Pos.
738
BOSCH Staubschutzfassung | Ersatzteile für 1831 | 1600A003EP
Hersteller: BOSCH
Artikelnummer: EB-F012183102-1600A003EP
nur Informationsartikel
Nie mehr lieferbar
keine Alternativen
Pos.
802
BOSCH Polschuh 220V | Ersatzteile für 1831 | 160422052C
Hersteller: BOSCH
Artikelnummer: EB-F012183102-160422052C
nur Informationsartikel
Nie mehr lieferbar
keine Alternativen
Pos.
803
BOSCH Anker Mit Lüfter 220V | Ersatzteile für 1831 | 1604010B3J
Hersteller: BOSCH
Artikelnummer: EB-F012183102-1604010B3J
nur Informationsartikel
Nie mehr lieferbar
keine Alternativen
Pos.
804
BOSCH Ein/Aus-Schalter | Ersatzteile für 1831 | 160720031E
Hersteller: BOSCH
Artikelnummer: EB-F012183102-160720031E
nur Informationsartikel
Nie mehr lieferbar
keine Alternativen
Pos.
805
BOSCH Netzanschlussleitung BR 2,00m 2 x 1,00mm H05 VVF | Ersatzteile für 1831 | F000609274
Hersteller: BOSCH
Artikelnummer: EB-F012183102-F000609274
Netto: 9,63 € zzgl. MwSt.
zzgl. 6,90 € Versand (brutto)
einmalig pro Bestellung

Lieferzeit: 5 Werktage

Stück
Pos.
810
BOSCH Motorgehäuse | Ersatzteile für 1831 | 16051082AF
Hersteller: BOSCH
Artikelnummer: EB-F012183102-16051082AF
nur Informationsartikel
Nie mehr lieferbar
keine Alternativen
Pos.
820
BOSCH Lenkstange | Ersatzteile für 1831 | 1600A003ER
Hersteller: BOSCH
Artikelnummer: EB-F012183102-1600A003ER
nur Informationsartikel
Nie mehr lieferbar
keine Alternativen
Pos.
830
BOSCH Untergestell | Ersatzteile für 1831 | 1600A003E8
Hersteller: BOSCH
Artikelnummer: EB-F012183102-1600A003E8
nur Informationsartikel
Nie mehr lieferbar
keine Alternativen
Pos.
840
BOSCH Schraube M Drehsicherung | Ersatzteile für 1831 | 1600A003E9
Hersteller: BOSCH
Artikelnummer: EB-F012183102-1600A003E9
nur Informationsartikel
Nie mehr lieferbar
keine Alternativen
Pos.
850
BOSCH Passstück | Ersatzteile für 1831 | 1600A003EA
Hersteller: BOSCH
Artikelnummer: EB-F012183102-1600A003EA
nur Informationsartikel
Nie mehr lieferbar
keine Alternativen
Pos.
860
BOSCH Feststelleinheit | Ersatzteile für 1831 | 1600A003EB
Hersteller: BOSCH
Artikelnummer: EB-F012183102-1600A003EB
nur Informationsartikel
Nie mehr lieferbar
keine Alternativen
Pos.
870
BOSCH Schlossmodul | Ersatzteile für 1831 | 1600A003EC
Hersteller: BOSCH
Artikelnummer: EB-F012183102-1600A003EC
nur Informationsartikel
Nie mehr lieferbar
keine Alternativen
Pos.
880
BOSCH Lagerring | Ersatzteile für 1831 | 1600A003ED
Hersteller: BOSCH
Artikelnummer: EB-F012183102-1600A003ED
nur Informationsartikel
Nie mehr lieferbar
keine Alternativen
Pos.
890
BOSCH Sechskantmutter | Ersatzteile für 1831 | 1600A003EE
Hersteller: BOSCH
Artikelnummer: EB-F012183102-1600A003EE
Netto: 3,59 € zzgl. MwSt.
zzgl. 6,90 € Versand (brutto)
einmalig pro Bestellung

Lieferzeit: 5 Werktage

Stück
Pos.
900
BOSCH Leitungshalter | Ersatzteile für 1831 | 1600A003EF
Hersteller: BOSCH
Artikelnummer: EB-F012183102-1600A003EF
nur Informationsartikel
Nie mehr lieferbar
keine Alternativen
Pos.
910
BOSCH Gehäusedeckel | Ersatzteile für 1831 | 160550028R
Hersteller: BOSCH
Artikelnummer: EB-F012183102-160550028R
nur Informationsartikel
Nie mehr lieferbar
keine Alternativen
Pos.
920
BOSCH Führungsrohr | Ersatzteile für 1831 | 1600A003ES
Hersteller: BOSCH
Artikelnummer: EB-F012183102-1600A003ES
nur Informationsartikel
Nie mehr lieferbar
keine Alternativen
Pos.
930
BOSCH Schraube | Ersatzteile für 1831 | 160343000K
Hersteller: BOSCH
Artikelnummer: EB-F012183102-160343000K
nur Informationsartikel
Nie mehr lieferbar
keine Alternativen

Angaben zur Produktsicherheit

Hersteller:
Robert Bosch Power Tools GmbH
Postfach 30 02 20
70442 Stuttgart

E-Mail:
kontakt@bosch.de