BOSCH 1845 - F015184503

Artikelnummer: EB-F015184503

Position:

Marke: BOSCH


Bitte Kompatibilität prüfen!

Bitte prüfen Sie unbedingt die 10-stellige Typennummer Ihrer Maschine / Ihres Gerätes. Das Ersatzteil ist nur kompatibel, wenn Sie die Typennummer Ihrer Maschine in der unten stehenden Produktbeschreibung finden.

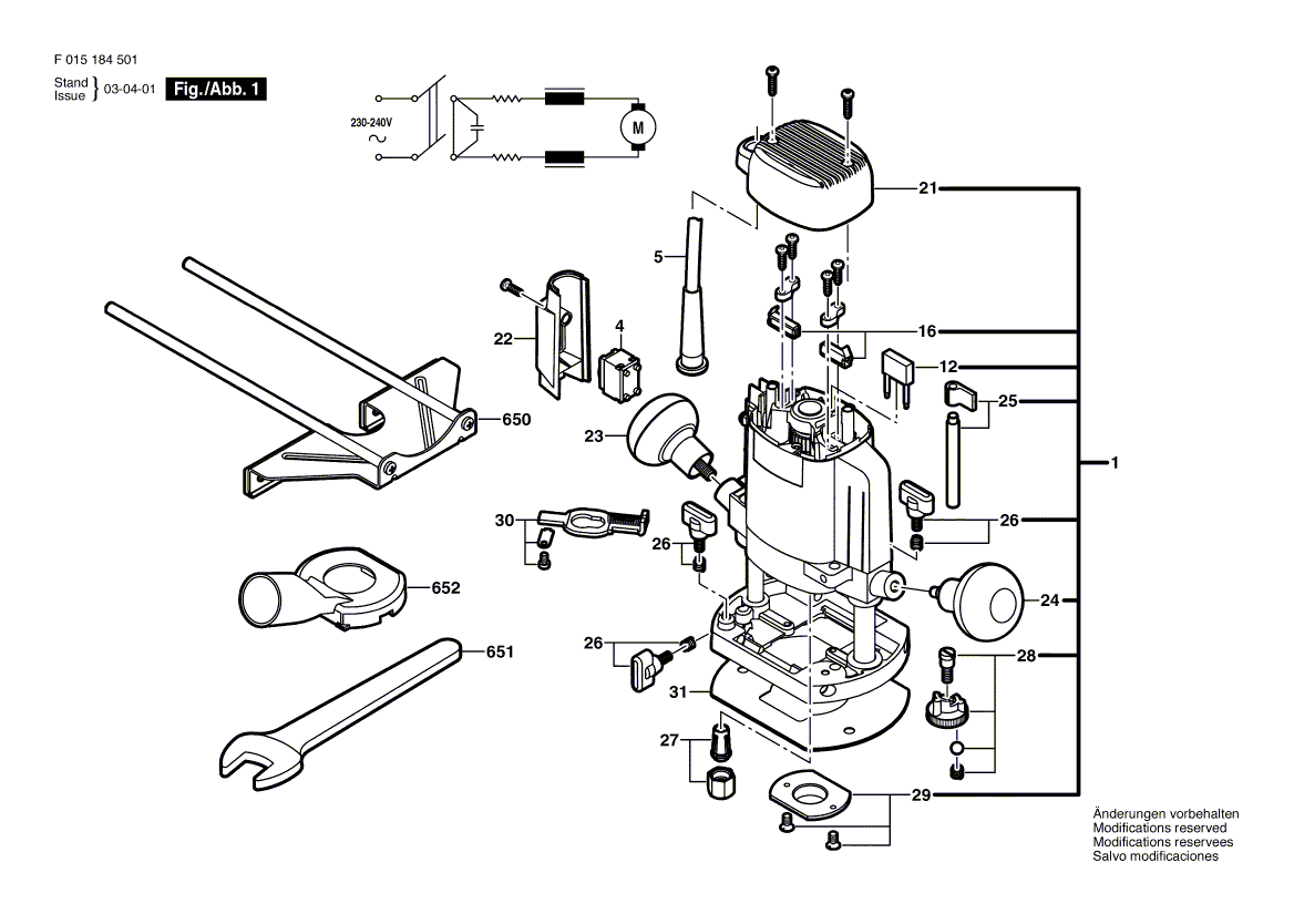
Bitte prüfen Sie ebenfalls detailliert die Explosionszeichnung mit Ihrem Artikelwunsch und der jeweiligen Pos-Nummer.

Alle Elemente, welche vom schwarzen Strich der Pos-Nummer ausgehend berührt / erfasst werden, gehören zu dieser Pos-Nummer und somit zu diesem Artikel. Jede Pos-Nummer ist ein eigenständiger Artikel, welchen Sie in der Auflistung finden.

Sie erhalten stets die aktuellste, neueste Produktversion zu der gewählten Pos-Nummer seitens des Herstellers. Es kann daher je nach Gerätealter vorkommen, dass Sie ggf. weitere, zugehörige Elemente, welche an diese Pos-Nummer grenzen, ebenfalls mittauschen müssen.

Nähere Informationen finden Sie unter dem Link
Hinweise zu Ihrer BOSCH Ersatzteilsuche

Beschreibung

Die aufgelisteten BOSCH Ersatzteile sind mit folgendem Gerät und Modell kompatibel:

BOSCH Gerätename:1845
BOSCH Typennummer:F015184503
alternative Schreibweisen:F 015 184 503, F015 184 503, F.015.184.503, F-015-184-503

Bitte prüfen Sie die Typennummer auf Ihrem Gerät um die Kompatibilität des BOSCH Ersatzteils zu gewährleisten.

Die passenden Ersatzteile des BOSCH 1845 (Oberfräse) mit der Typennummer F015184503 finden Sie in der nachfolgenden Darstellung geordnet nach der Positionsnummern aus der Explosionszeichnung:

Pos.
1
BOSCH Oberfräse GB 230V | Ersatzteile für 1845 | F015184503
Hersteller: BOSCH
Artikelnummer: EB-F015184503-F015184503
nur Informationsartikel
Nie mehr lieferbar
keine Alternativen
Pos.
4
BOSCH Schalter ROT | Ersatzteile für 1845 | 2610390837
Hersteller: BOSCH
Artikelnummer: EB-F015184503-2610390837
nur Informationsartikel
Nie mehr lieferbar
keine Alternativen
Pos.
5
BOSCH Netzanschlussleitung GB 230V | Ersatzteile für 1845 | 2610376418
Hersteller: BOSCH
Artikelnummer: EB-F015184503-2610376418
nur Informationsartikel
Nie mehr lieferbar
keine Alternativen
Pos.
12
BOSCH Entstörkondensator | Ersatzteile für 1845 | 2610392636
Hersteller: BOSCH
Artikelnummer: EB-F015184503-2610392636
nur Informationsartikel
Nie mehr lieferbar
keine Alternativen
Pos.
16
BOSCH Bürstenhalter | Ersatzteile für 1845 | 2610372853
Hersteller: BOSCH
Artikelnummer: EB-F015184503-2610372853
nur Informationsartikel
Nie mehr lieferbar
keine Alternativen
Pos.
21
BOSCH Abdeckung | Ersatzteile für 1845 | 2610392637
Hersteller: BOSCH
Artikelnummer: EB-F015184503-2610392637
nur Informationsartikel
Nie mehr lieferbar
keine Alternativen
Pos.
22
BOSCH Abdeckung | Ersatzteile für 1845 | 2610392638
Hersteller: BOSCH
Artikelnummer: EB-F015184503-2610392638
nur Informationsartikel
Nie mehr lieferbar
keine Alternativen
Pos.
23
BOSCH Knopf | Ersatzteile für 1845 | 2610392639
Hersteller: BOSCH
Artikelnummer: EB-F015184503-2610392639
nur Informationsartikel
Nie mehr lieferbar
keine Alternativen
Pos.
24
BOSCH Knopf | Ersatzteile für 1845 | 2610392640
Hersteller: BOSCH
Artikelnummer: EB-F015184503-2610392640
nur Informationsartikel
Nie mehr lieferbar
keine Alternativen
Pos.
25
BOSCH Tiefenanschlag | Ersatzteile für 1845 | 2610392641
Hersteller: BOSCH
Artikelnummer: EB-F015184503-2610392641
nur Informationsartikel
Nie mehr lieferbar
keine Alternativen
Pos.
26
BOSCH Flügelschraube | Ersatzteile für 1845 | 2610392642
Hersteller: BOSCH
Artikelnummer: EB-F015184503-2610392642
nur Informationsartikel
Nie mehr lieferbar
keine Alternativen
Pos.
27
BOSCH Werkzeughalter | Ersatzteile für 1845 | 2610392643
Hersteller: BOSCH
Artikelnummer: EB-F015184503-2610392643
nur Informationsartikel
Nie mehr lieferbar
keine Alternativen
Pos.
28
BOSCH Drehschieber | Ersatzteile für 1845 | 2610392644
Hersteller: BOSCH
Artikelnummer: EB-F015184503-2610392644
nur Informationsartikel
Nie mehr lieferbar
keine Alternativen
Pos.
29
BOSCH Einlegeboden | Ersatzteile für 1845 | 2610392645
Hersteller: BOSCH
Artikelnummer: EB-F015184503-2610392645
nur Informationsartikel
Nie mehr lieferbar
keine Alternativen
Pos.
30
BOSCH Sperrhebel | Ersatzteile für 1845 | 2610392646
Hersteller: BOSCH
Artikelnummer: EB-F015184503-2610392646
nur Informationsartikel
Nie mehr lieferbar
keine Alternativen
Pos.
31
BOSCH Grundplatte | Ersatzteile für 1845 | 2610392647
Hersteller: BOSCH
Artikelnummer: EB-F015184503-2610392647
nur Informationsartikel
Nie mehr lieferbar
keine Alternativen
Pos.
650
BOSCH Parallelanschlag | Ersatzteile für 1845 | 2610392648
Hersteller: BOSCH
Artikelnummer: EB-F015184503-2610392648
nur Informationsartikel
Nie mehr lieferbar
keine Alternativen
Pos.
651
BOSCH Einmaulschlüssel | Ersatzteile für 1845 | 2610392649
Hersteller: BOSCH
Artikelnummer: EB-F015184503-2610392649
nur Informationsartikel
Nie mehr lieferbar
keine Alternativen
Pos.
652
BOSCH Staubabsaugung | Ersatzteile für 1845 | 2610392650
Hersteller: BOSCH
Artikelnummer: EB-F015184503-2610392650
nur Informationsartikel
Nie mehr lieferbar
keine Alternativen

Angaben zur Produktsicherheit

Hersteller:
Robert Bosch Power Tools GmbH
Postfach 30 02 20
70442 Stuttgart

E-Mail:
kontakt@bosch.de