BOSCH 1894-6D - 0601854B64

Artikelnummer: EB-0601854B64

Position:

Marke: BOSCH


Bitte Kompatibilität prüfen!

Bitte prüfen Sie unbedingt die 10-stellige Typennummer Ihrer Maschine / Ihres Gerätes. Das Ersatzteil ist nur kompatibel, wenn Sie die Typennummer Ihrer Maschine in der unten stehenden Produktbeschreibung finden.

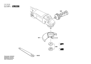
Bitte prüfen Sie ebenfalls detailliert die Explosionszeichnung mit Ihrem Artikelwunsch und der jeweiligen Pos-Nummer.

Alle Elemente, welche vom schwarzen Strich der Pos-Nummer ausgehend berührt / erfasst werden, gehören zu dieser Pos-Nummer und somit zu diesem Artikel. Jede Pos-Nummer ist ein eigenständiger Artikel, welchen Sie in der Auflistung finden.

Sie erhalten stets die aktuellste, neueste Produktversion zu der gewählten Pos-Nummer seitens des Herstellers. Es kann daher je nach Gerätealter vorkommen, dass Sie ggf. weitere, zugehörige Elemente, welche an diese Pos-Nummer grenzen, ebenfalls mittauschen müssen.

Nähere Informationen finden Sie unter dem Link
Hinweise zu Ihrer BOSCH Ersatzteilsuche

Beschreibung

Die aufgelisteten BOSCH Ersatzteile sind mit folgendem Gerät und Modell kompatibel:

BOSCH Gerätename:1894-6D
BOSCH Typennummer:0601854B64
alternative Schreibweisen:0 601 854 B64, 0601 854 B64, 0.601.854.B64, 0-601-854-B64

Bitte prüfen Sie die Typennummer auf Ihrem Gerät um die Kompatibilität des BOSCH Ersatzteils zu gewährleisten.

Die passenden Ersatzteile des BOSCH 1894-6D (Winkelschleifer) mit der Typennummer 0601854B64 finden Sie in der nachfolgenden Darstellung geordnet nach der Positionsnummern aus der Explosionszeichnung:

Pos.
1
BOSCH Motorgehäuse BLAU | Ersatzteile für 1894-6D | 1605108239
Hersteller: BOSCH
Artikelnummer: EB-0601854B64-1605108239
nur Informationsartikel
Nie mehr lieferbar
keine Alternativen
Pos.
650/3
BOSCH Zweilochmutterndreher | Ersatzteile für 1894-6D | 1607950062
Hersteller: BOSCH
Artikelnummer: EB-0601854B64-1607950062
Netto: 5,65 € zzgl. MwSt.
zzgl. 6,90 € Versand (brutto)
einmalig pro Bestellung

Lieferzeit: 5 Werktage

Stück
Pos.
833/1
BOSCH Radial-Wellendichtring 18,7 MM ROT | Ersatzteile für 1894-6D | 1600290013
Hersteller: BOSCH
Artikelnummer: EB-0601854B64-1600290013
Netto: 4,56 € zzgl. MwSt.
zzgl. 6,90 € Versand (brutto)
einmalig pro Bestellung

Lieferzeit: 5 Werktage

Stück
Pos.
2
BOSCH Polschuh 100-120V | Ersatzteile für 1894-6D | 1604220387
Hersteller: BOSCH
Artikelnummer: EB-0601854B64-1604220387
Netto: 46,22 € zzgl. MwSt.
zzgl. 6,90 € Versand (brutto)
einmalig pro Bestellung

Lieferzeit: 5 Werktage

Stück
Pos.
5
BOSCH Netzanschlussleitung USA/CDN 2,15m 2 x 2,08mm SJ 14/2 | Ersatzteile für 1894-6D | 1604460133
Hersteller: BOSCH
Artikelnummer: EB-0601854B64-1604460133
Netto: 13,81 € zzgl. MwSt.
zzgl. 6,90 € Versand (brutto)
einmalig pro Bestellung

Lieferzeit: 5 Werktage

Stück
Pos.
6
BOSCH Tülle Ø 10,5-Ø11,0x100 MM | Ersatzteile für 1894-6D | 1600703023
Hersteller: BOSCH
Artikelnummer: EB-0601854B64-1600703023
Netto: 4,56 € zzgl. MwSt.
zzgl. 6,90 € Versand (brutto)
einmalig pro Bestellung

Lieferzeit: 5 Werktage

Stück
Pos.
7
BOSCH Befestigungsschelle | Ersatzteile für 1894-6D | 1601302018
Hersteller: BOSCH
Artikelnummer: EB-0601854B64-1601302018
nur Informationsartikel
Nie mehr lieferbar
keine Alternativen
Pos.
9
BOSCH Firmenschild | Ersatzteile für 1894-6D | 1601118F42
Hersteller: BOSCH
Artikelnummer: EB-0601854B64-1601118F42
Netto: 5,21 € zzgl. MwSt.
zzgl. 6,90 € Versand (brutto)
einmalig pro Bestellung

Lieferzeit: 5 Werktage

Stück
Pos.
23
BOSCH Verschlussdeckel | Ersatzteile für 1894-6D | 1618B00802
Hersteller: BOSCH
Artikelnummer: EB-0601854B64-1618B00802
Netto: 3,59 € zzgl. MwSt.
zzgl. 6,90 € Versand (brutto)
einmalig pro Bestellung

Lieferzeit: 5 Werktage

Stück
Pos.
24
BOSCH Handgriff BLAU | Ersatzteile für 1894-6D | 1605132130
Hersteller: BOSCH
Artikelnummer: EB-0601854B64-1605132130
nur Informationsartikel
Nie mehr lieferbar
keine Alternativen
Pos.
25
BOSCH Schleifspindel 5/8" | Ersatzteile für 1894-6D | 160312305Y
Hersteller: BOSCH
Artikelnummer: EB-0601854B64-160312305Y
Netto: 16,70 € zzgl. MwSt.
zzgl. 6,90 € Versand (brutto)
einmalig pro Bestellung

Lieferzeit: 5 Werktage

Stück
Pos.
28
BOSCH O-Ring 79,0x1,78 MM | Ersatzteile für 1894-6D | 1600210033
Hersteller: BOSCH
Artikelnummer: EB-0601854B64-1600210033
Netto: 3,94 € zzgl. MwSt.
zzgl. 6,90 € Versand (brutto)
einmalig pro Bestellung

Lieferzeit: 5 Werktage

Stück
Pos.
29
BOSCH O-Ring 8,0x1,0 MM | Ersatzteile für 1894-6D | 1600210045
Hersteller: BOSCH
Artikelnummer: EB-0601854B64-1600210045
Netto: 3,94 € zzgl. MwSt.
zzgl. 6,90 € Versand (brutto)
einmalig pro Bestellung

Lieferzeit: 5 Werktage

Stück
Pos.
30
BOSCH Luftverteiler | Ersatzteile für 1894-6D | 1600591029
Hersteller: BOSCH
Artikelnummer: EB-0601854B64-1600591029
Netto: 4,56 € zzgl. MwSt.
zzgl. 6,90 € Versand (brutto)
einmalig pro Bestellung

Lieferzeit: 5 Werktage

Stück
Pos.
31
BOSCH Luftleitring | Ersatzteile für 1894-6D | 1600591028
Hersteller: BOSCH
Artikelnummer: EB-0601854B64-1600591028
nur Informationsartikel
Nie mehr lieferbar
keine Alternativen
Pos.
32
BOSCH Haltering | Ersatzteile für 1894-6D | 1600290019
Hersteller: BOSCH
Artikelnummer: EB-0601854B64-1600290019
Netto: 3,94 € zzgl. MwSt.
zzgl. 6,90 € Versand (brutto)
einmalig pro Bestellung

Lieferzeit: 5 Werktage

Stück
Pos.
34
BOSCH Ausgleichscheibe 0,1 MM DICK | Ersatzteile für 1894-6D | 1600190022
Hersteller: BOSCH
Artikelnummer: EB-0601854B64-1600190022
Netto: 3,94 € zzgl. MwSt.
zzgl. 6,90 € Versand (brutto)
einmalig pro Bestellung

Lieferzeit: 5 Werktage

Stück
Pos.
34
BOSCH Ausgleichscheibe 0,15 MM DICK | Ersatzteile für 1894-6D | 1600190020
Hersteller: BOSCH
Artikelnummer: EB-0601854B64-1600190020
Netto: 3,94 € zzgl. MwSt.
zzgl. 6,90 € Versand (brutto)
einmalig pro Bestellung

Lieferzeit: 5 Werktage

Stück
Pos.
34
BOSCH Ausgleichscheibe 0,2 MM DICK | Ersatzteile für 1894-6D | 1600190037
Hersteller: BOSCH
Artikelnummer: EB-0601854B64-1600190037
Netto: 3,60 € zzgl. MwSt.
zzgl. 6,90 € Versand (brutto)
einmalig pro Bestellung

Lieferzeit: 5 Werktage

Stück
Pos.
34
BOSCH Ausgleichscheibe 0,25 MM DICK | Ersatzteile für 1894-6D | 1600190038
Hersteller: BOSCH
Artikelnummer: EB-0601854B64-1600190038
Netto: 3,60 € zzgl. MwSt.
zzgl. 6,90 € Versand (brutto)
einmalig pro Bestellung

Lieferzeit: 5 Werktage

Stück
Pos.
34
BOSCH Ausgleichscheibe 0,3 MM DICK | Ersatzteile für 1894-6D | 1600190021
Hersteller: BOSCH
Artikelnummer: EB-0601854B64-1600190021
Netto: 4,56 € zzgl. MwSt.
zzgl. 6,90 € Versand (brutto)
einmalig pro Bestellung

Lieferzeit: 5 Werktage

Stück
Pos.
34
BOSCH Ausgleichscheibe 0,35 MM DICK | Ersatzteile für 1894-6D | 1600190039
Hersteller: BOSCH
Artikelnummer: EB-0601854B64-1600190039
Netto: 3,60 € zzgl. MwSt.
zzgl. 6,90 € Versand (brutto)
einmalig pro Bestellung

Lieferzeit: 5 Werktage

Stück
Pos.
34
BOSCH Ausgleichscheibe 0,4 MM DICK | Ersatzteile für 1894-6D | 1600190040
Hersteller: BOSCH
Artikelnummer: EB-0601854B64-1600190040
Netto: 3,60 € zzgl. MwSt.
zzgl. 6,90 € Versand (brutto)
einmalig pro Bestellung

Lieferzeit: 5 Werktage

Stück
Pos.
35
BOSCH Filzring | Ersatzteile für 1894-6D | 1600205034
Hersteller: BOSCH
Artikelnummer: EB-0601854B64-1600205034
Netto: 3,94 € zzgl. MwSt.
zzgl. 6,90 € Versand (brutto)
einmalig pro Bestellung

Lieferzeit: 5 Werktage

Stück
Pos.
37
BOSCH Dichtring SCHWARZ | Ersatzteile für 1894-6D | 1600290036
Hersteller: BOSCH
Artikelnummer: EB-0601854B64-1600290036
Netto: 4,36 € zzgl. MwSt.
zzgl. 6,90 € Versand (brutto)
einmalig pro Bestellung

Lieferzeit: 5 Werktage

Stück
Pos.
38
BOSCH Gummiring 7 MM BREIT | Ersatzteile für 1894-6D | 1600206020
Hersteller: BOSCH
Artikelnummer: EB-0601854B64-1600206020
Netto: 3,94 € zzgl. MwSt.
zzgl. 6,90 € Versand (brutto)
einmalig pro Bestellung

Lieferzeit: 5 Werktage

Stück
Pos.
39
BOSCH Gummiring | Ersatzteile für 1894-6D | 1600206030
Hersteller: BOSCH
Artikelnummer: EB-0601854B64-1600206030
Netto: 3,94 € zzgl. MwSt.
zzgl. 6,90 € Versand (brutto)
einmalig pro Bestellung

Lieferzeit: 5 Werktage

Stück
Pos.
45
BOSCH Sechskantmutter M10, SW14 | Ersatzteile für 1894-6D | 1603300019
Hersteller: BOSCH
Artikelnummer: EB-0601854B64-1603300019
Netto: 3,94 € zzgl. MwSt.
zzgl. 6,90 € Versand (brutto)
einmalig pro Bestellung

Lieferzeit: 5 Werktage

Stück
Pos.
51
BOSCH Gleitlager Ø14 MM | Ersatzteile für 1894-6D | 1600200031
Hersteller: BOSCH
Artikelnummer: EB-0601854B64-1600200031
Netto: 4,80 € zzgl. MwSt.
zzgl. 6,90 € Versand (brutto)
einmalig pro Bestellung

Lieferzeit: 5 Werktage

Stück
Pos.
53
BOSCH Steckhülsengehäuse | Ersatzteile für 1894-6D | 1605190068
Hersteller: BOSCH
Artikelnummer: EB-0601854B64-1605190068
Netto: 3,60 € zzgl. MwSt.
zzgl. 6,90 € Versand (brutto)
einmalig pro Bestellung

Lieferzeit: 5 Werktage

Stück
Pos.
60
BOSCH Gewindefurchschraube TT M5x18 MM | Ersatzteile für 1894-6D | 1603435023
Hersteller: BOSCH
Artikelnummer: EB-0601854B64-1603435023
Netto: 4,36 € zzgl. MwSt.
zzgl. 6,90 € Versand (brutto)
einmalig pro Bestellung

Lieferzeit: 5 Werktage

Stück
Pos.
61
BOSCH Blechschraube DIN 7981-4,8x38-C-Z-ST | Ersatzteile für 1894-6D | 2912401038
Hersteller: BOSCH
Artikelnummer: EB-0601854B64-2912401038
Netto: 3,60 € zzgl. MwSt.
zzgl. 6,90 € Versand (brutto)
einmalig pro Bestellung

Lieferzeit: 5 Werktage

Stück
Pos.
63
BOSCH Flachkopfschraube M4x10 MM | Ersatzteile für 1894-6D | 1603410014
Hersteller: BOSCH
Artikelnummer: EB-0601854B64-1603410014
Netto: 3,94 € zzgl. MwSt.
zzgl. 6,90 € Versand (brutto)
einmalig pro Bestellung

Lieferzeit: 5 Werktage

Stück
Pos.
64
BOSCH Kunststoffschneidschraube St3,9x12 | Ersatzteile für 1894-6D | 1603435042
Hersteller: BOSCH
Artikelnummer: EB-0601854B64-1603435042
Netto: 3,94 € zzgl. MwSt.
zzgl. 6,90 € Versand (brutto)
einmalig pro Bestellung

Lieferzeit: 5 Werktage

Stück
Pos.
65
BOSCH Blechschraube DIN 7981-3,9x19-C-Z-ST | Ersatzteile für 1894-6D | 2912401020
Hersteller: BOSCH
Artikelnummer: EB-0601854B64-2912401020
Netto: 4,36 € zzgl. MwSt.
zzgl. 6,90 € Versand (brutto)
einmalig pro Bestellung

Lieferzeit: 5 Werktage

Stück
Pos.
66
BOSCH Blechschraube DIN 7971-ST3,9x16-F | Ersatzteile für 1894-6D | 2910211019
Hersteller: BOSCH
Artikelnummer: EB-0601854B64-2910211019
Netto: 3,60 € zzgl. MwSt.
zzgl. 6,90 € Versand (brutto)
einmalig pro Bestellung

Lieferzeit: 5 Werktage

Stück
Pos.
68
BOSCH Dichtblech | Ersatzteile für 1894-6D | 1601006011
Hersteller: BOSCH
Artikelnummer: EB-0601854B64-1601006011
Netto: 4,56 € zzgl. MwSt.
zzgl. 6,90 € Versand (brutto)
einmalig pro Bestellung

Lieferzeit: 5 Werktage

Stück
Pos.
75
BOSCH Dämpfungseinheit | Ersatzteile für 1894-6D | 1600290057
Hersteller: BOSCH
Artikelnummer: EB-0601854B64-1600290057
Netto: 16,70 € zzgl. MwSt.
zzgl. 6,90 € Versand (brutto)
einmalig pro Bestellung

Lieferzeit: 5 Werktage

Stück
Pos.
76
BOSCH Bundschraube TORX-PLUS-20-IP | Ersatzteile für 1894-6D | 1603414016
Hersteller: BOSCH
Artikelnummer: EB-0601854B64-1603414016
Netto: 3,94 € zzgl. MwSt.
zzgl. 6,90 € Versand (brutto)
einmalig pro Bestellung

Lieferzeit: 5 Werktage

Stück
Pos.
78
BOSCH O-Ring | Ersatzteile für 1894-6D | 1619P09476
Hersteller: BOSCH
Artikelnummer: EB-0601854B64-1619P09476
Netto: 3,60 € zzgl. MwSt.
zzgl. 6,90 € Versand (brutto)
einmalig pro Bestellung

Lieferzeit: 5 Werktage

Stück
Pos.
78
BOSCH O-Ring 12x3 MM | Ersatzteile für 1894-6D | 1900210111
Hersteller: BOSCH
Artikelnummer: EB-0601854B64-1900210111
Netto: 3,60 € zzgl. MwSt.
zzgl. 6,90 € Versand (brutto)
einmalig pro Bestellung

Lieferzeit: 5 Werktage

Stück
Pos.
79
BOSCH Sicherungsscheibe | Ersatzteile für 1894-6D | 1600171001
Hersteller: BOSCH
Artikelnummer: EB-0601854B64-1600171001
Netto: 3,53 € zzgl. MwSt.
zzgl. 6,90 € Versand (brutto)
einmalig pro Bestellung

Lieferzeit: 5 Werktage

Stück
Pos.
82
BOSCH Schlauch | Ersatzteile für 1894-6D | 1600406004
Hersteller: BOSCH
Artikelnummer: EB-0601854B64-1600406004
Netto: 3,94 € zzgl. MwSt.
zzgl. 6,90 € Versand (brutto)
einmalig pro Bestellung

Lieferzeit: 5 Werktage

Stück
Pos.
101
BOSCH Rastschieber | Ersatzteile für 1894-6D | 1601990004
Hersteller: BOSCH
Artikelnummer: EB-0601854B64-1601990004
Netto: 4,56 € zzgl. MwSt.
zzgl. 6,90 € Versand (brutto)
einmalig pro Bestellung

Lieferzeit: 5 Werktage

Stück
Pos.
102
BOSCH Druckfeder | Ersatzteile für 1894-6D | 1604616022
Hersteller: BOSCH
Artikelnummer: EB-0601854B64-1604616022
Netto: 3,94 € zzgl. MwSt.
zzgl. 6,90 € Versand (brutto)
einmalig pro Bestellung

Lieferzeit: 5 Werktage

Stück
Pos.
131
BOSCH Hinweisschild | Ersatzteile für 1894-6D | 1601118G67
Hersteller: BOSCH
Artikelnummer: EB-0601854B64-1601118G67
nur Informationsartikel
Nie mehr lieferbar
keine Alternativen
Pos.
650
BOSCH Zusatzhandgriff M14 SCHWARZ | Ersatzteile für 1894-6D | 1602025051
Hersteller: BOSCH
Artikelnummer: EB-0601854B64-1602025051
Netto: 23,72 € zzgl. MwSt.
zzgl. 6,90 € Versand (brutto)
einmalig pro Bestellung

Lieferzeit: 5 Werktage

Stück
Pos.
651
BOSCH Schutzhaube | Ersatzteile für 1894-6D | 1605510354
Hersteller: BOSCH
Artikelnummer: EB-0601854B64-1605510354
nur Informationsartikel
Nie mehr lieferbar
keine Alternativen
Pos.
800
BOSCH Teilesatz | Ersatzteile für 1894-6D | 1607000380
Hersteller: BOSCH
Artikelnummer: EB-0601854B64-1607000380
nur Informationsartikel
Nie mehr lieferbar
keine Alternativen
Pos.
803
BOSCH Anker 100-120V | Ersatzteile für 1894-6D | 1604011181
Hersteller: BOSCH
Artikelnummer: EB-0601854B64-1604011181
Netto: 132,61 € zzgl. MwSt.
zzgl. 6,90 € Versand (brutto)
einmalig pro Bestellung

Lieferzeit: 5 Werktage

Stück
Pos.
804
BOSCH Schalter | Ersatzteile für 1894-6D | 1607000745
Hersteller: BOSCH
Artikelnummer: EB-0601854B64-1607000745
Netto: 38,40 € zzgl. MwSt.
zzgl. 6,90 € Versand (brutto)
einmalig pro Bestellung

Lieferzeit: 5 Werktage

Stück
Pos.
808
BOSCH Typschild | Ersatzteile für 1894-6D | 160111A3H3
Hersteller: BOSCH
Artikelnummer: EB-0601854B64-160111A3H3
Netto: 4,56 € zzgl. MwSt.
zzgl. 6,90 € Versand (brutto)
einmalig pro Bestellung

Lieferzeit: 5 Werktage

Stück
Pos.
810
BOSCH Kohlebürstensatz | Ersatzteile für 1894-6D | 1607014178
Hersteller: BOSCH
Artikelnummer: EB-0601854B64-1607014178
Netto: 12,32 € zzgl. MwSt.
zzgl. 6,90 € Versand (brutto)
einmalig pro Bestellung

Lieferzeit: 5 Werktage

Stück
Pos.
813
BOSCH Rillenkugellager 8x22x7 | Ersatzteile für 1894-6D | 1600905011
Hersteller: BOSCH
Artikelnummer: EB-0601854B64-1600905011
Netto: 6,75 € zzgl. MwSt.
zzgl. 6,90 € Versand (brutto)
einmalig pro Bestellung

Lieferzeit: 5 Werktage

Stück
Pos.
814
BOSCH Rillenkugellager | Ersatzteile für 1894-6D | 1600905028
Hersteller: BOSCH
Artikelnummer: EB-0601854B64-1600905028
Netto: 9,75 € zzgl. MwSt.
zzgl. 6,90 € Versand (brutto)
einmalig pro Bestellung

Lieferzeit: 5 Werktage

Stück
Pos.
816
BOSCH Bürstenhalter | Ersatzteile für 1894-6D | 1604336048
Hersteller: BOSCH
Artikelnummer: EB-0601854B64-1604336048
Netto: 7,66 € zzgl. MwSt.
zzgl. 6,90 € Versand (brutto)
einmalig pro Bestellung

Lieferzeit: 5 Werktage

Stück
Pos.
821
BOSCH Getriebegehäuse | Ersatzteile für 1894-6D | 1607000C03
Hersteller: BOSCH
Artikelnummer: EB-0601854B64-1607000C03
Netto: 42,08 € zzgl. MwSt.
zzgl. 6,90 € Versand (brutto)
einmalig pro Bestellung

Lieferzeit: 5 Werktage

Stück
Pos.
822
BOSCH Lagerflansch Ø230 MM | Ersatzteile für 1894-6D | 1607000C05
Hersteller: BOSCH
Artikelnummer: EB-0601854B64-1607000C05
Netto: 20,80 € zzgl. MwSt.
zzgl. 6,90 € Versand (brutto)
einmalig pro Bestellung

Lieferzeit: 5 Werktage

Stück
Pos.
826
BOSCH Teilesatz | Ersatzteile für 1894-6D | 1600A003FE
Hersteller: BOSCH
Artikelnummer: EB-0601854B64-1600A003FE
Netto: 32,16 € zzgl. MwSt.
zzgl. 6,90 € Versand (brutto)
einmalig pro Bestellung

Lieferzeit: 5 Werktage

Stück
Pos.
833
BOSCH Radial-Wellendichtring 16 MM BLAU | Ersatzteile für 1894-6D | 1600290064
Hersteller: BOSCH
Artikelnummer: EB-0601854B64-1600290064
Netto: 4,36 € zzgl. MwSt.
zzgl. 6,90 € Versand (brutto)
einmalig pro Bestellung

Lieferzeit: 5 Werktage

Stück
Pos.
840
BOSCH Druckknopf | Ersatzteile für 1894-6D | 1607000354
Hersteller: BOSCH
Artikelnummer: EB-0601854B64-1607000354
Netto: 7,26 € zzgl. MwSt.
zzgl. 6,90 € Versand (brutto)
einmalig pro Bestellung

Lieferzeit: 5 Werktage

Stück
Pos.
846
BOSCH Haltescheibe | Ersatzteile für 1894-6D | 1607000C3E
Hersteller: BOSCH
Artikelnummer: EB-0601854B64-1607000C3E
Netto: 10,62 € zzgl. MwSt.
zzgl. 6,90 € Versand (brutto)
einmalig pro Bestellung

Lieferzeit: 5 Werktage

Stück
Pos.
848
BOSCH Sicherungsbügel | Ersatzteile für 1894-6D | 1600119010
Hersteller: BOSCH
Artikelnummer: EB-0601854B64-1600119010
Netto: 3,94 € zzgl. MwSt.
zzgl. 6,90 € Versand (brutto)
einmalig pro Bestellung

Lieferzeit: 5 Werktage

Stück
Pos.
850
BOSCH Rillenkugellager 17x40x12 | Ersatzteile für 1894-6D | 1600905026
Hersteller: BOSCH
Artikelnummer: EB-0601854B64-1600905026
Netto: 8,23 € zzgl. MwSt.
zzgl. 6,90 € Versand (brutto)
einmalig pro Bestellung

Lieferzeit: 5 Werktage

Stück
Pos.
851
BOSCH Nadellager Ø14 MM | Ersatzteile für 1894-6D | 2600910001
Hersteller: BOSCH
Artikelnummer: EB-0601854B64-2600910001
nur Informationsartikel
Nie mehr lieferbar
keine Alternativen

Angaben zur Produktsicherheit

Hersteller:
Robert Bosch Power Tools GmbH
Postfach 30 02 20
70442 Stuttgart

E-Mail:
kontakt@bosch.de