BOSCH 1944 LCD - 0601944739

Artikelnummer: EB-0601944739

Position:

Marke: BOSCH


Bitte Kompatibilität prüfen!

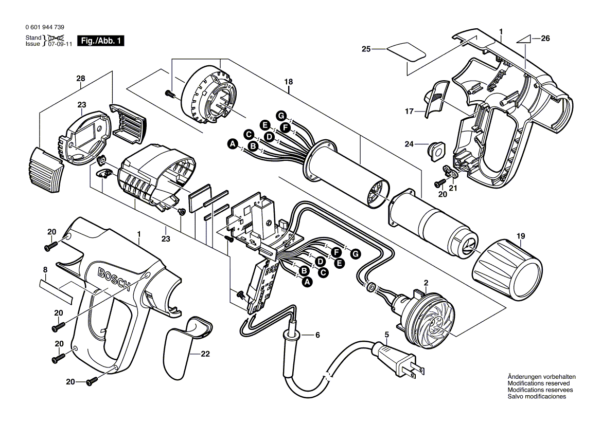
Bitte prüfen Sie unbedingt die 10-stellige Typennummer Ihrer Maschine / Ihres Gerätes. Das Ersatzteil ist nur kompatibel, wenn Sie die Typennummer Ihrer Maschine in der unten stehenden Produktbeschreibung finden.

Bitte prüfen Sie ebenfalls detailliert die Explosionszeichnung mit Ihrem Artikelwunsch und der jeweiligen Pos-Nummer.

Alle Elemente, welche vom schwarzen Strich der Pos-Nummer ausgehend berührt / erfasst werden, gehören zu dieser Pos-Nummer und somit zu diesem Artikel. Jede Pos-Nummer ist ein eigenständiger Artikel, welchen Sie in der Auflistung finden.

Sie erhalten stets die aktuellste, neueste Produktversion zu der gewählten Pos-Nummer seitens des Herstellers. Es kann daher je nach Gerätealter vorkommen, dass Sie ggf. weitere, zugehörige Elemente, welche an diese Pos-Nummer grenzen, ebenfalls mittauschen müssen.

Nähere Informationen finden Sie unter dem Link
Hinweise zu Ihrer BOSCH Ersatzteilsuche

Beschreibung

Die aufgelisteten BOSCH Ersatzteile sind mit folgendem Gerät und Modell kompatibel:

BOSCH Gerätename:1944 LCD
BOSCH Typennummer:0601944739
alternative Schreibweisen:0 601 944 739, 0601 944 739, 0.601.944.739, 0-601-944-739

Bitte prüfen Sie die Typennummer auf Ihrem Gerät um die Kompatibilität des BOSCH Ersatzteils zu gewährleisten.

Die passenden Ersatzteile des BOSCH 1944 LCD (Heissluftgebläse) mit der Typennummer 0601944739 finden Sie in der nachfolgenden Darstellung geordnet nach der Positionsnummern aus der Explosionszeichnung:

Pos.
1
BOSCH Gehäuseschale | Ersatzteile für 1944 LCD | 1609203K50
Hersteller: BOSCH
Artikelnummer: EB-0601944739-1609203K50
nur Informationsartikel
Nie mehr lieferbar
keine Alternativen
Pos.
2
BOSCH Gleichstrommotor 115-240V | Ersatzteile für 1944 LCD | 1609202611
Hersteller: BOSCH
Artikelnummer: EB-0601944739-1609202611
Netto: 24,13 € zzgl. MwSt.
zzgl. 6,90 € Versand (brutto)
einmalig pro Bestellung

Lieferzeit: 5 Werktage

Stück
Pos.
5
BOSCH Netzanschlussleitung | Ersatzteile für 1944 LCD | 1609203U36
Hersteller: BOSCH
Artikelnummer: EB-0601944739-1609203U36
nur Informationsartikel
Nie mehr lieferbar
keine Alternativen
Pos.
6
BOSCH Tülle | Ersatzteile für 1944 LCD | 1609203U37
Hersteller: BOSCH
Artikelnummer: EB-0601944739-1609203U37
nur Informationsartikel
Nie mehr lieferbar
keine Alternativen
Pos.
8
BOSCH Typschild | Ersatzteile für 1944 LCD | 1609203U38
Hersteller: BOSCH
Artikelnummer: EB-0601944739-1609203U38
nur Informationsartikel
Nie mehr lieferbar
keine Alternativen
Pos.
17
BOSCH Schalterknopf | Ersatzteile für 1944 LCD | 1609203H72
Hersteller: BOSCH
Artikelnummer: EB-0601944739-1609203H72
Netto: 6,15 € zzgl. MwSt.
zzgl. 6,90 € Versand (brutto)
einmalig pro Bestellung

Lieferzeit: 5 Werktage

Stück
Pos.
18
BOSCH Heizkörper 120V | Ersatzteile für 1944 LCD | 1609203M60
Hersteller: BOSCH
Artikelnummer: EB-0601944739-1609203M60
nur Informationsartikel
Nie mehr lieferbar
keine Alternativen
Pos.
19
BOSCH Schutzrohr | Ersatzteile für 1944 LCD | 2610953711
Hersteller: BOSCH
Artikelnummer: EB-0601944739-2610953711
nur Informationsartikel
Nie mehr lieferbar
keine Alternativen
Pos.
20
BOSCH Blechschraube DIN 7981-ST2,9x16-F-H | Ersatzteile für 1944 LCD | 2910615407
Hersteller: BOSCH
Artikelnummer: EB-0601944739-2910615407
nur Informationsartikel
Nie mehr lieferbar
keine Alternativen
Pos.
21
BOSCH Befestigungsschelle | Ersatzteile für 1944 LCD | 1609203102
Hersteller: BOSCH
Artikelnummer: EB-0601944739-1609203102
nur Informationsartikel
Nie mehr lieferbar
keine Alternativen
Pos.
22
BOSCH Griffkappe | Ersatzteile für 1944 LCD | 1609203H62
Hersteller: BOSCH
Artikelnummer: EB-0601944739-1609203H62
Netto: 15,75 € zzgl. MwSt.
zzgl. 6,90 € Versand (brutto)
einmalig pro Bestellung

Lieferzeit: 5 Werktage

Stück
Pos.
23
BOSCH Anschlussblock 100-240V | Ersatzteile für 1944 LCD | 1609203L52
Hersteller: BOSCH
Artikelnummer: EB-0601944739-1609203L52
nur Informationsartikel
Nie mehr lieferbar
keine Alternativen
Pos.
24
BOSCH Gummifuss | Ersatzteile für 1944 LCD | 1609203H65
Hersteller: BOSCH
Artikelnummer: EB-0601944739-1609203H65
Netto: 3,94 € zzgl. MwSt.
zzgl. 6,90 € Versand (brutto)
einmalig pro Bestellung

Lieferzeit: 5 Werktage

Stück
Pos.
25
BOSCH Warnschild | Ersatzteile für 1944 LCD | 1609203U40
Hersteller: BOSCH
Artikelnummer: EB-0601944739-1609203U40
nur Informationsartikel
Nie mehr lieferbar
keine Alternativen
Pos.
26
BOSCH Warnschild | Ersatzteile für 1944 LCD | 2610953710
Hersteller: BOSCH
Artikelnummer: EB-0601944739-2610953710
nur Informationsartikel
Nie mehr lieferbar
keine Alternativen
Pos.
28
BOSCH Filterelement | Ersatzteile für 1944 LCD | 1609203H78
Hersteller: BOSCH
Artikelnummer: EB-0601944739-1609203H78
Netto: 7,30 € zzgl. MwSt.
zzgl. 6,90 € Versand (brutto)
einmalig pro Bestellung

Lieferzeit: 5 Werktage

Stück

Angaben zur Produktsicherheit

Hersteller:
Robert Bosch Power Tools GmbH
Postfach 30 02 20
70442 Stuttgart

E-Mail:
kontakt@bosch.de