BOSCH 1967 EVS - 0601967034

Artikelnummer: EB-0601967034

Position:

Marke: BOSCH


Bitte Kompatibilität prüfen!

Bitte prüfen Sie unbedingt die 10-stellige Typennummer Ihrer Maschine / Ihres Gerätes. Das Ersatzteil ist nur kompatibel, wenn Sie die Typennummer Ihrer Maschine in der unten stehenden Produktbeschreibung finden.

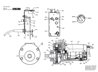
Bitte prüfen Sie ebenfalls detailliert die Explosionszeichnung mit Ihrem Artikelwunsch und der jeweiligen Pos-Nummer.

Alle Elemente, welche vom schwarzen Strich der Pos-Nummer ausgehend berührt / erfasst werden, gehören zu dieser Pos-Nummer und somit zu diesem Artikel. Jede Pos-Nummer ist ein eigenständiger Artikel, welchen Sie in der Auflistung finden.

Sie erhalten stets die aktuellste, neueste Produktversion zu der gewählten Pos-Nummer seitens des Herstellers. Es kann daher je nach Gerätealter vorkommen, dass Sie ggf. weitere, zugehörige Elemente, welche an diese Pos-Nummer grenzen, ebenfalls mittauschen müssen.

Nähere Informationen finden Sie unter dem Link
Hinweise zu Ihrer BOSCH Ersatzteilsuche

Beschreibung

Die aufgelisteten BOSCH Ersatzteile sind mit folgendem Gerät und Modell kompatibel:

BOSCH Gerätename:1967 EVS
BOSCH Typennummer:0601967034
alternative Schreibweisen:0 601 967 034, 0601 967 034, 0.601.967.034, 0-601-967-034

Bitte prüfen Sie die Typennummer auf Ihrem Gerät um die Kompatibilität des BOSCH Ersatzteils zu gewährleisten.

Die passenden Ersatzteile des BOSCH 1967 EVS (Tischbohrständer) mit der Typennummer 0601967034 finden Sie in der nachfolgenden Darstellung geordnet nach der Positionsnummern aus der Explosionszeichnung:

Pos.
1
BOSCH Feder | Ersatzteile für 1967 EVS | 1981000840
Hersteller: BOSCH
Artikelnummer: EB-0601967034-1981000840
nur Informationsartikel
Nie mehr lieferbar
keine Alternativen
Pos.
2
BOSCH Haltering | Ersatzteile für 1967 EVS | 1981000841
Hersteller: BOSCH
Artikelnummer: EB-0601967034-1981000841
nur Informationsartikel
Nie mehr lieferbar
keine Alternativen
Pos.
3
BOSCH Mutter | Ersatzteile für 1967 EVS | 1981000842
Hersteller: BOSCH
Artikelnummer: EB-0601967034-1981000842
nur Informationsartikel
Nie mehr lieferbar
keine Alternativen
Pos.
4
BOSCH Handgriff | Ersatzteile für 1967 EVS | 1981000843
Hersteller: BOSCH
Artikelnummer: EB-0601967034-1981000843
nur Informationsartikel
Nie mehr lieferbar
keine Alternativen
Pos.
5
BOSCH Knopf | Ersatzteile für 1967 EVS | 1981000844
Hersteller: BOSCH
Artikelnummer: EB-0601967034-1981000844
nur Informationsartikel
Nie mehr lieferbar
keine Alternativen
Pos.
6
BOSCH Feder | Ersatzteile für 1967 EVS | 1981000845
Hersteller: BOSCH
Artikelnummer: EB-0601967034-1981000845
nur Informationsartikel
Nie mehr lieferbar
keine Alternativen
Pos.
7
BOSCH Haltering | Ersatzteile für 1967 EVS | 1981000846
Hersteller: BOSCH
Artikelnummer: EB-0601967034-1981000846
nur Informationsartikel
Nie mehr lieferbar
keine Alternativen
Pos.
8
BOSCH Lager | Ersatzteile für 1967 EVS | 1981000847
Hersteller: BOSCH
Artikelnummer: EB-0601967034-1981000847
nur Informationsartikel
Nie mehr lieferbar
keine Alternativen
Pos.
9
BOSCH Verstellwelle | Ersatzteile für 1967 EVS | 1981000848
Hersteller: BOSCH
Artikelnummer: EB-0601967034-1981000848
nur Informationsartikel
Nie mehr lieferbar
keine Alternativen
Pos.
10
BOSCH Schraube | Ersatzteile für 1967 EVS | 1981000849
Hersteller: BOSCH
Artikelnummer: EB-0601967034-1981000849
nur Informationsartikel
Nie mehr lieferbar
keine Alternativen
Pos.
11
BOSCH Schraube | Ersatzteile für 1967 EVS | 1981000850
Hersteller: BOSCH
Artikelnummer: EB-0601967034-1981000850
nur Informationsartikel
Nie mehr lieferbar
keine Alternativen
Pos.
15
BOSCH Anschlagschiene | Ersatzteile für 1967 EVS | 1981000853
Hersteller: BOSCH
Artikelnummer: EB-0601967034-1981000853
nur Informationsartikel
Nie mehr lieferbar
keine Alternativen
Pos.
16
BOSCH Stösselstange | Ersatzteile für 1967 EVS | 1981000854
Hersteller: BOSCH
Artikelnummer: EB-0601967034-1981000854
nur Informationsartikel
Nie mehr lieferbar
keine Alternativen
Pos.
17
BOSCH Rutsche | Ersatzteile für 1967 EVS | 1981000855
Hersteller: BOSCH
Artikelnummer: EB-0601967034-1981000855
nur Informationsartikel
Nie mehr lieferbar
keine Alternativen
Pos.
18
BOSCH Rutsche | Ersatzteile für 1967 EVS | 1981000856
Hersteller: BOSCH
Artikelnummer: EB-0601967034-1981000856
nur Informationsartikel
Nie mehr lieferbar
keine Alternativen
Pos.
19
BOSCH Bürstendeckel | Ersatzteile für 1967 EVS | 1981000857
Hersteller: BOSCH
Artikelnummer: EB-0601967034-1981000857
nur Informationsartikel
Nie mehr lieferbar
keine Alternativen
Pos.
20
BOSCH Befestigungswinkel | Ersatzteile für 1967 EVS | 1981000858
Hersteller: BOSCH
Artikelnummer: EB-0601967034-1981000858
nur Informationsartikel
Nie mehr lieferbar
keine Alternativen
Pos.
21
BOSCH Feder | Ersatzteile für 1967 EVS | 1981000859
Hersteller: BOSCH
Artikelnummer: EB-0601967034-1981000859
nur Informationsartikel
Nie mehr lieferbar
keine Alternativen
Pos.
22
BOSCH Schraube | Ersatzteile für 1967 EVS | 1981000860
Hersteller: BOSCH
Artikelnummer: EB-0601967034-1981000860
nur Informationsartikel
Nie mehr lieferbar
keine Alternativen
Pos.
23
BOSCH Bügelhalter | Ersatzteile für 1967 EVS | 1981000861
Hersteller: BOSCH
Artikelnummer: EB-0601967034-1981000861
nur Informationsartikel
Nie mehr lieferbar
keine Alternativen
Pos.
24
BOSCH Schraube | Ersatzteile für 1967 EVS | 1981000862
Hersteller: BOSCH
Artikelnummer: EB-0601967034-1981000862
nur Informationsartikel
Nie mehr lieferbar
keine Alternativen
Pos.
25
BOSCH Schraube | Ersatzteile für 1967 EVS | 1981000863
Hersteller: BOSCH
Artikelnummer: EB-0601967034-1981000863
nur Informationsartikel
Nie mehr lieferbar
keine Alternativen
Pos.
26
BOSCH Mutter | Ersatzteile für 1967 EVS | 1981000864
Hersteller: BOSCH
Artikelnummer: EB-0601967034-1981000864
nur Informationsartikel
Nie mehr lieferbar
keine Alternativen
Pos.
27
BOSCH Haltering | Ersatzteile für 1967 EVS | 1981000865
Hersteller: BOSCH
Artikelnummer: EB-0601967034-1981000865
nur Informationsartikel
Nie mehr lieferbar
keine Alternativen
Pos.
28
BOSCH Dichtung | Ersatzteile für 1967 EVS | 1981000866
Hersteller: BOSCH
Artikelnummer: EB-0601967034-1981000866
nur Informationsartikel
Nie mehr lieferbar
keine Alternativen
Pos.
29
BOSCH Schraube | Ersatzteile für 1967 EVS | 1981000867
Hersteller: BOSCH
Artikelnummer: EB-0601967034-1981000867
nur Informationsartikel
Nie mehr lieferbar
keine Alternativen
Pos.
30
BOSCH Schraube | Ersatzteile für 1967 EVS | 1981000868
Hersteller: BOSCH
Artikelnummer: EB-0601967034-1981000868
nur Informationsartikel
Nie mehr lieferbar
keine Alternativen
Pos.
31
BOSCH Verschlussschraube | Ersatzteile für 1967 EVS | 1981000869
Hersteller: BOSCH
Artikelnummer: EB-0601967034-1981000869
nur Informationsartikel
Nie mehr lieferbar
keine Alternativen
Pos.
32
BOSCH Isolierplatte | Ersatzteile für 1967 EVS | 1981000870
Hersteller: BOSCH
Artikelnummer: EB-0601967034-1981000870
nur Informationsartikel
Nie mehr lieferbar
keine Alternativen
Pos.
33
BOSCH Ersatzteil | Ersatzteile für 1967 EVS | 1981000871
Hersteller: BOSCH
Artikelnummer: EB-0601967034-1981000871
nur Informationsartikel
Nie mehr lieferbar
keine Alternativen
Pos.
34
BOSCH Gewindestift | Ersatzteile für 1967 EVS | 1981006005
Hersteller: BOSCH
Artikelnummer: EB-0601967034-1981006005
nur Informationsartikel
Nie mehr lieferbar
keine Alternativen
Pos.
35
BOSCH Schraube | Ersatzteile für 1967 EVS | 1981000872
Hersteller: BOSCH
Artikelnummer: EB-0601967034-1981000872
nur Informationsartikel
Nie mehr lieferbar
keine Alternativen
Pos.
36
BOSCH Federteller | Ersatzteile für 1967 EVS | 1981000873
Hersteller: BOSCH
Artikelnummer: EB-0601967034-1981000873
nur Informationsartikel
Nie mehr lieferbar
keine Alternativen
Pos.
37
BOSCH Gewindestift | Ersatzteile für 1967 EVS | 1981006001
Hersteller: BOSCH
Artikelnummer: EB-0601967034-1981006001
nur Informationsartikel
Nie mehr lieferbar
keine Alternativen
Pos.
38
BOSCH Steckkupplung | Ersatzteile für 1967 EVS | 1981000874
Hersteller: BOSCH
Artikelnummer: EB-0601967034-1981000874
nur Informationsartikel
Nie mehr lieferbar
keine Alternativen
Pos.
39
BOSCH Leiste | Ersatzteile für 1967 EVS | 1981000875
Hersteller: BOSCH
Artikelnummer: EB-0601967034-1981000875
nur Informationsartikel
Nie mehr lieferbar
keine Alternativen
Pos.
40
BOSCH Grundkörper | Ersatzteile für 1967 EVS | 1981000876
Hersteller: BOSCH
Artikelnummer: EB-0601967034-1981000876
nur Informationsartikel
Nie mehr lieferbar
keine Alternativen
Pos.
41
BOSCH Umsetzgetriebe | Ersatzteile für 1967 EVS | 1981000877
Hersteller: BOSCH
Artikelnummer: EB-0601967034-1981000877
nur Informationsartikel
Nie mehr lieferbar
keine Alternativen
Pos.
42
BOSCH Umsetzgetriebe | Ersatzteile für 1967 EVS | 1981000878
Hersteller: BOSCH
Artikelnummer: EB-0601967034-1981000878
nur Informationsartikel
Nie mehr lieferbar
keine Alternativen
Pos.
43
BOSCH Lagerbuchse | Ersatzteile für 1967 EVS | 1981000879
Hersteller: BOSCH
Artikelnummer: EB-0601967034-1981000879
nur Informationsartikel
Nie mehr lieferbar
keine Alternativen
Pos.
44
BOSCH Scheibe | Ersatzteile für 1967 EVS | 1981000880
Hersteller: BOSCH
Artikelnummer: EB-0601967034-1981000880
nur Informationsartikel
Nie mehr lieferbar
keine Alternativen
Pos.
45
BOSCH Schraube | Ersatzteile für 1967 EVS | 1981000881
Hersteller: BOSCH
Artikelnummer: EB-0601967034-1981000881
nur Informationsartikel
Nie mehr lieferbar
keine Alternativen
Pos.
46
BOSCH Distanzstück 1" | Ersatzteile für 1967 EVS | 1981000882
Hersteller: BOSCH
Artikelnummer: EB-0601967034-1981000882
nur Informationsartikel
Nie mehr lieferbar
keine Alternativen
Pos.
47
BOSCH Gewindestift | Ersatzteile für 1967 EVS | 1981006002
Hersteller: BOSCH
Artikelnummer: EB-0601967034-1981006002
nur Informationsartikel
Nie mehr lieferbar
keine Alternativen
Pos.
48
BOSCH Elektromotor | Ersatzteile für 1967 EVS | 1981000883
Hersteller: BOSCH
Artikelnummer: EB-0601967034-1981000883
nur Informationsartikel
Nie mehr lieferbar
keine Alternativen
Pos.
49
BOSCH Nabe | Ersatzteile für 1967 EVS | 1981000963
Hersteller: BOSCH
Artikelnummer: EB-0601967034-1981000963
nur Informationsartikel
Nie mehr lieferbar
keine Alternativen
Pos.
50
BOSCH Klebeschild | Ersatzteile für 1967 EVS | 1981000884
Hersteller: BOSCH
Artikelnummer: EB-0601967034-1981000884
nur Informationsartikel
Nie mehr lieferbar
keine Alternativen
Pos.
51
BOSCH Gewindestift | Ersatzteile für 1967 EVS | 1981006000
Hersteller: BOSCH
Artikelnummer: EB-0601967034-1981006000
nur Informationsartikel
Nie mehr lieferbar
keine Alternativen
Pos.
52
BOSCH Warnschild | Ersatzteile für 1967 EVS | 1981000885
Hersteller: BOSCH
Artikelnummer: EB-0601967034-1981000885
nur Informationsartikel
Nie mehr lieferbar
keine Alternativen
Pos.
53
BOSCH Schlitten | Ersatzteile für 1967 EVS | 1981000886
Hersteller: BOSCH
Artikelnummer: EB-0601967034-1981000886
nur Informationsartikel
Nie mehr lieferbar
keine Alternativen
Pos.
54
BOSCH Lagerbuchse | Ersatzteile für 1967 EVS | 1981000887
Hersteller: BOSCH
Artikelnummer: EB-0601967034-1981000887
nur Informationsartikel
Nie mehr lieferbar
keine Alternativen
Pos.
55
BOSCH Schraube | Ersatzteile für 1967 EVS | 1981000888
Hersteller: BOSCH
Artikelnummer: EB-0601967034-1981000888
nur Informationsartikel
Nie mehr lieferbar
keine Alternativen
Pos.
56
BOSCH Distanzstück 3/4" | Ersatzteile für 1967 EVS | 1981000889
Hersteller: BOSCH
Artikelnummer: EB-0601967034-1981000889
nur Informationsartikel
Nie mehr lieferbar
keine Alternativen
Pos.
57
BOSCH O-Ring | Ersatzteile für 1967 EVS | 1981000890
Hersteller: BOSCH
Artikelnummer: EB-0601967034-1981000890
nur Informationsartikel
Nie mehr lieferbar
keine Alternativen
Pos.
58
BOSCH Scheibe | Ersatzteile für 1967 EVS | 1981000891
Hersteller: BOSCH
Artikelnummer: EB-0601967034-1981000891
nur Informationsartikel
Nie mehr lieferbar
keine Alternativen
Pos.
59
BOSCH Aufnahmering | Ersatzteile für 1967 EVS | 1981000892
Hersteller: BOSCH
Artikelnummer: EB-0601967034-1981000892
nur Informationsartikel
Nie mehr lieferbar
keine Alternativen
Pos.
60
BOSCH Anschlussstutzen | Ersatzteile für 1967 EVS | 1981000893
Hersteller: BOSCH
Artikelnummer: EB-0601967034-1981000893
nur Informationsartikel
Nie mehr lieferbar
keine Alternativen
Pos.
61
BOSCH Hülse | Ersatzteile für 1967 EVS | 1981000894
Hersteller: BOSCH
Artikelnummer: EB-0601967034-1981000894
nur Informationsartikel
Nie mehr lieferbar
keine Alternativen
Pos.
62
BOSCH Gerätegehäuse | Ersatzteile für 1967 EVS | 1981000895
Hersteller: BOSCH
Artikelnummer: EB-0601967034-1981000895
nur Informationsartikel
Nie mehr lieferbar
keine Alternativen
Pos.
63
BOSCH Steuereinheit | Ersatzteile für 1967 EVS | 1981000896
Hersteller: BOSCH
Artikelnummer: EB-0601967034-1981000896
nur Informationsartikel
Nie mehr lieferbar
keine Alternativen
Pos.
64
BOSCH Kippschalter | Ersatzteile für 1967 EVS | 1981000897
Hersteller: BOSCH
Artikelnummer: EB-0601967034-1981000897
nur Informationsartikel
Nie mehr lieferbar
keine Alternativen
Pos.
65
BOSCH Klemme | Ersatzteile für 1967 EVS | 1981000898
Hersteller: BOSCH
Artikelnummer: EB-0601967034-1981000898
nur Informationsartikel
Nie mehr lieferbar
keine Alternativen
Pos.
66
BOSCH Bolzen | Ersatzteile für 1967 EVS | 1981000899
Hersteller: BOSCH
Artikelnummer: EB-0601967034-1981000899
nur Informationsartikel
Nie mehr lieferbar
keine Alternativen
Pos.
67
BOSCH Ventil | Ersatzteile für 1967 EVS | 1981000900
Hersteller: BOSCH
Artikelnummer: EB-0601967034-1981000900
nur Informationsartikel
Nie mehr lieferbar
keine Alternativen
Pos.
68
BOSCH Klemmbuchse | Ersatzteile für 1967 EVS | 1981000901
Hersteller: BOSCH
Artikelnummer: EB-0601967034-1981000901
nur Informationsartikel
Nie mehr lieferbar
keine Alternativen
Pos.
69
BOSCH Einlage | Ersatzteile für 1967 EVS | 1981000902
Hersteller: BOSCH
Artikelnummer: EB-0601967034-1981000902
nur Informationsartikel
Nie mehr lieferbar
keine Alternativen
Pos.
70
BOSCH Lagerbuchse | Ersatzteile für 1967 EVS | 1981000903
Hersteller: BOSCH
Artikelnummer: EB-0601967034-1981000903
nur Informationsartikel
Nie mehr lieferbar
keine Alternativen
Pos.
71
BOSCH Magnet | Ersatzteile für 1967 EVS | 1981000904
Hersteller: BOSCH
Artikelnummer: EB-0601967034-1981000904
nur Informationsartikel
Nie mehr lieferbar
keine Alternativen
Pos.
72
BOSCH Rollen-Bundbolzen | Ersatzteile für 1967 EVS | 1981000905
Hersteller: BOSCH
Artikelnummer: EB-0601967034-1981000905
nur Informationsartikel
Nie mehr lieferbar
keine Alternativen
Pos.
73
BOSCH Haltering | Ersatzteile für 1967 EVS | 1981000906
Hersteller: BOSCH
Artikelnummer: EB-0601967034-1981000906
nur Informationsartikel
Nie mehr lieferbar
keine Alternativen
Pos.
74
BOSCH Behälter | Ersatzteile für 1967 EVS | 1981000907
Hersteller: BOSCH
Artikelnummer: EB-0601967034-1981000907
nur Informationsartikel
Nie mehr lieferbar
keine Alternativen
Pos.
75
BOSCH Stütze | Ersatzteile für 1967 EVS | 1981000908
Hersteller: BOSCH
Artikelnummer: EB-0601967034-1981000908
nur Informationsartikel
Nie mehr lieferbar
keine Alternativen
Pos.
76
BOSCH Stütze | Ersatzteile für 1967 EVS | 1981000909
Hersteller: BOSCH
Artikelnummer: EB-0601967034-1981000909
nur Informationsartikel
Nie mehr lieferbar
keine Alternativen
Pos.
77
BOSCH Stütze | Ersatzteile für 1967 EVS | 1981000910
Hersteller: BOSCH
Artikelnummer: EB-0601967034-1981000910
nur Informationsartikel
Nie mehr lieferbar
keine Alternativen
Pos.
78
BOSCH Klemmschelle | Ersatzteile für 1967 EVS | 1981000911
Hersteller: BOSCH
Artikelnummer: EB-0601967034-1981000911
nur Informationsartikel
Nie mehr lieferbar
keine Alternativen
Pos.
79
BOSCH Stütze | Ersatzteile für 1967 EVS | 1981000912
Hersteller: BOSCH
Artikelnummer: EB-0601967034-1981000912
nur Informationsartikel
Nie mehr lieferbar
keine Alternativen
Pos.
80
BOSCH Mutter | Ersatzteile für 1967 EVS | 1981000913
Hersteller: BOSCH
Artikelnummer: EB-0601967034-1981000913
nur Informationsartikel
Nie mehr lieferbar
keine Alternativen
Pos.
81
BOSCH Schraube | Ersatzteile für 1967 EVS | 1981000914
Hersteller: BOSCH
Artikelnummer: EB-0601967034-1981000914
nur Informationsartikel
Nie mehr lieferbar
keine Alternativen
Pos.
82
BOSCH Abdeckkappe | Ersatzteile für 1967 EVS | 1981000915
Hersteller: BOSCH
Artikelnummer: EB-0601967034-1981000915
nur Informationsartikel
Nie mehr lieferbar
keine Alternativen
Pos.
83
BOSCH Behälter | Ersatzteile für 1967 EVS | 1981000917
Hersteller: BOSCH
Artikelnummer: EB-0601967034-1981000917
nur Informationsartikel
Nie mehr lieferbar
keine Alternativen
Pos.
84
BOSCH Rollen-Bundbolzen | Ersatzteile für 1967 EVS | 1981000920
Hersteller: BOSCH
Artikelnummer: EB-0601967034-1981000920
nur Informationsartikel
Nie mehr lieferbar
keine Alternativen
Pos.
85
BOSCH Scheibe | Ersatzteile für 1967 EVS | 1981000921
Hersteller: BOSCH
Artikelnummer: EB-0601967034-1981000921
nur Informationsartikel
Nie mehr lieferbar
keine Alternativen
Pos.
86
BOSCH Scheibe | Ersatzteile für 1967 EVS | 1981000922
Hersteller: BOSCH
Artikelnummer: EB-0601967034-1981000922
nur Informationsartikel
Nie mehr lieferbar
keine Alternativen
Pos.
87
BOSCH Scheibe | Ersatzteile für 1967 EVS | 1981000923
Hersteller: BOSCH
Artikelnummer: EB-0601967034-1981000923
nur Informationsartikel
Nie mehr lieferbar
keine Alternativen
Pos.
88
BOSCH Schraube | Ersatzteile für 1967 EVS | 1981000851
Hersteller: BOSCH
Artikelnummer: EB-0601967034-1981000851
nur Informationsartikel
Nie mehr lieferbar
keine Alternativen
Pos.
89
BOSCH Scheibe | Ersatzteile für 1967 EVS | 1981000925
Hersteller: BOSCH
Artikelnummer: EB-0601967034-1981000925
nur Informationsartikel
Nie mehr lieferbar
keine Alternativen
Pos.
90
BOSCH Erdleitung | Ersatzteile für 1967 EVS | 1981000947
Hersteller: BOSCH
Artikelnummer: EB-0601967034-1981000947
nur Informationsartikel
Nie mehr lieferbar
keine Alternativen
Pos.
91
BOSCH Schraube | Ersatzteile für 1967 EVS | 1981000948
Hersteller: BOSCH
Artikelnummer: EB-0601967034-1981000948
nur Informationsartikel
Nie mehr lieferbar
keine Alternativen
Pos.
92
BOSCH Scheibe | Ersatzteile für 1967 EVS | 1981000949
Hersteller: BOSCH
Artikelnummer: EB-0601967034-1981000949
nur Informationsartikel
Nie mehr lieferbar
keine Alternativen
Pos.
97
BOSCH Feder | Ersatzteile für 1967 EVS | 1981000950
Hersteller: BOSCH
Artikelnummer: EB-0601967034-1981000950
nur Informationsartikel
Nie mehr lieferbar
keine Alternativen
Pos.
99
BOSCH Schraube | Ersatzteile für 1967 EVS | 1981000951
Hersteller: BOSCH
Artikelnummer: EB-0601967034-1981000951
nur Informationsartikel
Nie mehr lieferbar
keine Alternativen
Pos.
100
BOSCH Gewindestift | Ersatzteile für 1967 EVS | 1981006003
Hersteller: BOSCH
Artikelnummer: EB-0601967034-1981006003
nur Informationsartikel
Nie mehr lieferbar
keine Alternativen
Pos.
101
BOSCH Schlüssel 3/16" | Ersatzteile für 1967 EVS | 1981000829
Hersteller: BOSCH
Artikelnummer: EB-0601967034-1981000829
nur Informationsartikel
Nie mehr lieferbar
keine Alternativen
Pos.
102
BOSCH Klemmbuchse | Ersatzteile für 1967 EVS | 1981000852
Hersteller: BOSCH
Artikelnummer: EB-0601967034-1981000852
nur Informationsartikel
Nie mehr lieferbar
keine Alternativen
Pos.
103
BOSCH Ölbehälter | Ersatzteile für 1967 EVS | 1981000916
Hersteller: BOSCH
Artikelnummer: EB-0601967034-1981000916
nur Informationsartikel
Nie mehr lieferbar
keine Alternativen
Pos.
104
BOSCH Haltering | Ersatzteile für 1967 EVS | 1981000918
Hersteller: BOSCH
Artikelnummer: EB-0601967034-1981000918
nur Informationsartikel
Nie mehr lieferbar
keine Alternativen
Pos.
105
BOSCH Scheibe | Ersatzteile für 1967 EVS | 1981000919
Hersteller: BOSCH
Artikelnummer: EB-0601967034-1981000919
nur Informationsartikel
Nie mehr lieferbar
keine Alternativen
Pos.
106
BOSCH O-Ring | Ersatzteile für 1967 EVS | 1981000936
Hersteller: BOSCH
Artikelnummer: EB-0601967034-1981000936
nur Informationsartikel
Nie mehr lieferbar
keine Alternativen
Pos.
107
BOSCH Schutzhülse | Ersatzteile für 1967 EVS | 1981000943
Hersteller: BOSCH
Artikelnummer: EB-0601967034-1981000943
nur Informationsartikel
Nie mehr lieferbar
keine Alternativen
Pos.
108
BOSCH Führungsleiste | Ersatzteile für 1967 EVS | 1981000955
Hersteller: BOSCH
Artikelnummer: EB-0601967034-1981000955
nur Informationsartikel
Nie mehr lieferbar
keine Alternativen
Pos.
109
BOSCH Verlängerung | Ersatzteile für 1967 EVS | 1981000956
Hersteller: BOSCH
Artikelnummer: EB-0601967034-1981000956
nur Informationsartikel
Nie mehr lieferbar
keine Alternativen
Pos.
110
BOSCH Schraube | Ersatzteile für 1967 EVS | 1981000952
Hersteller: BOSCH
Artikelnummer: EB-0601967034-1981000952
nur Informationsartikel
Nie mehr lieferbar
keine Alternativen
Pos.
111
BOSCH Grundkörper | Ersatzteile für 1967 EVS | 1981000953
Hersteller: BOSCH
Artikelnummer: EB-0601967034-1981000953
nur Informationsartikel
Nie mehr lieferbar
keine Alternativen
Pos.
112
BOSCH Klinge | Ersatzteile für 1967 EVS | 1981000954
Hersteller: BOSCH
Artikelnummer: EB-0601967034-1981000954
nur Informationsartikel
Nie mehr lieferbar
keine Alternativen
Pos.
113
BOSCH Sicherungsscheibe | Ersatzteile für 1967 EVS | 1981000961
Hersteller: BOSCH
Artikelnummer: EB-0601967034-1981000961
nur Informationsartikel
Nie mehr lieferbar
keine Alternativen
Pos.
114
BOSCH Steckkupplung | Ersatzteile für 1967 EVS | 1981000800
Hersteller: BOSCH
Artikelnummer: EB-0601967034-1981000800
nur Informationsartikel
Nie mehr lieferbar
keine Alternativen
Pos.
115
BOSCH Tülle | Ersatzteile für 1967 EVS | 1981000801
Hersteller: BOSCH
Artikelnummer: EB-0601967034-1981000801
nur Informationsartikel
Nie mehr lieferbar
keine Alternativen
Pos.
116
BOSCH Gerätegehäuse | Ersatzteile für 1967 EVS | 1981000802
Hersteller: BOSCH
Artikelnummer: EB-0601967034-1981000802
nur Informationsartikel
Nie mehr lieferbar
keine Alternativen
Pos.
117
BOSCH Anker 115V | Ersatzteile für 1967 EVS | 1981000803
Hersteller: BOSCH
Artikelnummer: EB-0601967034-1981000803
nur Informationsartikel
Nie mehr lieferbar
keine Alternativen
Pos.
118
BOSCH Lager | Ersatzteile für 1967 EVS | 1981000804
Hersteller: BOSCH
Artikelnummer: EB-0601967034-1981000804
nur Informationsartikel
Nie mehr lieferbar
keine Alternativen
Pos.
119
BOSCH Feder | Ersatzteile für 1967 EVS | 1981000805
Hersteller: BOSCH
Artikelnummer: EB-0601967034-1981000805
nur Informationsartikel
Nie mehr lieferbar
keine Alternativen
Pos.
120
BOSCH Dichtung | Ersatzteile für 1967 EVS | 1981000806
Hersteller: BOSCH
Artikelnummer: EB-0601967034-1981000806
nur Informationsartikel
Nie mehr lieferbar
keine Alternativen
Pos.
121
BOSCH Feder | Ersatzteile für 1967 EVS | 1981000807
Hersteller: BOSCH
Artikelnummer: EB-0601967034-1981000807
nur Informationsartikel
Nie mehr lieferbar
keine Alternativen
Pos.
122
BOSCH Scheibe | Ersatzteile für 1967 EVS | 1981000808
Hersteller: BOSCH
Artikelnummer: EB-0601967034-1981000808
nur Informationsartikel
Nie mehr lieferbar
keine Alternativen
Pos.
123
BOSCH Lager | Ersatzteile für 1967 EVS | 1981000809
Hersteller: BOSCH
Artikelnummer: EB-0601967034-1981000809
nur Informationsartikel
Nie mehr lieferbar
keine Alternativen
Pos.
124
BOSCH Getriebegehäuse | Ersatzteile für 1967 EVS | 1981000810
Hersteller: BOSCH
Artikelnummer: EB-0601967034-1981000810
nur Informationsartikel
Nie mehr lieferbar
keine Alternativen
Pos.
125
BOSCH Umsetzgetriebe | Ersatzteile für 1967 EVS | 1981000811
Hersteller: BOSCH
Artikelnummer: EB-0601967034-1981000811
nur Informationsartikel
Nie mehr lieferbar
keine Alternativen
Pos.
126
BOSCH Dichtplatte | Ersatzteile für 1967 EVS | 1981000812
Hersteller: BOSCH
Artikelnummer: EB-0601967034-1981000812
nur Informationsartikel
Nie mehr lieferbar
keine Alternativen
Pos.
127
BOSCH Abdeckkappe | Ersatzteile für 1967 EVS | 1981000813
Hersteller: BOSCH
Artikelnummer: EB-0601967034-1981000813
nur Informationsartikel
Nie mehr lieferbar
keine Alternativen
Pos.
128
BOSCH Rollen-Bundbolzen | Ersatzteile für 1967 EVS | 1981000814
Hersteller: BOSCH
Artikelnummer: EB-0601967034-1981000814
nur Informationsartikel
Nie mehr lieferbar
keine Alternativen
Pos.
129
BOSCH Scheibe | Ersatzteile für 1967 EVS | 1981000815
Hersteller: BOSCH
Artikelnummer: EB-0601967034-1981000815
nur Informationsartikel
Nie mehr lieferbar
keine Alternativen
Pos.
130
BOSCH Lager | Ersatzteile für 1967 EVS | 1981000816
Hersteller: BOSCH
Artikelnummer: EB-0601967034-1981000816
nur Informationsartikel
Nie mehr lieferbar
keine Alternativen
Pos.
131
BOSCH Feder | Ersatzteile für 1967 EVS | 1981000817
Hersteller: BOSCH
Artikelnummer: EB-0601967034-1981000817
nur Informationsartikel
Nie mehr lieferbar
keine Alternativen
Pos.
132
BOSCH Umsetzgetriebe | Ersatzteile für 1967 EVS | 1981000818
Hersteller: BOSCH
Artikelnummer: EB-0601967034-1981000818
nur Informationsartikel
Nie mehr lieferbar
keine Alternativen
Pos.
133
BOSCH Bolzen | Ersatzteile für 1967 EVS | 1981000819
Hersteller: BOSCH
Artikelnummer: EB-0601967034-1981000819
nur Informationsartikel
Nie mehr lieferbar
keine Alternativen
Pos.
134
BOSCH Lager | Ersatzteile für 1967 EVS | 1981000820
Hersteller: BOSCH
Artikelnummer: EB-0601967034-1981000820
nur Informationsartikel
Nie mehr lieferbar
keine Alternativen
Pos.
135
BOSCH Kugel | Ersatzteile für 1967 EVS | 1981000821
Hersteller: BOSCH
Artikelnummer: EB-0601967034-1981000821
nur Informationsartikel
Nie mehr lieferbar
keine Alternativen
Pos.
136
BOSCH Scheibe | Ersatzteile für 1967 EVS | 1981000822
Hersteller: BOSCH
Artikelnummer: EB-0601967034-1981000822
nur Informationsartikel
Nie mehr lieferbar
keine Alternativen
Pos.
137
BOSCH Schraube | Ersatzteile für 1967 EVS | 1981000823
Hersteller: BOSCH
Artikelnummer: EB-0601967034-1981000823
nur Informationsartikel
Nie mehr lieferbar
keine Alternativen
Pos.
138
BOSCH Distanzstück | Ersatzteile für 1967 EVS | 1981000824
Hersteller: BOSCH
Artikelnummer: EB-0601967034-1981000824
nur Informationsartikel
Nie mehr lieferbar
keine Alternativen
Pos.
139
BOSCH Ständer 115V | Ersatzteile für 1967 EVS | 1981000825
Hersteller: BOSCH
Artikelnummer: EB-0601967034-1981000825
nur Informationsartikel
Nie mehr lieferbar
keine Alternativen
Pos.
140
BOSCH Bürstendeckel | Ersatzteile für 1967 EVS | 1981000826
Hersteller: BOSCH
Artikelnummer: EB-0601967034-1981000826
nur Informationsartikel
Nie mehr lieferbar
keine Alternativen
Pos.
141
BOSCH Kohlebürste | Ersatzteile für 1967 EVS | 1981000827
Hersteller: BOSCH
Artikelnummer: EB-0601967034-1981000827
nur Informationsartikel
Nie mehr lieferbar
keine Alternativen
Pos.
142
BOSCH Bürstenhalter | Ersatzteile für 1967 EVS | 1981000828
Hersteller: BOSCH
Artikelnummer: EB-0601967034-1981000828
nur Informationsartikel
Nie mehr lieferbar
keine Alternativen
Pos.
143
BOSCH Schraube | Ersatzteile für 1967 EVS | 1981000830
Hersteller: BOSCH
Artikelnummer: EB-0601967034-1981000830
nur Informationsartikel
Nie mehr lieferbar
keine Alternativen
Pos.
144
BOSCH Scheibe | Ersatzteile für 1967 EVS | 1981000831
Hersteller: BOSCH
Artikelnummer: EB-0601967034-1981000831
nur Informationsartikel
Nie mehr lieferbar
keine Alternativen
Pos.
145
BOSCH Haltering | Ersatzteile für 1967 EVS | 1981000832
Hersteller: BOSCH
Artikelnummer: EB-0601967034-1981000832
nur Informationsartikel
Nie mehr lieferbar
keine Alternativen
Pos.
146
BOSCH Dichtring | Ersatzteile für 1967 EVS | 1981000833
Hersteller: BOSCH
Artikelnummer: EB-0601967034-1981000833
nur Informationsartikel
Nie mehr lieferbar
keine Alternativen
Pos.
147
BOSCH Verschlussstopfen | Ersatzteile für 1967 EVS | 1981000834
Hersteller: BOSCH
Artikelnummer: EB-0601967034-1981000834
nur Informationsartikel
Nie mehr lieferbar
keine Alternativen
Pos.
148
BOSCH Prallschutz | Ersatzteile für 1967 EVS | 1981000835
Hersteller: BOSCH
Artikelnummer: EB-0601967034-1981000835
nur Informationsartikel
Nie mehr lieferbar
keine Alternativen
Pos.
149
BOSCH Motorplatte | Ersatzteile für 1967 EVS | 1981000836
Hersteller: BOSCH
Artikelnummer: EB-0601967034-1981000836
nur Informationsartikel
Nie mehr lieferbar
keine Alternativen
Pos.
150
BOSCH Distanzhülse | Ersatzteile für 1967 EVS | 1981000837
Hersteller: BOSCH
Artikelnummer: EB-0601967034-1981000837
nur Informationsartikel
Nie mehr lieferbar
keine Alternativen
Pos.
151
BOSCH Schraube | Ersatzteile für 1967 EVS | 1981000838
Hersteller: BOSCH
Artikelnummer: EB-0601967034-1981000838
nur Informationsartikel
Nie mehr lieferbar
keine Alternativen
Pos.
152
BOSCH Netzanschlussleitung 115V 18/3 | Ersatzteile für 1967 EVS | 1981000839
Hersteller: BOSCH
Artikelnummer: EB-0601967034-1981000839
nur Informationsartikel
Nie mehr lieferbar
keine Alternativen
Pos.
153
BOSCH Platte | Ersatzteile für 1967 EVS | 1981000926
Hersteller: BOSCH
Artikelnummer: EB-0601967034-1981000926
nur Informationsartikel
Nie mehr lieferbar
keine Alternativen
Pos.
154
BOSCH Leiterplatte Bestückt | Ersatzteile für 1967 EVS | 1981000927
Hersteller: BOSCH
Artikelnummer: EB-0601967034-1981000927
nur Informationsartikel
Nie mehr lieferbar
keine Alternativen
Pos.
155
BOSCH Zugentlastung | Ersatzteile für 1967 EVS | 1981000928
Hersteller: BOSCH
Artikelnummer: EB-0601967034-1981000928
nur Informationsartikel
Nie mehr lieferbar
keine Alternativen
Pos.
156
BOSCH Netzanschlussleitung 115V 18/3 | Ersatzteile für 1967 EVS | 1981000929
Hersteller: BOSCH
Artikelnummer: EB-0601967034-1981000929
nur Informationsartikel
Nie mehr lieferbar
keine Alternativen
Pos.
157
BOSCH Tülle | Ersatzteile für 1967 EVS | 1981000930
Hersteller: BOSCH
Artikelnummer: EB-0601967034-1981000930
nur Informationsartikel
Nie mehr lieferbar
keine Alternativen
Pos.
158
BOSCH Distanzstück | Ersatzteile für 1967 EVS | 1981000931
Hersteller: BOSCH
Artikelnummer: EB-0601967034-1981000931
nur Informationsartikel
Nie mehr lieferbar
keine Alternativen
Pos.
159
BOSCH Elektronik-Modul | Ersatzteile für 1967 EVS | 1981000932
Hersteller: BOSCH
Artikelnummer: EB-0601967034-1981000932
nur Informationsartikel
Nie mehr lieferbar
keine Alternativen
Pos.
161
BOSCH Kippschalter | Ersatzteile für 1967 EVS | 1981000934
Hersteller: BOSCH
Artikelnummer: EB-0601967034-1981000934
nur Informationsartikel
Nie mehr lieferbar
keine Alternativen
Pos.
162
BOSCH Kippschalter | Ersatzteile für 1967 EVS | 1981000933
Hersteller: BOSCH
Artikelnummer: EB-0601967034-1981000933
nur Informationsartikel
Nie mehr lieferbar
keine Alternativen
Pos.
164
BOSCH Halbrundniet | Ersatzteile für 1967 EVS | 1981000937
Hersteller: BOSCH
Artikelnummer: EB-0601967034-1981000937
nur Informationsartikel
Nie mehr lieferbar
keine Alternativen
Pos.
165
BOSCH Halbrundniet | Ersatzteile für 1967 EVS | 1981000938
Hersteller: BOSCH
Artikelnummer: EB-0601967034-1981000938
nur Informationsartikel
Nie mehr lieferbar
keine Alternativen
Pos.
166
BOSCH Halbrundniet | Ersatzteile für 1967 EVS | 1981000935
Hersteller: BOSCH
Artikelnummer: EB-0601967034-1981000935
nur Informationsartikel
Nie mehr lieferbar
keine Alternativen
Pos.
167
BOSCH Bleidraht | Ersatzteile für 1967 EVS | 1981000939
Hersteller: BOSCH
Artikelnummer: EB-0601967034-1981000939
nur Informationsartikel
Nie mehr lieferbar
keine Alternativen
Pos.
168
BOSCH Elektronik-Modul | Ersatzteile für 1967 EVS | 1981000940
Hersteller: BOSCH
Artikelnummer: EB-0601967034-1981000940
nur Informationsartikel
Nie mehr lieferbar
keine Alternativen
Pos.
169
BOSCH Knopf | Ersatzteile für 1967 EVS | 1981000941
Hersteller: BOSCH
Artikelnummer: EB-0601967034-1981000941
nur Informationsartikel
Nie mehr lieferbar
keine Alternativen
Pos.
170
BOSCH Scheibe | Ersatzteile für 1967 EVS | 1981000942
Hersteller: BOSCH
Artikelnummer: EB-0601967034-1981000942
nur Informationsartikel
Nie mehr lieferbar
keine Alternativen
Pos.
172
BOSCH Sechskantmutter | Ersatzteile für 1967 EVS | 1981000944
Hersteller: BOSCH
Artikelnummer: EB-0601967034-1981000944
nur Informationsartikel
Nie mehr lieferbar
keine Alternativen
Pos.
173
BOSCH Schraube | Ersatzteile für 1967 EVS | 1981000945
Hersteller: BOSCH
Artikelnummer: EB-0601967034-1981000945
nur Informationsartikel
Nie mehr lieferbar
keine Alternativen
Pos.
174
BOSCH Dichtung | Ersatzteile für 1967 EVS | 1981000946
Hersteller: BOSCH
Artikelnummer: EB-0601967034-1981000946
nur Informationsartikel
Nie mehr lieferbar
keine Alternativen
Pos.
175
BOSCH Distanzstück 1/2" | Ersatzteile für 1967 EVS | 1981000957
Hersteller: BOSCH
Artikelnummer: EB-0601967034-1981000957
nur Informationsartikel
Nie mehr lieferbar
keine Alternativen
Pos.
176
BOSCH Distanzstück 1" | Ersatzteile für 1967 EVS | 1981000958
Hersteller: BOSCH
Artikelnummer: EB-0601967034-1981000958
nur Informationsartikel
Nie mehr lieferbar
keine Alternativen
Pos.
177
BOSCH Distanzstück 3/8" | Ersatzteile für 1967 EVS | 1981000959
Hersteller: BOSCH
Artikelnummer: EB-0601967034-1981000959
nur Informationsartikel
Nie mehr lieferbar
keine Alternativen
Pos.
178
BOSCH Schaltereinheit | Ersatzteile für 1967 EVS | 1981000960
Hersteller: BOSCH
Artikelnummer: EB-0601967034-1981000960
nur Informationsartikel
Nie mehr lieferbar
keine Alternativen
Pos.
179
BOSCH Wärmeleitmasse | Ersatzteile für 1967 EVS | 3609391500
Hersteller: BOSCH
Artikelnummer: EB-0601967034-3609391500
nur Informationsartikel
Nie mehr lieferbar
keine Alternativen

Angaben zur Produktsicherheit

Hersteller:
Robert Bosch Power Tools GmbH
Postfach 30 02 20
70442 Stuttgart

E-Mail:
kontakt@bosch.de