BOSCH 2072 TYPE 1 - F012207200

Artikelnummer: EB-F012207200

Position:

Marke: BOSCH


Bitte Kompatibilität prüfen!

Bitte prüfen Sie unbedingt die 10-stellige Typennummer Ihrer Maschine / Ihres Gerätes. Das Ersatzteil ist nur kompatibel, wenn Sie die Typennummer Ihrer Maschine in der unten stehenden Produktbeschreibung finden.

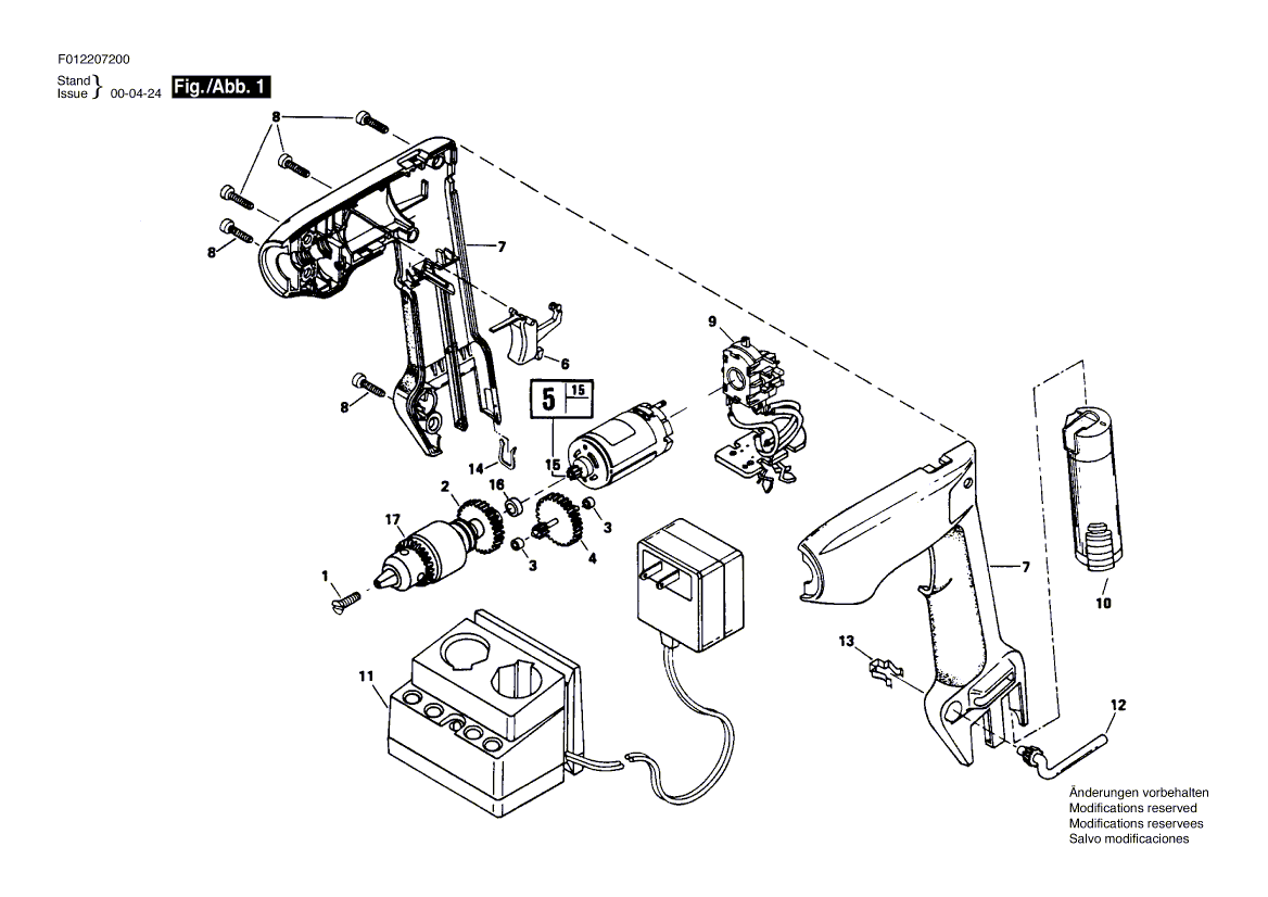
Bitte prüfen Sie ebenfalls detailliert die Explosionszeichnung mit Ihrem Artikelwunsch und der jeweiligen Pos-Nummer.

Alle Elemente, welche vom schwarzen Strich der Pos-Nummer ausgehend berührt / erfasst werden, gehören zu dieser Pos-Nummer und somit zu diesem Artikel. Jede Pos-Nummer ist ein eigenständiger Artikel, welchen Sie in der Auflistung finden.

Sie erhalten stets die aktuellste, neueste Produktversion zu der gewählten Pos-Nummer seitens des Herstellers. Es kann daher je nach Gerätealter vorkommen, dass Sie ggf. weitere, zugehörige Elemente, welche an diese Pos-Nummer grenzen, ebenfalls mittauschen müssen.

Nähere Informationen finden Sie unter dem Link
Hinweise zu Ihrer BOSCH Ersatzteilsuche

Beschreibung

Die aufgelisteten BOSCH Ersatzteile sind mit folgendem Gerät und Modell kompatibel:

BOSCH Gerätename:2072 TYPE 1
BOSCH Typennummer:F012207200
alternative Schreibweisen:F 012 207 200, F012 207 200, F.012.207.200, F-012-207-200

Bitte prüfen Sie die Typennummer auf Ihrem Gerät um die Kompatibilität des BOSCH Ersatzteils zu gewährleisten.

Die passenden Ersatzteile des BOSCH 2072 TYPE 1 (Akku-Bohrmaschine) mit der Typennummer F012207200 finden Sie in der nachfolgenden Darstellung geordnet nach der Positionsnummern aus der Explosionszeichnung:

Pos.
1
BOSCH Schraube | Ersatzteile für 2072 TYPE 1 | 2610068005
Hersteller: BOSCH
Artikelnummer: EB-F012207200-2610068005
nur Informationsartikel
Nie mehr lieferbar
keine Alternativen
Pos.
2
BOSCH Getriebe | Ersatzteile für 2072 TYPE 1 | 2610901990
Hersteller: BOSCH
Artikelnummer: EB-F012207200-2610901990
nur Informationsartikel
Nie mehr lieferbar
keine Alternativen
Pos.
3
BOSCH Lager | Ersatzteile für 2072 TYPE 1 | 2610352629
Hersteller: BOSCH
Artikelnummer: EB-F012207200-2610352629
Netto: 1,61 € zzgl. MwSt.
zzgl. 6,90 € Versand (brutto)
einmalig pro Bestellung

Lieferzeit: 5 Werktage

Stück
Pos.
4
BOSCH Zahnrad | Ersatzteile für 2072 TYPE 1 | 2610353295
Hersteller: BOSCH
Artikelnummer: EB-F012207200-2610353295
Netto: 4,36 € zzgl. MwSt.
zzgl. 6,90 € Versand (brutto)
einmalig pro Bestellung

Lieferzeit: 5 Werktage

Stück
Pos.
5
BOSCH Elektromotor 7,2V | Ersatzteile für 2072 TYPE 1 | 2610991891
Hersteller: BOSCH
Artikelnummer: EB-F012207200-2610991891
nur Informationsartikel
Nie mehr lieferbar
keine Alternativen
Pos.
6
BOSCH Hebel | Ersatzteile für 2072 TYPE 1 | 2610352624
Hersteller: BOSCH
Artikelnummer: EB-F012207200-2610352624
Netto: 3,93 € zzgl. MwSt.
zzgl. 6,90 € Versand (brutto)
einmalig pro Bestellung

Lieferzeit: 5 Werktage

Stück
Pos.
7
BOSCH Gehaeuse | Ersatzteile für 2072 TYPE 1 | 2610904629
Hersteller: BOSCH
Artikelnummer: EB-F012207200-2610904629
nur Informationsartikel
Nie mehr lieferbar
keine Alternativen
Pos.
8
BOSCH Schraube ST3,9x19 | Ersatzteile für 2072 TYPE 1 | 2610315386
Hersteller: BOSCH
Artikelnummer: EB-F012207200-2610315386
Netto: 3,93 € zzgl. MwSt.
zzgl. 6,90 € Versand (brutto)
einmalig pro Bestellung

Lieferzeit: 5 Werktage

Stück
Pos.
9
BOSCH Schalter | Ersatzteile für 2072 TYPE 1 | 2610968740
Hersteller: BOSCH
Artikelnummer: EB-F012207200-2610968740
nur Informationsartikel
Nie mehr lieferbar
keine Alternativen
Pos.
10
BOSCH Batterie 3,6V | Ersatzteile für 2072 TYPE 1 | 2610092940
Hersteller: BOSCH
Artikelnummer: EB-F012207200-2610092940
nur Informationsartikel
Nie mehr lieferbar
keine Alternativen
Pos.
11
BOSCH Schnell-Lader USA 120/7,2V | Ersatzteile für 2072 TYPE 1 | 2610092942
Hersteller: BOSCH
Artikelnummer: EB-F012207200-2610092942
nur Informationsartikel
Nie mehr lieferbar
keine Alternativen
Pos.
12
BOSCH Schlüssel | Ersatzteile für 2072 TYPE 1 | 2610315835
Hersteller: BOSCH
Artikelnummer: EB-F012207200-2610315835
nur Informationsartikel
Nie mehr lieferbar
keine Alternativen
Pos.
13
BOSCH Halter | Ersatzteile für 2072 TYPE 1 | 2610351023
Hersteller: BOSCH
Artikelnummer: EB-F012207200-2610351023
nur Informationsartikel
Nie mehr lieferbar
keine Alternativen
Pos.
14
BOSCH Halter | Ersatzteile für 2072 TYPE 1 | 2610351046
Hersteller: BOSCH
Artikelnummer: EB-F012207200-2610351046
Netto: 1,61 € zzgl. MwSt.
zzgl. 6,90 € Versand (brutto)
einmalig pro Bestellung

Lieferzeit: 5 Werktage

Stück
Pos.
15
BOSCH Ritzel | Ersatzteile für 2072 TYPE 1 | 2610353272
Hersteller: BOSCH
Artikelnummer: EB-F012207200-2610353272
Netto: 3,95 € zzgl. MwSt.
zzgl. 6,90 € Versand (brutto)
einmalig pro Bestellung

Lieferzeit: 5 Werktage

Stück
Pos.
16
BOSCH Lager | Ersatzteile für 2072 TYPE 1 | 2610351034
Hersteller: BOSCH
Artikelnummer: EB-F012207200-2610351034
Netto: 1,61 € zzgl. MwSt.
zzgl. 6,90 € Versand (brutto)
einmalig pro Bestellung

Lieferzeit: 5 Werktage

Stück
Pos.
17
BOSCH Bohrfutter 3/8" | Ersatzteile für 2072 TYPE 1 | 2610067974
Hersteller: BOSCH
Artikelnummer: EB-F012207200-2610067974
nur Informationsartikel
Nie mehr lieferbar
keine Alternativen

Angaben zur Produktsicherheit

Hersteller:
Robert Bosch Power Tools GmbH
Postfach 30 02 20
70442 Stuttgart

E-Mail:
kontakt@bosch.de