BOSCH 2105 - F0152105R2

Artikelnummer: EB-F0152105R2

Position:

Marke: BOSCH


Bitte Kompatibilität prüfen!

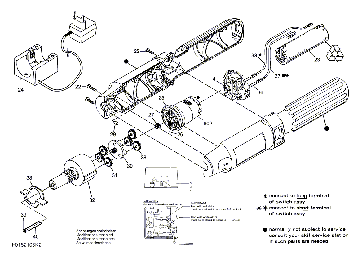
Bitte prüfen Sie unbedingt die 10-stellige Typennummer Ihrer Maschine / Ihres Gerätes. Das Ersatzteil ist nur kompatibel, wenn Sie die Typennummer Ihrer Maschine in der unten stehenden Produktbeschreibung finden.

Bitte prüfen Sie ebenfalls detailliert die Explosionszeichnung mit Ihrem Artikelwunsch und der jeweiligen Pos-Nummer.

Alle Elemente, welche vom schwarzen Strich der Pos-Nummer ausgehend berührt / erfasst werden, gehören zu dieser Pos-Nummer und somit zu diesem Artikel. Jede Pos-Nummer ist ein eigenständiger Artikel, welchen Sie in der Auflistung finden.

Sie erhalten stets die aktuellste, neueste Produktversion zu der gewählten Pos-Nummer seitens des Herstellers. Es kann daher je nach Gerätealter vorkommen, dass Sie ggf. weitere, zugehörige Elemente, welche an diese Pos-Nummer grenzen, ebenfalls mittauschen müssen.

Nähere Informationen finden Sie unter dem Link
Hinweise zu Ihrer BOSCH Ersatzteilsuche

Beschreibung

Die aufgelisteten BOSCH Ersatzteile sind mit folgendem Gerät und Modell kompatibel:

BOSCH Gerätename:2105
BOSCH Typennummer:F0152105R2
alternative Schreibweisen:F 015 210 5R2, F015 210 5R2, F.015.210.5R2, F-015-210-5R2

Bitte prüfen Sie die Typennummer auf Ihrem Gerät um die Kompatibilität des BOSCH Ersatzteils zu gewährleisten.

Die passenden Ersatzteile des BOSCH 2105 (Akku-Schrauber) mit der Typennummer F0152105R2 finden Sie in der nachfolgenden Darstellung geordnet nach der Positionsnummern aus der Explosionszeichnung:

Pos.
4
BOSCH Schalter | Ersatzteile für 2105 | 2610352858
Hersteller: BOSCH
Artikelnummer: EB-F0152105R2-2610352858
nur Informationsartikel
Nie mehr lieferbar
keine Alternativen
Pos.
22
BOSCH Schraube | Ersatzteile für 2105 | 2610347948
Hersteller: BOSCH
Artikelnummer: EB-F0152105R2-2610347948
Netto: 3,93 € zzgl. MwSt.
zzgl. 6,90 € Versand (brutto)
einmalig pro Bestellung

Lieferzeit: 5 Werktage

Stück
Pos.
23
BOSCH Batterie-Set | Ersatzteile für 2105 | 2610347929
Hersteller: BOSCH
Artikelnummer: EB-F0152105R2-2610347929
nur Informationsartikel
Nie mehr lieferbar
keine Alternativen
Pos.
24
BOSCH Batterie-Ladegerät 240V | Ersatzteile für 2105 | 2610374310
Hersteller: BOSCH
Artikelnummer: EB-F0152105R2-2610374310
nur Informationsartikel
Nie mehr lieferbar
keine Alternativen
Pos.
25
BOSCH Platte | Ersatzteile für 2105 | 2610347911
Hersteller: BOSCH
Artikelnummer: EB-F0152105R2-2610347911
nur Informationsartikel
Nie mehr lieferbar
keine Alternativen
Pos.
26
BOSCH Schraube | Ersatzteile für 2105 | 2610350012
Hersteller: BOSCH
Artikelnummer: EB-F0152105R2-2610350012
Netto: 3,95 € zzgl. MwSt.
zzgl. 6,90 € Versand (brutto)
einmalig pro Bestellung

Lieferzeit: 5 Werktage

Stück
Pos.
27
BOSCH Zahnrad | Ersatzteile für 2105 | 2610352042
Hersteller: BOSCH
Artikelnummer: EB-F0152105R2-2610352042
nur Informationsartikel
Nie mehr lieferbar
keine Alternativen
Pos.
28
BOSCH Zahnrad | Ersatzteile für 2105 | 2610350359
Hersteller: BOSCH
Artikelnummer: EB-F0152105R2-2610350359
Netto: 3,93 € zzgl. MwSt.
zzgl. 6,90 € Versand (brutto)
einmalig pro Bestellung

Lieferzeit: 5 Werktage

Stück
Pos.
29
BOSCH Stopfen | Ersatzteile für 2105 | 2610354679
Hersteller: BOSCH
Artikelnummer: EB-F0152105R2-2610354679
Netto: 3,95 € zzgl. MwSt.
zzgl. 6,90 € Versand (brutto)
einmalig pro Bestellung

Lieferzeit: 5 Werktage

Stück
Pos.
30
BOSCH Halter | Ersatzteile für 2105 | 2610353495
Hersteller: BOSCH
Artikelnummer: EB-F0152105R2-2610353495
Netto: 4,54 € zzgl. MwSt.
zzgl. 6,90 € Versand (brutto)
einmalig pro Bestellung

Lieferzeit: 5 Werktage

Stück
Pos.
31
BOSCH Zahnrad | Ersatzteile für 2105 | 2610347918
Hersteller: BOSCH
Artikelnummer: EB-F0152105R2-2610347918
nur Informationsartikel
Nie mehr lieferbar
keine Alternativen
Pos.
32
BOSCH Zahnradkörper | Ersatzteile für 2105 | 2610350009
Hersteller: BOSCH
Artikelnummer: EB-F0152105R2-2610350009
Netto: 10,47 € zzgl. MwSt.
zzgl. 6,90 € Versand (brutto)
einmalig pro Bestellung

Lieferzeit: 5 Werktage

Stück
Pos.
33
BOSCH Reparatursatz | Ersatzteile für 2105 | 2610354697
Hersteller: BOSCH
Artikelnummer: EB-F0152105R2-2610354697
Netto: 4,61 € zzgl. MwSt.
zzgl. 6,90 € Versand (brutto)
einmalig pro Bestellung

Lieferzeit: 5 Werktage

Stück
Pos.
36
BOSCH Isolierhülse | Ersatzteile für 2105 | 2610332300
Hersteller: BOSCH
Artikelnummer: EB-F0152105R2-2610332300
nur Informationsartikel
Nie mehr lieferbar
keine Alternativen
Pos.
37
BOSCH Verbindungsleitung | Ersatzteile für 2105 | 2610352730
Hersteller: BOSCH
Artikelnummer: EB-F0152105R2-2610352730
Netto: 10,79 € zzgl. MwSt.
zzgl. 6,90 € Versand (brutto)
einmalig pro Bestellung

Lieferzeit: 5 Werktage

Stück
Pos.
38
BOSCH Verbindungsleitung | Ersatzteile für 2105 | 2610347439
Hersteller: BOSCH
Artikelnummer: EB-F0152105R2-2610347439
Netto: 4,39 € zzgl. MwSt.
zzgl. 6,90 € Versand (brutto)
einmalig pro Bestellung

Lieferzeit: 5 Werktage

Stück
Pos.
40
BOSCH Haltefeder | Ersatzteile für 2105 | 2610354744
Hersteller: BOSCH
Artikelnummer: EB-F0152105R2-2610354744
nur Informationsartikel
Nie mehr lieferbar
keine Alternativen
Pos.
802
BOSCH Elektromotor 2,4-3,6V | Ersatzteile für 2105 | 2610352716
Hersteller: BOSCH
Artikelnummer: EB-F0152105R2-2610352716
nur Informationsartikel
Nie mehr lieferbar
keine Alternativen

Angaben zur Produktsicherheit

Hersteller:
Robert Bosch Power Tools GmbH
Postfach 30 02 20
70442 Stuttgart

E-Mail:
kontakt@bosch.de