BOSCH 2120 - F012212001

Artikelnummer: EB-F012212001

Position:

Marke: BOSCH


Bitte Kompatibilität prüfen!

Bitte prüfen Sie unbedingt die 10-stellige Typennummer Ihrer Maschine / Ihres Gerätes. Das Ersatzteil ist nur kompatibel, wenn Sie die Typennummer Ihrer Maschine in der unten stehenden Produktbeschreibung finden.

Bitte prüfen Sie ebenfalls detailliert die Explosionszeichnung mit Ihrem Artikelwunsch und der jeweiligen Pos-Nummer.

Alle Elemente, welche vom schwarzen Strich der Pos-Nummer ausgehend berührt / erfasst werden, gehören zu dieser Pos-Nummer und somit zu diesem Artikel. Jede Pos-Nummer ist ein eigenständiger Artikel, welchen Sie in der Auflistung finden.

Sie erhalten stets die aktuellste, neueste Produktversion zu der gewählten Pos-Nummer seitens des Herstellers. Es kann daher je nach Gerätealter vorkommen, dass Sie ggf. weitere, zugehörige Elemente, welche an diese Pos-Nummer grenzen, ebenfalls mittauschen müssen.

Nähere Informationen finden Sie unter dem Link
Hinweise zu Ihrer BOSCH Ersatzteilsuche

Beschreibung

Die aufgelisteten BOSCH Ersatzteile sind mit folgendem Gerät und Modell kompatibel:

BOSCH Gerätename:2120
BOSCH Typennummer:F012212001
alternative Schreibweisen:F 012 212 001, F012 212 001, F.012.212.001, F-012-212-001

Bitte prüfen Sie die Typennummer auf Ihrem Gerät um die Kompatibilität des BOSCH Ersatzteils zu gewährleisten.

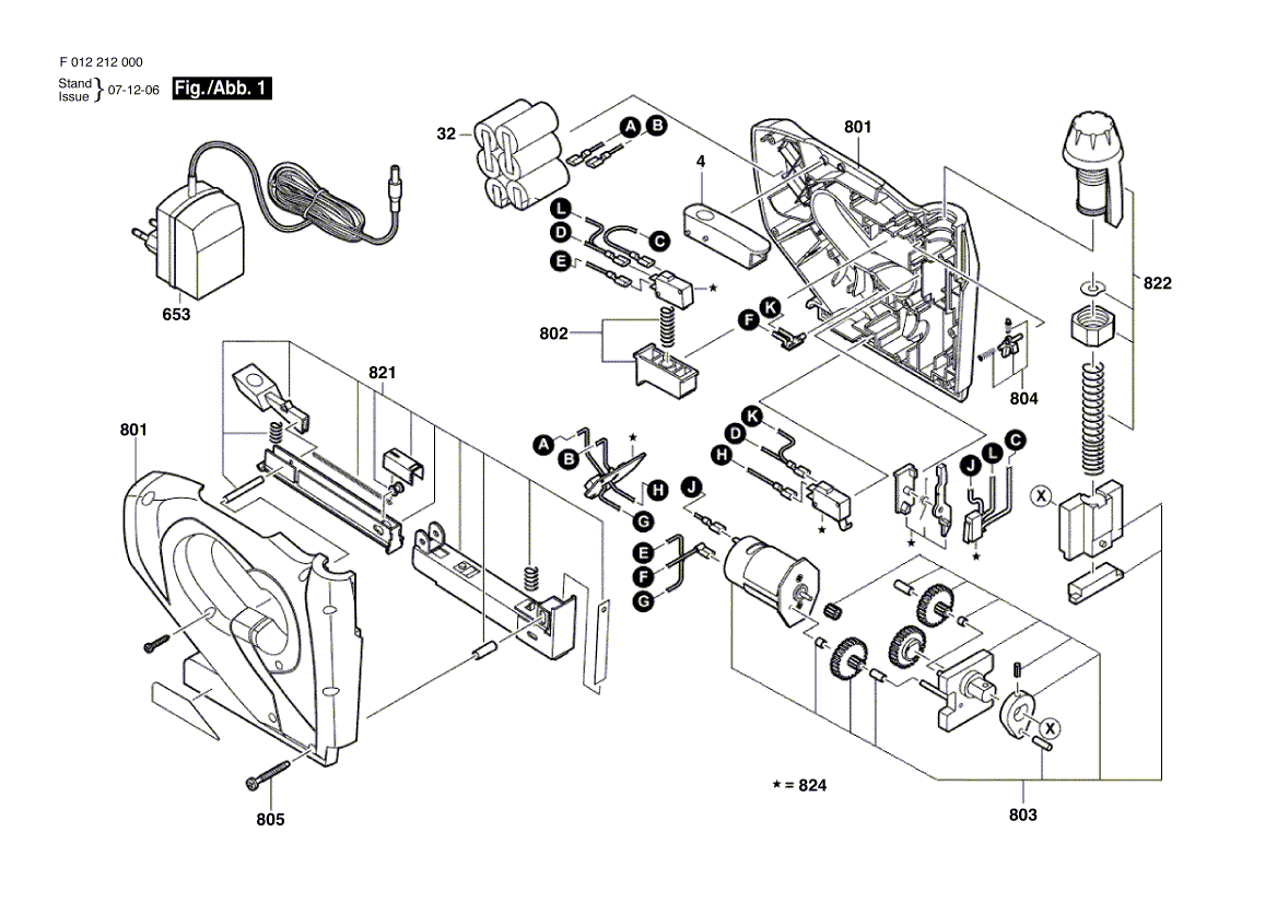
Die passenden Ersatzteile des BOSCH 2120 (Tacker) mit der Typennummer F012212001 finden Sie in der nachfolgenden Darstellung geordnet nach der Positionsnummern aus der Explosionszeichnung:

Pos.
4
BOSCH Kfz-Halterung | Ersatzteile für 2120 | F000623028
Hersteller: BOSCH
Artikelnummer: EB-F012212001-F000623028
nur Informationsartikel
Nie mehr lieferbar
keine Alternativen
Pos.
32
BOSCH Batteriesatz 7,2V NiCd | Ersatzteile für 2120 | 2610396352
Hersteller: BOSCH
Artikelnummer: EB-F012212001-2610396352
nur Informationsartikel
Nie mehr lieferbar
keine Alternativen
Pos.
653
BOSCH Batterie-Ladegerät MEX 115/3,6V | Ersatzteile für 2120 | F000608073
Hersteller: BOSCH
Artikelnummer: EB-F012212001-F000608073
nur Informationsartikel
Nie mehr lieferbar
keine Alternativen
Pos.
801
BOSCH Gehäuse | Ersatzteile für 2120 | F000601248
Hersteller: BOSCH
Artikelnummer: EB-F012212001-F000601248
nur Informationsartikel
Nie mehr lieferbar
keine Alternativen
Pos.
802
BOSCH Auslöser | Ersatzteile für 2120 | F000601250
Hersteller: BOSCH
Artikelnummer: EB-F012212001-F000601250
nur Informationsartikel
Nie mehr lieferbar
keine Alternativen
Pos.
803
BOSCH Motor | Ersatzteile für 2120 | F000601249
Hersteller: BOSCH
Artikelnummer: EB-F012212001-F000601249
nur Informationsartikel
Nie mehr lieferbar
keine Alternativen
Pos.
804
BOSCH Verbindungsstück | Ersatzteile für 2120 | F000601251
Hersteller: BOSCH
Artikelnummer: EB-F012212001-F000601251
nur Informationsartikel
Nie mehr lieferbar
keine Alternativen
Pos.
805
BOSCH Zylinderschraube | Ersatzteile für 2120 | F000616076
Hersteller: BOSCH
Artikelnummer: EB-F012212001-F000616076
nur Informationsartikel
Nie mehr lieferbar
keine Alternativen
Pos.
821
BOSCH Teilesatz | Ersatzteile für 2120 | 2610396358
Hersteller: BOSCH
Artikelnummer: EB-F012212001-2610396358
nur Informationsartikel
Nie mehr lieferbar
keine Alternativen
Pos.
822
BOSCH Knopf | Ersatzteile für 2120 | 2610396347
Hersteller: BOSCH
Artikelnummer: EB-F012212001-2610396347
nur Informationsartikel
Nie mehr lieferbar
keine Alternativen
Pos.
824
BOSCH Schalter-Set | Ersatzteile für 2120 | 2610396350
Hersteller: BOSCH
Artikelnummer: EB-F012212001-2610396350
nur Informationsartikel
Nie mehr lieferbar
keine Alternativen

Angaben zur Produktsicherheit

Hersteller:
Robert Bosch Power Tools GmbH
Postfach 30 02 20
70442 Stuttgart

E-Mail:
kontakt@bosch.de