BOSCH 2425U1 - F0152425J1

Artikelnummer: EB-F0152425J1

Position:

Marke: BOSCH


Bitte Kompatibilität prüfen!

Bitte prüfen Sie unbedingt die 10-stellige Typennummer Ihrer Maschine / Ihres Gerätes. Das Ersatzteil ist nur kompatibel, wenn Sie die Typennummer Ihrer Maschine in der unten stehenden Produktbeschreibung finden.

Bitte prüfen Sie ebenfalls detailliert die Explosionszeichnung mit Ihrem Artikelwunsch und der jeweiligen Pos-Nummer.

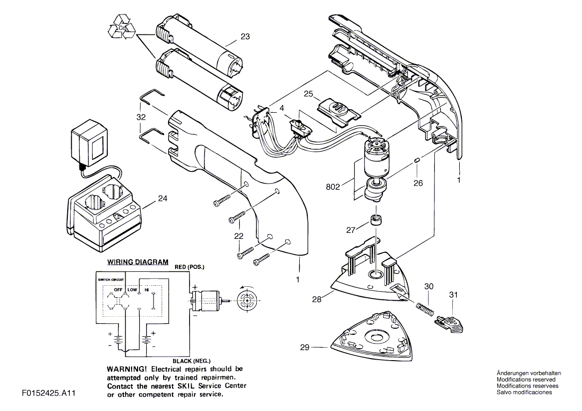
Alle Elemente, welche vom schwarzen Strich der Pos-Nummer ausgehend berührt / erfasst werden, gehören zu dieser Pos-Nummer und somit zu diesem Artikel. Jede Pos-Nummer ist ein eigenständiger Artikel, welchen Sie in der Auflistung finden.

Sie erhalten stets die aktuellste, neueste Produktversion zu der gewählten Pos-Nummer seitens des Herstellers. Es kann daher je nach Gerätealter vorkommen, dass Sie ggf. weitere, zugehörige Elemente, welche an diese Pos-Nummer grenzen, ebenfalls mittauschen müssen.

Nähere Informationen finden Sie unter dem Link
Hinweise zu Ihrer BOSCH Ersatzteilsuche

Beschreibung

Die aufgelisteten BOSCH Ersatzteile sind mit folgendem Gerät und Modell kompatibel:

BOSCH Gerätename:2425U1
BOSCH Typennummer:F0152425J1
alternative Schreibweisen:F 015 242 5J1, F015 242 5J1, F.015.242.5J1, F-015-242-5J1

Bitte prüfen Sie die Typennummer auf Ihrem Gerät um die Kompatibilität des BOSCH Ersatzteils zu gewährleisten.

Die passenden Ersatzteile des BOSCH 2425U1 (Hw-Deltaschleifer) mit der Typennummer F0152425J1 finden Sie in der nachfolgenden Darstellung geordnet nach der Positionsnummern aus der Explosionszeichnung:

Pos.
1
BOSCH Gehaeuse | Ersatzteile für 2425U1 | 2610967650
Hersteller: BOSCH
Artikelnummer: EB-F0152425J1-2610967650
nur Informationsartikel
Nie mehr lieferbar
keine Alternativen
Pos.
4
BOSCH Schalter | Ersatzteile für 2425U1 | 2610967658
Hersteller: BOSCH
Artikelnummer: EB-F0152425J1-2610967658
nur Informationsartikel
Nie mehr lieferbar
keine Alternativen
Pos.
22
BOSCH Schraube ST3,9x19 | Ersatzteile für 2425U1 | 2610315386
Hersteller: BOSCH
Artikelnummer: EB-F0152425J1-2610315386
Netto: 3,93 € zzgl. MwSt.
zzgl. 6,90 € Versand (brutto)
einmalig pro Bestellung

Lieferzeit: 5 Werktage

Stück
Pos.
23
BOSCH Akku-Paket 3,6V | Ersatzteile für 2425U1 | 2610903996
Hersteller: BOSCH
Artikelnummer: EB-F0152425J1-2610903996
nur Informationsartikel
Nie mehr lieferbar
keine Alternativen
Pos.
24
BOSCH Batterie-Ladegerät 240V | Ersatzteile für 2425U1 | 2610903992
Hersteller: BOSCH
Artikelnummer: EB-F0152425J1-2610903992
nur Informationsartikel
Nie mehr lieferbar
keine Alternativen
Pos.
25
BOSCH Schalthebel | Ersatzteile für 2425U1 | 2610967667
Hersteller: BOSCH
Artikelnummer: EB-F0152425J1-2610967667
nur Informationsartikel
Nie mehr lieferbar
keine Alternativen
Pos.
26
BOSCH Stift | Ersatzteile für 2425U1 | 2610350103
Hersteller: BOSCH
Artikelnummer: EB-F0152425J1-2610350103
Netto: 3,93 € zzgl. MwSt.
zzgl. 6,90 € Versand (brutto)
einmalig pro Bestellung

Lieferzeit: 5 Werktage

Stück
Pos.
27
BOSCH Nadellager | Ersatzteile für 2425U1 | 2600917007
Hersteller: BOSCH
Artikelnummer: EB-F0152425J1-2600917007
nur Informationsartikel
Nie mehr lieferbar
keine Alternativen
Pos.
28
BOSCH Grundplatte SCHWARZ | Ersatzteile für 2425U1 | 2601098024
Hersteller: BOSCH
Artikelnummer: EB-F0152425J1-2601098024
nur Informationsartikel
Nie mehr lieferbar
keine Alternativen
Pos.
29
BOSCH Schleifplatte SCHWARZ | Ersatzteile für 2425U1 | 2608000143
Hersteller: BOSCH
Artikelnummer: EB-F0152425J1-2608000143
nur Informationsartikel
Nie mehr lieferbar
keine Alternativen
Pos.
30
BOSCH Druckfeder | Ersatzteile für 2425U1 | 2604610034
Hersteller: BOSCH
Artikelnummer: EB-F0152425J1-2604610034
nur Informationsartikel
Nie mehr lieferbar
keine Alternativen
Pos.
31
BOSCH Rastenscheibe | Ersatzteile für 2425U1 | 2608000144
Hersteller: BOSCH
Artikelnummer: EB-F0152425J1-2608000144
nur Informationsartikel
Nie mehr lieferbar
keine Alternativen
Pos.
32
BOSCH Halter | Ersatzteile für 2425U1 | 2610351046
Hersteller: BOSCH
Artikelnummer: EB-F0152425J1-2610351046
Netto: 4,61 € zzgl. MwSt.
zzgl. 6,90 € Versand (brutto)
einmalig pro Bestellung

Lieferzeit: 5 Werktage

Stück
Pos.
802
BOSCH Motor | Ersatzteile für 2425U1 | 2610967670
Hersteller: BOSCH
Artikelnummer: EB-F0152425J1-2610967670
nur Informationsartikel
Nie mehr lieferbar
keine Alternativen

Angaben zur Produktsicherheit

Hersteller:
Robert Bosch Power Tools GmbH
Postfach 30 02 20
70442 Stuttgart

E-Mail:
kontakt@bosch.de