BOSCH 2537U1 - F0152537J1

Artikelnummer: EB-F0152537J1

Position:

Marke: BOSCH


Bitte Kompatibilität prüfen!

Bitte prüfen Sie unbedingt die 10-stellige Typennummer Ihrer Maschine / Ihres Gerätes. Das Ersatzteil ist nur kompatibel, wenn Sie die Typennummer Ihrer Maschine in der unten stehenden Produktbeschreibung finden.

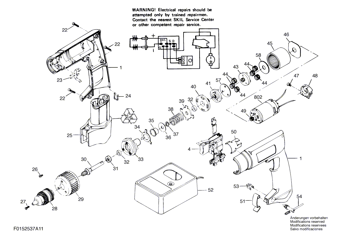
Bitte prüfen Sie ebenfalls detailliert die Explosionszeichnung mit Ihrem Artikelwunsch und der jeweiligen Pos-Nummer.

Alle Elemente, welche vom schwarzen Strich der Pos-Nummer ausgehend berührt / erfasst werden, gehören zu dieser Pos-Nummer und somit zu diesem Artikel. Jede Pos-Nummer ist ein eigenständiger Artikel, welchen Sie in der Auflistung finden.

Sie erhalten stets die aktuellste, neueste Produktversion zu der gewählten Pos-Nummer seitens des Herstellers. Es kann daher je nach Gerätealter vorkommen, dass Sie ggf. weitere, zugehörige Elemente, welche an diese Pos-Nummer grenzen, ebenfalls mittauschen müssen.

Nähere Informationen finden Sie unter dem Link
Hinweise zu Ihrer BOSCH Ersatzteilsuche

Beschreibung

Die aufgelisteten BOSCH Ersatzteile sind mit folgendem Gerät und Modell kompatibel:

BOSCH Gerätename:2537U1
BOSCH Typennummer:F0152537J1
alternative Schreibweisen:F 015 253 7J1, F015 253 7J1, F.015.253.7J1, F-015-253-7J1

Bitte prüfen Sie die Typennummer auf Ihrem Gerät um die Kompatibilität des BOSCH Ersatzteils zu gewährleisten.

Die passenden Ersatzteile des BOSCH 2537U1 (Gw-Akku-Bohrmaschine) mit der Typennummer F0152537J1 finden Sie in der nachfolgenden Darstellung geordnet nach der Positionsnummern aus der Explosionszeichnung:

Pos.
1
BOSCH Gehäuse | Ersatzteile für 2537U1 | 2610906734
Hersteller: BOSCH
Artikelnummer: EB-F0152537J1-2610906734
nur Informationsartikel
Nie mehr lieferbar
keine Alternativen
Pos.
4
BOSCH Schalter | Ersatzteile für 2537U1 | 2610906480
Hersteller: BOSCH
Artikelnummer: EB-F0152537J1-2610906480
nur Informationsartikel
Nie mehr lieferbar
keine Alternativen
Pos.
22
BOSCH Schraube ST3,9x19 | Ersatzteile für 2537U1 | 2610315386
Hersteller: BOSCH
Artikelnummer: EB-F0152537J1-2610315386
Netto: 3,94 € zzgl. MwSt.
zzgl. 6,90 € Versand (brutto)
einmalig pro Bestellung

Lieferzeit: 5 Werktage

Stück
Pos.
23
BOSCH Deckel | Ersatzteile für 2537U1 | 2610351041
Hersteller: BOSCH
Artikelnummer: EB-F0152537J1-2610351041
Netto: 4,61 € zzgl. MwSt.
zzgl. 6,90 € Versand (brutto)
einmalig pro Bestellung

Lieferzeit: 5 Werktage

Stück
Pos.
24
BOSCH Halter | Ersatzteile für 2537U1 | 2610351046
Hersteller: BOSCH
Artikelnummer: EB-F0152537J1-2610351046
Netto: 4,61 € zzgl. MwSt.
zzgl. 6,90 € Versand (brutto)
einmalig pro Bestellung

Lieferzeit: 5 Werktage

Stück
Pos.
25
BOSCH Akku-Paket | Ersatzteile für 2537U1 | 2610357139
Hersteller: BOSCH
Artikelnummer: EB-F0152537J1-2610357139
nur Informationsartikel
Nie mehr lieferbar
keine Alternativen
Pos.
26
BOSCH Schraube | Ersatzteile für 2537U1 | 2610351043
Hersteller: BOSCH
Artikelnummer: EB-F0152537J1-2610351043
nur Informationsartikel
Nie mehr lieferbar
keine Alternativen
Pos.
27
BOSCH Schraube | Ersatzteile für 2537U1 | 2610068005
Hersteller: BOSCH
Artikelnummer: EB-F0152537J1-2610068005
nur Informationsartikel
Nie mehr lieferbar
keine Alternativen
Pos.
28
BOSCH Bohrfutter | Ersatzteile für 2537U1 | 2610387213
Hersteller: BOSCH
Artikelnummer: EB-F0152537J1-2610387213
nur Informationsartikel
Nie mehr lieferbar
keine Alternativen
Pos.
29
BOSCH Hülse | Ersatzteile für 2537U1 | 2610352856
Hersteller: BOSCH
Artikelnummer: EB-F0152537J1-2610352856
Netto: 5,19 € zzgl. MwSt.
zzgl. 6,90 € Versand (brutto)
einmalig pro Bestellung

Lieferzeit: 5 Werktage

Stück
Pos.
30
BOSCH Achse | Ersatzteile für 2537U1 | 2610904752
Hersteller: BOSCH
Artikelnummer: EB-F0152537J1-2610904752
nur Informationsartikel
Nie mehr lieferbar
keine Alternativen
Pos.
31
BOSCH Scheibe | Ersatzteile für 2537U1 | 2610354729
Hersteller: BOSCH
Artikelnummer: EB-F0152537J1-2610354729
nur Informationsartikel
Nie mehr lieferbar
keine Alternativen
Pos.
32
BOSCH Lager | Ersatzteile für 2537U1 | 2610351034
Hersteller: BOSCH
Artikelnummer: EB-F0152537J1-2610351034
Netto: 4,61 € zzgl. MwSt.
zzgl. 6,90 € Versand (brutto)
einmalig pro Bestellung

Lieferzeit: 5 Werktage

Stück
Pos.
33
BOSCH Nocken | Ersatzteile für 2537U1 | 2610351037
Hersteller: BOSCH
Artikelnummer: EB-F0152537J1-2610351037
nur Informationsartikel
Nie mehr lieferbar
keine Alternativen
Pos.
34
BOSCH Scheibe | Ersatzteile für 2537U1 | 2610351012
Hersteller: BOSCH
Artikelnummer: EB-F0152537J1-2610351012
Netto: 3,95 € zzgl. MwSt.
zzgl. 6,90 € Versand (brutto)
einmalig pro Bestellung

Lieferzeit: 5 Werktage

Stück
Pos.
35
BOSCH Distanzscheibe | Ersatzteile für 2537U1 | 2610909730
Hersteller: BOSCH
Artikelnummer: EB-F0152537J1-2610909730
Netto: 4,39 € zzgl. MwSt.
zzgl. 6,90 € Versand (brutto)
einmalig pro Bestellung

Lieferzeit: 5 Werktage

Stück
Pos.
36
BOSCH Scheibe | Ersatzteile für 2537U1 | 2610026126
Hersteller: BOSCH
Artikelnummer: EB-F0152537J1-2610026126
Netto: 3,95 € zzgl. MwSt.
zzgl. 6,90 € Versand (brutto)
einmalig pro Bestellung

Lieferzeit: 5 Werktage

Stück
Pos.
37
BOSCH Halter | Ersatzteile für 2537U1 | 2610904751
Hersteller: BOSCH
Artikelnummer: EB-F0152537J1-2610904751
Netto: 3,95 € zzgl. MwSt.
zzgl. 6,90 € Versand (brutto)
einmalig pro Bestellung

Lieferzeit: 5 Werktage

Stück
Pos.
38
BOSCH Feder | Ersatzteile für 2537U1 | 2610351014
Hersteller: BOSCH
Artikelnummer: EB-F0152537J1-2610351014
Netto: 3,95 € zzgl. MwSt.
zzgl. 6,90 € Versand (brutto)
einmalig pro Bestellung

Lieferzeit: 5 Werktage

Stück
Pos.
39
BOSCH Platte | Ersatzteile für 2537U1 | 2610904632
Hersteller: BOSCH
Artikelnummer: EB-F0152537J1-2610904632
nur Informationsartikel
Nie mehr lieferbar
keine Alternativen
Pos.
40
BOSCH Antriebs-Kupplung | Ersatzteile für 2537U1 | 2610908318
Hersteller: BOSCH
Artikelnummer: EB-F0152537J1-2610908318
nur Informationsartikel
Nie mehr lieferbar
keine Alternativen
Pos.
41
BOSCH Platte | Ersatzteile für 2537U1 | 2610351049
Hersteller: BOSCH
Artikelnummer: EB-F0152537J1-2610351049
Netto: 5,70 € zzgl. MwSt.
zzgl. 6,90 € Versand (brutto)
einmalig pro Bestellung

Lieferzeit: 5 Werktage

Stück
Pos.
43
BOSCH Platte | Ersatzteile für 2537U1 | 2610351048
Hersteller: BOSCH
Artikelnummer: EB-F0152537J1-2610351048
Netto: 5,21 € zzgl. MwSt.
zzgl. 6,90 € Versand (brutto)
einmalig pro Bestellung

Lieferzeit: 5 Werktage

Stück
Pos.
44
BOSCH Zahnrad | Ersatzteile für 2537U1 | 2610351016
Hersteller: BOSCH
Artikelnummer: EB-F0152537J1-2610351016
nur Informationsartikel
Nie mehr lieferbar
keine Alternativen
Pos.
45
BOSCH Zahnrad | Ersatzteile für 2537U1 | 2610908334
Hersteller: BOSCH
Artikelnummer: EB-F0152537J1-2610908334
nur Informationsartikel
Nie mehr lieferbar
keine Alternativen
Pos.
46
BOSCH Scheibe | Ersatzteile für 2537U1 | 2610351013
Hersteller: BOSCH
Artikelnummer: EB-F0152537J1-2610351013
Netto: 3,95 € zzgl. MwSt.
zzgl. 6,90 € Versand (brutto)
einmalig pro Bestellung

Lieferzeit: 5 Werktage

Stück
Pos.
47
BOSCH Schraube | Ersatzteile für 2537U1 | 2610315146
Hersteller: BOSCH
Artikelnummer: EB-F0152537J1-2610315146
Netto: 3,95 € zzgl. MwSt.
zzgl. 6,90 € Versand (brutto)
einmalig pro Bestellung

Lieferzeit: 5 Werktage

Stück
Pos.
48
BOSCH Verbindungsstück | Ersatzteile für 2537U1 | 2610351019
Hersteller: BOSCH
Artikelnummer: EB-F0152537J1-2610351019
nur Informationsartikel
Nie mehr lieferbar
keine Alternativen
Pos.
49
BOSCH Zahnrad | Ersatzteile für 2537U1 | 2610351015
Hersteller: BOSCH
Artikelnummer: EB-F0152537J1-2610351015
Netto: 3,95 € zzgl. MwSt.
zzgl. 6,90 € Versand (brutto)
einmalig pro Bestellung

Lieferzeit: 5 Werktage

Stück
Pos.
50
BOSCH Platte | Ersatzteile für 2537U1 | 2610351040
Hersteller: BOSCH
Artikelnummer: EB-F0152537J1-2610351040
Netto: 4,61 € zzgl. MwSt.
zzgl. 6,90 € Versand (brutto)
einmalig pro Bestellung

Lieferzeit: 5 Werktage

Stück
Pos.
51
BOSCH Klinke | Ersatzteile für 2537U1 | 2610351018
Hersteller: BOSCH
Artikelnummer: EB-F0152537J1-2610351018
Netto: 4,61 € zzgl. MwSt.
zzgl. 6,90 € Versand (brutto)
einmalig pro Bestellung

Lieferzeit: 5 Werktage

Stück
Pos.
52
BOSCH Ladegerät GB 230/12V | Ersatzteile für 2537U1 | 2610910493
Hersteller: BOSCH
Artikelnummer: EB-F0152537J1-2610910493
nur Informationsartikel
Nie mehr lieferbar
keine Alternativen
Pos.
53
BOSCH Halter | Ersatzteile für 2537U1 | 2610351023
Hersteller: BOSCH
Artikelnummer: EB-F0152537J1-2610351023
nur Informationsartikel
Nie mehr lieferbar
keine Alternativen
Pos.
54
BOSCH Schlüssel | Ersatzteile für 2537U1 | 2610351010
Hersteller: BOSCH
Artikelnummer: EB-F0152537J1-2610351010
Netto: 7,76 € zzgl. MwSt.
zzgl. 6,90 € Versand (brutto)
einmalig pro Bestellung

Lieferzeit: 5 Werktage

Stück
Pos.
57
BOSCH Distanzscheibe | Ersatzteile für 2537U1 | 2610351011
Hersteller: BOSCH
Artikelnummer: EB-F0152537J1-2610351011
Netto: 4,39 € zzgl. MwSt.
zzgl. 6,90 € Versand (brutto)
einmalig pro Bestellung

Lieferzeit: 5 Werktage

Stück
Pos.
58
BOSCH Scheibe | Ersatzteile für 2537U1 | 2610351042
Hersteller: BOSCH
Artikelnummer: EB-F0152537J1-2610351042
Netto: 3,95 € zzgl. MwSt.
zzgl. 6,90 € Versand (brutto)
einmalig pro Bestellung

Lieferzeit: 5 Werktage

Stück
Pos.
802
BOSCH Elektromotor 12V | Ersatzteile für 2537U1 | 2610353298
Hersteller: BOSCH
Artikelnummer: EB-F0152537J1-2610353298
nur Informationsartikel
Nie mehr lieferbar
keine Alternativen

Angaben zur Produktsicherheit

Hersteller:
Robert Bosch Power Tools GmbH
Postfach 30 02 20
70442 Stuttgart

E-Mail:
kontakt@bosch.de