BOSCH 3150 Green Beam - F034K6160J

Artikelnummer: EB-F034K6160J

Position:

Marke: BOSCH


Bitte Kompatibilität prüfen!

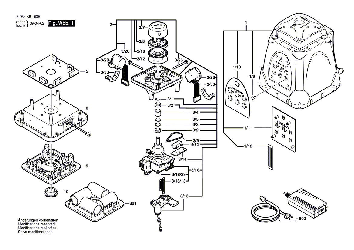
Bitte prüfen Sie unbedingt die 10-stellige Typennummer Ihrer Maschine / Ihres Gerätes. Das Ersatzteil ist nur kompatibel, wenn Sie die Typennummer Ihrer Maschine in der unten stehenden Produktbeschreibung finden.

Bitte prüfen Sie ebenfalls detailliert die Explosionszeichnung mit Ihrem Artikelwunsch und der jeweiligen Pos-Nummer.

Alle Elemente, welche vom schwarzen Strich der Pos-Nummer ausgehend berührt / erfasst werden, gehören zu dieser Pos-Nummer und somit zu diesem Artikel. Jede Pos-Nummer ist ein eigenständiger Artikel, welchen Sie in der Auflistung finden.

Sie erhalten stets die aktuellste, neueste Produktversion zu der gewählten Pos-Nummer seitens des Herstellers. Es kann daher je nach Gerätealter vorkommen, dass Sie ggf. weitere, zugehörige Elemente, welche an diese Pos-Nummer grenzen, ebenfalls mittauschen müssen.

Nähere Informationen finden Sie unter dem Link
Hinweise zu Ihrer BOSCH Ersatzteilsuche

Beschreibung

Die aufgelisteten BOSCH Ersatzteile sind mit folgendem Gerät und Modell kompatibel:

BOSCH Gerätename:3150 Green Beam
BOSCH Typennummer:F034K6160J
alternative Schreibweisen:F 034 K61 60J, F034 K61 60J, F.034.K61.60J, F-034-K61-60J

Bitte prüfen Sie die Typennummer auf Ihrem Gerät um die Kompatibilität des BOSCH Ersatzteils zu gewährleisten.

Die passenden Ersatzteile des BOSCH 3150 Green Beam mit der Typennummer F034K6160J finden Sie in der nachfolgenden Darstellung geordnet nach der Positionsnummern aus der Explosionszeichnung:

Pos.
1
BOSCH Gehäuse | Ersatzteile für 3150 Green Beam | 2610A03593
Hersteller: BOSCH
Artikelnummer: EB-F034K6160J-2610A03593
Netto: 308,26 € zzgl. MwSt.
zzgl. 6,90 € Versand (brutto)
einmalig pro Bestellung

Lieferzeit: 5 Werktage

Stück
Pos.
1/10
BOSCH Tastatur | Ersatzteile für 3150 Green Beam | 2610A03561
Hersteller: BOSCH
Artikelnummer: EB-F034K6160J-2610A03561
Netto: 8,33 € zzgl. MwSt.
zzgl. 6,90 € Versand (brutto)
einmalig pro Bestellung

Lieferzeit: 5 Werktage

Stück
Pos.
1/11
BOSCH Leiterplatte | Ersatzteile für 3150 Green Beam | 2610A07272
Hersteller: BOSCH
Artikelnummer: EB-F034K6160J-2610A07272
Netto: 42,86 € zzgl. MwSt.
zzgl. 6,90 € Versand (brutto)
einmalig pro Bestellung

Lieferzeit: 5 Werktage

Stück
Pos.
1/12
BOSCH Kabel | Ersatzteile für 3150 Green Beam | 2610A06535
Hersteller: BOSCH
Artikelnummer: EB-F034K6160J-2610A06535
Netto: 5,19 € zzgl. MwSt.
zzgl. 6,90 € Versand (brutto)
einmalig pro Bestellung

Lieferzeit: 5 Werktage

Stück
Pos.
1/9
BOSCH Tastknopf | Ersatzteile für 3150 Green Beam | 2610A07098
Hersteller: BOSCH
Artikelnummer: EB-F034K6160J-2610A07098
Netto: 3,94 € zzgl. MwSt.
zzgl. 6,90 € Versand (brutto)
einmalig pro Bestellung

Lieferzeit: 5 Werktage

Stück
Pos.
3/1
BOSCH Haltering | Ersatzteile für 3150 Green Beam | 2610A07314
Hersteller: BOSCH
Artikelnummer: EB-F034K6160J-2610A07314
Netto: 3,63 € zzgl. MwSt.
zzgl. 6,90 € Versand (brutto)
einmalig pro Bestellung

Lieferzeit: 5 Werktage

Stück
Pos.
3/10
BOSCH Riemenrad | Ersatzteile für 3150 Green Beam | 2610A07605
Hersteller: BOSCH
Artikelnummer: EB-F034K6160J-2610A07605
Netto: 17,38 € zzgl. MwSt.
zzgl. 6,90 € Versand (brutto)
einmalig pro Bestellung

Lieferzeit: 5 Werktage

Stück
Pos.
3/12
BOSCH Scheibe | Ersatzteile für 3150 Green Beam | 2610A07641
Hersteller: BOSCH
Artikelnummer: EB-F034K6160J-2610A07641
Netto: 4,32 € zzgl. MwSt.
zzgl. 6,90 € Versand (brutto)
einmalig pro Bestellung

Lieferzeit: 5 Werktage

Stück
Pos.
3/13
BOSCH Motor | Ersatzteile für 3150 Green Beam | 2610A07198
Hersteller: BOSCH
Artikelnummer: EB-F034K6160J-2610A07198
Netto: 63,99 € zzgl. MwSt.
zzgl. 6,90 € Versand (brutto)
einmalig pro Bestellung

Lieferzeit: 5 Werktage

Stück
Pos.
3/14
BOSCH Sensor | Ersatzteile für 3150 Green Beam | 2610A07596
Hersteller: BOSCH
Artikelnummer: EB-F034K6160J-2610A07596
Netto: 39,11 € zzgl. MwSt.
zzgl. 6,90 € Versand (brutto)
einmalig pro Bestellung

Lieferzeit: 5 Werktage

Stück
Pos.
3/15
BOSCH Hauptplatine | Ersatzteile für 3150 Green Beam | 2610A07597
Hersteller: BOSCH
Artikelnummer: EB-F034K6160J-2610A07597
nur Informationsartikel
Nie mehr lieferbar
keine Alternativen
Pos.
3/18
BOSCH Lasermodul | Ersatzteile für 3150 Green Beam | 2610A07351
Hersteller: BOSCH
Artikelnummer: EB-F034K6160J-2610A07351
nur Informationsartikel
Nie mehr lieferbar
keine Alternativen
Pos.
3/18/13
BOSCH Verbindungskabel | Ersatzteile für 3150 Green Beam | 2610A06534
Hersteller: BOSCH
Artikelnummer: EB-F034K6160J-2610A06534
Netto: 7,30 € zzgl. MwSt.
zzgl. 6,90 € Versand (brutto)
einmalig pro Bestellung

Lieferzeit: 5 Werktage

Stück
Pos.
3/18/29
BOSCH Verbindungskabel | Ersatzteile für 3150 Green Beam | 2610A06532
Hersteller: BOSCH
Artikelnummer: EB-F034K6160J-2610A06532
Netto: 6,70 € zzgl. MwSt.
zzgl. 6,90 € Versand (brutto)
einmalig pro Bestellung

Lieferzeit: 5 Werktage

Stück
Pos.
3/2
BOSCH Spindel | Ersatzteile für 3150 Green Beam | 2610A07305
Hersteller: BOSCH
Artikelnummer: EB-F034K6160J-2610A07305
Netto: 10,92 € zzgl. MwSt.
zzgl. 6,90 € Versand (brutto)
einmalig pro Bestellung

Lieferzeit: 5 Werktage

Stück
Pos.
3/26
BOSCH Lager | Ersatzteile für 3150 Green Beam | 2610A07490
Hersteller: BOSCH
Artikelnummer: EB-F034K6160J-2610A07490
Netto: 14,36 € zzgl. MwSt.
zzgl. 6,90 € Versand (brutto)
einmalig pro Bestellung

Lieferzeit: 5 Werktage

Stück
Pos.
3/28
BOSCH Motor | Ersatzteile für 3150 Green Beam | 2610A07457
Hersteller: BOSCH
Artikelnummer: EB-F034K6160J-2610A07457
Netto: 42,86 € zzgl. MwSt.
zzgl. 6,90 € Versand (brutto)
einmalig pro Bestellung

Lieferzeit: 5 Werktage

Stück
Pos.
3/3
BOSCH Scheibe | Ersatzteile für 3150 Green Beam | 2610A07313
Hersteller: BOSCH
Artikelnummer: EB-F034K6160J-2610A07313
Netto: 3,63 € zzgl. MwSt.
zzgl. 6,90 € Versand (brutto)
einmalig pro Bestellung

Lieferzeit: 5 Werktage

Stück
Pos.
3/30
BOSCH Klemme | Ersatzteile für 3150 Green Beam | 2610A07294
Hersteller: BOSCH
Artikelnummer: EB-F034K6160J-2610A07294
nur Informationsartikel
Nie mehr lieferbar
keine Alternativen
Pos.
3/4
BOSCH Distanzstück | Ersatzteile für 3150 Green Beam | 2610A07454
Hersteller: BOSCH
Artikelnummer: EB-F034K6160J-2610A07454
Netto: 5,19 € zzgl. MwSt.
zzgl. 6,90 € Versand (brutto)
einmalig pro Bestellung

Lieferzeit: 5 Werktage

Stück
Pos.
3/5
BOSCH Federscheibe | Ersatzteile für 3150 Green Beam | 2610A07312
Hersteller: BOSCH
Artikelnummer: EB-F034K6160J-2610A07312
Netto: 3,63 € zzgl. MwSt.
zzgl. 6,90 € Versand (brutto)
einmalig pro Bestellung

Lieferzeit: 5 Werktage

Stück
Pos.
3/7
BOSCH Kappe | Ersatzteile für 3150 Green Beam | 2610A07662
Hersteller: BOSCH
Artikelnummer: EB-F034K6160J-2610A07662
Netto: 9,95 € zzgl. MwSt.
zzgl. 6,90 € Versand (brutto)
einmalig pro Bestellung

Lieferzeit: 5 Werktage

Stück
Pos.
3/8
BOSCH Prisma | Ersatzteile für 3150 Green Beam | 2610A07338
Hersteller: BOSCH
Artikelnummer: EB-F034K6160J-2610A07338
Netto: 270,89 € zzgl. MwSt.
zzgl. 6,90 € Versand (brutto)
einmalig pro Bestellung

Lieferzeit: 5 Werktage

Stück
Pos.
3/9
BOSCH O-Ring | Ersatzteile für 3150 Green Beam | 2610A06435
Hersteller: BOSCH
Artikelnummer: EB-F034K6160J-2610A06435
Netto: 5,19 € zzgl. MwSt.
zzgl. 6,90 € Versand (brutto)
einmalig pro Bestellung

Lieferzeit: 5 Werktage

Stück
Pos.
3
BOSCH Montageplatte | Ersatzteile für 3150 Green Beam | 2610A07361
Hersteller: BOSCH
Artikelnummer: EB-F034K6160J-2610A07361
Netto: 1.008,31 € zzgl. MwSt.
zzgl. 6,90 € Versand (brutto)
einmalig pro Bestellung

Lieferzeit: 5 Werktage

Stück
Pos.
5
BOSCH Hauptplatine | Ersatzteile für 3150 Green Beam | 2610A07444
Hersteller: BOSCH
Artikelnummer: EB-F034K6160J-2610A07444
Netto: 189,11 € zzgl. MwSt.
zzgl. 6,90 € Versand (brutto)
einmalig pro Bestellung

Lieferzeit: 5 Werktage

Stück
Pos.
6
BOSCH Batteriegehäuse | Ersatzteile für 3150 Green Beam | 2610A06988
Hersteller: BOSCH
Artikelnummer: EB-F034K6160J-2610A06988
Netto: 106,72 € zzgl. MwSt.
zzgl. 6,90 € Versand (brutto)
einmalig pro Bestellung

Lieferzeit: 5 Werktage

Stück
Pos.
9
BOSCH Batteriegehäuse | Ersatzteile für 3150 Green Beam | 2610A06898
Hersteller: BOSCH
Artikelnummer: EB-F034K6160J-2610A06898
Netto: 39,11 € zzgl. MwSt.
zzgl. 6,90 € Versand (brutto)
einmalig pro Bestellung

Lieferzeit: 5 Werktage

Stück
Pos.
10
BOSCH Verschlussschraube | Ersatzteile für 3150 Green Beam | 2610A06843
Hersteller: BOSCH
Artikelnummer: EB-F034K6160J-2610A06843
Netto: 7,18 € zzgl. MwSt.
zzgl. 6,90 € Versand (brutto)
einmalig pro Bestellung

Lieferzeit: 5 Werktage

Stück
Pos.
800
BOSCH Ladegerät 110V GB | Ersatzteile für 3150 Green Beam | 2610A15132
Hersteller: BOSCH
Artikelnummer: EB-F034K6160J-2610A15132
nur Informationsartikel
Nie mehr lieferbar
keine Alternativen
Pos.
800
BOSCH Ladegerät 110V USA | Ersatzteile für 3150 Green Beam | 2610A15129
Hersteller: BOSCH
Artikelnummer: EB-F034K6160J-2610A15129
nur Informationsartikel
Nie mehr lieferbar
keine Alternativen
Pos.
800
BOSCH Ladegerät 230V AUS | Ersatzteile für 3150 Green Beam | 2610A15130
Hersteller: BOSCH
Artikelnummer: EB-F034K6160J-2610A15130
nur Informationsartikel
Nie mehr lieferbar
keine Alternativen
Pos.
800
BOSCH Ladegerät 230V EU | Ersatzteile für 3150 Green Beam | 2610A15131
Hersteller: BOSCH
Artikelnummer: EB-F034K6160J-2610A15131
nur Informationsartikel
Nie mehr lieferbar
keine Alternativen
Pos.
801
BOSCH Akku-Paket NiMH | Ersatzteile für 3150 Green Beam | 2610A01249
Hersteller: BOSCH
Artikelnummer: EB-F034K6160J-2610A01249
nur Informationsartikel
Nie mehr lieferbar
keine Alternativen

Angaben zur Produktsicherheit

Hersteller:
Robert Bosch Power Tools GmbH
Postfach 30 02 20
70442 Stuttgart

E-Mail:
kontakt@bosch.de