BOSCH 3316 - F012331600

Artikelnummer: EB-F012331600

Position:

Marke: BOSCH


Bitte Kompatibilität prüfen!

Bitte prüfen Sie unbedingt die 10-stellige Typennummer Ihrer Maschine / Ihres Gerätes. Das Ersatzteil ist nur kompatibel, wenn Sie die Typennummer Ihrer Maschine in der unten stehenden Produktbeschreibung finden.

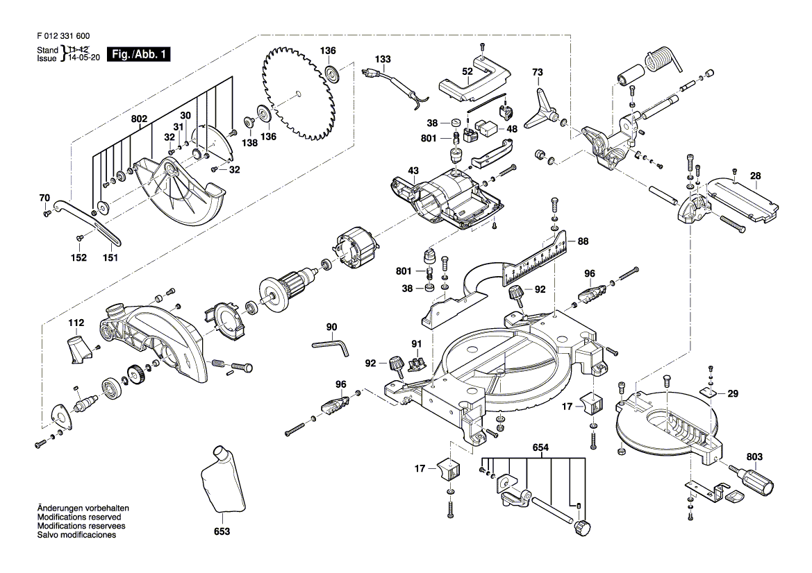
Bitte prüfen Sie ebenfalls detailliert die Explosionszeichnung mit Ihrem Artikelwunsch und der jeweiligen Pos-Nummer.

Alle Elemente, welche vom schwarzen Strich der Pos-Nummer ausgehend berührt / erfasst werden, gehören zu dieser Pos-Nummer und somit zu diesem Artikel. Jede Pos-Nummer ist ein eigenständiger Artikel, welchen Sie in der Auflistung finden.

Sie erhalten stets die aktuellste, neueste Produktversion zu der gewählten Pos-Nummer seitens des Herstellers. Es kann daher je nach Gerätealter vorkommen, dass Sie ggf. weitere, zugehörige Elemente, welche an diese Pos-Nummer grenzen, ebenfalls mittauschen müssen.

Nähere Informationen finden Sie unter dem Link
Hinweise zu Ihrer BOSCH Ersatzteilsuche

Beschreibung

Die aufgelisteten BOSCH Ersatzteile sind mit folgendem Gerät und Modell kompatibel:

BOSCH Gerätename:3316
BOSCH Typennummer:F012331600
alternative Schreibweisen:F 012 331 600, F012 331 600, F.012.331.600, F-012-331-600

Bitte prüfen Sie die Typennummer auf Ihrem Gerät um die Kompatibilität des BOSCH Ersatzteils zu gewährleisten.

Die passenden Ersatzteile des BOSCH 3316 (Tisch-/Gehrungssäge) mit der Typennummer F012331600 finden Sie in der nachfolgenden Darstellung geordnet nach der Positionsnummern aus der Explosionszeichnung:

Pos.
17
BOSCH Klemmschelle | Ersatzteile für 3316 | 2610018630
Hersteller: BOSCH
Artikelnummer: EB-F012331600-2610018630
nur Informationsartikel
Nie mehr lieferbar
keine Alternativen
Pos.
28
BOSCH Platte | Ersatzteile für 3316 | 2610018642
Hersteller: BOSCH
Artikelnummer: EB-F012331600-2610018642
nur Informationsartikel
Nie mehr lieferbar
keine Alternativen
Pos.
29
BOSCH Zeiger | Ersatzteile für 3316 | 2610018643
Hersteller: BOSCH
Artikelnummer: EB-F012331600-2610018643
nur Informationsartikel
Nie mehr lieferbar
keine Alternativen
Pos.
30
BOSCH Unterlegscheibe | Ersatzteile für 3316 | 2610018644
Hersteller: BOSCH
Artikelnummer: EB-F012331600-2610018644
nur Informationsartikel
Nie mehr lieferbar
keine Alternativen
Pos.
31
BOSCH Federscheibe | Ersatzteile für 3316 | 2610018645
Hersteller: BOSCH
Artikelnummer: EB-F012331600-2610018645
nur Informationsartikel
Nie mehr lieferbar
keine Alternativen
Pos.
32
BOSCH Schraube | Ersatzteile für 3316 | 2610018646
Hersteller: BOSCH
Artikelnummer: EB-F012331600-2610018646
nur Informationsartikel
Nie mehr lieferbar
keine Alternativen
Pos.
38
BOSCH Schutzkappe | Ersatzteile für 3316 | 2610018652
Hersteller: BOSCH
Artikelnummer: EB-F012331600-2610018652
nur Informationsartikel
Nie mehr lieferbar
keine Alternativen
Pos.
43
BOSCH Gehäuse | Ersatzteile für 3316 | 2610018657
Hersteller: BOSCH
Artikelnummer: EB-F012331600-2610018657
nur Informationsartikel
Nie mehr lieferbar
keine Alternativen
Pos.
48
BOSCH Flachschalter | Ersatzteile für 3316 | 2610018662
Hersteller: BOSCH
Artikelnummer: EB-F012331600-2610018662
nur Informationsartikel
Nie mehr lieferbar
keine Alternativen
Pos.
52
BOSCH Griffschale | Ersatzteile für 3316 | 2610018666
Hersteller: BOSCH
Artikelnummer: EB-F012331600-2610018666
nur Informationsartikel
Nie mehr lieferbar
keine Alternativen
Pos.
70
BOSCH Schraube | Ersatzteile für 3316 | 2610018683
Hersteller: BOSCH
Artikelnummer: EB-F012331600-2610018683
nur Informationsartikel
Nie mehr lieferbar
keine Alternativen
Pos.
73
BOSCH Knopf | Ersatzteile für 3316 | 2610018686
Hersteller: BOSCH
Artikelnummer: EB-F012331600-2610018686
nur Informationsartikel
Nie mehr lieferbar
keine Alternativen
Pos.
88
BOSCH Gehrungslineal | Ersatzteile für 3316 | 2610018693
Hersteller: BOSCH
Artikelnummer: EB-F012331600-2610018693
nur Informationsartikel
Nie mehr lieferbar
keine Alternativen
Pos.
90
BOSCH Demontagewerkzeug | Ersatzteile für 3316 | 2610018695
Hersteller: BOSCH
Artikelnummer: EB-F012331600-2610018695
nur Informationsartikel
Nie mehr lieferbar
keine Alternativen
Pos.
91
BOSCH Kfz-Halterung | Ersatzteile für 3316 | 2610018696
Hersteller: BOSCH
Artikelnummer: EB-F012331600-2610018696
nur Informationsartikel
Nie mehr lieferbar
keine Alternativen
Pos.
92
BOSCH Knopf | Ersatzteile für 3316 | 2610018697
Hersteller: BOSCH
Artikelnummer: EB-F012331600-2610018697
nur Informationsartikel
Nie mehr lieferbar
keine Alternativen
Pos.
96
BOSCH Klemmschelle | Ersatzteile für 3316 | 2610018699
Hersteller: BOSCH
Artikelnummer: EB-F012331600-2610018699
nur Informationsartikel
Nie mehr lieferbar
keine Alternativen
Pos.
112
BOSCH Staubabscheider | Ersatzteile für 3316 | 2610018714
Hersteller: BOSCH
Artikelnummer: EB-F012331600-2610018714
nur Informationsartikel
Nie mehr lieferbar
keine Alternativen
Pos.
133
BOSCH Schnur | Ersatzteile für 3316 | 2610018730
Hersteller: BOSCH
Artikelnummer: EB-F012331600-2610018730
nur Informationsartikel
Nie mehr lieferbar
keine Alternativen
Pos.
136
BOSCH Formscheibe | Ersatzteile für 3316 | 2610018733
Hersteller: BOSCH
Artikelnummer: EB-F012331600-2610018733
nur Informationsartikel
Nie mehr lieferbar
keine Alternativen
Pos.
138
BOSCH Sperrbolzen | Ersatzteile für 3316 | 2610018734
Hersteller: BOSCH
Artikelnummer: EB-F012331600-2610018734
nur Informationsartikel
Nie mehr lieferbar
keine Alternativen
Pos.
151
BOSCH Stange | Ersatzteile für 3316 | 2610018743
Hersteller: BOSCH
Artikelnummer: EB-F012331600-2610018743
nur Informationsartikel
Nie mehr lieferbar
keine Alternativen
Pos.
152
BOSCH Schraube | Ersatzteile für 3316 | 2610007827
Hersteller: BOSCH
Artikelnummer: EB-F012331600-2610007827
nur Informationsartikel
Nie mehr lieferbar
keine Alternativen
Pos.
653
BOSCH Staubbeutel | Ersatzteile für 3316 | 2610017172
Hersteller: BOSCH
Artikelnummer: EB-F012331600-2610017172
nur Informationsartikel
Nie mehr lieferbar
keine Alternativen
Pos.
654
BOSCH Klemmschelle | Ersatzteile für 3316 | 2610017173
Hersteller: BOSCH
Artikelnummer: EB-F012331600-2610017173
nur Informationsartikel
Nie mehr lieferbar
keine Alternativen
Pos.
801
BOSCH Bürste | Ersatzteile für 3316 | 2610018664
Hersteller: BOSCH
Artikelnummer: EB-F012331600-2610018664
nur Informationsartikel
Nie mehr lieferbar
keine Alternativen
Pos.
802
BOSCH Schutzunterteil | Ersatzteile für 3316 | 2610018720
Hersteller: BOSCH
Artikelnummer: EB-F012331600-2610018720
nur Informationsartikel
Nie mehr lieferbar
keine Alternativen
Pos.
803
BOSCH Handgriff | Ersatzteile für 3316 | 2610018731
Hersteller: BOSCH
Artikelnummer: EB-F012331600-2610018731
nur Informationsartikel
Nie mehr lieferbar
keine Alternativen

Angaben zur Produktsicherheit

Hersteller:
Robert Bosch Power Tools GmbH
Postfach 30 02 20
70442 Stuttgart

E-Mail:
kontakt@bosch.de