BOSCH 3376 - F012337600

Artikelnummer: EB-F012337600

Position:

Marke: BOSCH


Bitte Kompatibilität prüfen!

Bitte prüfen Sie unbedingt die 10-stellige Typennummer Ihrer Maschine / Ihres Gerätes. Das Ersatzteil ist nur kompatibel, wenn Sie die Typennummer Ihrer Maschine in der unten stehenden Produktbeschreibung finden.

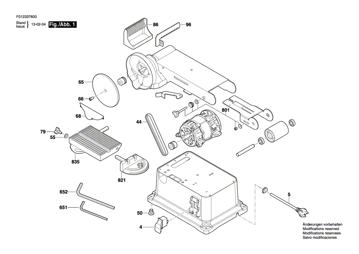
Bitte prüfen Sie ebenfalls detailliert die Explosionszeichnung mit Ihrem Artikelwunsch und der jeweiligen Pos-Nummer.

Alle Elemente, welche vom schwarzen Strich der Pos-Nummer ausgehend berührt / erfasst werden, gehören zu dieser Pos-Nummer und somit zu diesem Artikel. Jede Pos-Nummer ist ein eigenständiger Artikel, welchen Sie in der Auflistung finden.

Sie erhalten stets die aktuellste, neueste Produktversion zu der gewählten Pos-Nummer seitens des Herstellers. Es kann daher je nach Gerätealter vorkommen, dass Sie ggf. weitere, zugehörige Elemente, welche an diese Pos-Nummer grenzen, ebenfalls mittauschen müssen.

Nähere Informationen finden Sie unter dem Link
Hinweise zu Ihrer BOSCH Ersatzteilsuche

Beschreibung

Die aufgelisteten BOSCH Ersatzteile sind mit folgendem Gerät und Modell kompatibel:

BOSCH Gerätename:3376
BOSCH Typennummer:F012337600
alternative Schreibweisen:F 012 337 600, F012 337 600, F.012.337.600, F-012-337-600

Bitte prüfen Sie die Typennummer auf Ihrem Gerät um die Kompatibilität des BOSCH Ersatzteils zu gewährleisten.

Die passenden Ersatzteile des BOSCH 3376 (Kapp-/Gehrungssäge) mit der Typennummer F012337600 finden Sie in der nachfolgenden Darstellung geordnet nach der Positionsnummern aus der Explosionszeichnung:

Pos.
4
BOSCH Flachschalter | Ersatzteile für 3376 | 2610958835
Hersteller: BOSCH
Artikelnummer: EB-F012337600-2610958835
nur Informationsartikel
Nie mehr lieferbar
keine Alternativen
Pos.
5
BOSCH Schnur | Ersatzteile für 3376 | 2610958976
Hersteller: BOSCH
Artikelnummer: EB-F012337600-2610958976
nur Informationsartikel
Nie mehr lieferbar
keine Alternativen
Pos.
44
BOSCH Gurt | Ersatzteile für 3376 | 2610027224
Hersteller: BOSCH
Artikelnummer: EB-F012337600-2610027224
nur Informationsartikel
Nie mehr lieferbar
keine Alternativen
Pos.
50
BOSCH Gummi | Ersatzteile für 3376 | 2610027230
Hersteller: BOSCH
Artikelnummer: EB-F012337600-2610027230
nur Informationsartikel
Nie mehr lieferbar
keine Alternativen
Pos.
55
BOSCH Scheibe | Ersatzteile für 3376 | 2610027235
Hersteller: BOSCH
Artikelnummer: EB-F012337600-2610027235
nur Informationsartikel
Nie mehr lieferbar
keine Alternativen
Pos.
65
BOSCH Scheibe | Ersatzteile für 3376 | 2610027244
Hersteller: BOSCH
Artikelnummer: EB-F012337600-2610027244
nur Informationsartikel
Nie mehr lieferbar
keine Alternativen
Pos.
66
BOSCH Flachkopfschraube | Ersatzteile für 3376 | 2610958975
Hersteller: BOSCH
Artikelnummer: EB-F012337600-2610958975
nur Informationsartikel
Nie mehr lieferbar
keine Alternativen
Pos.
68
BOSCH Abdeckung | Ersatzteile für 3376 | 2610027247
Hersteller: BOSCH
Artikelnummer: EB-F012337600-2610027247
nur Informationsartikel
Nie mehr lieferbar
keine Alternativen
Pos.
79
BOSCH Knopf | Ersatzteile für 3376 | 2610027259
Hersteller: BOSCH
Artikelnummer: EB-F012337600-2610027259
nur Informationsartikel
Nie mehr lieferbar
keine Alternativen
Pos.
86
BOSCH Abdeckung | Ersatzteile für 3376 | 2610027197
Hersteller: BOSCH
Artikelnummer: EB-F012337600-2610027197
nur Informationsartikel
Nie mehr lieferbar
keine Alternativen
Pos.
96
BOSCH Stütze | Ersatzteile für 3376 | 2610027194
Hersteller: BOSCH
Artikelnummer: EB-F012337600-2610027194
nur Informationsartikel
Nie mehr lieferbar
keine Alternativen
Pos.
651
BOSCH Spanner | Ersatzteile für 3376 | 2610027272
Hersteller: BOSCH
Artikelnummer: EB-F012337600-2610027272
nur Informationsartikel
Nie mehr lieferbar
keine Alternativen
Pos.
652
BOSCH Spanner | Ersatzteile für 3376 | 2610027266
Hersteller: BOSCH
Artikelnummer: EB-F012337600-2610027266
nur Informationsartikel
Nie mehr lieferbar
keine Alternativen
Pos.
801
BOSCH Höhenverstellung | Ersatzteile für 3376 | 2610027274
Hersteller: BOSCH
Artikelnummer: EB-F012337600-2610027274
nur Informationsartikel
Nie mehr lieferbar
keine Alternativen
Pos.
821
BOSCH Führungsleiste | Ersatzteile für 3376 | 2610027532
Hersteller: BOSCH
Artikelnummer: EB-F012337600-2610027532
nur Informationsartikel
Nie mehr lieferbar
keine Alternativen
Pos.
835
BOSCH Tisch | Ersatzteile für 3376 | 2610027533
Hersteller: BOSCH
Artikelnummer: EB-F012337600-2610027533
nur Informationsartikel
Nie mehr lieferbar
keine Alternativen

Angaben zur Produktsicherheit

Hersteller:
Robert Bosch Power Tools GmbH
Postfach 30 02 20
70442 Stuttgart

E-Mail:
kontakt@bosch.de