BOSCH 4121 PA - F0124121PA

Artikelnummer: EB-F0124121PA

Position:

Marke: BOSCH


Bitte Kompatibilität prüfen!

Bitte prüfen Sie unbedingt die 10-stellige Typennummer Ihrer Maschine / Ihres Gerätes. Das Ersatzteil ist nur kompatibel, wenn Sie die Typennummer Ihrer Maschine in der unten stehenden Produktbeschreibung finden.

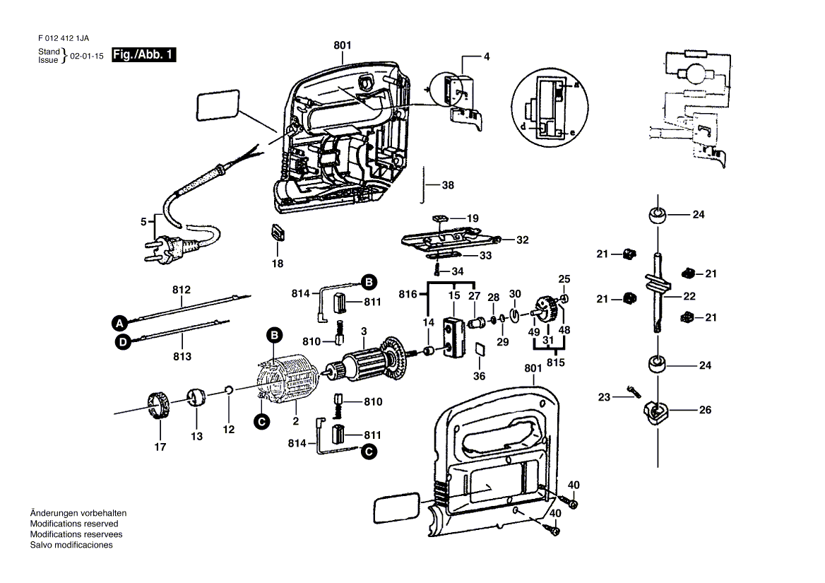
Bitte prüfen Sie ebenfalls detailliert die Explosionszeichnung mit Ihrem Artikelwunsch und der jeweiligen Pos-Nummer.

Alle Elemente, welche vom schwarzen Strich der Pos-Nummer ausgehend berührt / erfasst werden, gehören zu dieser Pos-Nummer und somit zu diesem Artikel. Jede Pos-Nummer ist ein eigenständiger Artikel, welchen Sie in der Auflistung finden.

Sie erhalten stets die aktuellste, neueste Produktversion zu der gewählten Pos-Nummer seitens des Herstellers. Es kann daher je nach Gerätealter vorkommen, dass Sie ggf. weitere, zugehörige Elemente, welche an diese Pos-Nummer grenzen, ebenfalls mittauschen müssen.

Nähere Informationen finden Sie unter dem Link
Hinweise zu Ihrer BOSCH Ersatzteilsuche

Beschreibung

Die aufgelisteten BOSCH Ersatzteile sind mit folgendem Gerät und Modell kompatibel:

BOSCH Gerätename:4121 PA
BOSCH Typennummer:F0124121PA
alternative Schreibweisen:F 012 412 1PA, F012 412 1PA, F.012.412.1PA, F-012-412-1PA

Bitte prüfen Sie die Typennummer auf Ihrem Gerät um die Kompatibilität des BOSCH Ersatzteils zu gewährleisten.

Die passenden Ersatzteile des BOSCH 4121 PA (Hw-Stichsäge) mit der Typennummer F0124121PA finden Sie in der nachfolgenden Darstellung geordnet nach der Positionsnummern aus der Explosionszeichnung:

Pos.
2
BOSCH Polschuh 220V | Ersatzteile für 4121 PA | 9618089467
Hersteller: BOSCH
Artikelnummer: EB-F0124121PA-9618089467
nur Informationsartikel
Nie mehr lieferbar
keine Alternativen
Pos.
3
BOSCH Anker 220V | Ersatzteile für 4121 PA | 9618089469
Hersteller: BOSCH
Artikelnummer: EB-F0124121PA-9618089469
nur Informationsartikel
Nie mehr lieferbar
keine Alternativen
Pos.
4
BOSCH Ein/Aus-Schalter | Ersatzteile für 4121 PA | 1607200183
Hersteller: BOSCH
Artikelnummer: EB-F0124121PA-1607200183
nur Informationsartikel
Nie mehr lieferbar
keine Alternativen
Pos.
5
BOSCH Netzanschlussleitung AR 2,00m 2 x 0,75mm H05 VVF | Ersatzteile für 4121 PA | F000609286
Hersteller: BOSCH
Artikelnummer: EB-F0124121PA-F000609286
nur Informationsartikel
Nie mehr lieferbar
keine Alternativen
Pos.
12
BOSCH Kugel | Ersatzteile für 4121 PA | 1903230005
Hersteller: BOSCH
Artikelnummer: EB-F0124121PA-1903230005
nur Informationsartikel
Nie mehr lieferbar
keine Alternativen
Pos.
13
BOSCH Sinterlager | Ersatzteile für 4121 PA | F000600348
Hersteller: BOSCH
Artikelnummer: EB-F0124121PA-F000600348
Netto: 1,61 € zzgl. MwSt.
zzgl. 6,90 € Versand (brutto)
einmalig pro Bestellung

Lieferzeit: 5 Werktage

Stück
Pos.
14
BOSCH Nadellager Ø8x8 MM | Ersatzteile für 4121 PA | 2600917003
Hersteller: BOSCH
Artikelnummer: EB-F0124121PA-2600917003
Netto: 4,80 € zzgl. MwSt.
zzgl. 6,90 € Versand (brutto)
einmalig pro Bestellung

Lieferzeit: 5 Werktage

Stück
Pos.
15
BOSCH Lagerbrücke | Ersatzteile für 4121 PA | F000613005
Hersteller: BOSCH
Artikelnummer: EB-F0124121PA-F000613005
Netto: 3,34 € zzgl. MwSt.
zzgl. 6,90 € Versand (brutto)
einmalig pro Bestellung

Lieferzeit: 5 Werktage

Stück
Pos.
17
BOSCH Filzring | Ersatzteile für 4121 PA | 1600205032
Hersteller: BOSCH
Artikelnummer: EB-F0124121PA-1600205032
nur Informationsartikel
Nie mehr lieferbar
keine Alternativen
Pos.
18
BOSCH Lagerdeckel | Ersatzteile für 4121 PA | 9618089470
Hersteller: BOSCH
Artikelnummer: EB-F0124121PA-9618089470
nur Informationsartikel
Nie mehr lieferbar
keine Alternativen
Pos.
19
BOSCH Befestigungsplatte | Ersatzteile für 4121 PA | 2601030006
Hersteller: BOSCH
Artikelnummer: EB-F0124121PA-2601030006
nur Informationsartikel
Nie mehr lieferbar
keine Alternativen
Pos.
21
BOSCH Schmierfilz | Ersatzteile für 4121 PA | 2601020007
Hersteller: BOSCH
Artikelnummer: EB-F0124121PA-2601020007
Netto: 3,94 € zzgl. MwSt.
zzgl. 6,90 € Versand (brutto)
einmalig pro Bestellung

Lieferzeit: 5 Werktage

Stück
Pos.
22
BOSCH Führungsstange | Ersatzteile für 4121 PA | F000614006
Hersteller: BOSCH
Artikelnummer: EB-F0124121PA-F000614006
Netto: 6,20 € zzgl. MwSt.
zzgl. 6,90 € Versand (brutto)
einmalig pro Bestellung

Lieferzeit: 5 Werktage

Stück
Pos.
23
BOSCH Zylinderschraube DIN 84-AM5x15-5.8 | Ersatzteile für 4121 PA | 2910011157
Hersteller: BOSCH
Artikelnummer: EB-F0124121PA-2910011157
nur Informationsartikel
Nie mehr lieferbar
keine Alternativen
Pos.
24
BOSCH Sinterbuchse | Ersatzteile für 4121 PA | F000615000
Hersteller: BOSCH
Artikelnummer: EB-F0124121PA-F000615000
nur Informationsartikel
Nie mehr lieferbar
keine Alternativen
Pos.
25
BOSCH Kegelrolle | Ersatzteile für 4121 PA | 9618089517
Hersteller: BOSCH
Artikelnummer: EB-F0124121PA-9618089517
nur Informationsartikel
Nie mehr lieferbar
keine Alternativen
Pos.
26
BOSCH Dichtmanschette | Ersatzteile für 4121 PA | 9618089553
Hersteller: BOSCH
Artikelnummer: EB-F0124121PA-9618089553
Netto: 3,60 € zzgl. MwSt.
zzgl. 6,90 € Versand (brutto)
einmalig pro Bestellung

Lieferzeit: 5 Werktage

Stück
Pos.
27
BOSCH Lagerbuchse | Ersatzteile für 4121 PA | 2600322003
Hersteller: BOSCH
Artikelnummer: EB-F0124121PA-2600322003
nur Informationsartikel
Nie mehr lieferbar
keine Alternativen
Pos.
28
BOSCH Federscheibe | Ersatzteile für 4121 PA | 2600190040
Hersteller: BOSCH
Artikelnummer: EB-F0124121PA-2600190040
nur Informationsartikel
Nie mehr lieferbar
keine Alternativen
Pos.
29
BOSCH Ausgleichscheibe 0,5 MM | Ersatzteile für 4121 PA | 2600100505
Hersteller: BOSCH
Artikelnummer: EB-F0124121PA-2600100505
nur Informationsartikel
Nie mehr lieferbar
keine Alternativen
Pos.
30
BOSCH Ausgleichscheibe 0,6 MM | Ersatzteile für 4121 PA | 2600040002
Hersteller: BOSCH
Artikelnummer: EB-F0124121PA-2600040002
nur Informationsartikel
Nie mehr lieferbar
keine Alternativen
Pos.
31
BOSCH Zahnrad | Ersatzteile für 4121 PA | F000617012
Hersteller: BOSCH
Artikelnummer: EB-F0124121PA-F000617012
nur Informationsartikel
Nie mehr lieferbar
keine Alternativen
Pos.
32
BOSCH Grundplatte | Ersatzteile für 4121 PA | F000600121
Hersteller: BOSCH
Artikelnummer: EB-F0124121PA-F000600121
nur Informationsartikel
Nie mehr lieferbar
keine Alternativen
Pos.
33
BOSCH Platte | Ersatzteile für 4121 PA | 9618083349
Hersteller: BOSCH
Artikelnummer: EB-F0124121PA-9618083349
nur Informationsartikel
Nie mehr lieferbar
keine Alternativen
Pos.
34
BOSCH Zylinderschraube DIN 84-AM4x12-8.8 | Ersatzteile für 4121 PA | 2910021122
Hersteller: BOSCH
Artikelnummer: EB-F0124121PA-2910021122
Netto: 4,36 € zzgl. MwSt.
zzgl. 6,90 € Versand (brutto)
einmalig pro Bestellung

Lieferzeit: 5 Werktage

Stück
Pos.
36
BOSCH Druckplatte 1,5 MM | Ersatzteile für 4121 PA | 1601000013
Hersteller: BOSCH
Artikelnummer: EB-F0124121PA-1601000013
nur Informationsartikel
Nie mehr lieferbar
keine Alternativen
Pos.
38
BOSCH Stift | Ersatzteile für 4121 PA | 2603105051
Hersteller: BOSCH
Artikelnummer: EB-F0124121PA-2603105051
nur Informationsartikel
Nie mehr lieferbar
keine Alternativen
Pos.
40
BOSCH Blechschraube 4x16 MM | Ersatzteile für 4121 PA | 9618087099
Hersteller: BOSCH
Artikelnummer: EB-F0124121PA-9618087099
nur Informationsartikel
Nie mehr lieferbar
keine Alternativen
Pos.
48
BOSCH Lagerbolzen | Ersatzteile für 4121 PA | 2603100047
Hersteller: BOSCH
Artikelnummer: EB-F0124121PA-2603100047
nur Informationsartikel
Nie mehr lieferbar
keine Alternativen
Pos.
49
BOSCH Zylinderstift DIN 6325-5M6x16 | Ersatzteile für 4121 PA | 2917530120
Hersteller: BOSCH
Artikelnummer: EB-F0124121PA-2917530120
nur Informationsartikel
Nie mehr lieferbar
keine Alternativen
Pos.
801
BOSCH Motorgehäuse | Ersatzteile für 4121 PA | F000601070
Hersteller: BOSCH
Artikelnummer: EB-F0124121PA-F000601070
nur Informationsartikel
Nie mehr lieferbar
keine Alternativen
Pos.
810
BOSCH Kohlebürste | Ersatzteile für 4121 PA | 9618086870
Hersteller: BOSCH
Artikelnummer: EB-F0124121PA-9618086870
Netto: 7,66 € zzgl. MwSt.
zzgl. 6,90 € Versand (brutto)
einmalig pro Bestellung

Lieferzeit: 5 Werktage

Stück
Pos.
811
BOSCH Bürstenhalter | Ersatzteile für 4121 PA | 9618086695
Hersteller: BOSCH
Artikelnummer: EB-F0124121PA-9618086695
nur Informationsartikel
Nie mehr lieferbar
keine Alternativen
Pos.
812
BOSCH Verbindungsleitung | Ersatzteile für 4121 PA | F000610005
Hersteller: BOSCH
Artikelnummer: EB-F0124121PA-F000610005
nur Informationsartikel
Nie mehr lieferbar
keine Alternativen
Pos.
813
BOSCH Elektr Leitung | Ersatzteile für 4121 PA | F000635120
Hersteller: BOSCH
Artikelnummer: EB-F0124121PA-F000635120
nur Informationsartikel
Nie mehr lieferbar
keine Alternativen
Pos.
814
BOSCH Verbindungsleitung | Ersatzteile für 4121 PA | 9618086959
Hersteller: BOSCH
Artikelnummer: EB-F0124121PA-9618086959
Netto: 0,95 € zzgl. MwSt.
zzgl. 6,90 € Versand (brutto)
einmalig pro Bestellung

Lieferzeit: 5 Werktage

Stück
Pos.
815
BOSCH Exzenterzahnrad Z=49 | Ersatzteile für 4121 PA | 2606316900
Hersteller: BOSCH
Artikelnummer: EB-F0124121PA-2606316900
Netto: 6,20 € zzgl. MwSt.
zzgl. 6,90 € Versand (brutto)
einmalig pro Bestellung

Lieferzeit: 5 Werktage

Stück
Pos.
816
BOSCH Lagerbrücke | Ersatzteile für 4121 PA | F000613006
Hersteller: BOSCH
Artikelnummer: EB-F0124121PA-F000613006
Netto: 9,75 € zzgl. MwSt.
zzgl. 6,90 € Versand (brutto)
einmalig pro Bestellung

Lieferzeit: 5 Werktage

Stück

Angaben zur Produktsicherheit

Hersteller:
Robert Bosch Power Tools GmbH
Postfach 30 02 20
70442 Stuttgart

E-Mail:
kontakt@bosch.de