BOSCH 4410 - 060166E139

Artikelnummer: EB-060166E139

Position:

Marke: BOSCH


Bitte Kompatibilität prüfen!

Bitte prüfen Sie unbedingt die 10-stellige Typennummer Ihrer Maschine / Ihres Gerätes. Das Ersatzteil ist nur kompatibel, wenn Sie die Typennummer Ihrer Maschine in der unten stehenden Produktbeschreibung finden.

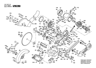
Bitte prüfen Sie ebenfalls detailliert die Explosionszeichnung mit Ihrem Artikelwunsch und der jeweiligen Pos-Nummer.

Alle Elemente, welche vom schwarzen Strich der Pos-Nummer ausgehend berührt / erfasst werden, gehören zu dieser Pos-Nummer und somit zu diesem Artikel. Jede Pos-Nummer ist ein eigenständiger Artikel, welchen Sie in der Auflistung finden.

Sie erhalten stets die aktuellste, neueste Produktversion zu der gewählten Pos-Nummer seitens des Herstellers. Es kann daher je nach Gerätealter vorkommen, dass Sie ggf. weitere, zugehörige Elemente, welche an diese Pos-Nummer grenzen, ebenfalls mittauschen müssen.

Nähere Informationen finden Sie unter dem Link
Hinweise zu Ihrer BOSCH Ersatzteilsuche

Beschreibung

Die aufgelisteten BOSCH Ersatzteile sind mit folgendem Gerät und Modell kompatibel:

BOSCH Gerätename:4410
BOSCH Typennummer:060166E139
alternative Schreibweisen:0 601 66E 139, 0601 66E 139, 0.601.66E.139, 0-601-66E-139

Bitte prüfen Sie die Typennummer auf Ihrem Gerät um die Kompatibilität des BOSCH Ersatzteils zu gewährleisten.

Die passenden Ersatzteile des BOSCH 4410 (TISCHKREISSAEGE) mit der Typennummer 060166E139 finden Sie in der nachfolgenden Darstellung geordnet nach der Positionsnummern aus der Explosionszeichnung:

Pos.
1
BOSCH Motorgehäuse | Ersatzteile für 4410 | 2610915750
Hersteller: BOSCH
Artikelnummer: EB-060166E139-2610915750
Netto: 39,11 € zzgl. MwSt.
zzgl. 6,90 € Versand (brutto)
einmalig pro Bestellung

Lieferzeit: 5 Werktage

Stück
Pos.
2
BOSCH Polschuh | Ersatzteile für 4410 | 2610945489
Hersteller: BOSCH
Artikelnummer: EB-060166E139-2610945489
nur Informationsartikel
Nie mehr lieferbar
keine Alternativen
Pos.
3
BOSCH Anker 115V | Ersatzteile für 4410 | 2610915752
Hersteller: BOSCH
Artikelnummer: EB-060166E139-2610915752
Netto: 106,72 € zzgl. MwSt.
zzgl. 6,90 € Versand (brutto)
einmalig pro Bestellung

Lieferzeit: 5 Werktage

Stück
Pos.
4
BOSCH Schalter | Ersatzteile für 4410 | 2610950336
Hersteller: BOSCH
Artikelnummer: EB-060166E139-2610950336
Netto: 15,75 € zzgl. MwSt.
zzgl. 6,90 € Versand (brutto)
einmalig pro Bestellung

Lieferzeit: 5 Werktage

Stück
Pos.
5
BOSCH Netzkabel | Ersatzteile für 4410 | 2610923314
Hersteller: BOSCH
Artikelnummer: EB-060166E139-2610923314
nur Informationsartikel
Nie mehr lieferbar
keine Alternativen
Pos.
6
BOSCH Kabeltülle | Ersatzteile für 4410 | 2610915755
Hersteller: BOSCH
Artikelnummer: EB-060166E139-2610915755
Netto: 3,63 € zzgl. MwSt.
zzgl. 6,90 € Versand (brutto)
einmalig pro Bestellung

Lieferzeit: 5 Werktage

Stück
Pos.
7
BOSCH Befestigungsschelle | Ersatzteile für 4410 | 2610921465
Hersteller: BOSCH
Artikelnummer: EB-060166E139-2610921465
Netto: 3,63 € zzgl. MwSt.
zzgl. 6,90 € Versand (brutto)
einmalig pro Bestellung

Lieferzeit: 5 Werktage

Stück
Pos.
8
BOSCH Typschild | Ersatzteile für 4410 | 2610920803
Hersteller: BOSCH
Artikelnummer: EB-060166E139-2610920803
nur Informationsartikel
Nie mehr lieferbar
keine Alternativen
Pos.
10
BOSCH Kohlebürstensatz | Ersatzteile für 4410 | 2610997207
Hersteller: BOSCH
Artikelnummer: EB-060166E139-2610997207
nur Informationsartikel
Nie mehr lieferbar
keine Alternativen
Pos.
13
BOSCH Kugellager | Ersatzteile für 4410 | 2610911928
Hersteller: BOSCH
Artikelnummer: EB-060166E139-2610911928
Netto: 10,92 € zzgl. MwSt.
zzgl. 6,90 € Versand (brutto)
einmalig pro Bestellung

Lieferzeit: 5 Werktage

Stück
Pos.
14
BOSCH Kugellager | Ersatzteile für 4410 | 2610911927
Hersteller: BOSCH
Artikelnummer: EB-060166E139-2610911927
Netto: 21,16 € zzgl. MwSt.
zzgl. 6,90 € Versand (brutto)
einmalig pro Bestellung

Lieferzeit: 5 Werktage

Stück
Pos.
16
BOSCH Bürstenhalter | Ersatzteile für 4410 | 2610915761
Hersteller: BOSCH
Artikelnummer: EB-060166E139-2610915761
nur Informationsartikel
Nie mehr lieferbar
keine Alternativen
Pos.
20
BOSCH Warnzettel | Ersatzteile für 4410 | 2610920805
Hersteller: BOSCH
Artikelnummer: EB-060166E139-2610920805
nur Informationsartikel
Nie mehr lieferbar
keine Alternativen
Pos.
22
BOSCH Fuss | Ersatzteile für 4410 | 2610919259
Hersteller: BOSCH
Artikelnummer: EB-060166E139-2610919259
nur Informationsartikel
Nie mehr lieferbar
keine Alternativen
Pos.
23
BOSCH Ergänzungsgestell | Ersatzteile für 4410 | 2610919261
Hersteller: BOSCH
Artikelnummer: EB-060166E139-2610919261
Netto: 21,16 € zzgl. MwSt.
zzgl. 6,90 € Versand (brutto)
einmalig pro Bestellung

Lieferzeit: 5 Werktage

Stück
Pos.
24
BOSCH Ergänzungsgestell | Ersatzteile für 4410 | 2610919262
Hersteller: BOSCH
Artikelnummer: EB-060166E139-2610919262
Netto: 26,88 € zzgl. MwSt.
zzgl. 6,90 € Versand (brutto)
einmalig pro Bestellung

Lieferzeit: 5 Werktage

Stück
Pos.
25
BOSCH Sägetisch | Ersatzteile für 4410 | 2610919260
Hersteller: BOSCH
Artikelnummer: EB-060166E139-2610919260
Netto: 153,18 € zzgl. MwSt.
zzgl. 6,90 € Versand (brutto)
einmalig pro Bestellung

Lieferzeit: 5 Werktage

Stück
Pos.
26
BOSCH Halter | Ersatzteile für 4410 | 2610919263
Hersteller: BOSCH
Artikelnummer: EB-060166E139-2610919263
nur Informationsartikel
Nie mehr lieferbar
keine Alternativen
Pos.
27
BOSCH Halter | Ersatzteile für 4410 | 2610919264
Hersteller: BOSCH
Artikelnummer: EB-060166E139-2610919264
nur Informationsartikel
Nie mehr lieferbar
keine Alternativen
Pos.
28
BOSCH Halter | Ersatzteile für 4410 | 2610919265
Hersteller: BOSCH
Artikelnummer: EB-060166E139-2610919265
Netto: 32,74 € zzgl. MwSt.
zzgl. 6,90 € Versand (brutto)
einmalig pro Bestellung

Lieferzeit: 5 Werktage

Stück
Pos.
29
BOSCH Lagerbock | Ersatzteile für 4410 | 2610919266
Hersteller: BOSCH
Artikelnummer: EB-060166E139-2610919266
Netto: 96,32 € zzgl. MwSt.
zzgl. 6,90 € Versand (brutto)
einmalig pro Bestellung

Lieferzeit: 5 Werktage

Stück
Pos.
30
BOSCH Endkappe | Ersatzteile für 4410 | 2610919267
Hersteller: BOSCH
Artikelnummer: EB-060166E139-2610919267
Netto: 15,75 € zzgl. MwSt.
zzgl. 6,90 € Versand (brutto)
einmalig pro Bestellung

Lieferzeit: 5 Werktage

Stück
Pos.
31
BOSCH Handgriff | Ersatzteile für 4410 | 2610915772
Hersteller: BOSCH
Artikelnummer: EB-060166E139-2610915772
Netto: 11,92 € zzgl. MwSt.
zzgl. 6,90 € Versand (brutto)
einmalig pro Bestellung

Lieferzeit: 5 Werktage

Stück
Pos.
32
BOSCH Handgriff | Ersatzteile für 4410 | 2610915727
Hersteller: BOSCH
Artikelnummer: EB-060166E139-2610915727
Netto: 11,92 € zzgl. MwSt.
zzgl. 6,90 € Versand (brutto)
einmalig pro Bestellung

Lieferzeit: 5 Werktage

Stück
Pos.
33
BOSCH Lagerbock | Ersatzteile für 4410 | 2610915728
Hersteller: BOSCH
Artikelnummer: EB-060166E139-2610915728
Netto: 26,88 € zzgl. MwSt.
zzgl. 6,90 € Versand (brutto)
einmalig pro Bestellung

Lieferzeit: 5 Werktage

Stück
Pos.
34
BOSCH Getriebegehäuse | Ersatzteile für 4410 | 2610919268
Hersteller: BOSCH
Artikelnummer: EB-060166E139-2610919268
Netto: 96,32 € zzgl. MwSt.
zzgl. 6,90 € Versand (brutto)
einmalig pro Bestellung

Lieferzeit: 5 Werktage

Stück
Pos.
35
BOSCH Schutzabdeckung | Ersatzteile für 4410 | 2610927691
Hersteller: BOSCH
Artikelnummer: EB-060166E139-2610927691
Netto: 47,24 € zzgl. MwSt.
zzgl. 6,90 € Versand (brutto)
einmalig pro Bestellung

Lieferzeit: 5 Werktage

Stück
Pos.
36
BOSCH Zwischenlage | Ersatzteile für 4410 | 2610915731
Hersteller: BOSCH
Artikelnummer: EB-060166E139-2610915731
Netto: 29,45 € zzgl. MwSt.
zzgl. 6,90 € Versand (brutto)
einmalig pro Bestellung

Lieferzeit: 5 Werktage

Stück
Pos.
37
BOSCH Gehäusedeckel | Ersatzteile für 4410 | 2610915732
Hersteller: BOSCH
Artikelnummer: EB-060166E139-2610915732
Netto: 9,18 € zzgl. MwSt.
zzgl. 6,90 € Versand (brutto)
einmalig pro Bestellung

Lieferzeit: 5 Werktage

Stück
Pos.
38
BOSCH Gehäusedeckel | Ersatzteile für 4410 | 2610919275
Hersteller: BOSCH
Artikelnummer: EB-060166E139-2610919275
Netto: 16,70 € zzgl. MwSt.
zzgl. 6,90 € Versand (brutto)
einmalig pro Bestellung

Lieferzeit: 5 Werktage

Stück
Pos.
39
BOSCH Griffschale | Ersatzteile für 4410 | 2610915734
Hersteller: BOSCH
Artikelnummer: EB-060166E139-2610915734
Netto: 12,98 € zzgl. MwSt.
zzgl. 6,90 € Versand (brutto)
einmalig pro Bestellung

Lieferzeit: 5 Werktage

Stück
Pos.
40
BOSCH Lagerbock | Ersatzteile für 4410 | 2610915735
Hersteller: BOSCH
Artikelnummer: EB-060166E139-2610915735
nur Informationsartikel
Nie mehr lieferbar
keine Alternativen
Pos.
41
BOSCH Lagerbock | Ersatzteile für 4410 | 2610915736
Hersteller: BOSCH
Artikelnummer: EB-060166E139-2610915736
Netto: 11,92 € zzgl. MwSt.
zzgl. 6,90 € Versand (brutto)
einmalig pro Bestellung

Lieferzeit: 5 Werktage

Stück
Pos.
42
BOSCH Lagerbock | Ersatzteile für 4410 | 2610915737
Hersteller: BOSCH
Artikelnummer: EB-060166E139-2610915737
Netto: 15,75 € zzgl. MwSt.
zzgl. 6,90 € Versand (brutto)
einmalig pro Bestellung

Lieferzeit: 5 Werktage

Stück
Pos.
43
BOSCH Lagerbock | Ersatzteile für 4410 | 2610915738
Hersteller: BOSCH
Artikelnummer: EB-060166E139-2610915738
Netto: 15,75 € zzgl. MwSt.
zzgl. 6,90 € Versand (brutto)
einmalig pro Bestellung

Lieferzeit: 5 Werktage

Stück
Pos.
44
BOSCH Auslöser | Ersatzteile für 4410 | 2610915739
Hersteller: BOSCH
Artikelnummer: EB-060166E139-2610915739
Netto: 6,70 € zzgl. MwSt.
zzgl. 6,90 € Versand (brutto)
einmalig pro Bestellung

Lieferzeit: 5 Werktage

Stück
Pos.
45
BOSCH Taste | Ersatzteile für 4410 | 2610915740
Hersteller: BOSCH
Artikelnummer: EB-060166E139-2610915740
Netto: 6,15 € zzgl. MwSt.
zzgl. 6,90 € Versand (brutto)
einmalig pro Bestellung

Lieferzeit: 5 Werktage

Stück
Pos.
46
BOSCH Taste | Ersatzteile für 4410 | 2610915741
Hersteller: BOSCH
Artikelnummer: EB-060166E139-2610915741
Netto: 6,15 € zzgl. MwSt.
zzgl. 6,90 € Versand (brutto)
einmalig pro Bestellung

Lieferzeit: 5 Werktage

Stück
Pos.
47
BOSCH Gelenkteil | Ersatzteile für 4410 | 2610915742
Hersteller: BOSCH
Artikelnummer: EB-060166E139-2610915742
Netto: 5,67 € zzgl. MwSt.
zzgl. 6,90 € Versand (brutto)
einmalig pro Bestellung

Lieferzeit: 5 Werktage

Stück
Pos.
48
BOSCH Zeiger | Ersatzteile für 4410 | 2610919289
Hersteller: BOSCH
Artikelnummer: EB-060166E139-2610919289
Netto: 4,53 € zzgl. MwSt.
zzgl. 6,90 € Versand (brutto)
einmalig pro Bestellung

Lieferzeit: 5 Werktage

Stück
Pos.
49
BOSCH Auslösehebel | Ersatzteile für 4410 | 2610915744
Hersteller: BOSCH
Artikelnummer: EB-060166E139-2610915744
Netto: 8,33 € zzgl. MwSt.
zzgl. 6,90 € Versand (brutto)
einmalig pro Bestellung

Lieferzeit: 5 Werktage

Stück
Pos.
50
BOSCH Klauenring | Ersatzteile für 4410 | 2610915745
Hersteller: BOSCH
Artikelnummer: EB-060166E139-2610915745
Netto: 9,18 € zzgl. MwSt.
zzgl. 6,90 € Versand (brutto)
einmalig pro Bestellung

Lieferzeit: 5 Werktage

Stück
Pos.
51
BOSCH Klauenring | Ersatzteile für 4410 | 2610915746
Hersteller: BOSCH
Artikelnummer: EB-060166E139-2610915746
Netto: 9,18 € zzgl. MwSt.
zzgl. 6,90 € Versand (brutto)
einmalig pro Bestellung

Lieferzeit: 5 Werktage

Stück
Pos.
52
BOSCH Klinke | Ersatzteile für 4410 | 2610915747
Hersteller: BOSCH
Artikelnummer: EB-060166E139-2610915747
Netto: 6,69 € zzgl. MwSt.
zzgl. 6,90 € Versand (brutto)
einmalig pro Bestellung

Lieferzeit: 5 Werktage

Stück
Pos.
53
BOSCH Klinke | Ersatzteile für 4410 | 2610915748
Hersteller: BOSCH
Artikelnummer: EB-060166E139-2610915748
Netto: 6,15 € zzgl. MwSt.
zzgl. 6,90 € Versand (brutto)
einmalig pro Bestellung

Lieferzeit: 5 Werktage

Stück
Pos.
54
BOSCH Drehfeder | Ersatzteile für 4410 | 2610949175
Hersteller: BOSCH
Artikelnummer: EB-060166E139-2610949175
Netto: 5,67 € zzgl. MwSt.
zzgl. 6,90 € Versand (brutto)
einmalig pro Bestellung

Lieferzeit: 5 Werktage

Stück
Pos.
55
BOSCH Teller | Ersatzteile für 4410 | 2610915704
Hersteller: BOSCH
Artikelnummer: EB-060166E139-2610915704
Netto: 5,67 € zzgl. MwSt.
zzgl. 6,90 € Versand (brutto)
einmalig pro Bestellung

Lieferzeit: 5 Werktage

Stück
Pos.
56
BOSCH Auflageplatte | Ersatzteile für 4410 | 2610919286
Hersteller: BOSCH
Artikelnummer: EB-060166E139-2610919286
Netto: 6,15 € zzgl. MwSt.
zzgl. 6,90 € Versand (brutto)
einmalig pro Bestellung

Lieferzeit: 5 Werktage

Stück
Pos.
57
BOSCH Knopfgriff | Ersatzteile für 4410 | 2610915706
Hersteller: BOSCH
Artikelnummer: EB-060166E139-2610009612
nur Informationsartikel
Nie mehr lieferbar
keine Alternativen
Pos.
58
BOSCH Gestänge | Ersatzteile für 4410 | 2610919285
Hersteller: BOSCH
Artikelnummer: EB-060166E139-2610919285
Netto: 6,70 € zzgl. MwSt.
zzgl. 6,90 € Versand (brutto)
einmalig pro Bestellung

Lieferzeit: 5 Werktage

Stück
Pos.
59
BOSCH Aufnahme | Ersatzteile für 4410 | 2610915708
Hersteller: BOSCH
Artikelnummer: EB-060166E139-2610915708
Netto: 7,30 € zzgl. MwSt.
zzgl. 6,90 € Versand (brutto)
einmalig pro Bestellung

Lieferzeit: 5 Werktage

Stück
Pos.
60
BOSCH Blattfeder | Ersatzteile für 4410 | 2610919569
Hersteller: BOSCH
Artikelnummer: EB-060166E139-2610919569
Netto: 4,32 € zzgl. MwSt.
zzgl. 6,90 € Versand (brutto)
einmalig pro Bestellung

Lieferzeit: 5 Werktage

Stück
Pos.
61
BOSCH Abdeckkappe | Ersatzteile für 4410 | 2610915710
Hersteller: BOSCH
Artikelnummer: EB-060166E139-2610915710
Netto: 4,32 € zzgl. MwSt.
zzgl. 6,90 € Versand (brutto)
einmalig pro Bestellung

Lieferzeit: 5 Werktage

Stück
Pos.
62
BOSCH Hebel | Ersatzteile für 4410 | 2610915711
Hersteller: BOSCH
Artikelnummer: EB-060166E139-2610915711
Netto: 9,95 € zzgl. MwSt.
zzgl. 6,90 € Versand (brutto)
einmalig pro Bestellung

Lieferzeit: 5 Werktage

Stück
Pos.
63
BOSCH Haltearm | Ersatzteile für 4410 | 2610919291
Hersteller: BOSCH
Artikelnummer: EB-060166E139-2610919291
Netto: 14,36 € zzgl. MwSt.
zzgl. 6,90 € Versand (brutto)
einmalig pro Bestellung

Lieferzeit: 5 Werktage

Stück
Pos.
64
BOSCH Kurvenscheibe | Ersatzteile für 4410 | 2610919270
Hersteller: BOSCH
Artikelnummer: EB-060166E139-2610919270
Netto: 3,63 € zzgl. MwSt.
zzgl. 6,90 € Versand (brutto)
einmalig pro Bestellung

Lieferzeit: 5 Werktage

Stück
Pos.
65
BOSCH Knopf | Ersatzteile für 4410 | 2610915714
Hersteller: BOSCH
Artikelnummer: EB-060166E139-2610915714
nur Informationsartikel
Nie mehr lieferbar
keine Alternativen
Pos.
66
BOSCH Haltearm | Ersatzteile für 4410 | 2610915715
Hersteller: BOSCH
Artikelnummer: EB-060166E139-2610915715
Netto: 3,94 € zzgl. MwSt.
zzgl. 6,90 € Versand (brutto)
einmalig pro Bestellung

Lieferzeit: 5 Werktage

Stück
Pos.
67
BOSCH Leitungshalter | Ersatzteile für 4410 | 2610919570
Hersteller: BOSCH
Artikelnummer: EB-060166E139-2610919570
Netto: 3,94 € zzgl. MwSt.
zzgl. 6,90 € Versand (brutto)
einmalig pro Bestellung

Lieferzeit: 5 Werktage

Stück
Pos.
68
BOSCH Haltearm | Ersatzteile für 4410 | 2610915717
Hersteller: BOSCH
Artikelnummer: EB-060166E139-2610915717
Netto: 3,63 € zzgl. MwSt.
zzgl. 6,90 € Versand (brutto)
einmalig pro Bestellung

Lieferzeit: 5 Werktage

Stück
Pos.
69
BOSCH Radschutz | Ersatzteile für 4410 | 2610927693
Hersteller: BOSCH
Artikelnummer: EB-060166E139-2610927693
Netto: 24,13 € zzgl. MwSt.
zzgl. 6,90 € Versand (brutto)
einmalig pro Bestellung

Lieferzeit: 5 Werktage

Stück
Pos.
70
BOSCH Blech | Ersatzteile für 4410 | 2610915719
Hersteller: BOSCH
Artikelnummer: EB-060166E139-2610915719
Netto: 6,15 € zzgl. MwSt.
zzgl. 6,90 € Versand (brutto)
einmalig pro Bestellung

Lieferzeit: 5 Werktage

Stück
Pos.
71
BOSCH Gestänge | Ersatzteile für 4410 | 2610919284
Hersteller: BOSCH
Artikelnummer: EB-060166E139-2610919284
Netto: 7,36 € zzgl. MwSt.
zzgl. 6,90 € Versand (brutto)
einmalig pro Bestellung

Lieferzeit: 5 Werktage

Stück
Pos.
72
BOSCH Verschlusshebel | Ersatzteile für 4410 | 2610919274
Hersteller: BOSCH
Artikelnummer: EB-060166E139-2610919274
Netto: 14,36 € zzgl. MwSt.
zzgl. 6,90 € Versand (brutto)
einmalig pro Bestellung

Lieferzeit: 5 Werktage

Stück
Pos.
73
BOSCH Prallschutz | Ersatzteile für 4410 | 2610915722
Hersteller: BOSCH
Artikelnummer: EB-060166E139-2610915722
Netto: 4,82 € zzgl. MwSt.
zzgl. 6,90 € Versand (brutto)
einmalig pro Bestellung

Lieferzeit: 5 Werktage

Stück
Pos.
74
BOSCH Stange | Ersatzteile für 4410 | 2610919290
Hersteller: BOSCH
Artikelnummer: EB-060166E139-2610919290
Netto: 12,98 € zzgl. MwSt.
zzgl. 6,90 € Versand (brutto)
einmalig pro Bestellung

Lieferzeit: 5 Werktage

Stück
Pos.
75
BOSCH Laufrolle | Ersatzteile für 4410 | 2610915724
Hersteller: BOSCH
Artikelnummer: EB-060166E139-2610915724
Netto: 4,32 € zzgl. MwSt.
zzgl. 6,90 € Versand (brutto)
einmalig pro Bestellung

Lieferzeit: 5 Werktage

Stück
Pos.
76
BOSCH Hubring | Ersatzteile für 4410 | 2610919271
Hersteller: BOSCH
Artikelnummer: EB-060166E139-2610919271
Netto: 7,76 € zzgl. MwSt.
zzgl. 6,90 € Versand (brutto)
einmalig pro Bestellung

Lieferzeit: 5 Werktage

Stück
Pos.
77
BOSCH Druckknopf | Ersatzteile für 4410 | 2610915726
Hersteller: BOSCH
Artikelnummer: EB-060166E139-2610915726
Netto: 7,18 € zzgl. MwSt.
zzgl. 6,90 € Versand (brutto)
einmalig pro Bestellung

Lieferzeit: 5 Werktage

Stück
Pos.
78
BOSCH Anschlagplatte | Ersatzteile für 4410 | 1609902518
Hersteller: BOSCH
Artikelnummer: EB-060166E139-1609902518
Netto: 5,67 € zzgl. MwSt.
zzgl. 6,90 € Versand (brutto)
einmalig pro Bestellung

Lieferzeit: 5 Werktage

Stück
Pos.
79
BOSCH Knopf | Ersatzteile für 4410 | 2610915687
Hersteller: BOSCH
Artikelnummer: EB-060166E139-2610915687
Netto: 7,30 € zzgl. MwSt.
zzgl. 6,90 € Versand (brutto)
einmalig pro Bestellung

Lieferzeit: 5 Werktage

Stück
Pos.
80
BOSCH Verschlusshebel | Ersatzteile für 4410 | 2610915688
Hersteller: BOSCH
Artikelnummer: EB-060166E139-2610915688
nur Informationsartikel
Nie mehr lieferbar
keine Alternativen
Pos.
81
BOSCH Verschlusshebel | Ersatzteile für 4410 | 2610915689
Hersteller: BOSCH
Artikelnummer: EB-060166E139-2610915689
Netto: 7,76 € zzgl. MwSt.
zzgl. 6,90 € Versand (brutto)
einmalig pro Bestellung

Lieferzeit: 5 Werktage

Stück
Pos.
82
BOSCH Rückhalteblech | Ersatzteile für 4410 | 2610915690
Hersteller: BOSCH
Artikelnummer: EB-060166E139-2610915690
nur Informationsartikel
Nie mehr lieferbar
keine Alternativen
Pos.
83
BOSCH Abdeckkappe | Ersatzteile für 4410 | 2610915691
Hersteller: BOSCH
Artikelnummer: EB-060166E139-2610915691
Netto: 3,93 € zzgl. MwSt.
zzgl. 6,90 € Versand (brutto)
einmalig pro Bestellung

Lieferzeit: 5 Werktage

Stück
Pos.
84
BOSCH Zeiger | Ersatzteile für 4410 | 2610919288
Hersteller: BOSCH
Artikelnummer: EB-060166E139-2610919288
Netto: 4,32 € zzgl. MwSt.
zzgl. 6,90 € Versand (brutto)
einmalig pro Bestellung

Lieferzeit: 5 Werktage

Stück
Pos.
85
BOSCH Zeiger | Ersatzteile für 4410 | 2610919283
Hersteller: BOSCH
Artikelnummer: EB-060166E139-2610919283
Netto: 3,63 € zzgl. MwSt.
zzgl. 6,90 € Versand (brutto)
einmalig pro Bestellung

Lieferzeit: 5 Werktage

Stück
Pos.
86
BOSCH Kabelhalter | Ersatzteile für 4410 | 2610915694
Hersteller: BOSCH
Artikelnummer: EB-060166E139-2610915694
Netto: 9,18 € zzgl. MwSt.
zzgl. 6,90 € Versand (brutto)
einmalig pro Bestellung

Lieferzeit: 5 Werktage

Stück
Pos.
88
BOSCH Skalenplatte | Ersatzteile für 4410 | 2610921478
Hersteller: BOSCH
Artikelnummer: EB-060166E139-2610921478
Netto: 3,63 € zzgl. MwSt.
zzgl. 6,90 € Versand (brutto)
einmalig pro Bestellung

Lieferzeit: 5 Werktage

Stück
Pos.
89
BOSCH Anschlagbock | Ersatzteile für 4410 | 2610919574
Hersteller: BOSCH
Artikelnummer: EB-060166E139-2610919574
Netto: 15,75 € zzgl. MwSt.
zzgl. 6,90 € Versand (brutto)
einmalig pro Bestellung

Lieferzeit: 5 Werktage

Stück
Pos.
90
BOSCH Steckschlüsseleinsatz | Ersatzteile für 4410 | 2610915698
Hersteller: BOSCH
Artikelnummer: EB-060166E139-2610915698
Netto: 7,76 € zzgl. MwSt.
zzgl. 6,90 € Versand (brutto)
einmalig pro Bestellung

Lieferzeit: 5 Werktage

Stück
Pos.
91
BOSCH Gummibuchse | Ersatzteile für 4410 | 2610915699
Hersteller: BOSCH
Artikelnummer: EB-060166E139-2610915699
Netto: 7,76 € zzgl. MwSt.
zzgl. 6,90 € Versand (brutto)
einmalig pro Bestellung

Lieferzeit: 5 Werktage

Stück
Pos.
92
BOSCH Lagerlasche | Ersatzteile für 4410 | 2610915700
Hersteller: BOSCH
Artikelnummer: EB-060166E139-2610915700
Netto: 3,94 € zzgl. MwSt.
zzgl. 6,90 € Versand (brutto)
einmalig pro Bestellung

Lieferzeit: 5 Werktage

Stück
Pos.
93
BOSCH Rückhalteblech | Ersatzteile für 4410 | 2610915701
Hersteller: BOSCH
Artikelnummer: EB-060166E139-2610915701
Netto: 5,19 € zzgl. MwSt.
zzgl. 6,90 € Versand (brutto)
einmalig pro Bestellung

Lieferzeit: 5 Werktage

Stück
Pos.
94
BOSCH Getriebedeckel | Ersatzteile für 4410 | 2610927711
Hersteller: BOSCH
Artikelnummer: EB-060166E139-2610927711
Netto: 14,08 € zzgl. MwSt.
zzgl. 6,90 € Versand (brutto)
einmalig pro Bestellung

Lieferzeit: 5 Werktage

Stück
Pos.
95
BOSCH Gleitplatte | Ersatzteile für 4410 | 2610911863
Hersteller: BOSCH
Artikelnummer: EB-060166E139-2610911863
Netto: 7,76 € zzgl. MwSt.
zzgl. 6,90 € Versand (brutto)
einmalig pro Bestellung

Lieferzeit: 5 Werktage

Stück
Pos.
97
BOSCH Führungsbügel | Ersatzteile für 4410 | 2610916459
Hersteller: BOSCH
Artikelnummer: EB-060166E139-2610916459
nur Informationsartikel
Nie mehr lieferbar
keine Alternativen
Pos.
98
BOSCH Durchführung | Ersatzteile für 4410 | 2610916460
Hersteller: BOSCH
Artikelnummer: EB-060166E139-2610916460
Netto: 3,63 € zzgl. MwSt.
zzgl. 6,90 € Versand (brutto)
einmalig pro Bestellung

Lieferzeit: 5 Werktage

Stück
Pos.
99
BOSCH Schraube | Ersatzteile für 4410 | 2610921843
Hersteller: BOSCH
Artikelnummer: EB-060166E139-2610921843
Netto: 4,39 € zzgl. MwSt.
zzgl. 6,90 € Versand (brutto)
einmalig pro Bestellung

Lieferzeit: 5 Werktage

Stück
Pos.
100
BOSCH Rastbolzen | Ersatzteile für 4410 | 2610916462
Hersteller: BOSCH
Artikelnummer: EB-060166E139-2610916462
Netto: 4,76 € zzgl. MwSt.
zzgl. 6,90 € Versand (brutto)
einmalig pro Bestellung

Lieferzeit: 5 Werktage

Stück
Pos.
102
BOSCH Welle old L=127mm | Ersatzteile für 4410 | 2610919580
Hersteller: BOSCH
Artikelnummer: EB-060166E139-2610919580
Netto: 10,92 € zzgl. MwSt.
zzgl. 6,90 € Versand (brutto)
einmalig pro Bestellung

Lieferzeit: 5 Werktage

Stück
Pos.
103
BOSCH Rastbolzen | Ersatzteile für 4410 | 2610915759
Hersteller: BOSCH
Artikelnummer: EB-060166E139-2610915759
Netto: 5,67 € zzgl. MwSt.
zzgl. 6,90 € Versand (brutto)
einmalig pro Bestellung

Lieferzeit: 5 Werktage

Stück
Pos.
104
BOSCH Schiebelager | Ersatzteile für 4410 | 2610915760
Hersteller: BOSCH
Artikelnummer: EB-060166E139-2610915760
Netto: 77,60 € zzgl. MwSt.
zzgl. 6,90 € Versand (brutto)
einmalig pro Bestellung

Lieferzeit: 5 Werktage

Stück
Pos.
105
BOSCH Gleitleiste | Ersatzteile für 4410 | 2610916792
Hersteller: BOSCH
Artikelnummer: EB-060166E139-2610916792
Netto: 47,09 € zzgl. MwSt.
zzgl. 6,90 € Versand (brutto)
einmalig pro Bestellung

Lieferzeit: 5 Werktage

Stück
Pos.
106
BOSCH Gleitleiste | Ersatzteile für 4410 | 2610916793
Hersteller: BOSCH
Artikelnummer: EB-060166E139-2610916793
Netto: 57,47 € zzgl. MwSt.
zzgl. 6,90 € Versand (brutto)
einmalig pro Bestellung

Lieferzeit: 5 Werktage

Stück
Pos.
107
BOSCH Drehfeder | Ersatzteile für 4410 | 2610922577
Hersteller: BOSCH
Artikelnummer: EB-060166E139-2610922577
Netto: 11,92 € zzgl. MwSt.
zzgl. 6,90 € Versand (brutto)
einmalig pro Bestellung

Lieferzeit: 5 Werktage

Stück
Pos.
108
BOSCH Manschette | Ersatzteile für 4410 | 2610916795
Hersteller: BOSCH
Artikelnummer: EB-060166E139-2610916795
Netto: 4,53 € zzgl. MwSt.
zzgl. 6,90 € Versand (brutto)
einmalig pro Bestellung

Lieferzeit: 5 Werktage

Stück
Pos.
109
BOSCH Welle | Ersatzteile für 4410 | 2610916796
Hersteller: BOSCH
Artikelnummer: EB-060166E139-2610916796
Netto: 7,30 € zzgl. MwSt.
zzgl. 6,90 € Versand (brutto)
einmalig pro Bestellung

Lieferzeit: 5 Werktage

Stück
Pos.
110
BOSCH Sperrstift | Ersatzteile für 4410 | 2610919577
Hersteller: BOSCH
Artikelnummer: EB-060166E139-2610919577
Netto: 9,95 € zzgl. MwSt.
zzgl. 6,90 € Versand (brutto)
einmalig pro Bestellung

Lieferzeit: 5 Werktage

Stück
Pos.
111
BOSCH Zahnrad | Ersatzteile für 4410 | 2610916798
Hersteller: BOSCH
Artikelnummer: EB-060166E139-2610916798
Netto: 21,16 € zzgl. MwSt.
zzgl. 6,90 € Versand (brutto)
einmalig pro Bestellung

Lieferzeit: 5 Werktage

Stück
Pos.
112
BOSCH Verstellwelle | Ersatzteile für 4410 | 2610924725
Hersteller: BOSCH
Artikelnummer: EB-060166E139-2610924725
nur Informationsartikel
Nie mehr lieferbar
keine Alternativen
Pos.
113
BOSCH Einklebeblatt | Ersatzteile für 4410 | 2610920804
Hersteller: BOSCH
Artikelnummer: EB-060166E139-2610920804
nur Informationsartikel
Nie mehr lieferbar
keine Alternativen
Pos.
115
BOSCH Bürstendeckel Ø 22mm | Ersatzteile für 4410 | 2610916802
Hersteller: BOSCH
Artikelnummer: EB-060166E139-2610916802
nur Informationsartikel
Nie mehr lieferbar
keine Alternativen
Pos.
116
BOSCH Verlängerungswelle | Ersatzteile für 4410 | 2610916803
Hersteller: BOSCH
Artikelnummer: EB-060166E139-2610916803
Netto: 8,13 € zzgl. MwSt.
zzgl. 6,90 € Versand (brutto)
einmalig pro Bestellung

Lieferzeit: 5 Werktage

Stück
Pos.
117
BOSCH Antriebsscheibe | Ersatzteile für 4410 | 2610916804
Hersteller: BOSCH
Artikelnummer: EB-060166E139-2610916804
Netto: 4,82 € zzgl. MwSt.
zzgl. 6,90 € Versand (brutto)
einmalig pro Bestellung

Lieferzeit: 5 Werktage

Stück
Pos.
118
BOSCH Breitkeilriemen | Ersatzteile für 4410 | 2610921197
Hersteller: BOSCH
Artikelnummer: EB-060166E139-2610921197
Netto: 25,97 € zzgl. MwSt.
zzgl. 6,90 € Versand (brutto)
einmalig pro Bestellung

Lieferzeit: 5 Werktage

Stück
Pos.
119
BOSCH Riemenscheibe | Ersatzteile für 4410 | 2610919294
Hersteller: BOSCH
Artikelnummer: EB-060166E139-2610919294
Netto: 12,98 € zzgl. MwSt.
zzgl. 6,90 € Versand (brutto)
einmalig pro Bestellung

Lieferzeit: 5 Werktage

Stück
Pos.
120
BOSCH Führungsplatte | Ersatzteile für 4410 | 2610916807
Hersteller: BOSCH
Artikelnummer: EB-060166E139-2610916807
Netto: 4,82 € zzgl. MwSt.
zzgl. 6,90 € Versand (brutto)
einmalig pro Bestellung

Lieferzeit: 5 Werktage

Stück
Pos.
121
BOSCH Zählerwelle | Ersatzteile für 4410 | 2610933125
Hersteller: BOSCH
Artikelnummer: EB-060166E139-2610933125
Netto: 29,45 € zzgl. MwSt.
zzgl. 6,90 € Versand (brutto)
einmalig pro Bestellung

Lieferzeit: 5 Werktage

Stück
Pos.
122
BOSCH Keil | Ersatzteile für 4410 | 2610916809
Hersteller: BOSCH
Artikelnummer: EB-060166E139-2610916809
Netto: 3,94 € zzgl. MwSt.
zzgl. 6,90 € Versand (brutto)
einmalig pro Bestellung

Lieferzeit: 5 Werktage

Stück
Pos.
123
BOSCH Rastbolzen | Ersatzteile für 4410 | 2610916810
Hersteller: BOSCH
Artikelnummer: EB-060166E139-2610916810
Netto: 5,67 € zzgl. MwSt.
zzgl. 6,90 € Versand (brutto)
einmalig pro Bestellung

Lieferzeit: 5 Werktage

Stück
Pos.
124
BOSCH Hebelwelle | Ersatzteile für 4410 | 1609902678
Hersteller: BOSCH
Artikelnummer: EB-060166E139-1609902678
Netto: 7,30 € zzgl. MwSt.
zzgl. 6,90 € Versand (brutto)
einmalig pro Bestellung

Lieferzeit: 5 Werktage

Stück
Pos.
125
BOSCH Klebeschild | Ersatzteile für 4410 | 2610916812
Hersteller: BOSCH
Artikelnummer: EB-060166E139-2610916812
nur Informationsartikel
Nie mehr lieferbar
keine Alternativen
Pos.
126
BOSCH Sicherungsmutter | Ersatzteile für 4410 | 2610911886
Hersteller: BOSCH
Artikelnummer: EB-060166E139-2610911886
Netto: 3,63 € zzgl. MwSt.
zzgl. 6,90 € Versand (brutto)
einmalig pro Bestellung

Lieferzeit: 5 Werktage

Stück
Pos.
127
BOSCH Unterlegscheibe | Ersatzteile für 4410 | 2610911887
Hersteller: BOSCH
Artikelnummer: EB-060166E139-2610911887
Netto: 3,63 € zzgl. MwSt.
zzgl. 6,90 € Versand (brutto)
einmalig pro Bestellung

Lieferzeit: 5 Werktage

Stück
Pos.
128
BOSCH Federscheibe | Ersatzteile für 4410 | 2610911868
Hersteller: BOSCH
Artikelnummer: EB-060166E139-2610911868
Netto: 3,63 € zzgl. MwSt.
zzgl. 6,90 € Versand (brutto)
einmalig pro Bestellung

Lieferzeit: 5 Werktage

Stück
Pos.
129
BOSCH Kombi-Schraube | Ersatzteile für 4410 | 2610911907
Hersteller: BOSCH
Artikelnummer: EB-060166E139-2610911907
Netto: 3,63 € zzgl. MwSt.
zzgl. 6,90 € Versand (brutto)
einmalig pro Bestellung

Lieferzeit: 5 Werktage

Stück
Pos.
130
BOSCH Gewindestift | Ersatzteile für 4410 | 2610911908
Hersteller: BOSCH
Artikelnummer: EB-060166E139-2610911908
Netto: 3,94 € zzgl. MwSt.
zzgl. 6,90 € Versand (brutto)
einmalig pro Bestellung

Lieferzeit: 5 Werktage

Stück
Pos.
131
BOSCH Ausgleichscheibe | Ersatzteile für 4410 | 2610911937
Hersteller: BOSCH
Artikelnummer: EB-060166E139-2610911937
Netto: 5,19 € zzgl. MwSt.
zzgl. 6,90 € Versand (brutto)
einmalig pro Bestellung

Lieferzeit: 5 Werktage

Stück
Pos.
132
BOSCH Flansch | Ersatzteile für 4410 | 2610911909
Hersteller: BOSCH
Artikelnummer: EB-060166E139-2610911909
Netto: 7,30 € zzgl. MwSt.
zzgl. 6,90 € Versand (brutto)
einmalig pro Bestellung

Lieferzeit: 5 Werktage

Stück
Pos.
134
BOSCH Laufbolzen | Ersatzteile für 4410 | 2610924286
Hersteller: BOSCH
Artikelnummer: EB-060166E139-2610924286
nur Informationsartikel
Nie mehr lieferbar
keine Alternativen
Pos.
135
BOSCH Stange | Ersatzteile für 4410 | 2610921469
Hersteller: BOSCH
Artikelnummer: EB-060166E139-2610921469
Netto: 5,19 € zzgl. MwSt.
zzgl. 6,90 € Versand (brutto)
einmalig pro Bestellung

Lieferzeit: 5 Werktage

Stück
Pos.
136
BOSCH Ansatzschraube | Ersatzteile für 4410 | 2610911598
Hersteller: BOSCH
Artikelnummer: EB-060166E139-2610911598
Netto: 3,94 € zzgl. MwSt.
zzgl. 6,90 € Versand (brutto)
einmalig pro Bestellung

Lieferzeit: 5 Werktage

Stück
Pos.
137
BOSCH Unterlegscheibe | Ersatzteile für 4410 | 2610911599
Hersteller: BOSCH
Artikelnummer: EB-060166E139-2610911599
Netto: 3,63 € zzgl. MwSt.
zzgl. 6,90 € Versand (brutto)
einmalig pro Bestellung

Lieferzeit: 5 Werktage

Stück
Pos.
138
BOSCH Beilegring | Ersatzteile für 4410 | 2610911850
Hersteller: BOSCH
Artikelnummer: EB-060166E139-2610911850
nur Informationsartikel
Nie mehr lieferbar
keine Alternativen
Pos.
139
BOSCH Kabelklemme | Ersatzteile für 4410 | 2610911872
Hersteller: BOSCH
Artikelnummer: EB-060166E139-2610911872
Netto: 3,63 € zzgl. MwSt.
zzgl. 6,90 € Versand (brutto)
einmalig pro Bestellung

Lieferzeit: 5 Werktage

Stück
Pos.
140
BOSCH Schraube | Ersatzteile für 4410 | 2610911458
Hersteller: BOSCH
Artikelnummer: EB-060166E139-2610911458
nur Informationsartikel
Nie mehr lieferbar
keine Alternativen
Pos.
141
BOSCH Schraube | Ersatzteile für 4410 | 2610998572
Hersteller: BOSCH
Artikelnummer: EB-060166E139-2610998572
Netto: 3,63 € zzgl. MwSt.
zzgl. 6,90 € Versand (brutto)
einmalig pro Bestellung

Lieferzeit: 5 Werktage

Stück
Pos.
142
BOSCH Schraube | Ersatzteile für 4410 | 2610950117
Hersteller: BOSCH
Artikelnummer: EB-060166E139-2610950117
Netto: 3,63 € zzgl. MwSt.
zzgl. 6,90 € Versand (brutto)
einmalig pro Bestellung

Lieferzeit: 5 Werktage

Stück
Pos.
143
BOSCH Schraube | Ersatzteile für 4410 | 2615297323
Hersteller: BOSCH
Artikelnummer: EB-060166E139-2615297323
nur Informationsartikel
Nie mehr lieferbar
keine Alternativen
Pos.
144
BOSCH Mutter | Ersatzteile für 4410 | 2610911896
Hersteller: BOSCH
Artikelnummer: EB-060166E139-2610911896
nur Informationsartikel
Nie mehr lieferbar
keine Alternativen
Pos.
145
BOSCH Sechskantschraube | Ersatzteile für 4410 | 2610911861
Hersteller: BOSCH
Artikelnummer: EB-060166E139-2610911861
Netto: 5,17 € zzgl. MwSt.
zzgl. 6,90 € Versand (brutto)
einmalig pro Bestellung

Lieferzeit: 5 Werktage

Stück
Pos.
146
BOSCH Gewindestift | Ersatzteile für 4410 | 2610356437
Hersteller: BOSCH
Artikelnummer: EB-060166E139-2610356437
Netto: 3,63 € zzgl. MwSt.
zzgl. 6,90 € Versand (brutto)
einmalig pro Bestellung

Lieferzeit: 5 Werktage

Stück
Pos.
147
BOSCH Schraube | Ersatzteile für 4410 | 2610911899
Hersteller: BOSCH
Artikelnummer: EB-060166E139-2610911899
Netto: 3,63 € zzgl. MwSt.
zzgl. 6,90 € Versand (brutto)
einmalig pro Bestellung

Lieferzeit: 5 Werktage

Stück
Pos.
148
BOSCH Gummibuchse | Ersatzteile für 4410 | 2610358846
Hersteller: BOSCH
Artikelnummer: EB-060166E139-2610358846
Netto: 3,94 € zzgl. MwSt.
zzgl. 6,90 € Versand (brutto)
einmalig pro Bestellung

Lieferzeit: 5 Werktage

Stück
Pos.
149
BOSCH Schraube | Ersatzteile für 4410 | 2610911918
Hersteller: BOSCH
Artikelnummer: EB-060166E139-2610911918
Netto: 4,53 € zzgl. MwSt.
zzgl. 6,90 € Versand (brutto)
einmalig pro Bestellung

Lieferzeit: 5 Werktage

Stück
Pos.
150
BOSCH Sicherungsmutter | Ersatzteile für 4410 | 2610911901
Hersteller: BOSCH
Artikelnummer: EB-060166E139-2610911901
Netto: 3,94 € zzgl. MwSt.
zzgl. 6,90 € Versand (brutto)
einmalig pro Bestellung

Lieferzeit: 5 Werktage

Stück
Pos.
151
BOSCH Unterlegscheibe | Ersatzteile für 4410 | 2610347092
Hersteller: BOSCH
Artikelnummer: EB-060166E139-2610347092
Netto: 3,63 € zzgl. MwSt.
zzgl. 6,90 € Versand (brutto)
einmalig pro Bestellung

Lieferzeit: 5 Werktage

Stück
Pos.
152
BOSCH Schraube | Ersatzteile für 4410 | 2610911897
Hersteller: BOSCH
Artikelnummer: EB-060166E139-2610911897
nur Informationsartikel
Nie mehr lieferbar
keine Alternativen
Pos.
153
BOSCH Rückhalteblech | Ersatzteile für 4410 | 2610919287
Hersteller: BOSCH
Artikelnummer: EB-060166E139-2610919287
Netto: 5,67 € zzgl. MwSt.
zzgl. 6,90 € Versand (brutto)
einmalig pro Bestellung

Lieferzeit: 5 Werktage

Stück
Pos.
154
BOSCH Schraube | Ersatzteile für 4410 | 2610911900
Hersteller: BOSCH
Artikelnummer: EB-060166E139-2610911900
Netto: 3,63 € zzgl. MwSt.
zzgl. 6,90 € Versand (brutto)
einmalig pro Bestellung

Lieferzeit: 5 Werktage

Stück
Pos.
155
BOSCH Schraube | Ersatzteile für 4410 | 2610910784
Hersteller: BOSCH
Artikelnummer: EB-060166E139-2610910784
nur Informationsartikel
Nie mehr lieferbar
keine Alternativen
Pos.
156
BOSCH Stift | Ersatzteile für 4410 | 2610997274
Hersteller: BOSCH
Artikelnummer: EB-060166E139-2610997274
Netto: 3,63 € zzgl. MwSt.
zzgl. 6,90 € Versand (brutto)
einmalig pro Bestellung

Lieferzeit: 5 Werktage

Stück
Pos.
157
BOSCH Vierkantmutter | Ersatzteile für 4410 | 2610355332
Hersteller: BOSCH
Artikelnummer: EB-060166E139-2610355332
nur Informationsartikel
Nie mehr lieferbar
keine Alternativen
Pos.
158
BOSCH Vorlegscheibe | Ersatzteile für 4410 | 2610921458
Hersteller: BOSCH
Artikelnummer: EB-060166E139-2610921458
Netto: 3,63 € zzgl. MwSt.
zzgl. 6,90 € Versand (brutto)
einmalig pro Bestellung

Lieferzeit: 5 Werktage

Stück
Pos.
159
BOSCH Filzring | Ersatzteile für 4410 | 2610911589
Hersteller: BOSCH
Artikelnummer: EB-060166E139-2610911589
Netto: 8,33 € zzgl. MwSt.
zzgl. 6,90 € Versand (brutto)
einmalig pro Bestellung

Lieferzeit: 5 Werktage

Stück
Pos.
160
BOSCH Klemmstein | Ersatzteile für 4410 | 2610919102
Hersteller: BOSCH
Artikelnummer: EB-060166E139-2610919102
Netto: 6,70 € zzgl. MwSt.
zzgl. 6,90 € Versand (brutto)
einmalig pro Bestellung

Lieferzeit: 5 Werktage

Stück
Pos.
161
BOSCH Gewindestift | Ersatzteile für 4410 | 2610911914
Hersteller: BOSCH
Artikelnummer: EB-060166E139-2610911914
Netto: 4,32 € zzgl. MwSt.
zzgl. 6,90 € Versand (brutto)
einmalig pro Bestellung

Lieferzeit: 5 Werktage

Stück
Pos.
162
BOSCH Mutter | Ersatzteile für 4410 | 2610358149
Hersteller: BOSCH
Artikelnummer: EB-060166E139-2610358149
Netto: 3,63 € zzgl. MwSt.
zzgl. 6,90 € Versand (brutto)
einmalig pro Bestellung

Lieferzeit: 5 Werktage

Stück
Pos.
163
BOSCH Gummi-Ohrkissen | Ersatzteile für 4410 | 2610911584
Hersteller: BOSCH
Artikelnummer: EB-060166E139-2610911584
Netto: 3,63 € zzgl. MwSt.
zzgl. 6,90 € Versand (brutto)
einmalig pro Bestellung

Lieferzeit: 5 Werktage

Stück
Pos.
164
BOSCH Knopf | Ersatzteile für 4410 | 2610911583
Hersteller: BOSCH
Artikelnummer: EB-060166E139-2610911583
Netto: 7,76 € zzgl. MwSt.
zzgl. 6,90 € Versand (brutto)
einmalig pro Bestellung

Lieferzeit: 5 Werktage

Stück
Pos.
165
BOSCH Feder | Ersatzteile für 4410 | 2610911582
Hersteller: BOSCH
Artikelnummer: EB-060166E139-2610911582
Netto: 3,63 € zzgl. MwSt.
zzgl. 6,90 € Versand (brutto)
einmalig pro Bestellung

Lieferzeit: 5 Werktage

Stück
Pos.
166
BOSCH Bolzen | Ersatzteile für 4410 | 2610947520
Hersteller: BOSCH
Artikelnummer: EB-060166E139-2610947520
nur Informationsartikel
Nie mehr lieferbar
keine Alternativen
Pos.
167
BOSCH Druckfeder | Ersatzteile für 4410 | 2610911576
Hersteller: BOSCH
Artikelnummer: EB-060166E139-2610911576
nur Informationsartikel
Nie mehr lieferbar
keine Alternativen
Pos.
168
BOSCH Haltebolzen | Ersatzteile für 4410 | 2610911577
Hersteller: BOSCH
Artikelnummer: EB-060166E139-2610911577
Netto: 3,94 € zzgl. MwSt.
zzgl. 6,90 € Versand (brutto)
einmalig pro Bestellung

Lieferzeit: 5 Werktage

Stück
Pos.
169
BOSCH Schraube | Ersatzteile für 4410 | 2610358848
Hersteller: BOSCH
Artikelnummer: EB-060166E139-2610358848
Netto: 3,94 € zzgl. MwSt.
zzgl. 6,90 € Versand (brutto)
einmalig pro Bestellung

Lieferzeit: 5 Werktage

Stück
Pos.
170
BOSCH Schraube 18,9 MM | Ersatzteile für 4410 | 2610327859
Hersteller: BOSCH
Artikelnummer: EB-060166E139-2610327859
Netto: 3,94 € zzgl. MwSt.
zzgl. 6,90 € Versand (brutto)
einmalig pro Bestellung

Lieferzeit: 5 Werktage

Stück
Pos.
171
BOSCH Ansatzschraube | Ersatzteile für 4410 | 2610911911
Hersteller: BOSCH
Artikelnummer: EB-060166E139-2610911911
Netto: 3,63 € zzgl. MwSt.
zzgl. 6,90 € Versand (brutto)
einmalig pro Bestellung

Lieferzeit: 5 Werktage

Stück
Pos.
172
BOSCH Rundgummi | Ersatzteile für 4410 | 2610911921
Hersteller: BOSCH
Artikelnummer: EB-060166E139-2610911921
Netto: 3,63 € zzgl. MwSt.
zzgl. 6,90 € Versand (brutto)
einmalig pro Bestellung

Lieferzeit: 5 Werktage

Stück
Pos.
173
BOSCH Kugellager | Ersatzteile für 4410 | 2610911938
Hersteller: BOSCH
Artikelnummer: EB-060166E139-2610911938
Netto: 12,98 € zzgl. MwSt.
zzgl. 6,90 € Versand (brutto)
einmalig pro Bestellung

Lieferzeit: 5 Werktage

Stück
Pos.
174
BOSCH Ansatzschraube | Ersatzteile für 4410 | 2610911883
Hersteller: BOSCH
Artikelnummer: EB-060166E139-2610911883
Netto: 4,39 € zzgl. MwSt.
zzgl. 6,90 € Versand (brutto)
einmalig pro Bestellung

Lieferzeit: 5 Werktage

Stück
Pos.
175
BOSCH Scheibe | Ersatzteile für 4410 | 2610911906
Hersteller: BOSCH
Artikelnummer: EB-060166E139-2610911906
Netto: 3,94 € zzgl. MwSt.
zzgl. 6,90 € Versand (brutto)
einmalig pro Bestellung

Lieferzeit: 5 Werktage

Stück
Pos.
176
BOSCH Sechskantmutter | Ersatzteile für 4410 | 2610911570
Hersteller: BOSCH
Artikelnummer: EB-060166E139-2610911570
nur Informationsartikel
Nie mehr lieferbar
keine Alternativen
Pos.
177
BOSCH Unterlegscheibe | Ersatzteile für 4410 | 2610953068
Hersteller: BOSCH
Artikelnummer: EB-060166E139-2610953068
nur Informationsartikel
Nie mehr lieferbar
keine Alternativen
Pos.
178
BOSCH Sicherungsring | Ersatzteile für 4410 | 2610990521
Hersteller: BOSCH
Artikelnummer: EB-060166E139-2610990521
nur Informationsartikel
Nie mehr lieferbar
keine Alternativen
Pos.
179
BOSCH Schraube | Ersatzteile für 4410 | 2610004925
Hersteller: BOSCH
Artikelnummer: EB-060166E139-2610004925
nur Informationsartikel
Nie mehr lieferbar
keine Alternativen
Pos.
180
BOSCH Bolzen | Ersatzteile für 4410 | 2610358812
Hersteller: BOSCH
Artikelnummer: EB-060166E139-2610358812
Netto: 4,33 € zzgl. MwSt.
zzgl. 6,90 € Versand (brutto)
einmalig pro Bestellung

Lieferzeit: 5 Werktage

Stück
Pos.
181
BOSCH Federscheibe | Ersatzteile für 4410 | 2610355325
Hersteller: BOSCH
Artikelnummer: EB-060166E139-2610355325
Netto: 3,63 € zzgl. MwSt.
zzgl. 6,90 € Versand (brutto)
einmalig pro Bestellung

Lieferzeit: 5 Werktage

Stück
Pos.
183
BOSCH Kugellager | Ersatzteile für 4410 | 2610327846
Hersteller: BOSCH
Artikelnummer: EB-060166E139-2610327846
Netto: 14,36 € zzgl. MwSt.
zzgl. 6,90 € Versand (brutto)
einmalig pro Bestellung

Lieferzeit: 5 Werktage

Stück
Pos.
185
BOSCH Blechschraube | Ersatzteile für 4410 | 2610317505
Hersteller: BOSCH
Artikelnummer: EB-060166E139-2610317505
Netto: 3,63 € zzgl. MwSt.
zzgl. 6,90 € Versand (brutto)
einmalig pro Bestellung

Lieferzeit: 5 Werktage

Stück
Pos.
186
BOSCH Scheibenfeder | Ersatzteile für 4410 | 2610993102
Hersteller: BOSCH
Artikelnummer: EB-060166E139-2610993102
Netto: 4,32 € zzgl. MwSt.
zzgl. 6,90 € Versand (brutto)
einmalig pro Bestellung

Lieferzeit: 5 Werktage

Stück
Pos.
187
BOSCH Sicherungsring | Ersatzteile für 4410 | 2610997281
Hersteller: BOSCH
Artikelnummer: EB-060166E139-2610997281
Netto: 3,63 € zzgl. MwSt.
zzgl. 6,90 € Versand (brutto)
einmalig pro Bestellung

Lieferzeit: 5 Werktage

Stück
Pos.
188
BOSCH Vorlegscheibe | Ersatzteile für 4410 | 2610029674
Hersteller: BOSCH
Artikelnummer: EB-060166E139-2610029674
Netto: 3,94 € zzgl. MwSt.
zzgl. 6,90 € Versand (brutto)
einmalig pro Bestellung

Lieferzeit: 5 Werktage

Stück
Pos.
189
BOSCH Gummiring | Ersatzteile für 4410 | 2610996948
Hersteller: BOSCH
Artikelnummer: EB-060166E139-2610996948
Netto: 3,94 € zzgl. MwSt.
zzgl. 6,90 € Versand (brutto)
einmalig pro Bestellung

Lieferzeit: 5 Werktage

Stück
Pos.
190
BOSCH Nadellager | Ersatzteile für 4410 | 2610358922
Hersteller: BOSCH
Artikelnummer: EB-060166E139-2610358922
Netto: 10,92 € zzgl. MwSt.
zzgl. 6,90 € Versand (brutto)
einmalig pro Bestellung

Lieferzeit: 5 Werktage

Stück
Pos.
191
BOSCH Schraube | Ersatzteile für 4410 | 2610355277
Hersteller: BOSCH
Artikelnummer: EB-060166E139-2610355277
Netto: 5,21 € zzgl. MwSt.
zzgl. 6,90 € Versand (brutto)
einmalig pro Bestellung

Lieferzeit: 5 Werktage

Stück
Pos.
192
BOSCH Scheibe | Ersatzteile für 4410 | 2610015011
Hersteller: BOSCH
Artikelnummer: EB-060166E139-2610015011
Netto: 3,63 € zzgl. MwSt.
zzgl. 6,90 € Versand (brutto)
einmalig pro Bestellung

Lieferzeit: 5 Werktage

Stück
Pos.
193
BOSCH Schraube | Ersatzteile für 4410 | 2610913862
Hersteller: BOSCH
Artikelnummer: EB-060166E139-2610913862
Netto: 3,63 € zzgl. MwSt.
zzgl. 6,90 € Versand (brutto)
einmalig pro Bestellung

Lieferzeit: 5 Werktage

Stück
Pos.
194
BOSCH Gewindestift | Ersatzteile für 4410 | 2610910786
Hersteller: BOSCH
Artikelnummer: EB-060166E139-2610910786
Netto: 3,60 € zzgl. MwSt.
zzgl. 6,90 € Versand (brutto)
einmalig pro Bestellung

Lieferzeit: 5 Werktage

Stück
Pos.
195
BOSCH Ansatzschraube | Ersatzteile für 4410 | 2610919060
Hersteller: BOSCH
Artikelnummer: EB-060166E139-2610919060
Netto: 3,94 € zzgl. MwSt.
zzgl. 6,90 € Versand (brutto)
einmalig pro Bestellung

Lieferzeit: 5 Werktage

Stück
Pos.
196
BOSCH Druckfeder | Ersatzteile für 4410 | 2610919061
Hersteller: BOSCH
Artikelnummer: EB-060166E139-2610919061
Netto: 3,63 € zzgl. MwSt.
zzgl. 6,90 € Versand (brutto)
einmalig pro Bestellung

Lieferzeit: 5 Werktage

Stück
Pos.
197
BOSCH Schraube | Ersatzteile für 4410 | 2610926010
Hersteller: BOSCH
Artikelnummer: EB-060166E139-2610926010
Netto: 5,21 € zzgl. MwSt.
zzgl. 6,90 € Versand (brutto)
einmalig pro Bestellung

Lieferzeit: 5 Werktage

Stück
Pos.
198
BOSCH Schraube | Ersatzteile für 4410 | 2610926011
Hersteller: BOSCH
Artikelnummer: EB-060166E139-2610926011
Netto: 5,21 € zzgl. MwSt.
zzgl. 6,90 € Versand (brutto)
einmalig pro Bestellung

Lieferzeit: 5 Werktage

Stück
Pos.
199
BOSCH Haltering | Ersatzteile für 4410 | 2610912556
Hersteller: BOSCH
Artikelnummer: EB-060166E139-2610912556
Netto: 3,63 € zzgl. MwSt.
zzgl. 6,90 € Versand (brutto)
einmalig pro Bestellung

Lieferzeit: 5 Werktage

Stück
Pos.
201
BOSCH Schraubendrehereinsatz | Ersatzteile für 4410 | 2610919065
Hersteller: BOSCH
Artikelnummer: EB-060166E139-2610919065
Netto: 4,82 € zzgl. MwSt.
zzgl. 6,90 € Versand (brutto)
einmalig pro Bestellung

Lieferzeit: 5 Werktage

Stück
Pos.
203
BOSCH Schraube | Ersatzteile für 4410 | 2610355295
Hersteller: BOSCH
Artikelnummer: EB-060166E139-2610355295
Netto: 4,32 € zzgl. MwSt.
zzgl. 6,90 € Versand (brutto)
einmalig pro Bestellung

Lieferzeit: 5 Werktage

Stück
Pos.
204
BOSCH Druckfeder | Ersatzteile für 4410 | 2610919067
Hersteller: BOSCH
Artikelnummer: EB-060166E139-2610919067
Netto: 3,63 € zzgl. MwSt.
zzgl. 6,90 € Versand (brutto)
einmalig pro Bestellung

Lieferzeit: 5 Werktage

Stück
Pos.
205
BOSCH Druckfeder | Ersatzteile für 4410 | 2610919068
Hersteller: BOSCH
Artikelnummer: EB-060166E139-2610919068
Netto: 3,63 € zzgl. MwSt.
zzgl. 6,90 € Versand (brutto)
einmalig pro Bestellung

Lieferzeit: 5 Werktage

Stück
Pos.
206
BOSCH Federstift | Ersatzteile für 4410 | 2610919069
Hersteller: BOSCH
Artikelnummer: EB-060166E139-2610919069
Netto: 3,94 € zzgl. MwSt.
zzgl. 6,90 € Versand (brutto)
einmalig pro Bestellung

Lieferzeit: 5 Werktage

Stück
Pos.
207
BOSCH Anschlagschraube | Ersatzteile für 4410 | 2610911873
Hersteller: BOSCH
Artikelnummer: EB-060166E139-2610911873
Netto: 4,53 € zzgl. MwSt.
zzgl. 6,90 € Versand (brutto)
einmalig pro Bestellung

Lieferzeit: 5 Werktage

Stück
Pos.
208
BOSCH Ansatzschraube | Ersatzteile für 4410 | 2610919070
Hersteller: BOSCH
Artikelnummer: EB-060166E139-2610919070
Netto: 3,94 € zzgl. MwSt.
zzgl. 6,90 € Versand (brutto)
einmalig pro Bestellung

Lieferzeit: 5 Werktage

Stück
Pos.
209
BOSCH Anschlagschraube | Ersatzteile für 4410 | 2610919071
Hersteller: BOSCH
Artikelnummer: EB-060166E139-2610919071
Netto: 4,32 € zzgl. MwSt.
zzgl. 6,90 € Versand (brutto)
einmalig pro Bestellung

Lieferzeit: 5 Werktage

Stück
Pos.
210
BOSCH Schraube | Ersatzteile für 4410 | 2610320304
Hersteller: BOSCH
Artikelnummer: EB-060166E139-2610320304
Netto: 3,63 € zzgl. MwSt.
zzgl. 6,90 € Versand (brutto)
einmalig pro Bestellung

Lieferzeit: 5 Werktage

Stück
Pos.
211
BOSCH Bremsblech | Ersatzteile für 4410 | 2610919072
Hersteller: BOSCH
Artikelnummer: EB-060166E139-2610919072
Netto: 4,53 € zzgl. MwSt.
zzgl. 6,90 € Versand (brutto)
einmalig pro Bestellung

Lieferzeit: 5 Werktage

Stück
Pos.
212
BOSCH Bremsblech | Ersatzteile für 4410 | 2610919073
Hersteller: BOSCH
Artikelnummer: EB-060166E139-2610919073
Netto: 8,33 € zzgl. MwSt.
zzgl. 6,90 € Versand (brutto)
einmalig pro Bestellung

Lieferzeit: 5 Werktage

Stück
Pos.
214
BOSCH Mutter | Ersatzteile für 4410 | 2615297331
Hersteller: BOSCH
Artikelnummer: EB-060166E139-2615297331
Netto: 3,63 € zzgl. MwSt.
zzgl. 6,90 € Versand (brutto)
einmalig pro Bestellung

Lieferzeit: 5 Werktage

Stück
Pos.
215
BOSCH Pvc-Rohr | Ersatzteile für 4410 | 2610948208
Hersteller: BOSCH
Artikelnummer: EB-060166E139-2610948208
nur Informationsartikel
Nie mehr lieferbar
keine Alternativen
Pos.
216
BOSCH Ansatzschraube | Ersatzteile für 4410 | 2610919075
Hersteller: BOSCH
Artikelnummer: EB-060166E139-2610919075
nur Informationsartikel
Nie mehr lieferbar
keine Alternativen
Pos.
217
BOSCH Ansatzschraube | Ersatzteile für 4410 | 2610919076
Hersteller: BOSCH
Artikelnummer: EB-060166E139-2610919076
Netto: 3,94 € zzgl. MwSt.
zzgl. 6,90 € Versand (brutto)
einmalig pro Bestellung

Lieferzeit: 5 Werktage

Stück
Pos.
218
BOSCH Schraube | Ersatzteile für 4410 | 2610327867
Hersteller: BOSCH
Artikelnummer: EB-060166E139-2610327867
Netto: 3,94 € zzgl. MwSt.
zzgl. 6,90 € Versand (brutto)
einmalig pro Bestellung

Lieferzeit: 5 Werktage

Stück
Pos.
219
BOSCH Schraube | Ersatzteile für 4410 | 2610998575
Hersteller: BOSCH
Artikelnummer: EB-060166E139-2610998575
Netto: 3,63 € zzgl. MwSt.
zzgl. 6,90 € Versand (brutto)
einmalig pro Bestellung

Lieferzeit: 5 Werktage

Stück
Pos.
221
BOSCH Druckfeder | Ersatzteile für 4410 | 2610919077
Hersteller: BOSCH
Artikelnummer: EB-060166E139-2610919077
Netto: 3,63 € zzgl. MwSt.
zzgl. 6,90 € Versand (brutto)
einmalig pro Bestellung

Lieferzeit: 5 Werktage

Stück
Pos.
222
BOSCH Polster | Ersatzteile für 4410 | 2610919078
Hersteller: BOSCH
Artikelnummer: EB-060166E139-2610919078
Netto: 3,94 € zzgl. MwSt.
zzgl. 6,90 € Versand (brutto)
einmalig pro Bestellung

Lieferzeit: 5 Werktage

Stück
Pos.
223
BOSCH Kugellager | Ersatzteile für 4410 | 2610919079
Hersteller: BOSCH
Artikelnummer: EB-060166E139-2610919079
Netto: 15,75 € zzgl. MwSt.
zzgl. 6,90 € Versand (brutto)
einmalig pro Bestellung

Lieferzeit: 5 Werktage

Stück
Pos.
224
BOSCH Druckfeder | Ersatzteile für 4410 | 2610919080
Hersteller: BOSCH
Artikelnummer: EB-060166E139-2610919080
Netto: 3,63 € zzgl. MwSt.
zzgl. 6,90 € Versand (brutto)
einmalig pro Bestellung

Lieferzeit: 5 Werktage

Stück
Pos.
225
BOSCH Haltering | Ersatzteile für 4410 | 2610358869
Hersteller: BOSCH
Artikelnummer: EB-060166E139-2610358869
Netto: 3,94 € zzgl. MwSt.
zzgl. 6,90 € Versand (brutto)
einmalig pro Bestellung

Lieferzeit: 5 Werktage

Stück
Pos.
226
BOSCH Gerätekappe | Ersatzteile für 4410 | 2610919571
Hersteller: BOSCH
Artikelnummer: EB-060166E139-2610919571
Netto: 3,63 € zzgl. MwSt.
zzgl. 6,90 € Versand (brutto)
einmalig pro Bestellung

Lieferzeit: 5 Werktage

Stück
Pos.
228
BOSCH Schraube | Ersatzteile für 4410 | 2610358928
Hersteller: BOSCH
Artikelnummer: EB-060166E139-2610358928
nur Informationsartikel
Nie mehr lieferbar
keine Alternativen
Pos.
229
BOSCH Einsatz | Ersatzteile für 4410 | 2610911569
Hersteller: BOSCH
Artikelnummer: EB-060166E139-2610911569
Netto: 4,53 € zzgl. MwSt.
zzgl. 6,90 € Versand (brutto)
einmalig pro Bestellung

Lieferzeit: 5 Werktage

Stück
Pos.
230
BOSCH Mutter | Ersatzteile für 4410 | 2610327868
Hersteller: BOSCH
Artikelnummer: EB-060166E139-2610327868
Netto: 3,63 € zzgl. MwSt.
zzgl. 6,90 € Versand (brutto)
einmalig pro Bestellung

Lieferzeit: 5 Werktage

Stück
Pos.
231
BOSCH Manschette | Ersatzteile für 4410 | 2610921464
Hersteller: BOSCH
Artikelnummer: EB-060166E139-2610921464
Netto: 3,63 € zzgl. MwSt.
zzgl. 6,90 € Versand (brutto)
einmalig pro Bestellung

Lieferzeit: 5 Werktage

Stück
Pos.
232
BOSCH Schraube | Ersatzteile für 4410 | 2610911929
Hersteller: BOSCH
Artikelnummer: EB-060166E139-2610911929
Netto: 3,63 € zzgl. MwSt.
zzgl. 6,90 € Versand (brutto)
einmalig pro Bestellung

Lieferzeit: 5 Werktage

Stück
Pos.
233
BOSCH Scheibe | Ersatzteile für 4410 | 2610911450
Hersteller: BOSCH
Artikelnummer: EB-060166E139-2610911450
Netto: 3,63 € zzgl. MwSt.
zzgl. 6,90 € Versand (brutto)
einmalig pro Bestellung

Lieferzeit: 5 Werktage

Stück
Pos.
234
BOSCH Lagerdeckel | Ersatzteile für 4410 | 2610911566
Hersteller: BOSCH
Artikelnummer: EB-060166E139-2610911566
Netto: 4,82 € zzgl. MwSt.
zzgl. 6,90 € Versand (brutto)
einmalig pro Bestellung

Lieferzeit: 5 Werktage

Stück
Pos.
235
BOSCH Schraube | Ersatzteile für 4410 | 2610318812
Hersteller: BOSCH
Artikelnummer: EB-060166E139-2610318812
Netto: 4,82 € zzgl. MwSt.
zzgl. 6,90 € Versand (brutto)
einmalig pro Bestellung

Lieferzeit: 5 Werktage

Stück
Pos.
236
BOSCH Haltering | Ersatzteile für 4410 | 2610919083
Hersteller: BOSCH
Artikelnummer: EB-060166E139-2610919083
Netto: 3,63 € zzgl. MwSt.
zzgl. 6,90 € Versand (brutto)
einmalig pro Bestellung

Lieferzeit: 5 Werktage

Stück
Pos.
237
BOSCH Schraube | Ersatzteile für 4410 | 2610919084
Hersteller: BOSCH
Artikelnummer: EB-060166E139-2610919084
Netto: 4,53 € zzgl. MwSt.
zzgl. 6,90 € Versand (brutto)
einmalig pro Bestellung

Lieferzeit: 5 Werktage

Stück
Pos.
238
BOSCH Schraube | Ersatzteile für 4410 | 2610320330
Hersteller: BOSCH
Artikelnummer: EB-060166E139-2610320330
Netto: 3,63 € zzgl. MwSt.
zzgl. 6,90 € Versand (brutto)
einmalig pro Bestellung

Lieferzeit: 5 Werktage

Stück
Pos.
239
BOSCH Druckfeder | Ersatzteile für 4410 | 2610919085
Hersteller: BOSCH
Artikelnummer: EB-060166E139-2610919085
Netto: 3,63 € zzgl. MwSt.
zzgl. 6,90 € Versand (brutto)
einmalig pro Bestellung

Lieferzeit: 5 Werktage

Stück
Pos.
240
BOSCH Schraube | Ersatzteile für 4410 | 2610915162
Hersteller: BOSCH
Artikelnummer: EB-060166E139-2610915162
Netto: 3,63 € zzgl. MwSt.
zzgl. 6,90 € Versand (brutto)
einmalig pro Bestellung

Lieferzeit: 5 Werktage

Stück
Pos.
241
BOSCH Sechskantschraube | Ersatzteile für 4410 | 2610351178
Hersteller: BOSCH
Artikelnummer: EB-060166E139-2610351178
Netto: 3,63 € zzgl. MwSt.
zzgl. 6,90 € Versand (brutto)
einmalig pro Bestellung

Lieferzeit: 5 Werktage

Stück
Pos.
242
BOSCH Schraube | Ersatzteile für 4410 | 2610945488
Hersteller: BOSCH
Artikelnummer: EB-060166E139-2610945488
nur Informationsartikel
Nie mehr lieferbar
keine Alternativen
Pos.
243
BOSCH Stift | Ersatzteile für 4410 | 2610919086
Hersteller: BOSCH
Artikelnummer: EB-060166E139-2610919086
Netto: 4,32 € zzgl. MwSt.
zzgl. 6,90 € Versand (brutto)
einmalig pro Bestellung

Lieferzeit: 5 Werktage

Stück
Pos.
244
BOSCH Gewindestift | Ersatzteile für 4410 | 2610919087
Hersteller: BOSCH
Artikelnummer: EB-060166E139-2610919087
Netto: 4,32 € zzgl. MwSt.
zzgl. 6,90 € Versand (brutto)
einmalig pro Bestellung

Lieferzeit: 5 Werktage

Stück
Pos.
245
BOSCH Schraube | Ersatzteile für 4410 | 2610358519
Hersteller: BOSCH
Artikelnummer: EB-060166E139-2610358519
Netto: 3,63 € zzgl. MwSt.
zzgl. 6,90 € Versand (brutto)
einmalig pro Bestellung

Lieferzeit: 5 Werktage

Stück
Pos.
246
BOSCH Mutter | Ersatzteile für 4410 | 2610925187
Hersteller: BOSCH
Artikelnummer: EB-060166E139-2610925187
Netto: 3,63 € zzgl. MwSt.
zzgl. 6,90 € Versand (brutto)
einmalig pro Bestellung

Lieferzeit: 5 Werktage

Stück
Pos.
247
BOSCH Anschlagplatte | Ersatzteile für 4410 | 2610916061
Hersteller: BOSCH
Artikelnummer: EB-060166E139-2610916061
Netto: 6,15 € zzgl. MwSt.
zzgl. 6,90 € Versand (brutto)
einmalig pro Bestellung

Lieferzeit: 5 Werktage

Stück
Pos.
249
BOSCH Einstellschlüssel | Ersatzteile für 4410 | 2610917658
Hersteller: BOSCH
Artikelnummer: EB-060166E139-2610917658
Netto: 9,18 € zzgl. MwSt.
zzgl. 6,90 € Versand (brutto)
einmalig pro Bestellung

Lieferzeit: 5 Werktage

Stück
Pos.
250
BOSCH Staubbeutel | Ersatzteile für 4410 | 2610006436
Hersteller: BOSCH
Artikelnummer: EB-060166E139-2610006436
nur Informationsartikel
Nie mehr lieferbar
keine Alternativen
Pos.
251
BOSCH Absaugrohr | Ersatzteile für 4410 | 2610919280
Hersteller: BOSCH
Artikelnummer: EB-060166E139-2610919280
nur Informationsartikel
Nie mehr lieferbar
keine Alternativen
Pos.
252
BOSCH Schnellspannvorrichtung | Ersatzteile für 4410 | 2610919089
Hersteller: BOSCH
Artikelnummer: EB-060166E139-2610919089
nur Informationsartikel
Nie mehr lieferbar
keine Alternativen
Pos.
253
BOSCH Einklebeblatt | Ersatzteile für 4410 | 2610917098
Hersteller: BOSCH
Artikelnummer: EB-060166E139-2610917098
nur Informationsartikel
Nie mehr lieferbar
keine Alternativen
Pos.
254
BOSCH Warnschild | Ersatzteile für 4410 | 2610911658
Hersteller: BOSCH
Artikelnummer: EB-060166E139-2610911658
nur Informationsartikel
Nie mehr lieferbar
keine Alternativen
Pos.
255
BOSCH Einklebeblatt | Ersatzteile für 4410 | 2610917099
Hersteller: BOSCH
Artikelnummer: EB-060166E139-2610917099
Netto: 4,32 € zzgl. MwSt.
zzgl. 6,90 € Versand (brutto)
einmalig pro Bestellung

Lieferzeit: 5 Werktage

Stück
Pos.
256
BOSCH Einklebeblatt | Ersatzteile für 4410 | 2610917096
Hersteller: BOSCH
Artikelnummer: EB-060166E139-2610917096
Netto: 4,32 € zzgl. MwSt.
zzgl. 6,90 € Versand (brutto)
einmalig pro Bestellung

Lieferzeit: 5 Werktage

Stück
Pos.
257
BOSCH Klebeschild | Ersatzteile für 4410 | 2610920807
Hersteller: BOSCH
Artikelnummer: EB-060166E139-2610920807
nur Informationsartikel
Nie mehr lieferbar
keine Alternativen
Pos.
259
BOSCH Einklebeblatt | Ersatzteile für 4410 | 2610917097
Hersteller: BOSCH
Artikelnummer: EB-060166E139-2610917097
nur Informationsartikel
Nie mehr lieferbar
keine Alternativen
Pos.
262
BOSCH Verbinder | Ersatzteile für 4410 | 2610911933
Hersteller: BOSCH
Artikelnummer: EB-060166E139-2610911933
Netto: 3,63 € zzgl. MwSt.
zzgl. 6,90 € Versand (brutto)
einmalig pro Bestellung

Lieferzeit: 5 Werktage

Stück
Pos.
263
BOSCH Draht | Ersatzteile für 4410 | 2610921461
Hersteller: BOSCH
Artikelnummer: EB-060166E139-2610921461
nur Informationsartikel
Nie mehr lieferbar
keine Alternativen
Pos.
264
BOSCH Draht | Ersatzteile für 4410 | 2610921462
Hersteller: BOSCH
Artikelnummer: EB-060166E139-2610921462
nur Informationsartikel
Nie mehr lieferbar
keine Alternativen
Pos.
265
BOSCH Draht | Ersatzteile für 4410 | 2610921463
Hersteller: BOSCH
Artikelnummer: EB-060166E139-2610921463
nur Informationsartikel
Nie mehr lieferbar
keine Alternativen
Pos.
266
BOSCH Mutter | Ersatzteile für 4410 | 2610910791
Hersteller: BOSCH
Artikelnummer: EB-060166E139-2610910791
nur Informationsartikel
Nie mehr lieferbar
keine Alternativen
Pos.
267
BOSCH Scheibe | Ersatzteile für 4410 | 2610910792
Hersteller: BOSCH
Artikelnummer: EB-060166E139-2610910792
Netto: 3,63 € zzgl. MwSt.
zzgl. 6,90 € Versand (brutto)
einmalig pro Bestellung

Lieferzeit: 5 Werktage

Stück
Pos.
268
BOSCH Unterlegscheibe | Ersatzteile für 4410 | 2610004578
Hersteller: BOSCH
Artikelnummer: EB-060166E139-2610004578
nur Informationsartikel
Nie mehr lieferbar
keine Alternativen
Pos.
269
BOSCH Gehäuse | Ersatzteile für 4410 | 2610919296
Hersteller: BOSCH
Artikelnummer: EB-060166E139-2610919296
Netto: 6,86 € zzgl. MwSt.
zzgl. 6,90 € Versand (brutto)
einmalig pro Bestellung

Lieferzeit: 5 Werktage

Stück
Pos.
270
BOSCH Verschlussstück | Ersatzteile für 4410 | 2610919297
Hersteller: BOSCH
Artikelnummer: EB-060166E139-2610919297
nur Informationsartikel
Nie mehr lieferbar
keine Alternativen
Pos.
272
BOSCH Schraube | Ersatzteile für 4410 | 2610921470
Hersteller: BOSCH
Artikelnummer: EB-060166E139-2610921470
nur Informationsartikel
Nie mehr lieferbar
keine Alternativen
Pos.
273
BOSCH Schraube | Ersatzteile für 4410 | 2610921471
Hersteller: BOSCH
Artikelnummer: EB-060166E139-2610921471
nur Informationsartikel
Nie mehr lieferbar
keine Alternativen
Pos.
274
BOSCH Platte | Ersatzteile für 4410 | 2610919301
Hersteller: BOSCH
Artikelnummer: EB-060166E139-2610919301
nur Informationsartikel
Nie mehr lieferbar
keine Alternativen
Pos.
275
BOSCH Schraube | Ersatzteile für 4410 | 2610921472
Hersteller: BOSCH
Artikelnummer: EB-060166E139-2610921472
nur Informationsartikel
Nie mehr lieferbar
keine Alternativen
Pos.
276
BOSCH Haltering | Ersatzteile für 4410 | 2610921475
Hersteller: BOSCH
Artikelnummer: EB-060166E139-2610921475
nur Informationsartikel
Nie mehr lieferbar
keine Alternativen
Pos.
277
BOSCH Platte | Ersatzteile für 4410 | 2610919573
Hersteller: BOSCH
Artikelnummer: EB-060166E139-2610919573
nur Informationsartikel
Nie mehr lieferbar
keine Alternativen
Pos.
278
BOSCH Klinke | Ersatzteile für 4410 | 2610919300
Hersteller: BOSCH
Artikelnummer: EB-060166E139-2610919300
nur Informationsartikel
Nie mehr lieferbar
keine Alternativen
Pos.
279
BOSCH Feder | Ersatzteile für 4410 | 2610921476
Hersteller: BOSCH
Artikelnummer: EB-060166E139-2610921476
nur Informationsartikel
Nie mehr lieferbar
keine Alternativen
Pos.
280
BOSCH Haltearm | Ersatzteile für 4410 | 2610919575
Hersteller: BOSCH
Artikelnummer: EB-060166E139-2610919575
nur Informationsartikel
Nie mehr lieferbar
keine Alternativen
Pos.
281
BOSCH Feder | Ersatzteile für 4410 | 2610921477
Hersteller: BOSCH
Artikelnummer: EB-060166E139-2610921477
Netto: 3,94 € zzgl. MwSt.
zzgl. 6,90 € Versand (brutto)
einmalig pro Bestellung

Lieferzeit: 5 Werktage

Stück
Pos.
282
BOSCH Isolierhülse | Ersatzteile für 4410 | 2610921479
Hersteller: BOSCH
Artikelnummer: EB-060166E139-2610921479
nur Informationsartikel
Nie mehr lieferbar
keine Alternativen
Pos.
283
BOSCH Schraube | Ersatzteile für 4410 | 2610921480
Hersteller: BOSCH
Artikelnummer: EB-060166E139-2610921480
Netto: 5,67 € zzgl. MwSt.
zzgl. 6,90 € Versand (brutto)
einmalig pro Bestellung

Lieferzeit: 5 Werktage

Stück
Pos.
284
BOSCH Schraube | Ersatzteile für 4410 | 2610921481
Hersteller: BOSCH
Artikelnummer: EB-060166E139-2610921481
Netto: 3,63 € zzgl. MwSt.
zzgl. 6,90 € Versand (brutto)
einmalig pro Bestellung

Lieferzeit: 5 Werktage

Stück
Pos.
286
BOSCH Doppelmaulschlüssel | Ersatzteile für 4410 | 2610921512
Hersteller: BOSCH
Artikelnummer: EB-060166E139-2610921512
Netto: 5,67 € zzgl. MwSt.
zzgl. 6,90 € Versand (brutto)
einmalig pro Bestellung

Lieferzeit: 5 Werktage

Stück
Pos.
287
BOSCH Sechskantsteckschlüssel | Ersatzteile für 4410 | 2610921483
Hersteller: BOSCH
Artikelnummer: EB-060166E139-2610921483
Netto: 6,15 € zzgl. MwSt.
zzgl. 6,90 € Versand (brutto)
einmalig pro Bestellung

Lieferzeit: 5 Werktage

Stück
Pos.
288
BOSCH Reihenklemme | Ersatzteile für 4410 | 2610921484
Hersteller: BOSCH
Artikelnummer: EB-060166E139-2610921484
nur Informationsartikel
Nie mehr lieferbar
keine Alternativen
Pos.
289
BOSCH Ausgleichscheibe | Ersatzteile für 4410 | 2610921487
Hersteller: BOSCH
Artikelnummer: EB-060166E139-2610921487
Netto: 3,63 € zzgl. MwSt.
zzgl. 6,90 € Versand (brutto)
einmalig pro Bestellung

Lieferzeit: 5 Werktage

Stück
Pos.
290
BOSCH Abdeckkappe | Ersatzteile für 4410 | 2610921488
Hersteller: BOSCH
Artikelnummer: EB-060166E139-2610921488
nur Informationsartikel
Nie mehr lieferbar
keine Alternativen
Pos.
291
BOSCH Unterlegscheibe | Ersatzteile für 4410 | 2610919282
Hersteller: BOSCH
Artikelnummer: EB-060166E139-2610919282
Netto: 3,63 € zzgl. MwSt.
zzgl. 6,90 € Versand (brutto)
einmalig pro Bestellung

Lieferzeit: 5 Werktage

Stück
Pos.
292
BOSCH Scheibe | Ersatzteile für 4410 | 2610919281
Hersteller: BOSCH
Artikelnummer: EB-060166E139-2610919281
Netto: 5,19 € zzgl. MwSt.
zzgl. 6,90 € Versand (brutto)
einmalig pro Bestellung

Lieferzeit: 5 Werktage

Stück
Pos.
293
BOSCH Gehäusedeckel old | Ersatzteile für 4410 | 2610919272
Hersteller: BOSCH
Artikelnummer: EB-060166E139-2610919272
Netto: 17,38 € zzgl. MwSt.
zzgl. 6,90 € Versand (brutto)
einmalig pro Bestellung

Lieferzeit: 5 Werktage

Stück
Pos.
294
BOSCH Gehäusedeckel | Ersatzteile für 4410 | 2610919279
Hersteller: BOSCH
Artikelnummer: EB-060166E139-2610919279
Netto: 4,32 € zzgl. MwSt.
zzgl. 6,90 € Versand (brutto)
einmalig pro Bestellung

Lieferzeit: 5 Werktage

Stück
Pos.
295
BOSCH Mutter old | Ersatzteile für 4410 | 2610919273
Hersteller: BOSCH
Artikelnummer: EB-060166E139-2610919273
Netto: 5,19 € zzgl. MwSt.
zzgl. 6,90 € Versand (brutto)
einmalig pro Bestellung

Lieferzeit: 5 Werktage

Stück
Pos.
296
BOSCH Mutter | Ersatzteile für 4410 | 2610921459
Hersteller: BOSCH
Artikelnummer: EB-060166E139-2610921459
Netto: 3,63 € zzgl. MwSt.
zzgl. 6,90 € Versand (brutto)
einmalig pro Bestellung

Lieferzeit: 5 Werktage

Stück
Pos.
297
BOSCH Knopf old | Ersatzteile für 4410 | 2610921460
Hersteller: BOSCH
Artikelnummer: EB-060166E139-2610921460
Netto: 5,67 € zzgl. MwSt.
zzgl. 6,90 € Versand (brutto)
einmalig pro Bestellung

Lieferzeit: 5 Werktage

Stück
Pos.
298
BOSCH Durchführung | Ersatzteile für 4410 | 2610919572
Hersteller: BOSCH
Artikelnummer: EB-060166E139-2610919572
Netto: 3,63 € zzgl. MwSt.
zzgl. 6,90 € Versand (brutto)
einmalig pro Bestellung

Lieferzeit: 5 Werktage

Stück
Pos.
299
BOSCH Schraube | Ersatzteile für 4410 | 2610919298
Hersteller: BOSCH
Artikelnummer: EB-060166E139-2610919298
nur Informationsartikel
Nie mehr lieferbar
keine Alternativen
Pos.
301
BOSCH Schraube | Ersatzteile für 4410 | 2610921466
Hersteller: BOSCH
Artikelnummer: EB-060166E139-2610921466
Netto: 3,63 € zzgl. MwSt.
zzgl. 6,90 € Versand (brutto)
einmalig pro Bestellung

Lieferzeit: 5 Werktage

Stück
Pos.
302
BOSCH Beilegring | Ersatzteile für 4410 | 2610921467
Hersteller: BOSCH
Artikelnummer: EB-060166E139-2610921467
Netto: 3,63 € zzgl. MwSt.
zzgl. 6,90 € Versand (brutto)
einmalig pro Bestellung

Lieferzeit: 5 Werktage

Stück
Pos.
303
BOSCH Scheibe | Ersatzteile für 4410 | 2610910013
Hersteller: BOSCH
Artikelnummer: EB-060166E139-2610910013
Netto: 4,32 € zzgl. MwSt.
zzgl. 6,90 € Versand (brutto)
einmalig pro Bestellung

Lieferzeit: 5 Werktage

Stück
Pos.
304
BOSCH Schraube | Ersatzteile für 4410 | 2610919276
Hersteller: BOSCH
Artikelnummer: EB-060166E139-2610919276
nur Informationsartikel
Nie mehr lieferbar
keine Alternativen
Pos.
305
BOSCH Unterlegscheibe | Ersatzteile für 4410 | 2610913099
Hersteller: BOSCH
Artikelnummer: EB-060166E139-2610913099
nur Informationsartikel
Nie mehr lieferbar
keine Alternativen
Pos.
306
BOSCH Klebeschild | Ersatzteile für 4410 | 2610920808
Hersteller: BOSCH
Artikelnummer: EB-060166E139-2610920808
nur Informationsartikel
Nie mehr lieferbar
keine Alternativen
Pos.
307
BOSCH Klebeschild | Ersatzteile für 4410 | 2610920809
Hersteller: BOSCH
Artikelnummer: EB-060166E139-2610920809
nur Informationsartikel
Nie mehr lieferbar
keine Alternativen
Pos.
309
BOSCH Vorlegscheibe | Ersatzteile für 4410 | 2610002585
Hersteller: BOSCH
Artikelnummer: EB-060166E139-2610002585
nur Informationsartikel
Nie mehr lieferbar
keine Alternativen
Pos.
317
BOSCH Einklebeblatt | Ersatzteile für 4410 | 2610923939
Hersteller: BOSCH
Artikelnummer: EB-060166E139-2610923939
nur Informationsartikel
Nie mehr lieferbar
keine Alternativen
Pos.
318
BOSCH Einklebeblatt | Ersatzteile für 4410 | 2610923938
Hersteller: BOSCH
Artikelnummer: EB-060166E139-2610923938
nur Informationsartikel
Nie mehr lieferbar
keine Alternativen
Pos.
320
BOSCH Bolzen | Ersatzteile für 4410 | 2610906037
Hersteller: BOSCH
Artikelnummer: EB-060166E139-2610906037
Netto: 3,94 € zzgl. MwSt.
zzgl. 6,90 € Versand (brutto)
einmalig pro Bestellung

Lieferzeit: 5 Werktage

Stück
Pos.
827
BOSCH Ersatzteilgruppe | Ersatzteile für 4410 | 1619P03312
Hersteller: BOSCH
Artikelnummer: EB-060166E139-1619P03312
Netto: 7,76 € zzgl. MwSt.
zzgl. 6,90 € Versand (brutto)
einmalig pro Bestellung

Lieferzeit: 5 Werktage

Stück

Angaben zur Produktsicherheit

Hersteller:
Robert Bosch Power Tools GmbH
Postfach 30 02 20
70442 Stuttgart

E-Mail:
kontakt@bosch.de