BOSCH 4465 H1 - F0154465J1

Artikelnummer: EB-F0154465J1

Position:

Marke: BOSCH


Bitte Kompatibilität prüfen!

Bitte prüfen Sie unbedingt die 10-stellige Typennummer Ihrer Maschine / Ihres Gerätes. Das Ersatzteil ist nur kompatibel, wenn Sie die Typennummer Ihrer Maschine in der unten stehenden Produktbeschreibung finden.

Bitte prüfen Sie ebenfalls detailliert die Explosionszeichnung mit Ihrem Artikelwunsch und der jeweiligen Pos-Nummer.

Alle Elemente, welche vom schwarzen Strich der Pos-Nummer ausgehend berührt / erfasst werden, gehören zu dieser Pos-Nummer und somit zu diesem Artikel. Jede Pos-Nummer ist ein eigenständiger Artikel, welchen Sie in der Auflistung finden.

Sie erhalten stets die aktuellste, neueste Produktversion zu der gewählten Pos-Nummer seitens des Herstellers. Es kann daher je nach Gerätealter vorkommen, dass Sie ggf. weitere, zugehörige Elemente, welche an diese Pos-Nummer grenzen, ebenfalls mittauschen müssen.

Nähere Informationen finden Sie unter dem Link
Hinweise zu Ihrer BOSCH Ersatzteilsuche

Beschreibung

Die aufgelisteten BOSCH Ersatzteile sind mit folgendem Gerät und Modell kompatibel:

BOSCH Gerätename:4465 H1
BOSCH Typennummer:F0154465J1
alternative Schreibweisen:F 015 446 5J1, F015 446 5J1, F.015.446.5J1, F-015-446-5J1

Bitte prüfen Sie die Typennummer auf Ihrem Gerät um die Kompatibilität des BOSCH Ersatzteils zu gewährleisten.

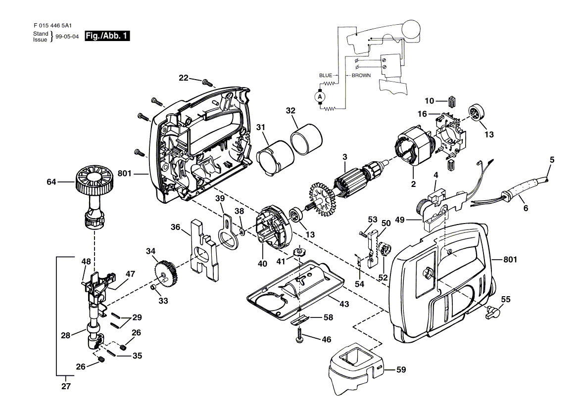
Die passenden Ersatzteile des BOSCH 4465 H1 (Stichsäge) mit der Typennummer F0154465J1 finden Sie in der nachfolgenden Darstellung geordnet nach der Positionsnummern aus der Explosionszeichnung:

Pos.
2
BOSCH Polschuh 230V | Ersatzteile für 4465 H1 | 2610389035
Hersteller: BOSCH
Artikelnummer: EB-F0154465J1-2610389035
nur Informationsartikel
Nie mehr lieferbar
keine Alternativen
Pos.
3
BOSCH Anker 230V | Ersatzteile für 4465 H1 | 2610389036
Hersteller: BOSCH
Artikelnummer: EB-F0154465J1-2610389036
nur Informationsartikel
Nie mehr lieferbar
keine Alternativen
Pos.
4
BOSCH Ein/Aus-Schalter ROT | Ersatzteile für 4465 H1 | 2610390738
Hersteller: BOSCH
Artikelnummer: EB-F0154465J1-2610390738
nur Informationsartikel
Nie mehr lieferbar
keine Alternativen
Pos.
5
BOSCH Netzanschlussleitung GB 230V | Ersatzteile für 4465 H1 | 2610376418
Hersteller: BOSCH
Artikelnummer: EB-F0154465J1-2610376418
nur Informationsartikel
Nie mehr lieferbar
keine Alternativen
Pos.
6
BOSCH Tülle | Ersatzteile für 4465 H1 | 2610360176
Hersteller: BOSCH
Artikelnummer: EB-F0154465J1-2610360176
Netto: 3,94 € zzgl. MwSt.
zzgl. 6,90 € Versand (brutto)
einmalig pro Bestellung

Lieferzeit: 5 Werktage

Stück
Pos.
10
BOSCH Kohlebürstensatz | Ersatzteile für 4465 H1 | 2610386546
Hersteller: BOSCH
Artikelnummer: EB-F0154465J1-2610386546
nur Informationsartikel
Nie mehr lieferbar
keine Alternativen
Pos.
13
BOSCH Rillenkugellager 8x22x7 | Ersatzteile für 4465 H1 | 2600905052
Hersteller: BOSCH
Artikelnummer: EB-F0154465J1-2600905052
Netto: 7,66 € zzgl. MwSt.
zzgl. 6,90 € Versand (brutto)
einmalig pro Bestellung

Lieferzeit: 5 Werktage

Stück
Pos.
16
BOSCH Bürstenplatte | Ersatzteile für 4465 H1 | 2610391898
Hersteller: BOSCH
Artikelnummer: EB-F0154465J1-2610391898
nur Informationsartikel
Nie mehr lieferbar
keine Alternativen
Pos.
22
BOSCH Torx-Linsenschraube T20-8x19 MM | Ersatzteile für 4465 H1 | 2610374919
Hersteller: BOSCH
Artikelnummer: EB-F0154465J1-2610374919
Netto: 3,60 € zzgl. MwSt.
zzgl. 6,90 € Versand (brutto)
einmalig pro Bestellung

Lieferzeit: 5 Werktage

Stück
Pos.
26
BOSCH Schraube | Ersatzteile für 4465 H1 | 2610386836
Hersteller: BOSCH
Artikelnummer: EB-F0154465J1-2610386836
nur Informationsartikel
Nie mehr lieferbar
keine Alternativen
Pos.
27
BOSCH Achse | Ersatzteile für 4465 H1 | 2610388781
Hersteller: BOSCH
Artikelnummer: EB-F0154465J1-2610388781
nur Informationsartikel
Nie mehr lieferbar
keine Alternativen
Pos.
28
BOSCH Lager | Ersatzteile für 4465 H1 | 2610386542
Hersteller: BOSCH
Artikelnummer: EB-F0154465J1-2610386542
nur Informationsartikel
Nie mehr lieferbar
keine Alternativen
Pos.
31
BOSCH Staubabsaugung | Ersatzteile für 4465 H1 | 2610384418
Hersteller: BOSCH
Artikelnummer: EB-F0154465J1-2610384418
nur Informationsartikel
Nie mehr lieferbar
keine Alternativen
Pos.
32
BOSCH Distanzscheibe | Ersatzteile für 4465 H1 | 2610355596
Hersteller: BOSCH
Artikelnummer: EB-F0154465J1-2610355596
nur Informationsartikel
Nie mehr lieferbar
keine Alternativen
Pos.
33
BOSCH Hülse | Ersatzteile für 4465 H1 | 2610326529
Hersteller: BOSCH
Artikelnummer: EB-F0154465J1-2610326529
nur Informationsartikel
Nie mehr lieferbar
keine Alternativen
Pos.
34
BOSCH Zahnradsatz | Ersatzteile für 4465 H1 | 2610386701
Hersteller: BOSCH
Artikelnummer: EB-F0154465J1-2610386701
nur Informationsartikel
Nie mehr lieferbar
keine Alternativen
Pos.
35
BOSCH Zylinderstift | Ersatzteile für 4465 H1 | 2610386541
Hersteller: BOSCH
Artikelnummer: EB-F0154465J1-2610386541
nur Informationsartikel
Nie mehr lieferbar
keine Alternativen
Pos.
36
BOSCH Gegengewicht | Ersatzteile für 4465 H1 | 2610346330
Hersteller: BOSCH
Artikelnummer: EB-F0154465J1-2610346330
Netto: 5,65 € zzgl. MwSt.
zzgl. 6,90 € Versand (brutto)
einmalig pro Bestellung

Lieferzeit: 5 Werktage

Stück
Pos.
38
BOSCH Scheibe | Ersatzteile für 4465 H1 | 2610386095
Hersteller: BOSCH
Artikelnummer: EB-F0154465J1-2610386095
nur Informationsartikel
Nie mehr lieferbar
keine Alternativen
Pos.
39
BOSCH Stössel | Ersatzteile für 4465 H1 | 2610386053
Hersteller: BOSCH
Artikelnummer: EB-F0154465J1-2610386053
nur Informationsartikel
Nie mehr lieferbar
keine Alternativen
Pos.
40
BOSCH Lagerdeckel | Ersatzteile für 4465 H1 | 2610388369
Hersteller: BOSCH
Artikelnummer: EB-F0154465J1-2610388369
nur Informationsartikel
Nie mehr lieferbar
keine Alternativen
Pos.
41
BOSCH Mutter | Ersatzteile für 4465 H1 | 2610387920
Hersteller: BOSCH
Artikelnummer: EB-F0154465J1-2610387920
nur Informationsartikel
Nie mehr lieferbar
keine Alternativen
Pos.
43
BOSCH Fussplatte | Ersatzteile für 4465 H1 | 2610386395
Hersteller: BOSCH
Artikelnummer: EB-F0154465J1-2610386395
nur Informationsartikel
Nie mehr lieferbar
keine Alternativen
Pos.
44
BOSCH Platte | Ersatzteile für 4465 H1 | 2610346351
Hersteller: BOSCH
Artikelnummer: EB-F0154465J1-2610346351
Netto: 3,94 € zzgl. MwSt.
zzgl. 6,90 € Versand (brutto)
einmalig pro Bestellung

Lieferzeit: 5 Werktage

Stück
Pos.
46
BOSCH Schraube | Ersatzteile für 4465 H1 | 2610062425
Hersteller: BOSCH
Artikelnummer: EB-F0154465J1-2610062425
nur Informationsartikel
Nie mehr lieferbar
keine Alternativen
Pos.
47
BOSCH Feder | Ersatzteile für 4465 H1 | 2610385991
Hersteller: BOSCH
Artikelnummer: EB-F0154465J1-2610385991
nur Informationsartikel
Nie mehr lieferbar
keine Alternativen
Pos.
48
BOSCH Stift | Ersatzteile für 4465 H1 | 2610386102
Hersteller: BOSCH
Artikelnummer: EB-F0154465J1-2610386102
nur Informationsartikel
Nie mehr lieferbar
keine Alternativen
Pos.
49
BOSCH Schaltersatz ROT | Ersatzteile für 4465 H1 | 2610390737
Hersteller: BOSCH
Artikelnummer: EB-F0154465J1-2610390737
nur Informationsartikel
Nie mehr lieferbar
keine Alternativen
Pos.
50
BOSCH Schutzkappe | Ersatzteile für 4465 H1 | 2610388779
Hersteller: BOSCH
Artikelnummer: EB-F0154465J1-2610388779
nur Informationsartikel
Nie mehr lieferbar
keine Alternativen
Pos.
52
BOSCH Nocken | Ersatzteile für 4465 H1 | 2610346317
Hersteller: BOSCH
Artikelnummer: EB-F0154465J1-2610346317
nur Informationsartikel
Nie mehr lieferbar
keine Alternativen
Pos.
53
BOSCH Schraube | Ersatzteile für 4465 H1 | 2610327772
Hersteller: BOSCH
Artikelnummer: EB-F0154465J1-2610327772
nur Informationsartikel
Nie mehr lieferbar
keine Alternativen
Pos.
54
BOSCH Feder | Ersatzteile für 4465 H1 | 2610346793
Hersteller: BOSCH
Artikelnummer: EB-F0154465J1-2610346793
Netto: 3,94 € zzgl. MwSt.
zzgl. 6,90 € Versand (brutto)
einmalig pro Bestellung

Lieferzeit: 5 Werktage

Stück
Pos.
55
BOSCH Schalthebel ROT | Ersatzteile für 4465 H1 | 2610390710
Hersteller: BOSCH
Artikelnummer: EB-F0154465J1-2610390710
nur Informationsartikel
Nie mehr lieferbar
keine Alternativen
Pos.
59
BOSCH Deckel | Ersatzteile für 4465 H1 | 2610386834
Hersteller: BOSCH
Artikelnummer: EB-F0154465J1-2610386834
nur Informationsartikel
Nie mehr lieferbar
keine Alternativen
Pos.
64
BOSCH Drehknopf | Ersatzteile für 4465 H1 | 2610387530
Hersteller: BOSCH
Artikelnummer: EB-F0154465J1-2610387530
nur Informationsartikel
Nie mehr lieferbar
keine Alternativen
Pos.
801
BOSCH Motorgehäuse | Ersatzteile für 4465 H1 | 2610388051
Hersteller: BOSCH
Artikelnummer: EB-F0154465J1-2610388051
nur Informationsartikel
Nie mehr lieferbar
keine Alternativen

Angaben zur Produktsicherheit

Hersteller:
Robert Bosch Power Tools GmbH
Postfach 30 02 20
70442 Stuttgart

E-Mail:
kontakt@bosch.de