BOSCH 516H2 - F0150516D2

Artikelnummer: EB-F0150516D2

Position:

Marke: BOSCH


Bitte Kompatibilität prüfen!

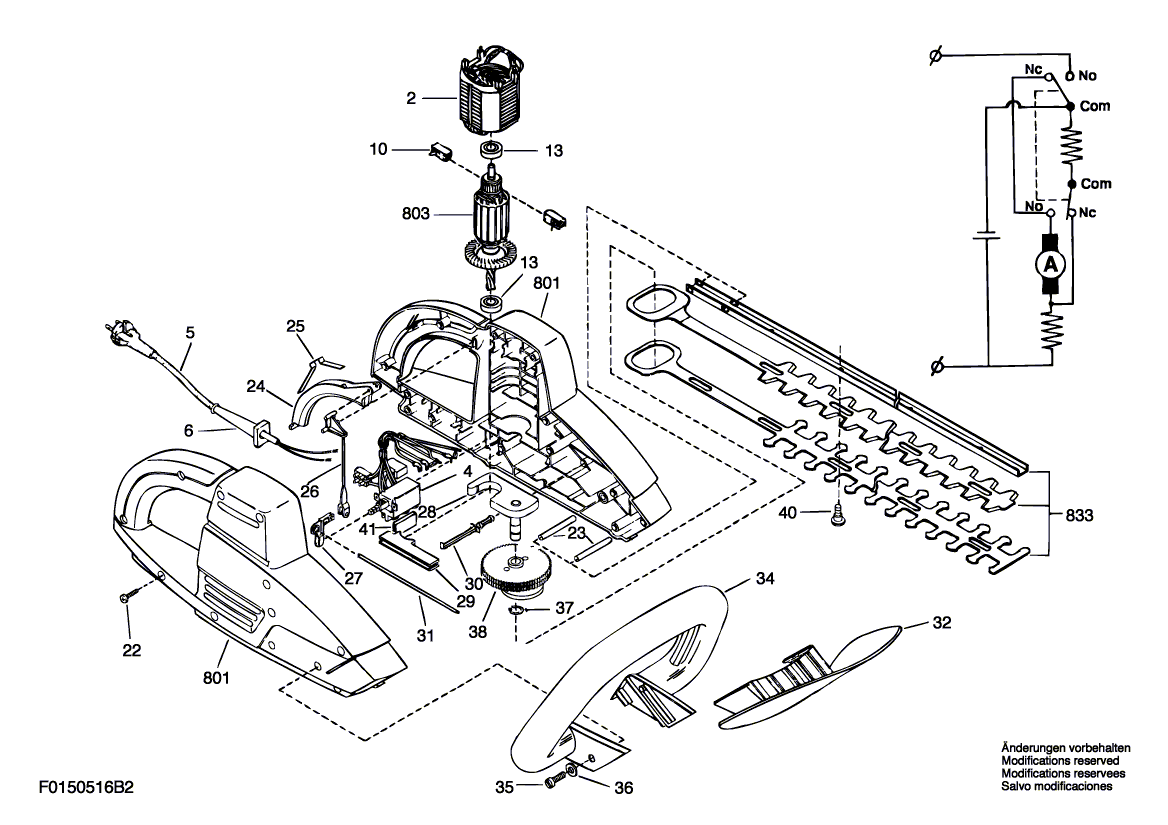
Bitte prüfen Sie unbedingt die 10-stellige Typennummer Ihrer Maschine / Ihres Gerätes. Das Ersatzteil ist nur kompatibel, wenn Sie die Typennummer Ihrer Maschine in der unten stehenden Produktbeschreibung finden.

Bitte prüfen Sie ebenfalls detailliert die Explosionszeichnung mit Ihrem Artikelwunsch und der jeweiligen Pos-Nummer.

Alle Elemente, welche vom schwarzen Strich der Pos-Nummer ausgehend berührt / erfasst werden, gehören zu dieser Pos-Nummer und somit zu diesem Artikel. Jede Pos-Nummer ist ein eigenständiger Artikel, welchen Sie in der Auflistung finden.

Sie erhalten stets die aktuellste, neueste Produktversion zu der gewählten Pos-Nummer seitens des Herstellers. Es kann daher je nach Gerätealter vorkommen, dass Sie ggf. weitere, zugehörige Elemente, welche an diese Pos-Nummer grenzen, ebenfalls mittauschen müssen.

Nähere Informationen finden Sie unter dem Link
Hinweise zu Ihrer BOSCH Ersatzteilsuche

Beschreibung

Die aufgelisteten BOSCH Ersatzteile sind mit folgendem Gerät und Modell kompatibel:

BOSCH Gerätename:516H2
BOSCH Typennummer:F0150516D2
alternative Schreibweisen:F 015 051 6D2, F015 051 6D2, F.015.051.6D2, F-015-051-6D2

Bitte prüfen Sie die Typennummer auf Ihrem Gerät um die Kompatibilität des BOSCH Ersatzteils zu gewährleisten.

Die passenden Ersatzteile des BOSCH 516H2 (Hw-Heckenschere) mit der Typennummer F0150516D2 finden Sie in der nachfolgenden Darstellung geordnet nach der Positionsnummern aus der Explosionszeichnung:

Pos.
2
BOSCH Polschuh 230-240V | Ersatzteile für 516H2 | 2610385848
Hersteller: BOSCH
Artikelnummer: EB-F0150516D2-2610385848
nur Informationsartikel
Nie mehr lieferbar
keine Alternativen
Pos.
4
BOSCH Schalter | Ersatzteile für 516H2 | 2610385924
Hersteller: BOSCH
Artikelnummer: EB-F0150516D2-2610385924
nur Informationsartikel
Nie mehr lieferbar
keine Alternativen
Pos.
5
BOSCH Netzanschlussleitung CH 2,75m 2 x 1,0mm H05 VV-F | Ersatzteile für 516H2 | 2610371799
Hersteller: BOSCH
Artikelnummer: EB-F0150516D2-2610371799
nur Informationsartikel
Nie mehr lieferbar
keine Alternativen
Pos.
6
BOSCH Tülle | Ersatzteile für 516H2 | 2610360176
Hersteller: BOSCH
Artikelnummer: EB-F0150516D2-2610360176
Netto: 3,94 € zzgl. MwSt.
zzgl. 6,90 € Versand (brutto)
einmalig pro Bestellung

Lieferzeit: 5 Werktage

Stück
Pos.
10
BOSCH Kohlebürstensatz | Ersatzteile für 516H2 | 2610386207
Hersteller: BOSCH
Artikelnummer: EB-F0150516D2-2610386207
nur Informationsartikel
Nie mehr lieferbar
keine Alternativen
Pos.
13
BOSCH Rillenkugellager 8x22x7 | Ersatzteile für 516H2 | 2600905052
Hersteller: BOSCH
Artikelnummer: EB-F0150516D2-2600905052
Netto: 7,66 € zzgl. MwSt.
zzgl. 6,90 € Versand (brutto)
einmalig pro Bestellung

Lieferzeit: 5 Werktage

Stück
Pos.
22
BOSCH Torx-Linsenschraube T20-8x19 MM | Ersatzteile für 516H2 | 2610374919
Hersteller: BOSCH
Artikelnummer: EB-F0150516D2-2610374919
Netto: 3,60 € zzgl. MwSt.
zzgl. 6,90 € Versand (brutto)
einmalig pro Bestellung

Lieferzeit: 5 Werktage

Stück
Pos.
23
BOSCH Stift | Ersatzteile für 516H2 | 2610385639
Hersteller: BOSCH
Artikelnummer: EB-F0150516D2-2610385639
nur Informationsartikel
Nie mehr lieferbar
keine Alternativen
Pos.
24
BOSCH Hebel | Ersatzteile für 516H2 | 2610385614
Hersteller: BOSCH
Artikelnummer: EB-F0150516D2-2610385614
nur Informationsartikel
Nie mehr lieferbar
keine Alternativen
Pos.
25
BOSCH Feder | Ersatzteile für 516H2 | 2610385638
Hersteller: BOSCH
Artikelnummer: EB-F0150516D2-2610385638
nur Informationsartikel
Nie mehr lieferbar
keine Alternativen
Pos.
26
BOSCH Auslösehebel | Ersatzteile für 516H2 | 2610386691
Hersteller: BOSCH
Artikelnummer: EB-F0150516D2-2610386691
nur Informationsartikel
Nie mehr lieferbar
keine Alternativen
Pos.
27
BOSCH Gelenkteil | Ersatzteile für 516H2 | 2610386692
Hersteller: BOSCH
Artikelnummer: EB-F0150516D2-2610386692
nur Informationsartikel
Nie mehr lieferbar
keine Alternativen
Pos.
28
BOSCH Lagerbrücke | Ersatzteile für 516H2 | 2610387049
Hersteller: BOSCH
Artikelnummer: EB-F0150516D2-2610387049
nur Informationsartikel
Nie mehr lieferbar
keine Alternativen
Pos.
29
BOSCH Lagerplatte | Ersatzteile für 516H2 | 2610386690
Hersteller: BOSCH
Artikelnummer: EB-F0150516D2-2610386690
nur Informationsartikel
Nie mehr lieferbar
keine Alternativen
Pos.
30
BOSCH Stössel | Ersatzteile für 516H2 | 2610385615
Hersteller: BOSCH
Artikelnummer: EB-F0150516D2-2610385615
nur Informationsartikel
Nie mehr lieferbar
keine Alternativen
Pos.
31
BOSCH Hebelachse | Ersatzteile für 516H2 | 2610386689
Hersteller: BOSCH
Artikelnummer: EB-F0150516D2-2610386689
nur Informationsartikel
Nie mehr lieferbar
keine Alternativen
Pos.
32
BOSCH Schutzkappe | Ersatzteile für 516H2 | 2610385643
Hersteller: BOSCH
Artikelnummer: EB-F0150516D2-2610385643
nur Informationsartikel
Nie mehr lieferbar
keine Alternativen
Pos.
34
BOSCH Handgriff-Set | Ersatzteile für 516H2 | 2610385642
Hersteller: BOSCH
Artikelnummer: EB-F0150516D2-2610385642
nur Informationsartikel
Nie mehr lieferbar
keine Alternativen
Pos.
35
BOSCH Schraube | Ersatzteile für 516H2 | 2610386158
Hersteller: BOSCH
Artikelnummer: EB-F0150516D2-2610386158
nur Informationsartikel
Nie mehr lieferbar
keine Alternativen
Pos.
36
BOSCH Scheibe | Ersatzteile für 516H2 | 2610386159
Hersteller: BOSCH
Artikelnummer: EB-F0150516D2-2610386159
nur Informationsartikel
Nie mehr lieferbar
keine Alternativen
Pos.
37
BOSCH Scheibe | Ersatzteile für 516H2 | 2610386977
Hersteller: BOSCH
Artikelnummer: EB-F0150516D2-2610386977
nur Informationsartikel
Nie mehr lieferbar
keine Alternativen
Pos.
38
BOSCH Zahnrad | Ersatzteile für 516H2 | 2610387056
Hersteller: BOSCH
Artikelnummer: EB-F0150516D2-2610387056
nur Informationsartikel
Nie mehr lieferbar
keine Alternativen
Pos.
40
BOSCH Gewindefurchschraube | Ersatzteile für 516H2 | 2603413026
Hersteller: BOSCH
Artikelnummer: EB-F0150516D2-2603413026
nur Informationsartikel
Nie mehr lieferbar
keine Alternativen
Pos.
41
BOSCH Isolator | Ersatzteile für 516H2 | 2610386189
Hersteller: BOSCH
Artikelnummer: EB-F0150516D2-2610386189
nur Informationsartikel
Nie mehr lieferbar
keine Alternativen
Pos.
801
BOSCH Gehäuse | Ersatzteile für 516H2 | 2610386990
Hersteller: BOSCH
Artikelnummer: EB-F0150516D2-2610386990
nur Informationsartikel
Nie mehr lieferbar
keine Alternativen
Pos.
803
BOSCH Anker 230V | Ersatzteile für 516H2 | 2610388974
Hersteller: BOSCH
Artikelnummer: EB-F0150516D2-2610388974
nur Informationsartikel
Nie mehr lieferbar
keine Alternativen
Pos.
833
BOSCH Messersatz | Ersatzteile für 516H2 | 2607001304
Hersteller: BOSCH
Artikelnummer: EB-F0150516D2-2607001304
nur Informationsartikel
Nie mehr lieferbar
keine Alternativen

Angaben zur Produktsicherheit

Hersteller:
Robert Bosch Power Tools GmbH
Postfach 30 02 20
70442 Stuttgart

E-Mail:
kontakt@bosch.de