BOSCH 517H1 - F0150517C1

Artikelnummer: EB-F0150517C1

Position:

Marke: BOSCH


Bitte Kompatibilität prüfen!

Bitte prüfen Sie unbedingt die 10-stellige Typennummer Ihrer Maschine / Ihres Gerätes. Das Ersatzteil ist nur kompatibel, wenn Sie die Typennummer Ihrer Maschine in der unten stehenden Produktbeschreibung finden.

Bitte prüfen Sie ebenfalls detailliert die Explosionszeichnung mit Ihrem Artikelwunsch und der jeweiligen Pos-Nummer.

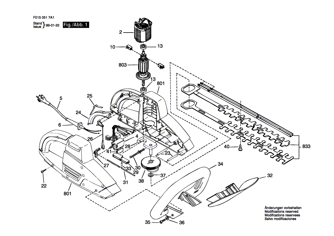
Alle Elemente, welche vom schwarzen Strich der Pos-Nummer ausgehend berührt / erfasst werden, gehören zu dieser Pos-Nummer und somit zu diesem Artikel. Jede Pos-Nummer ist ein eigenständiger Artikel, welchen Sie in der Auflistung finden.

Sie erhalten stets die aktuellste, neueste Produktversion zu der gewählten Pos-Nummer seitens des Herstellers. Es kann daher je nach Gerätealter vorkommen, dass Sie ggf. weitere, zugehörige Elemente, welche an diese Pos-Nummer grenzen, ebenfalls mittauschen müssen.

Nähere Informationen finden Sie unter dem Link
Hinweise zu Ihrer BOSCH Ersatzteilsuche

Beschreibung

Die aufgelisteten BOSCH Ersatzteile sind mit folgendem Gerät und Modell kompatibel:

BOSCH Gerätename:517H1
BOSCH Typennummer:F0150517C1
alternative Schreibweisen:F 015 051 7C1, F015 051 7C1, F.015.051.7C1, F-015-051-7C1

Bitte prüfen Sie die Typennummer auf Ihrem Gerät um die Kompatibilität des BOSCH Ersatzteils zu gewährleisten.

Die passenden Ersatzteile des BOSCH 517H1 (Hw-Heckenschere) mit der Typennummer F0150517C1 finden Sie in der nachfolgenden Darstellung geordnet nach der Positionsnummern aus der Explosionszeichnung:

Pos.
2
BOSCH Polschuh 230-240V | Ersatzteile für 517H1 | 2610385848
Hersteller: BOSCH
Artikelnummer: EB-F0150517C1-2610385848
nur Informationsartikel
Nie mehr lieferbar
keine Alternativen
Pos.
4
BOSCH Schalter | Ersatzteile für 517H1 | 2610385924
Hersteller: BOSCH
Artikelnummer: EB-F0150517C1-2610385924
nur Informationsartikel
Nie mehr lieferbar
keine Alternativen
Pos.
5
BOSCH Netzanschlussleitung CH 2,75m 2 x 1,0mm H05 VV-F | Ersatzteile für 517H1 | 2610371799
Hersteller: BOSCH
Artikelnummer: EB-F0150517C1-2610371799
nur Informationsartikel
Nie mehr lieferbar
keine Alternativen
Pos.
6
BOSCH Tülle | Ersatzteile für 517H1 | 2610360176
Hersteller: BOSCH
Artikelnummer: EB-F0150517C1-2610360176
Netto: 3,94 € zzgl. MwSt.
zzgl. 6,90 € Versand (brutto)
einmalig pro Bestellung

Lieferzeit: 5 Werktage

Stück
Pos.
10
BOSCH Kohlebürstensatz | Ersatzteile für 517H1 | 2610386207
Hersteller: BOSCH
Artikelnummer: EB-F0150517C1-2610386207
nur Informationsartikel
Nie mehr lieferbar
keine Alternativen
Pos.
13
BOSCH Rillenkugellager 8x22x7 | Ersatzteile für 517H1 | 2600905052
Hersteller: BOSCH
Artikelnummer: EB-F0150517C1-2600905052
Netto: 7,66 € zzgl. MwSt.
zzgl. 6,90 € Versand (brutto)
einmalig pro Bestellung

Lieferzeit: 5 Werktage

Stück
Pos.
22
BOSCH Torx-Linsenschraube T20-8x19 MM | Ersatzteile für 517H1 | 2610374919
Hersteller: BOSCH
Artikelnummer: EB-F0150517C1-2610374919
Netto: 3,60 € zzgl. MwSt.
zzgl. 6,90 € Versand (brutto)
einmalig pro Bestellung

Lieferzeit: 5 Werktage

Stück
Pos.
23
BOSCH Stift | Ersatzteile für 517H1 | 2610385639
Hersteller: BOSCH
Artikelnummer: EB-F0150517C1-2610385639
nur Informationsartikel
Nie mehr lieferbar
keine Alternativen
Pos.
24
BOSCH Hebel | Ersatzteile für 517H1 | 2610385614
Hersteller: BOSCH
Artikelnummer: EB-F0150517C1-2610385614
nur Informationsartikel
Nie mehr lieferbar
keine Alternativen
Pos.
25
BOSCH Feder | Ersatzteile für 517H1 | 2610385638
Hersteller: BOSCH
Artikelnummer: EB-F0150517C1-2610385638
nur Informationsartikel
Nie mehr lieferbar
keine Alternativen
Pos.
26
BOSCH Auslösehebel | Ersatzteile für 517H1 | 2610385617
Hersteller: BOSCH
Artikelnummer: EB-F0150517C1-2610385617
nur Informationsartikel
Nie mehr lieferbar
keine Alternativen
Pos.
27
BOSCH Verbindungsstück | Ersatzteile für 517H1 | 2610385619
Hersteller: BOSCH
Artikelnummer: EB-F0150517C1-2610385619
nur Informationsartikel
Nie mehr lieferbar
keine Alternativen
Pos.
28
BOSCH Lagerdeckel | Ersatzteile für 517H1 | 2610385849
Hersteller: BOSCH
Artikelnummer: EB-F0150517C1-2610385849
nur Informationsartikel
Nie mehr lieferbar
keine Alternativen
Pos.
29
BOSCH Klemmenplatte | Ersatzteile für 517H1 | 2610385618
Hersteller: BOSCH
Artikelnummer: EB-F0150517C1-2610385618
nur Informationsartikel
Nie mehr lieferbar
keine Alternativen
Pos.
30
BOSCH Stössel | Ersatzteile für 517H1 | 2610385615
Hersteller: BOSCH
Artikelnummer: EB-F0150517C1-2610385615
nur Informationsartikel
Nie mehr lieferbar
keine Alternativen
Pos.
31
BOSCH Hebel | Ersatzteile für 517H1 | 2610385635
Hersteller: BOSCH
Artikelnummer: EB-F0150517C1-2610385635
nur Informationsartikel
Nie mehr lieferbar
keine Alternativen
Pos.
32
BOSCH Schutzkappe | Ersatzteile für 517H1 | 2610385643
Hersteller: BOSCH
Artikelnummer: EB-F0150517C1-2610385643
nur Informationsartikel
Nie mehr lieferbar
keine Alternativen
Pos.
33
BOSCH Passstift | Ersatzteile für 517H1 | 2610385757
Hersteller: BOSCH
Artikelnummer: EB-F0150517C1-2610385757
nur Informationsartikel
Nie mehr lieferbar
keine Alternativen
Pos.
34
BOSCH Handgriff-Set | Ersatzteile für 517H1 | 2610385642
Hersteller: BOSCH
Artikelnummer: EB-F0150517C1-2610385642
nur Informationsartikel
Nie mehr lieferbar
keine Alternativen
Pos.
35
BOSCH Schraube | Ersatzteile für 517H1 | 2610386158
Hersteller: BOSCH
Artikelnummer: EB-F0150517C1-2610386158
nur Informationsartikel
Nie mehr lieferbar
keine Alternativen
Pos.
36
BOSCH Scheibe | Ersatzteile für 517H1 | 2610386159
Hersteller: BOSCH
Artikelnummer: EB-F0150517C1-2610386159
nur Informationsartikel
Nie mehr lieferbar
keine Alternativen
Pos.
37
BOSCH Scheibe | Ersatzteile für 517H1 | 2610376629
Hersteller: BOSCH
Artikelnummer: EB-F0150517C1-2610376629
nur Informationsartikel
Nie mehr lieferbar
keine Alternativen
Pos.
38
BOSCH Getriebe | Ersatzteile für 517H1 | 2610385959
Hersteller: BOSCH
Artikelnummer: EB-F0150517C1-2610385959
nur Informationsartikel
Nie mehr lieferbar
keine Alternativen
Pos.
40
BOSCH Gewindefurchschraube | Ersatzteile für 517H1 | 2603413026
Hersteller: BOSCH
Artikelnummer: EB-F0150517C1-2603413026
nur Informationsartikel
Nie mehr lieferbar
keine Alternativen
Pos.
41
BOSCH Isolator | Ersatzteile für 517H1 | 2610386189
Hersteller: BOSCH
Artikelnummer: EB-F0150517C1-2610386189
nur Informationsartikel
Nie mehr lieferbar
keine Alternativen
Pos.
801
BOSCH Gehaeuse | Ersatzteile für 517H1 | 2610386818
Hersteller: BOSCH
Artikelnummer: EB-F0150517C1-2610386818
nur Informationsartikel
Nie mehr lieferbar
keine Alternativen
Pos.
803
BOSCH Anker 230V | Ersatzteile für 517H1 | 2610388974
Hersteller: BOSCH
Artikelnummer: EB-F0150517C1-2610388974
nur Informationsartikel
Nie mehr lieferbar
keine Alternativen
Pos.
833
BOSCH Messersatz | Ersatzteile für 517H1 | 2610386848
Hersteller: BOSCH
Artikelnummer: EB-F0150517C1-2610386848
nur Informationsartikel
Nie mehr lieferbar
keine Alternativen

Angaben zur Produktsicherheit

Hersteller:
Robert Bosch Power Tools GmbH
Postfach 30 02 20
70442 Stuttgart

E-Mail:
kontakt@bosch.de