BOSCH 5340 - F0155340J1

Artikelnummer: EB-F0155340J1

Position:

Marke: BOSCH


Bitte Kompatibilität prüfen!

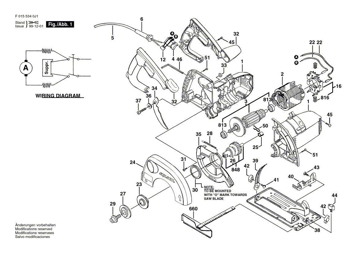
Bitte prüfen Sie unbedingt die 10-stellige Typennummer Ihrer Maschine / Ihres Gerätes. Das Ersatzteil ist nur kompatibel, wenn Sie die Typennummer Ihrer Maschine in der unten stehenden Produktbeschreibung finden.

Bitte prüfen Sie ebenfalls detailliert die Explosionszeichnung mit Ihrem Artikelwunsch und der jeweiligen Pos-Nummer.

Alle Elemente, welche vom schwarzen Strich der Pos-Nummer ausgehend berührt / erfasst werden, gehören zu dieser Pos-Nummer und somit zu diesem Artikel. Jede Pos-Nummer ist ein eigenständiger Artikel, welchen Sie in der Auflistung finden.

Sie erhalten stets die aktuellste, neueste Produktversion zu der gewählten Pos-Nummer seitens des Herstellers. Es kann daher je nach Gerätealter vorkommen, dass Sie ggf. weitere, zugehörige Elemente, welche an diese Pos-Nummer grenzen, ebenfalls mittauschen müssen.

Nähere Informationen finden Sie unter dem Link
Hinweise zu Ihrer BOSCH Ersatzteilsuche

Beschreibung

Die aufgelisteten BOSCH Ersatzteile sind mit folgendem Gerät und Modell kompatibel:

BOSCH Gerätename:5340
BOSCH Typennummer:F0155340J1
alternative Schreibweisen:F 015 534 0J1, F015 534 0J1, F.015.534.0J1, F-015-534-0J1

Bitte prüfen Sie die Typennummer auf Ihrem Gerät um die Kompatibilität des BOSCH Ersatzteils zu gewährleisten.

Die passenden Ersatzteile des BOSCH 5340 (Handkreissäge) mit der Typennummer F0155340J1 finden Sie in der nachfolgenden Darstellung geordnet nach der Positionsnummern aus der Explosionszeichnung:

Pos.
1
BOSCH Getriebegehäuse | Ersatzteile für 5340 | 2610388313
Hersteller: BOSCH
Artikelnummer: EB-F0155340J1-2610388313
nur Informationsartikel
Nie mehr lieferbar
keine Alternativen
Pos.
2
BOSCH Polschuh 230V | Ersatzteile für 5340 | 2610387123
Hersteller: BOSCH
Artikelnummer: EB-F0155340J1-2610387123
Netto: 9,18 € zzgl. MwSt.
zzgl. 6,90 € Versand (brutto)
einmalig pro Bestellung

Lieferzeit: 5 Werktage

Stück
Pos.
3
BOSCH Anker 230V | Ersatzteile für 5340 | 2610386657
Hersteller: BOSCH
Artikelnummer: EB-F0155340J1-2610386657
nur Informationsartikel
Nie mehr lieferbar
keine Alternativen
Pos.
4
BOSCH Schalter ROT | Ersatzteile für 5340 | 2610389737
Hersteller: BOSCH
Artikelnummer: EB-F0155340J1-2610389737
Netto: 6,15 € zzgl. MwSt.
zzgl. 6,90 € Versand (brutto)
einmalig pro Bestellung

Lieferzeit: 5 Werktage

Stück
Pos.
5
BOSCH Netzanschlussleitung | Ersatzteile für 5340 | 2610385006
Hersteller: BOSCH
Artikelnummer: EB-F0155340J1-2610385006
Netto: 14,08 € zzgl. MwSt.
zzgl. 6,90 € Versand (brutto)
einmalig pro Bestellung

Lieferzeit: 5 Werktage

Stück
Pos.
6
BOSCH Tülle | Ersatzteile für 5340 | 2610360176
Hersteller: BOSCH
Artikelnummer: EB-F0155340J1-2610360176
Netto: 3,94 € zzgl. MwSt.
zzgl. 6,90 € Versand (brutto)
einmalig pro Bestellung

Lieferzeit: 5 Werktage

Stück
Pos.
12
BOSCH Entstörkondensator | Ersatzteile für 5340 | 2609004538
Hersteller: BOSCH
Artikelnummer: EB-F0155340J1-2609004538
Netto: 5,19 € zzgl. MwSt.
zzgl. 6,90 € Versand (brutto)
einmalig pro Bestellung

Lieferzeit: 5 Werktage

Stück
Pos.
16
BOSCH Bürstenplatte | Ersatzteile für 5340 | 2610391898
Hersteller: BOSCH
Artikelnummer: EB-F0155340J1-2610391898
nur Informationsartikel
Nie mehr lieferbar
keine Alternativen
Pos.
22
BOSCH Verbindungsleitung | Ersatzteile für 5340 | 2610391908
Hersteller: BOSCH
Artikelnummer: EB-F0155340J1-2610391908
nur Informationsartikel
Nie mehr lieferbar
keine Alternativen
Pos.
23
BOSCH Scheibe | Ersatzteile für 5340 | 2610386555
Hersteller: BOSCH
Artikelnummer: EB-F0155340J1-2610386555
Netto: 4,82 € zzgl. MwSt.
zzgl. 6,90 € Versand (brutto)
einmalig pro Bestellung

Lieferzeit: 5 Werktage

Stück
Pos.
24
BOSCH Schutzhaube | Ersatzteile für 5340 | 2610388315
Hersteller: BOSCH
Artikelnummer: EB-F0155340J1-2610388315
nur Informationsartikel
Nie mehr lieferbar
keine Alternativen
Pos.
25
BOSCH Lager | Ersatzteile für 5340 | 2610386569
Hersteller: BOSCH
Artikelnummer: EB-F0155340J1-2610386569
Netto: 4,53 € zzgl. MwSt.
zzgl. 6,90 € Versand (brutto)
einmalig pro Bestellung

Lieferzeit: 5 Werktage

Stück
Pos.
26
BOSCH Kugellager | Ersatzteile für 5340 | 2610366402
Hersteller: BOSCH
Artikelnummer: EB-F0155340J1-2610366402
Netto: 7,76 € zzgl. MwSt.
zzgl. 6,90 € Versand (brutto)
einmalig pro Bestellung

Lieferzeit: 5 Werktage

Stück
Pos.
27
BOSCH Spannscheibe | Ersatzteile für 5340 | 1605703108
Hersteller: BOSCH
Artikelnummer: EB-F0155340J1-1605703108
Netto: 4,82 € zzgl. MwSt.
zzgl. 6,90 € Versand (brutto)
einmalig pro Bestellung

Lieferzeit: 5 Werktage

Stück
Pos.
28
BOSCH Zugfeder | Ersatzteile für 5340 | 2610386609
Hersteller: BOSCH
Artikelnummer: EB-F0155340J1-2610386609
Netto: 4,53 € zzgl. MwSt.
zzgl. 6,90 € Versand (brutto)
einmalig pro Bestellung

Lieferzeit: 5 Werktage

Stück
Pos.
29
BOSCH Innensechskantschraube M6x14 MM | Ersatzteile für 5340 | 1603414007
Hersteller: BOSCH
Artikelnummer: EB-F0155340J1-1603414007
Netto: 3,94 € zzgl. MwSt.
zzgl. 6,90 € Versand (brutto)
einmalig pro Bestellung

Lieferzeit: 5 Werktage

Stück
Pos.
30
BOSCH Scheibe | Ersatzteile für 5340 | 2610386556
Hersteller: BOSCH
Artikelnummer: EB-F0155340J1-2610386556
Netto: 3,93 € zzgl. MwSt.
zzgl. 6,90 € Versand (brutto)
einmalig pro Bestellung

Lieferzeit: 5 Werktage

Stück
Pos.
31
BOSCH Torx-Linsenschraube 8x13 | Ersatzteile für 5340 | 2610374913
Hersteller: BOSCH
Artikelnummer: EB-F0155340J1-2610374913
Netto: 3,94 € zzgl. MwSt.
zzgl. 6,90 € Versand (brutto)
einmalig pro Bestellung

Lieferzeit: 5 Werktage

Stück
Pos.
32
BOSCH Handgriff | Ersatzteile für 5340 | 2610388314
Hersteller: BOSCH
Artikelnummer: EB-F0155340J1-2610388314
nur Informationsartikel
Nie mehr lieferbar
keine Alternativen
Pos.
33
BOSCH Mutter M6 | Ersatzteile für 5340 | 2610061550
Hersteller: BOSCH
Artikelnummer: EB-F0155340J1-2610061550
Netto: 3,95 € zzgl. MwSt.
zzgl. 6,90 € Versand (brutto)
einmalig pro Bestellung

Lieferzeit: 5 Werktage

Stück
Pos.
34
BOSCH Spaltkeil | Ersatzteile für 5340 | 2610386554
Hersteller: BOSCH
Artikelnummer: EB-F0155340J1-2610386554
nur Informationsartikel
Nie mehr lieferbar
keine Alternativen
Pos.
35
BOSCH Untermesser | Ersatzteile für 5340 | 2610388321
Hersteller: BOSCH
Artikelnummer: EB-F0155340J1-2610388321
nur Informationsartikel
Nie mehr lieferbar
keine Alternativen
Pos.
36
BOSCH Scheibe DIN 9021-6,4x18x1,6 | Ersatzteile für 5340 | 2610386712
Hersteller: BOSCH
Artikelnummer: EB-F0155340J1-2610386712
Netto: 4,53 € zzgl. MwSt.
zzgl. 6,90 € Versand (brutto)
einmalig pro Bestellung

Lieferzeit: 5 Werktage

Stück
Pos.
37
BOSCH Schraube M6x22 MM | Ersatzteile für 5340 | 2610386933
Hersteller: BOSCH
Artikelnummer: EB-F0155340J1-2610386933
Netto: 3,94 € zzgl. MwSt.
zzgl. 6,90 € Versand (brutto)
einmalig pro Bestellung

Lieferzeit: 5 Werktage

Stück
Pos.
38
BOSCH Sockel | Ersatzteile für 5340 | 2610386840
Hersteller: BOSCH
Artikelnummer: EB-F0155340J1-2610386840
Netto: 11,92 € zzgl. MwSt.
zzgl. 6,90 € Versand (brutto)
einmalig pro Bestellung

Lieferzeit: 5 Werktage

Stück
Pos.
39
BOSCH Halter | Ersatzteile für 5340 | 2610386841
Hersteller: BOSCH
Artikelnummer: EB-F0155340J1-2610386841
Netto: 4,32 € zzgl. MwSt.
zzgl. 6,90 € Versand (brutto)
einmalig pro Bestellung

Lieferzeit: 5 Werktage

Stück
Pos.
40
BOSCH Scharnier | Ersatzteile für 5340 | 2610386842
Hersteller: BOSCH
Artikelnummer: EB-F0155340J1-2610386842
Netto: 4,56 € zzgl. MwSt.
zzgl. 6,90 € Versand (brutto)
einmalig pro Bestellung

Lieferzeit: 5 Werktage

Stück
Pos.
41
BOSCH Stützschraube M6x20 MM | Ersatzteile für 5340 | 2610386847
Hersteller: BOSCH
Artikelnummer: EB-F0155340J1-2610386847
Netto: 3,94 € zzgl. MwSt.
zzgl. 6,90 € Versand (brutto)
einmalig pro Bestellung

Lieferzeit: 5 Werktage

Stück
Pos.
42
BOSCH Sechskantmutter | Ersatzteile für 5340 | 2610387875
Hersteller: BOSCH
Artikelnummer: EB-F0155340J1-2610387875
nur Informationsartikel
Nie mehr lieferbar
keine Alternativen
Pos.
43
BOSCH Stützschraube | Ersatzteile für 5340 | 2609003647
Hersteller: BOSCH
Artikelnummer: EB-F0155340J1-2609003647
Netto: 3,94 € zzgl. MwSt.
zzgl. 6,90 € Versand (brutto)
einmalig pro Bestellung

Lieferzeit: 5 Werktage

Stück
Pos.
44
BOSCH Flügelschraube | Ersatzteile für 5340 | 2610387876
Hersteller: BOSCH
Artikelnummer: EB-F0155340J1-2610387876
nur Informationsartikel
Nie mehr lieferbar
keine Alternativen
Pos.
45
BOSCH Torx-Linsenschraube T20-8x19 MM | Ersatzteile für 5340 | 2610374919
Hersteller: BOSCH
Artikelnummer: EB-F0155340J1-2610374919
Netto: 3,63 € zzgl. MwSt.
zzgl. 6,90 € Versand (brutto)
einmalig pro Bestellung

Lieferzeit: 5 Werktage

Stück
Pos.
46
BOSCH Innensechskantschlüssel 5 MM | Ersatzteile für 5340 | 2610364015
Hersteller: BOSCH
Artikelnummer: EB-F0155340J1-2610364015
Netto: 5,19 € zzgl. MwSt.
zzgl. 6,90 € Versand (brutto)
einmalig pro Bestellung

Lieferzeit: 5 Werktage

Stück
Pos.
50
BOSCH Leitkörper | Ersatzteile für 5340 | 2610387524
Hersteller: BOSCH
Artikelnummer: EB-F0155340J1-2610387524
nur Informationsartikel
Nie mehr lieferbar
keine Alternativen
Pos.
813
BOSCH Rillenkugellager 8x22x7 | Ersatzteile für 5340 | 2600905052
Hersteller: BOSCH
Artikelnummer: EB-F0155340J1-2600905052
Netto: 7,76 € zzgl. MwSt.
zzgl. 6,90 € Versand (brutto)
einmalig pro Bestellung

Lieferzeit: 5 Werktage

Stück
Pos.
816
BOSCH Kohlebürstensatz | Ersatzteile für 5340 | 2610386546
Hersteller: BOSCH
Artikelnummer: EB-F0155340J1-2610386546
nur Informationsartikel
Nie mehr lieferbar
keine Alternativen
Pos.
848
BOSCH Getriebewelle | Ersatzteile für 5340 | 2610387048
Hersteller: BOSCH
Artikelnummer: EB-F0155340J1-2610387048
Netto: 19,18 € zzgl. MwSt.
zzgl. 6,90 € Versand (brutto)
einmalig pro Bestellung

Lieferzeit: 5 Werktage

Stück

Angaben zur Produktsicherheit

Hersteller:
Robert Bosch Power Tools GmbH
Postfach 30 02 20
70442 Stuttgart

E-Mail:
kontakt@bosch.de