BOSCH 5400 - F012540046

Artikelnummer: EB-F012540046

Position:

Marke: BOSCH


Bitte Kompatibilität prüfen!

Bitte prüfen Sie unbedingt die 10-stellige Typennummer Ihrer Maschine / Ihres Gerätes. Das Ersatzteil ist nur kompatibel, wenn Sie die Typennummer Ihrer Maschine in der unten stehenden Produktbeschreibung finden.

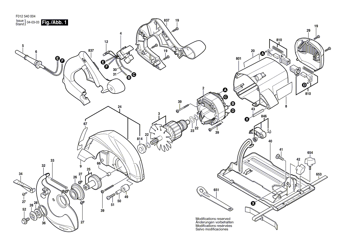
Bitte prüfen Sie ebenfalls detailliert die Explosionszeichnung mit Ihrem Artikelwunsch und der jeweiligen Pos-Nummer.

Alle Elemente, welche vom schwarzen Strich der Pos-Nummer ausgehend berührt / erfasst werden, gehören zu dieser Pos-Nummer und somit zu diesem Artikel. Jede Pos-Nummer ist ein eigenständiger Artikel, welchen Sie in der Auflistung finden.

Sie erhalten stets die aktuellste, neueste Produktversion zu der gewählten Pos-Nummer seitens des Herstellers. Es kann daher je nach Gerätealter vorkommen, dass Sie ggf. weitere, zugehörige Elemente, welche an diese Pos-Nummer grenzen, ebenfalls mittauschen müssen.

Nähere Informationen finden Sie unter dem Link
Hinweise zu Ihrer BOSCH Ersatzteilsuche

Beschreibung

Die aufgelisteten BOSCH Ersatzteile sind mit folgendem Gerät und Modell kompatibel:

BOSCH Gerätename:5400
BOSCH Typennummer:F012540046
alternative Schreibweisen:F 012 540 046, F012 540 046, F.012.540.046, F-012-540-046

Bitte prüfen Sie die Typennummer auf Ihrem Gerät um die Kompatibilität des BOSCH Ersatzteils zu gewährleisten.

Die passenden Ersatzteile des BOSCH 5400 (TISCHKREISSAEGE) mit der Typennummer F012540046 finden Sie in der nachfolgenden Darstellung geordnet nach der Positionsnummern aus der Explosionszeichnung:

Pos.
2
BOSCH Polschuh 230V | Ersatzteile für 5400 | 2610341405
Hersteller: BOSCH
Artikelnummer: EB-F012540046-2610341405
nur Informationsartikel
Nie mehr lieferbar
keine Alternativen
Pos.
3
BOSCH Anker | Ersatzteile für 5400 | 2610920311
Hersteller: BOSCH
Artikelnummer: EB-F012540046-2610920311
nur Informationsartikel
Nie mehr lieferbar
keine Alternativen
Pos.
4
BOSCH Ein/Aus-Schalter | Ersatzteile für 5400 | 2610920310
Hersteller: BOSCH
Artikelnummer: EB-F012540046-2610920310
nur Informationsartikel
Nie mehr lieferbar
keine Alternativen
Pos.
5
BOSCH Netzanschlussleitung | Ersatzteile für 5400 | 2610907315
Hersteller: BOSCH
Artikelnummer: EB-F012540046-2610907315
nur Informationsartikel
Nie mehr lieferbar
keine Alternativen
Pos.
6
BOSCH Tülle | Ersatzteile für 5400 | 2610907639
Hersteller: BOSCH
Artikelnummer: EB-F012540046-2610907639
nur Informationsartikel
Nie mehr lieferbar
keine Alternativen
Pos.
8
BOSCH Typschild | Ersatzteile für 5400 | 2610925417
Hersteller: BOSCH
Artikelnummer: EB-F012540046-2610925417
nur Informationsartikel
Nie mehr lieferbar
keine Alternativen
Pos.
9
BOSCH Einklebeblatt | Ersatzteile für 5400 | 2610923619
Hersteller: BOSCH
Artikelnummer: EB-F012540046-2610923619
nur Informationsartikel
Nie mehr lieferbar
keine Alternativen
Pos.
12
BOSCH Entstörfilter | Ersatzteile für 5400 | 2610917620
Hersteller: BOSCH
Artikelnummer: EB-F012540046-2610917620
Netto: 5,17 € zzgl. MwSt.
zzgl. 6,90 € Versand (brutto)
einmalig pro Bestellung

Lieferzeit: 5 Werktage

Stück
Pos.
19
BOSCH Schraube | Ersatzteile für 5400 | 1619P01505
Hersteller: BOSCH
Artikelnummer: EB-F012540046-1619P01505
nur Informationsartikel
Nie mehr lieferbar
keine Alternativen
Pos.
20
BOSCH Einklebeblatt | Ersatzteile für 5400 | 2610920863
Hersteller: BOSCH
Artikelnummer: EB-F012540046-2610920863
nur Informationsartikel
Nie mehr lieferbar
keine Alternativen
Pos.
22
BOSCH Unterlegscheibe | Ersatzteile für 5400 | 2610313808
Hersteller: BOSCH
Artikelnummer: EB-F012540046-2610313808
nur Informationsartikel
Nie mehr lieferbar
keine Alternativen
Pos.
23
BOSCH Vorlegscheibe | Ersatzteile für 5400 | 2610341465
Hersteller: BOSCH
Artikelnummer: EB-F012540046-2610341465
Netto: 4,36 € zzgl. MwSt.
zzgl. 6,90 € Versand (brutto)
einmalig pro Bestellung

Lieferzeit: 5 Werktage

Stück
Pos.
24
BOSCH Gehäuseoberteil | Ersatzteile für 5400 | 2610920860
Hersteller: BOSCH
Artikelnummer: EB-F012540046-2610920860
nur Informationsartikel
Nie mehr lieferbar
keine Alternativen
Pos.
25
BOSCH Zahnradwelle | Ersatzteile für 5400 | 2610997776
Hersteller: BOSCH
Artikelnummer: EB-F012540046-2610997776
Netto: 9,63 € zzgl. MwSt.
zzgl. 6,90 € Versand (brutto)
einmalig pro Bestellung

Lieferzeit: 5 Werktage

Stück
Pos.
26
BOSCH Tragplatte | Ersatzteile für 5400 | 1619X01554
Hersteller: BOSCH
Artikelnummer: EB-F012540046-1619X01554
nur Informationsartikel
Nie mehr lieferbar
keine Alternativen
Pos.
27
BOSCH Kontaktschraube | Ersatzteile für 5400 | 1619X01786
Hersteller: BOSCH
Artikelnummer: EB-F012540046-1619X01786
nur Informationsartikel
Nie mehr lieferbar
keine Alternativen
Pos.
28
BOSCH Stützscheibe | Ersatzteile für 5400 | 2610341361
Hersteller: BOSCH
Artikelnummer: EB-F012540046-2610341361
nur Informationsartikel
Nie mehr lieferbar
keine Alternativen
Pos.
29
BOSCH Gehäusedeckel | Ersatzteile für 5400 | 2610916204
Hersteller: BOSCH
Artikelnummer: EB-F012540046-2610916204
nur Informationsartikel
Nie mehr lieferbar
keine Alternativen
Pos.
30
BOSCH Anschlusskabel 385 MM | Ersatzteile für 5400 | 2610341377
Hersteller: BOSCH
Artikelnummer: EB-F012540046-2610341377
nur Informationsartikel
Nie mehr lieferbar
keine Alternativen
Pos.
31
BOSCH Anschlusskabel | Ersatzteile für 5400 | 2610916885
Hersteller: BOSCH
Artikelnummer: EB-F012540046-2610916885
nur Informationsartikel
Nie mehr lieferbar
keine Alternativen
Pos.
32
BOSCH Schutzunterteil | Ersatzteile für 5400 | 2610917562
Hersteller: BOSCH
Artikelnummer: EB-F012540046-2610917562
nur Informationsartikel
Nie mehr lieferbar
keine Alternativen
Pos.
33
BOSCH Zugfeder | Ersatzteile für 5400 | 2610914057
Hersteller: BOSCH
Artikelnummer: EB-F012540046-2610914057
nur Informationsartikel
Nie mehr lieferbar
keine Alternativen
Pos.
34
BOSCH Hebel | Ersatzteile für 5400 | 2610924015
Hersteller: BOSCH
Artikelnummer: EB-F012540046-2610924015
nur Informationsartikel
Nie mehr lieferbar
keine Alternativen
Pos.
36
BOSCH Sicherungsring | Ersatzteile für 5400 | 2610341359
Hersteller: BOSCH
Artikelnummer: EB-F012540046-2610341359
nur Informationsartikel
Nie mehr lieferbar
keine Alternativen
Pos.
39
BOSCH Schraube | Ersatzteile für 5400 | 2610347103
Hersteller: BOSCH
Artikelnummer: EB-F012540046-2610347103
nur Informationsartikel
Nie mehr lieferbar
keine Alternativen
Pos.
40
BOSCH Fussplatte | Ersatzteile für 5400 | 2610925816
Hersteller: BOSCH
Artikelnummer: EB-F012540046-2610925816
nur Informationsartikel
Nie mehr lieferbar
keine Alternativen
Pos.
41
BOSCH Flachrundschraube | Ersatzteile für 5400 | 2610017262
Hersteller: BOSCH
Artikelnummer: EB-F012540046-2610017262
nur Informationsartikel
Nie mehr lieferbar
keine Alternativen
Pos.
42
BOSCH Knopfgriff | Ersatzteile für 5400 | 2610917567
Hersteller: BOSCH
Artikelnummer: EB-F012540046-2610917567
Netto: 7,66 € zzgl. MwSt.
zzgl. 6,90 € Versand (brutto)
einmalig pro Bestellung

Lieferzeit: 5 Werktage

Stück
Pos.
43
BOSCH Rollenbolzen | Ersatzteile für 5400 | 2610914058
Hersteller: BOSCH
Artikelnummer: EB-F012540046-2610914058
nur Informationsartikel
Nie mehr lieferbar
keine Alternativen
Pos.
49
BOSCH Anschlag | Ersatzteile für 5400 | 2610341394
Hersteller: BOSCH
Artikelnummer: EB-F012540046-2610341394
nur Informationsartikel
Nie mehr lieferbar
keine Alternativen
Pos.
50
BOSCH Abstandshalter | Ersatzteile für 5400 | 2610341366
Hersteller: BOSCH
Artikelnummer: EB-F012540046-2610341366
nur Informationsartikel
Nie mehr lieferbar
keine Alternativen
Pos.
51
BOSCH Schraube | Ersatzteile für 5400 | 2610347100
Hersteller: BOSCH
Artikelnummer: EB-F012540046-2610347100
nur Informationsartikel
Nie mehr lieferbar
keine Alternativen
Pos.
52
BOSCH Sechskantschraube | Ersatzteile für 5400 | 1619X00935
Hersteller: BOSCH
Artikelnummer: EB-F012540046-1619X00935
nur Informationsartikel
Nie mehr lieferbar
keine Alternativen
Pos.
66
BOSCH Lager | Ersatzteile für 5400 | 2610997773
Hersteller: BOSCH
Artikelnummer: EB-F012540046-2610997773
nur Informationsartikel
Nie mehr lieferbar
keine Alternativen
Pos.
67
BOSCH Etikett | Ersatzteile für 5400 | 2610913300
Hersteller: BOSCH
Artikelnummer: EB-F012540046-2610913300
nur Informationsartikel
Nie mehr lieferbar
keine Alternativen
Pos.
651
BOSCH Ringschlüssel | Ersatzteile für 5400 | 2610968670
Hersteller: BOSCH
Artikelnummer: EB-F012540046-2610968670
nur Informationsartikel
Nie mehr lieferbar
keine Alternativen
Pos.
653
BOSCH Parallelanschlag | Ersatzteile für 5400 | 2610347119
Hersteller: BOSCH
Artikelnummer: EB-F012540046-2610347119
nur Informationsartikel
Nie mehr lieferbar
keine Alternativen
Pos.
654
BOSCH Knopfgriff | Ersatzteile für 5400 | 2610918689
Hersteller: BOSCH
Artikelnummer: EB-F012540046-2610918689
Netto: 7,26 € zzgl. MwSt.
zzgl. 6,90 € Versand (brutto)
einmalig pro Bestellung

Lieferzeit: 5 Werktage

Stück
Pos.
801
BOSCH Motorgehäuse | Ersatzteile für 5400 | 2610918679
Hersteller: BOSCH
Artikelnummer: EB-F012540046-2610918679
nur Informationsartikel
Nie mehr lieferbar
keine Alternativen
Pos.
810
BOSCH Kohlebürstensatz | Ersatzteile für 5400 | 2610993157
Hersteller: BOSCH
Artikelnummer: EB-F012540046-2610993157
Netto: 12,50 € zzgl. MwSt.
zzgl. 6,90 € Versand (brutto)
einmalig pro Bestellung

Lieferzeit: 5 Werktage

Stück
Pos.
814
BOSCH Lagerhülse | Ersatzteile für 5400 | 2610356680
Hersteller: BOSCH
Artikelnummer: EB-F012540046-2610356680
nur Informationsartikel
Nie mehr lieferbar
keine Alternativen
Pos.
837
BOSCH Handgriff | Ersatzteile für 5400 | 2610918676
Hersteller: BOSCH
Artikelnummer: EB-F012540046-2610918676
nur Informationsartikel
Nie mehr lieferbar
keine Alternativen
Pos.
846
BOSCH Hebel | Ersatzteile für 5400 | 2610921182
Hersteller: BOSCH
Artikelnummer: EB-F012540046-2610921182
nur Informationsartikel
Nie mehr lieferbar
keine Alternativen

Angaben zur Produktsicherheit

Hersteller:
Robert Bosch Power Tools GmbH
Postfach 30 02 20
70442 Stuttgart

E-Mail:
kontakt@bosch.de