BOSCH 5601 - F012560101

Artikelnummer: EB-F012560101

Position:

Marke: BOSCH


Bitte Kompatibilität prüfen!

Bitte prüfen Sie unbedingt die 10-stellige Typennummer Ihrer Maschine / Ihres Gerätes. Das Ersatzteil ist nur kompatibel, wenn Sie die Typennummer Ihrer Maschine in der unten stehenden Produktbeschreibung finden.

Bitte prüfen Sie ebenfalls detailliert die Explosionszeichnung mit Ihrem Artikelwunsch und der jeweiligen Pos-Nummer.

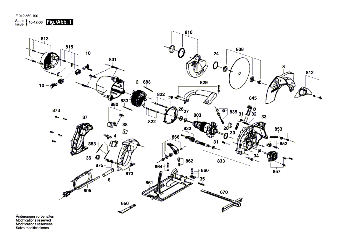
Alle Elemente, welche vom schwarzen Strich der Pos-Nummer ausgehend berührt / erfasst werden, gehören zu dieser Pos-Nummer und somit zu diesem Artikel. Jede Pos-Nummer ist ein eigenständiger Artikel, welchen Sie in der Auflistung finden.

Sie erhalten stets die aktuellste, neueste Produktversion zu der gewählten Pos-Nummer seitens des Herstellers. Es kann daher je nach Gerätealter vorkommen, dass Sie ggf. weitere, zugehörige Elemente, welche an diese Pos-Nummer grenzen, ebenfalls mittauschen müssen.

Nähere Informationen finden Sie unter dem Link
Hinweise zu Ihrer BOSCH Ersatzteilsuche

Beschreibung

Die aufgelisteten BOSCH Ersatzteile sind mit folgendem Gerät und Modell kompatibel:

BOSCH Gerätename:5601
BOSCH Typennummer:F012560101
alternative Schreibweisen:F 012 560 101, F012 560 101, F.012.560.101, F-012-560-101

Bitte prüfen Sie die Typennummer auf Ihrem Gerät um die Kompatibilität des BOSCH Ersatzteils zu gewährleisten.

Die passenden Ersatzteile des BOSCH 5601 mit der Typennummer F012560101 finden Sie in der nachfolgenden Darstellung geordnet nach der Positionsnummern aus der Explosionszeichnung:

Pos.
2
BOSCH Polschuh | Ersatzteile für 5601 | F000607111
Hersteller: BOSCH
Artikelnummer: EB-F012560101-F000607111
nur Informationsartikel
Nie mehr lieferbar
keine Alternativen
Pos.
4
BOSCH Ein/Aus-Schalter | Ersatzteile für 5601 | F000608331
Hersteller: BOSCH
Artikelnummer: EB-F012560101-F000608331
Netto: 10,79 € zzgl. MwSt.
zzgl. 6,90 € Versand (brutto)
einmalig pro Bestellung

Lieferzeit: 5 Werktage

Stück
Pos.
6
BOSCH Tülle | Ersatzteile für 5601 | F000603074
Hersteller: BOSCH
Artikelnummer: EB-F012560101-F000603074
nur Informationsartikel
Nie mehr lieferbar
keine Alternativen
Pos.
8
BOSCH Antriebslager | Ersatzteile für 5601 | F000603076
Hersteller: BOSCH
Artikelnummer: EB-F012560101-F000603076
nur Informationsartikel
Nie mehr lieferbar
keine Alternativen
Pos.
10
BOSCH Kohlebürste | Ersatzteile für 5601 | F000611066
Hersteller: BOSCH
Artikelnummer: EB-F012560101-F000611066
nur Informationsartikel
Nie mehr lieferbar
keine Alternativen
Pos.
24
BOSCH Sicherungsring | Ersatzteile für 5601 | F000616136
Hersteller: BOSCH
Artikelnummer: EB-F012560101-F000616136
nur Informationsartikel
Nie mehr lieferbar
keine Alternativen
Pos.
25
BOSCH Luftleitring | Ersatzteile für 5601 | F000604016
Hersteller: BOSCH
Artikelnummer: EB-F012560101-F000604016
nur Informationsartikel
Nie mehr lieferbar
keine Alternativen
Pos.
26
BOSCH Federscheibe | Ersatzteile für 5601 | F000616137
Hersteller: BOSCH
Artikelnummer: EB-F012560101-F000616137
nur Informationsartikel
Nie mehr lieferbar
keine Alternativen
Pos.
27
BOSCH Unterlegscheibe | Ersatzteile für 5601 | F000616138
Hersteller: BOSCH
Artikelnummer: EB-F012560101-F000616138
nur Informationsartikel
Nie mehr lieferbar
keine Alternativen
Pos.
28
BOSCH O-Ring | Ersatzteile für 5601 | F000616139
Hersteller: BOSCH
Artikelnummer: EB-F012560101-F000616139
nur Informationsartikel
Nie mehr lieferbar
keine Alternativen
Pos.
30
BOSCH Schutzhaube | Ersatzteile für 5601 | F000603097
Hersteller: BOSCH
Artikelnummer: EB-F012560101-F000603097
nur Informationsartikel
Nie mehr lieferbar
keine Alternativen
Pos.
31
BOSCH Blechschraube | Ersatzteile für 5601 | F000616140
Hersteller: BOSCH
Artikelnummer: EB-F012560101-F000616140
nur Informationsartikel
Nie mehr lieferbar
keine Alternativen
Pos.
32
BOSCH Blechschraube | Ersatzteile für 5601 | F000616141
Hersteller: BOSCH
Artikelnummer: EB-F012560101-F000616141
nur Informationsartikel
Nie mehr lieferbar
keine Alternativen
Pos.
33
BOSCH Antriebslager | Ersatzteile für 5601 | F000602016
Hersteller: BOSCH
Artikelnummer: EB-F012560101-F000602016
nur Informationsartikel
Nie mehr lieferbar
keine Alternativen
Pos.
34
BOSCH Nadelhülse | Ersatzteile für 5601 | F000615061
Hersteller: BOSCH
Artikelnummer: EB-F012560101-F000615061
nur Informationsartikel
Nie mehr lieferbar
keine Alternativen
Pos.
35
BOSCH Spannstift | Ersatzteile für 5601 | F000616142
Hersteller: BOSCH
Artikelnummer: EB-F012560101-F000616142
nur Informationsartikel
Nie mehr lieferbar
keine Alternativen
Pos.
36
BOSCH Rollentopf | Ersatzteile für 5601 | F000603077
Hersteller: BOSCH
Artikelnummer: EB-F012560101-F000603077
nur Informationsartikel
Nie mehr lieferbar
keine Alternativen
Pos.
37
BOSCH Rastscheibe | Ersatzteile für 5601 | F000608334
Hersteller: BOSCH
Artikelnummer: EB-F012560101-F000608334
nur Informationsartikel
Nie mehr lieferbar
keine Alternativen
Pos.
650
BOSCH Schaltschlüssel | Ersatzteile für 5601 | F000616034
Hersteller: BOSCH
Artikelnummer: EB-F012560101-F000616034
nur Informationsartikel
Nie mehr lieferbar
keine Alternativen
Pos.
670
BOSCH Anschlag | Ersatzteile für 5601 | F000633034
Hersteller: BOSCH
Artikelnummer: EB-F012560101-F000633034
nur Informationsartikel
Nie mehr lieferbar
keine Alternativen
Pos.
801
BOSCH Motorgehäuse | Ersatzteile für 5601 | F000601301
Hersteller: BOSCH
Artikelnummer: EB-F012560101-F000601301
nur Informationsartikel
Nie mehr lieferbar
keine Alternativen
Pos.
803
BOSCH Anker | Ersatzteile für 5601 | F000605155
Hersteller: BOSCH
Artikelnummer: EB-F012560101-F000605155
nur Informationsartikel
Nie mehr lieferbar
keine Alternativen
Pos.
805
BOSCH Netzanschlussleitung SAM 2,00m 2 x 1,50mm H05 VVF | Ersatzteile für 5601 | F000609273
Hersteller: BOSCH
Artikelnummer: EB-F012560101-F000609273
Netto: 14,03 € zzgl. MwSt.
zzgl. 6,90 € Versand (brutto)
einmalig pro Bestellung

Lieferzeit: 5 Werktage

Stück
Pos.
808
BOSCH Lamelle | Ersatzteile für 5601 | F000613070
Hersteller: BOSCH
Artikelnummer: EB-F012560101-F000613070
nur Informationsartikel
Nie mehr lieferbar
keine Alternativen
Pos.
810
BOSCH Schutzwinkel | Ersatzteile für 5601 | F000603078
Hersteller: BOSCH
Artikelnummer: EB-F012560101-F000603078
nur Informationsartikel
Nie mehr lieferbar
keine Alternativen
Pos.
812
BOSCH Adaptereinsatz | Ersatzteile für 5601 | F000603079
Hersteller: BOSCH
Artikelnummer: EB-F012560101-F000603079
nur Informationsartikel
Nie mehr lieferbar
keine Alternativen
Pos.
813
BOSCH Bürstenhalter | Ersatzteile für 5601 | F000612059
Hersteller: BOSCH
Artikelnummer: EB-F012560101-F000612059
nur Informationsartikel
Nie mehr lieferbar
keine Alternativen
Pos.
815
BOSCH Bürstenhalter | Ersatzteile für 5601 | F000612060
Hersteller: BOSCH
Artikelnummer: EB-F012560101-F000612060
nur Informationsartikel
Nie mehr lieferbar
keine Alternativen
Pos.
822
BOSCH Blechschraube | Ersatzteile für 5601 | F000616143
Hersteller: BOSCH
Artikelnummer: EB-F012560101-F000616143
nur Informationsartikel
Nie mehr lieferbar
keine Alternativen
Pos.
829
BOSCH Verteilerkappe | Ersatzteile für 5601 | F000603080
Hersteller: BOSCH
Artikelnummer: EB-F012560101-F000603080
nur Informationsartikel
Nie mehr lieferbar
keine Alternativen
Pos.
832
BOSCH Sperrklinke | Ersatzteile für 5601 | F000603081
Hersteller: BOSCH
Artikelnummer: EB-F012560101-F000603081
nur Informationsartikel
Nie mehr lieferbar
keine Alternativen
Pos.
833
BOSCH Schalthebelknopf | Ersatzteile für 5601 | F000603082
Hersteller: BOSCH
Artikelnummer: EB-F012560101-F000603082
nur Informationsartikel
Nie mehr lieferbar
keine Alternativen
Pos.
835
BOSCH Sperr-Riegel | Ersatzteile für 5601 | F000616144
Hersteller: BOSCH
Artikelnummer: EB-F012560101-F000616144
nur Informationsartikel
Nie mehr lieferbar
keine Alternativen
Pos.
845
BOSCH Laser | Ersatzteile für 5601 | F000608335
Hersteller: BOSCH
Artikelnummer: EB-F012560101-F000608335
nur Informationsartikel
Nie mehr lieferbar
keine Alternativen
Pos.
852
BOSCH Anschlag | Ersatzteile für 5601 | F000603083
Hersteller: BOSCH
Artikelnummer: EB-F012560101-F000603083
nur Informationsartikel
Nie mehr lieferbar
keine Alternativen
Pos.
853
BOSCH Feder | Ersatzteile für 5601 | F000620019
Hersteller: BOSCH
Artikelnummer: EB-F012560101-F000620019
nur Informationsartikel
Nie mehr lieferbar
keine Alternativen
Pos.
857
BOSCH Spindel | Ersatzteile für 5601 | F000613071
Hersteller: BOSCH
Artikelnummer: EB-F012560101-F000613071
nur Informationsartikel
Nie mehr lieferbar
keine Alternativen
Pos.
860
BOSCH Druckknopf | Ersatzteile für 5601 | F000608337
Hersteller: BOSCH
Artikelnummer: EB-F012560101-F000608337
nur Informationsartikel
Nie mehr lieferbar
keine Alternativen
Pos.
861
BOSCH Fussplatte | Ersatzteile für 5601 | F000603085
Hersteller: BOSCH
Artikelnummer: EB-F012560101-F000603085
nur Informationsartikel
Nie mehr lieferbar
keine Alternativen
Pos.
862
BOSCH Flügelmutter | Ersatzteile für 5601 | F000616145
Hersteller: BOSCH
Artikelnummer: EB-F012560101-F000616145
nur Informationsartikel
Nie mehr lieferbar
keine Alternativen
Pos.
864
BOSCH Blechschraube | Ersatzteile für 5601 | F000616146
Hersteller: BOSCH
Artikelnummer: EB-F012560101-F000616146
nur Informationsartikel
Nie mehr lieferbar
keine Alternativen
Pos.
866
BOSCH Flügelmutter | Ersatzteile für 5601 | F000603086
Hersteller: BOSCH
Artikelnummer: EB-F012560101-F000603086
nur Informationsartikel
Nie mehr lieferbar
keine Alternativen
Pos.
873
BOSCH Verteilerkappe | Ersatzteile für 5601 | F000603087
Hersteller: BOSCH
Artikelnummer: EB-F012560101-F000603087
nur Informationsartikel
Nie mehr lieferbar
keine Alternativen
Pos.
875
BOSCH Befestigungsschelle | Ersatzteile für 5601 | F000603089
Hersteller: BOSCH
Artikelnummer: EB-F012560101-F000603089
nur Informationsartikel
Nie mehr lieferbar
keine Alternativen
Pos.
880
BOSCH Führungsstück | Ersatzteile für 5601 | F000603084
Hersteller: BOSCH
Artikelnummer: EB-F012560101-F000603084
nur Informationsartikel
Nie mehr lieferbar
keine Alternativen
Pos.
883
BOSCH Elektr Leitung | Ersatzteile für 5601 | F000610044
Hersteller: BOSCH
Artikelnummer: EB-F012560101-F000610044
nur Informationsartikel
Nie mehr lieferbar
keine Alternativen

Angaben zur Produktsicherheit

Hersteller:
Robert Bosch Power Tools GmbH
Postfach 30 02 20
70442 Stuttgart

E-Mail:
kontakt@bosch.de