BOSCH 6360 - F012636044

Artikelnummer: EB-F012636044

Position:

Marke: BOSCH


Bitte Kompatibilität prüfen!

Bitte prüfen Sie unbedingt die 10-stellige Typennummer Ihrer Maschine / Ihres Gerätes. Das Ersatzteil ist nur kompatibel, wenn Sie die Typennummer Ihrer Maschine in der unten stehenden Produktbeschreibung finden.

Bitte prüfen Sie ebenfalls detailliert die Explosionszeichnung mit Ihrem Artikelwunsch und der jeweiligen Pos-Nummer.

Alle Elemente, welche vom schwarzen Strich der Pos-Nummer ausgehend berührt / erfasst werden, gehören zu dieser Pos-Nummer und somit zu diesem Artikel. Jede Pos-Nummer ist ein eigenständiger Artikel, welchen Sie in der Auflistung finden.

Sie erhalten stets die aktuellste, neueste Produktversion zu der gewählten Pos-Nummer seitens des Herstellers. Es kann daher je nach Gerätealter vorkommen, dass Sie ggf. weitere, zugehörige Elemente, welche an diese Pos-Nummer grenzen, ebenfalls mittauschen müssen.

Nähere Informationen finden Sie unter dem Link
Hinweise zu Ihrer BOSCH Ersatzteilsuche

Beschreibung

Die aufgelisteten BOSCH Ersatzteile sind mit folgendem Gerät und Modell kompatibel:

BOSCH Gerätename:6360
BOSCH Typennummer:F012636044
alternative Schreibweisen:F 012 636 044, F012 636 044, F.012.636.044, F-012-636-044

Bitte prüfen Sie die Typennummer auf Ihrem Gerät um die Kompatibilität des BOSCH Ersatzteils zu gewährleisten.

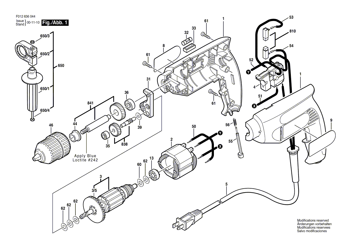
Die passenden Ersatzteile des BOSCH 6360 (Bohrmaschine) mit der Typennummer F012636044 finden Sie in der nachfolgenden Darstellung geordnet nach der Positionsnummern aus der Explosionszeichnung:

Pos.
1
BOSCH Gehäusesatz | Ersatzteile für 6360 | 2610967150
Hersteller: BOSCH
Artikelnummer: EB-F012636044-2610967150
nur Informationsartikel
Nie mehr lieferbar
keine Alternativen
Pos.
3/5
BOSCH Lüfter | Ersatzteile für 6360 | 2610910304
Hersteller: BOSCH
Artikelnummer: EB-F012636044-2610910304
nur Informationsartikel
Nie mehr lieferbar
keine Alternativen
Pos.
650/1
BOSCH Handgriff | Ersatzteile für 6360 | 2610910349
Hersteller: BOSCH
Artikelnummer: EB-F012636044-2610910349
nur Informationsartikel
Nie mehr lieferbar
keine Alternativen
Pos.
650/2
BOSCH Klauenring | Ersatzteile für 6360 | 2610910325
Hersteller: BOSCH
Artikelnummer: EB-F012636044-2610910325
nur Informationsartikel
Nie mehr lieferbar
keine Alternativen
Pos.
650/3
BOSCH Mutter | Ersatzteile für 6360 | 2610044563
Hersteller: BOSCH
Artikelnummer: EB-F012636044-2610044563
Netto: 0,95 € zzgl. MwSt.
zzgl. 6,90 € Versand (brutto)
einmalig pro Bestellung

Lieferzeit: 5 Werktage

Stück
Pos.
650/4
BOSCH Schraube | Ersatzteile für 6360 | 2610967194
Hersteller: BOSCH
Artikelnummer: EB-F012636044-2610967194
Netto: 1,39 € zzgl. MwSt.
zzgl. 6,90 € Versand (brutto)
einmalig pro Bestellung

Lieferzeit: 5 Werktage

Stück
Pos.
2
BOSCH Polschuh 120V | Ersatzteile für 6360 | 2610967181
Hersteller: BOSCH
Artikelnummer: EB-F012636044-2610967181
Netto: 14,61 € zzgl. MwSt.
zzgl. 6,90 € Versand (brutto)
einmalig pro Bestellung

Lieferzeit: 5 Werktage

Stück
Pos.
3
BOSCH Anker 120V | Ersatzteile für 6360 | 2610967173
Hersteller: BOSCH
Artikelnummer: EB-F012636044-2610967173
nur Informationsartikel
Nie mehr lieferbar
keine Alternativen
Pos.
4
BOSCH Ein/Aus-Schalter | Ersatzteile für 6360 | 2610967153
Hersteller: BOSCH
Artikelnummer: EB-F012636044-2610967153
nur Informationsartikel
Nie mehr lieferbar
keine Alternativen
Pos.
5
BOSCH Netzanschlussleitung | Ersatzteile für 6360 | 1619X00506
Hersteller: BOSCH
Artikelnummer: EB-F012636044-1619X00506
nur Informationsartikel
Nie mehr lieferbar
keine Alternativen
Pos.
8
BOSCH Typschild | Ersatzteile für 6360 | 2610909352
Hersteller: BOSCH
Artikelnummer: EB-F012636044-2610909352
nur Informationsartikel
Nie mehr lieferbar
keine Alternativen
Pos.
9
BOSCH Typschild | Ersatzteile für 6360 | 2610909016
Hersteller: BOSCH
Artikelnummer: EB-F012636044-2610909016
nur Informationsartikel
Nie mehr lieferbar
keine Alternativen
Pos.
13
BOSCH Lagerbuchse | Ersatzteile für 6360 | 2610967219
Hersteller: BOSCH
Artikelnummer: EB-F012636044-2610967219
nur Informationsartikel
Nie mehr lieferbar
keine Alternativen
Pos.
31
BOSCH Lagerblock | Ersatzteile für 6360 | 2610967163
Hersteller: BOSCH
Artikelnummer: EB-F012636044-2610967163
nur Informationsartikel
Nie mehr lieferbar
keine Alternativen
Pos.
32
BOSCH Libelle | Ersatzteile für 6360 | 2610967204
Hersteller: BOSCH
Artikelnummer: EB-F012636044-2610967204
Netto: 3,95 € zzgl. MwSt.
zzgl. 6,90 € Versand (brutto)
einmalig pro Bestellung

Lieferzeit: 5 Werktage

Stück
Pos.
33
BOSCH Stütze | Ersatzteile für 6360 | 2610967152
Hersteller: BOSCH
Artikelnummer: EB-F012636044-2610967152
Netto: 0,62 € zzgl. MwSt.
zzgl. 6,90 € Versand (brutto)
einmalig pro Bestellung

Lieferzeit: 5 Werktage

Stück
Pos.
35
BOSCH Nadellager | Ersatzteile für 6360 | 2610992216
Hersteller: BOSCH
Artikelnummer: EB-F012636044-2610992216
nur Informationsartikel
Nie mehr lieferbar
keine Alternativen
Pos.
36
BOSCH Kugellager | Ersatzteile für 6360 | 1619P01511
Hersteller: BOSCH
Artikelnummer: EB-F012636044-1619P01511
Netto: 7,30 € zzgl. MwSt.
zzgl. 6,90 € Versand (brutto)
einmalig pro Bestellung

Lieferzeit: 5 Werktage

Stück
Pos.
39
BOSCH Ausgleichscheibe 0,3 MM | Ersatzteile für 6360 | 2600100627
Hersteller: BOSCH
Artikelnummer: EB-F012636044-2600100627
Netto: 3,94 € zzgl. MwSt.
zzgl. 6,90 € Versand (brutto)
einmalig pro Bestellung

Lieferzeit: 5 Werktage

Stück
Pos.
44
BOSCH Sinterbuchse | Ersatzteile für 6360 | 2610967161
Hersteller: BOSCH
Artikelnummer: EB-F012636044-2610967161
nur Informationsartikel
Nie mehr lieferbar
keine Alternativen
Pos.
46
BOSCH Bohrfutter 1/2" | Ersatzteile für 6360 | 2610992234
Hersteller: BOSCH
Artikelnummer: EB-F012636044-2610992234
nur Informationsartikel
Nie mehr lieferbar
keine Alternativen
Pos.
50
BOSCH Elektr Leitung 135 MM | Ersatzteile für 6360 | 2610967175
Hersteller: BOSCH
Artikelnummer: EB-F012636044-2610967175
nur Informationsartikel
Nie mehr lieferbar
keine Alternativen
Pos.
51
BOSCH Elektr Leitung 165 MM | Ersatzteile für 6360 | 2610967176
Hersteller: BOSCH
Artikelnummer: EB-F012636044-2610967176
nur Informationsartikel
Nie mehr lieferbar
keine Alternativen
Pos.
52
BOSCH Elektr Leitung 140 MM | Ersatzteile für 6360 | 2610967177
Hersteller: BOSCH
Artikelnummer: EB-F012636044-2610967177
nur Informationsartikel
Nie mehr lieferbar
keine Alternativen
Pos.
53
BOSCH Anschlussdraht 130 MM SCHWARZ | Ersatzteile für 6360 | 2610039904
Hersteller: BOSCH
Artikelnummer: EB-F012636044-2610039904
nur Informationsartikel
Nie mehr lieferbar
keine Alternativen
Pos.
54
BOSCH Anschlussdraht 50 MM | Ersatzteile für 6360 | 2610320494
Hersteller: BOSCH
Artikelnummer: EB-F012636044-2610320494
nur Informationsartikel
Nie mehr lieferbar
keine Alternativen
Pos.
55
BOSCH Stelleinheit | Ersatzteile für 6360 | 2610967151
Hersteller: BOSCH
Artikelnummer: EB-F012636044-2610967151
nur Informationsartikel
Nie mehr lieferbar
keine Alternativen
Pos.
56
BOSCH Druckfeder | Ersatzteile für 6360 | 2610967228
Hersteller: BOSCH
Artikelnummer: EB-F012636044-2610967228
nur Informationsartikel
Nie mehr lieferbar
keine Alternativen
Pos.
60
BOSCH Scheibe | Ersatzteile für 6360 | 2610026126
Hersteller: BOSCH
Artikelnummer: EB-F012636044-2610026126
Netto: 3,95 € zzgl. MwSt.
zzgl. 6,90 € Versand (brutto)
einmalig pro Bestellung

Lieferzeit: 5 Werktage

Stück
Pos.
61
BOSCH Schraube | Ersatzteile für 6360 | 1619X00504
Hersteller: BOSCH
Artikelnummer: EB-F012636044-1619X00504
Netto: 3,63 € zzgl. MwSt.
zzgl. 6,90 € Versand (brutto)
einmalig pro Bestellung

Lieferzeit: 5 Werktage

Stück
Pos.
62
BOSCH Scheibe | Ersatzteile für 6360 | 2610027396
Hersteller: BOSCH
Artikelnummer: EB-F012636044-2610027396
nur Informationsartikel
Nie mehr lieferbar
keine Alternativen
Pos.
650
BOSCH Zusatzhandgriff | Ersatzteile für 6360 | 2610967198
Hersteller: BOSCH
Artikelnummer: EB-F012636044-2610967198
nur Informationsartikel
Nie mehr lieferbar
keine Alternativen
Pos.
810
BOSCH Kohlebürstensatz | Ersatzteile für 6360 | 2610967197
Hersteller: BOSCH
Artikelnummer: EB-F012636044-2610967197
Netto: 8,33 € zzgl. MwSt.
zzgl. 6,90 € Versand (brutto)
einmalig pro Bestellung

Lieferzeit: 5 Werktage

Stück
Pos.
838
BOSCH Umsetzgetriebe | Ersatzteile für 6360 | 2610993247
Hersteller: BOSCH
Artikelnummer: EB-F012636044-2610993247
nur Informationsartikel
Nie mehr lieferbar
keine Alternativen
Pos.
841
BOSCH Bohrspindel | Ersatzteile für 6360 | 2610967170
Hersteller: BOSCH
Artikelnummer: EB-F012636044-2610967170
nur Informationsartikel
Nie mehr lieferbar
keine Alternativen

Angaben zur Produktsicherheit

Hersteller:
Robert Bosch Power Tools GmbH
Postfach 30 02 20
70442 Stuttgart

E-Mail:
kontakt@bosch.de