BOSCH 6500 H1 - F0156500C1

Artikelnummer: EB-F0156500C1

Position:

Marke: BOSCH


Bitte Kompatibilität prüfen!

Bitte prüfen Sie unbedingt die 10-stellige Typennummer Ihrer Maschine / Ihres Gerätes. Das Ersatzteil ist nur kompatibel, wenn Sie die Typennummer Ihrer Maschine in der unten stehenden Produktbeschreibung finden.

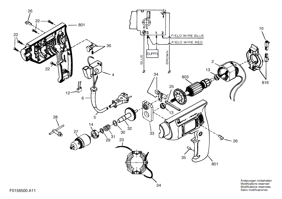
Bitte prüfen Sie ebenfalls detailliert die Explosionszeichnung mit Ihrem Artikelwunsch und der jeweiligen Pos-Nummer.

Alle Elemente, welche vom schwarzen Strich der Pos-Nummer ausgehend berührt / erfasst werden, gehören zu dieser Pos-Nummer und somit zu diesem Artikel. Jede Pos-Nummer ist ein eigenständiger Artikel, welchen Sie in der Auflistung finden.

Sie erhalten stets die aktuellste, neueste Produktversion zu der gewählten Pos-Nummer seitens des Herstellers. Es kann daher je nach Gerätealter vorkommen, dass Sie ggf. weitere, zugehörige Elemente, welche an diese Pos-Nummer grenzen, ebenfalls mittauschen müssen.

Nähere Informationen finden Sie unter dem Link
Hinweise zu Ihrer BOSCH Ersatzteilsuche

Beschreibung

Die aufgelisteten BOSCH Ersatzteile sind mit folgendem Gerät und Modell kompatibel:

BOSCH Gerätename:6500 H1
BOSCH Typennummer:F0156500C1
alternative Schreibweisen:F 015 650 0C1, F015 650 0C1, F.015.650.0C1, F-015-650-0C1

Bitte prüfen Sie die Typennummer auf Ihrem Gerät um die Kompatibilität des BOSCH Ersatzteils zu gewährleisten.

Die passenden Ersatzteile des BOSCH 6500 H1 (Schlagbohrmaschine) mit der Typennummer F0156500C1 finden Sie in der nachfolgenden Darstellung geordnet nach der Positionsnummern aus der Explosionszeichnung:

Pos.
2
BOSCH Polschuh 230V | Ersatzteile für 6500 H1 | 2610367938
Hersteller: BOSCH
Artikelnummer: EB-F0156500C1-2610367938
nur Informationsartikel
Nie mehr lieferbar
keine Alternativen
Pos.
4
BOSCH Schalter | Ersatzteile für 6500 H1 | 2610376869
Hersteller: BOSCH
Artikelnummer: EB-F0156500C1-2610376869
nur Informationsartikel
Nie mehr lieferbar
keine Alternativen
Pos.
5
BOSCH Netzanschlussleitung CH 2,75m 2 x 1,0mm H05 VV-F | Ersatzteile für 6500 H1 | 2610371799
Hersteller: BOSCH
Artikelnummer: EB-F0156500C1-2610371799
nur Informationsartikel
Nie mehr lieferbar
keine Alternativen
Pos.
6
BOSCH Tülle | Ersatzteile für 6500 H1 | 2610360176
Hersteller: BOSCH
Artikelnummer: EB-F0156500C1-2610360176
Netto: 3,94 € zzgl. MwSt.
zzgl. 6,90 € Versand (brutto)
einmalig pro Bestellung

Lieferzeit: 5 Werktage

Stück
Pos.
10
BOSCH Bürstenhalter | Ersatzteile für 6500 H1 | 2610376874
Hersteller: BOSCH
Artikelnummer: EB-F0156500C1-2610376874
nur Informationsartikel
Nie mehr lieferbar
keine Alternativen
Pos.
12
BOSCH Kondensator | Ersatzteile für 6500 H1 | 2610374704
Hersteller: BOSCH
Artikelnummer: EB-F0156500C1-2610374704
nur Informationsartikel
Nie mehr lieferbar
keine Alternativen
Pos.
13
BOSCH Rillenkugellager 8x22x7 | Ersatzteile für 6500 H1 | 2600905052
Hersteller: BOSCH
Artikelnummer: EB-F0156500C1-2600905052
Netto: 7,66 € zzgl. MwSt.
zzgl. 6,90 € Versand (brutto)
einmalig pro Bestellung

Lieferzeit: 5 Werktage

Stück
Pos.
14
BOSCH Kugellager | Ersatzteile für 6500 H1 | 2610376249
Hersteller: BOSCH
Artikelnummer: EB-F0156500C1-2610376249
nur Informationsartikel
Nie mehr lieferbar
keine Alternativen
Pos.
22
BOSCH Torx-Linsenschraube T20-8x19 MM | Ersatzteile für 6500 H1 | 2610374919
Hersteller: BOSCH
Artikelnummer: EB-F0156500C1-2610374919
Netto: 3,60 € zzgl. MwSt.
zzgl. 6,90 € Versand (brutto)
einmalig pro Bestellung

Lieferzeit: 5 Werktage

Stück
Pos.
23
BOSCH Elektr Leitung BLAU | Ersatzteile für 6500 H1 | 2610377019
Hersteller: BOSCH
Artikelnummer: EB-F0156500C1-2610377019
nur Informationsartikel
Nie mehr lieferbar
keine Alternativen
Pos.
24
BOSCH Elektr Leitung ROT | Ersatzteile für 6500 H1 | 2610376688
Hersteller: BOSCH
Artikelnummer: EB-F0156500C1-2610376688
nur Informationsartikel
Nie mehr lieferbar
keine Alternativen
Pos.
25
BOSCH Streifen | Ersatzteile für 6500 H1 | 2610377099
Hersteller: BOSCH
Artikelnummer: EB-F0156500C1-2610377099
nur Informationsartikel
Nie mehr lieferbar
keine Alternativen
Pos.
26
BOSCH Knopf | Ersatzteile für 6500 H1 | 2610376669
Hersteller: BOSCH
Artikelnummer: EB-F0156500C1-2610376669
nur Informationsartikel
Nie mehr lieferbar
keine Alternativen
Pos.
27
BOSCH Bohrfutter | Ersatzteile für 6500 H1 | 2610387215
Hersteller: BOSCH
Artikelnummer: EB-F0156500C1-2610387215
nur Informationsartikel
Nie mehr lieferbar
keine Alternativen
Pos.
28
BOSCH Bohrfutterschlüssel | Ersatzteile für 6500 H1 | 2610063333
Hersteller: BOSCH
Artikelnummer: EB-F0156500C1-2610063333
nur Informationsartikel
Nie mehr lieferbar
keine Alternativen
Pos.
29
BOSCH Ring | Ersatzteile für 6500 H1 | 2610376770
Hersteller: BOSCH
Artikelnummer: EB-F0156500C1-2610376770
nur Informationsartikel
Nie mehr lieferbar
keine Alternativen
Pos.
30
BOSCH Scheibe | Ersatzteile für 6500 H1 | 2610376663
Hersteller: BOSCH
Artikelnummer: EB-F0156500C1-2610376663
nur Informationsartikel
Nie mehr lieferbar
keine Alternativen
Pos.
31
BOSCH Feder | Ersatzteile für 6500 H1 | 2610376656
Hersteller: BOSCH
Artikelnummer: EB-F0156500C1-2610376656
nur Informationsartikel
Nie mehr lieferbar
keine Alternativen
Pos.
32
BOSCH Spindel | Ersatzteile für 6500 H1 | 2610376878
Hersteller: BOSCH
Artikelnummer: EB-F0156500C1-2610376878
nur Informationsartikel
Nie mehr lieferbar
keine Alternativen
Pos.
33
BOSCH Lagerdeckel | Ersatzteile für 6500 H1 | 2610376880
Hersteller: BOSCH
Artikelnummer: EB-F0156500C1-2610376880
nur Informationsartikel
Nie mehr lieferbar
keine Alternativen
Pos.
34
BOSCH Umschalter | Ersatzteile für 6500 H1 | 2610376866
Hersteller: BOSCH
Artikelnummer: EB-F0156500C1-2610376866
nur Informationsartikel
Nie mehr lieferbar
keine Alternativen
Pos.
35
BOSCH Stopfen | Ersatzteile für 6500 H1 | 2610028780
Hersteller: BOSCH
Artikelnummer: EB-F0156500C1-2610028780
Netto: 3,94 € zzgl. MwSt.
zzgl. 6,90 € Versand (brutto)
einmalig pro Bestellung

Lieferzeit: 5 Werktage

Stück
Pos.
36
BOSCH Hebel | Ersatzteile für 6500 H1 | 2610376870
Hersteller: BOSCH
Artikelnummer: EB-F0156500C1-2610376870
nur Informationsartikel
Nie mehr lieferbar
keine Alternativen
Pos.
801
BOSCH Gehäuse | Ersatzteile für 6500 H1 | 2610384778
Hersteller: BOSCH
Artikelnummer: EB-F0156500C1-2610384778
nur Informationsartikel
Nie mehr lieferbar
keine Alternativen
Pos.
803
BOSCH Anker 230V | Ersatzteile für 6500 H1 | 2610376674
Hersteller: BOSCH
Artikelnummer: EB-F0156500C1-2610376674
nur Informationsartikel
Nie mehr lieferbar
keine Alternativen
Pos.
816
BOSCH Bürstenhalter | Ersatzteile für 6500 H1 | 2610376873
Hersteller: BOSCH
Artikelnummer: EB-F0156500C1-2610376873
nur Informationsartikel
Nie mehr lieferbar
keine Alternativen

Angaben zur Produktsicherheit

Hersteller:
Robert Bosch Power Tools GmbH
Postfach 30 02 20
70442 Stuttgart

E-Mail:
kontakt@bosch.de