BOSCH 6604 AB - F012660401

Artikelnummer: EB-F012660401

Position:

Marke: BOSCH


Bitte Kompatibilität prüfen!

Bitte prüfen Sie unbedingt die 10-stellige Typennummer Ihrer Maschine / Ihres Gerätes. Das Ersatzteil ist nur kompatibel, wenn Sie die Typennummer Ihrer Maschine in der unten stehenden Produktbeschreibung finden.

Bitte prüfen Sie ebenfalls detailliert die Explosionszeichnung mit Ihrem Artikelwunsch und der jeweiligen Pos-Nummer.

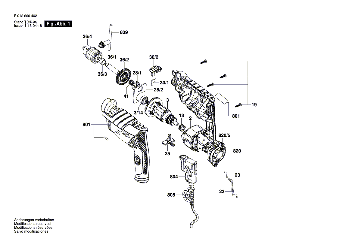
Alle Elemente, welche vom schwarzen Strich der Pos-Nummer ausgehend berührt / erfasst werden, gehören zu dieser Pos-Nummer und somit zu diesem Artikel. Jede Pos-Nummer ist ein eigenständiger Artikel, welchen Sie in der Auflistung finden.

Sie erhalten stets die aktuellste, neueste Produktversion zu der gewählten Pos-Nummer seitens des Herstellers. Es kann daher je nach Gerätealter vorkommen, dass Sie ggf. weitere, zugehörige Elemente, welche an diese Pos-Nummer grenzen, ebenfalls mittauschen müssen.

Nähere Informationen finden Sie unter dem Link
Hinweise zu Ihrer BOSCH Ersatzteilsuche

Beschreibung

Die aufgelisteten BOSCH Ersatzteile sind mit folgendem Gerät und Modell kompatibel:

BOSCH Gerätename:6604 AB
BOSCH Typennummer:F012660401
alternative Schreibweisen:F 012 660 401, F012 660 401, F.012.660.401, F-012-660-401

Bitte prüfen Sie die Typennummer auf Ihrem Gerät um die Kompatibilität des BOSCH Ersatzteils zu gewährleisten.

Die passenden Ersatzteile des BOSCH 6604 AB (Hammerbohrmaschine) mit der Typennummer F012660401 finden Sie in der nachfolgenden Darstellung geordnet nach der Positionsnummern aus der Explosionszeichnung:

Pos.
28/1
BOSCH Rastscheibe | Ersatzteile für 6604 AB | 1600A00M5U
Hersteller: BOSCH
Artikelnummer: EB-F012660401-1600A00M5U
nur Informationsartikel
Nie mehr lieferbar
keine Alternativen
Pos.
28/2
BOSCH Lagerbrücke | Ersatzteile für 6604 AB | 1600A00M5K
Hersteller: BOSCH
Artikelnummer: EB-F012660401-1600A00M5K
nur Informationsartikel
Nie mehr lieferbar
keine Alternativen
Pos.
3/14
BOSCH Rillenkugellager 8x22x7 608-2Z/C3 | Ersatzteile für 6604 AB | 3130900020
Hersteller: BOSCH
Artikelnummer: EB-F012660401-3130900020
Netto: 7,26 € zzgl. MwSt.
zzgl. 6,90 € Versand (brutto)
einmalig pro Bestellung

Lieferzeit: 5 Werktage

Stück
Pos.
30/1
BOSCH Druckplatte | Ersatzteile für 6604 AB | 1600A00PB7
Hersteller: BOSCH
Artikelnummer: EB-F012660401-1600A00PB7
nur Informationsartikel
Nie mehr lieferbar
keine Alternativen
Pos.
30/2
BOSCH Umschalter | Ersatzteile für 6604 AB | 1600A00PB8
Hersteller: BOSCH
Artikelnummer: EB-F012660401-1600A00PB8
nur Informationsartikel
Nie mehr lieferbar
keine Alternativen
Pos.
36/1
BOSCH Spindel | Ersatzteile für 6604 AB | 1600A00M4P
Hersteller: BOSCH
Artikelnummer: EB-F012660401-1600A00M4P
nur Informationsartikel
Nie mehr lieferbar
keine Alternativen
Pos.
36/2
BOSCH Zahnrad | Ersatzteile für 6604 AB | 160630000W
Hersteller: BOSCH
Artikelnummer: EB-F012660401-160630000W
nur Informationsartikel
Nie mehr lieferbar
keine Alternativen
Pos.
36/3
BOSCH Sinterlager | Ersatzteile für 6604 AB | 160090006B
Hersteller: BOSCH
Artikelnummer: EB-F012660401-160090006B
nur Informationsartikel
Nie mehr lieferbar
keine Alternativen
Pos.
36/4
BOSCH Bohrfutter Ø1,0-10 MM, 3/8" | Ersatzteile für 6604 AB | 1608571079
Hersteller: BOSCH
Artikelnummer: EB-F012660401-1608571079
Netto: 23,72 € zzgl. MwSt.
zzgl. 6,90 € Versand (brutto)
einmalig pro Bestellung

Lieferzeit: 5 Werktage

Stück
Pos.
820/5
BOSCH Bürstenhalter | Ersatzteile für 6604 AB | 1600A009VN
Hersteller: BOSCH
Artikelnummer: EB-F012660401-1600A009VN
nur Informationsartikel
Nie mehr lieferbar
keine Alternativen
Pos.
2
BOSCH Polschuh 127V | Ersatzteile für 6604 AB | 1604220556
Hersteller: BOSCH
Artikelnummer: EB-F012660401-1604220556
Netto: 13,81 € zzgl. MwSt.
zzgl. 6,90 € Versand (brutto)
einmalig pro Bestellung

Lieferzeit: 5 Werktage

Stück
Pos.
3
BOSCH Anker 127V | Ersatzteile für 6604 AB | 1604010B8R
Hersteller: BOSCH
Artikelnummer: EB-F012660401-1604010B8R
nur Informationsartikel
Nie mehr lieferbar
keine Alternativen
Pos.
13
BOSCH Sinterlager | Ersatzteile für 6604 AB | 1600A00PB4
Hersteller: BOSCH
Artikelnummer: EB-F012660401-1600A00PB4
nur Informationsartikel
Nie mehr lieferbar
keine Alternativen
Pos.
19
BOSCH Blechschraube 4x16 MM | Ersatzteile für 6604 AB | 9618087099
Hersteller: BOSCH
Artikelnummer: EB-F012660401-9618087099
nur Informationsartikel
Nie mehr lieferbar
keine Alternativen
Pos.
22
BOSCH Verbindungsleitung | Ersatzteile für 6604 AB | 1600A012H4
Hersteller: BOSCH
Artikelnummer: EB-F012660401-1600A012H4
Netto: 3,60 € zzgl. MwSt.
zzgl. 6,90 € Versand (brutto)
einmalig pro Bestellung

Lieferzeit: 5 Werktage

Stück
Pos.
23
BOSCH Verbindungsleitung | Ersatzteile für 6604 AB | F000610038
Hersteller: BOSCH
Artikelnummer: EB-F012660401-F000610038
nur Informationsartikel
Nie mehr lieferbar
keine Alternativen
Pos.
25
BOSCH Umschalter | Ersatzteile für 6604 AB | 1600A00R6U
Hersteller: BOSCH
Artikelnummer: EB-F012660401-1600A00R6U
nur Informationsartikel
Nie mehr lieferbar
keine Alternativen
Pos.
41
BOSCH Kontaktfeder | Ersatzteile für 6604 AB | 1600A00PC0
Hersteller: BOSCH
Artikelnummer: EB-F012660401-1600A00PC0
nur Informationsartikel
Nie mehr lieferbar
keine Alternativen
Pos.
801
BOSCH Motorgehäuse | Ersatzteile für 6604 AB | 16051082FV
Hersteller: BOSCH
Artikelnummer: EB-F012660401-16051082FV
nur Informationsartikel
Nie mehr lieferbar
keine Alternativen
Pos.
804
BOSCH Schalter 127V | Ersatzteile für 6604 AB | 160720034E
Hersteller: BOSCH
Artikelnummer: EB-F012660401-160720034E
nur Informationsartikel
Nie mehr lieferbar
keine Alternativen
Pos.
805
BOSCH Netzanschlussleitung | Ersatzteile für 6604 AB | 160446074J
Hersteller: BOSCH
Artikelnummer: EB-F012660401-160446074J
nur Informationsartikel
Nie mehr lieferbar
keine Alternativen
Pos.
820
BOSCH Bürstenplatte | Ersatzteile für 6604 AB | F000612063
Hersteller: BOSCH
Artikelnummer: EB-F012660401-F000612063
nur Informationsartikel
Nie mehr lieferbar
keine Alternativen
Pos.
839
BOSCH Bohrfutterschlüssel SG2 | Ersatzteile für 6604 AB | 1607950045
Hersteller: BOSCH
Artikelnummer: EB-F012660401-1607950045
Netto: 7,53 € zzgl. MwSt.
zzgl. 6,90 € Versand (brutto)
einmalig pro Bestellung

Lieferzeit: 5 Werktage

Stück

Angaben zur Produktsicherheit

Hersteller:
Robert Bosch Power Tools GmbH
Postfach 30 02 20
70442 Stuttgart

E-Mail:
kontakt@bosch.de