BOSCH 7126 - F015712601

Artikelnummer: EB-F015712601

Position:

Marke: BOSCH


Bitte Kompatibilität prüfen!

Bitte prüfen Sie unbedingt die 10-stellige Typennummer Ihrer Maschine / Ihres Gerätes. Das Ersatzteil ist nur kompatibel, wenn Sie die Typennummer Ihrer Maschine in der unten stehenden Produktbeschreibung finden.

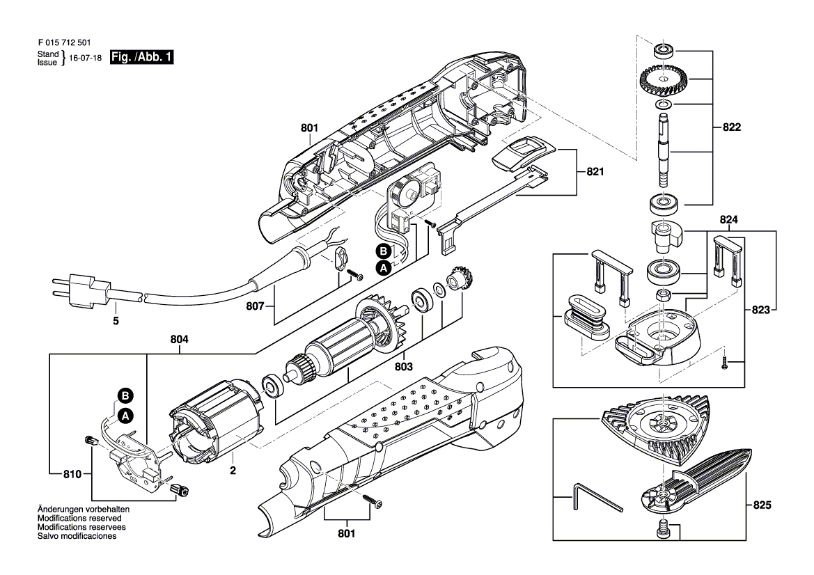
Bitte prüfen Sie ebenfalls detailliert die Explosionszeichnung mit Ihrem Artikelwunsch und der jeweiligen Pos-Nummer.

Alle Elemente, welche vom schwarzen Strich der Pos-Nummer ausgehend berührt / erfasst werden, gehören zu dieser Pos-Nummer und somit zu diesem Artikel. Jede Pos-Nummer ist ein eigenständiger Artikel, welchen Sie in der Auflistung finden.

Sie erhalten stets die aktuellste, neueste Produktversion zu der gewählten Pos-Nummer seitens des Herstellers. Es kann daher je nach Gerätealter vorkommen, dass Sie ggf. weitere, zugehörige Elemente, welche an diese Pos-Nummer grenzen, ebenfalls mittauschen müssen.

Nähere Informationen finden Sie unter dem Link
Hinweise zu Ihrer BOSCH Ersatzteilsuche

Beschreibung

Die aufgelisteten BOSCH Ersatzteile sind mit folgendem Gerät und Modell kompatibel:

BOSCH Gerätename:7126
BOSCH Typennummer:F015712601
alternative Schreibweisen:F 015 712 601, F015 712 601, F.015.712.601, F-015-712-601

Bitte prüfen Sie die Typennummer auf Ihrem Gerät um die Kompatibilität des BOSCH Ersatzteils zu gewährleisten.

Die passenden Ersatzteile des BOSCH 7126 (Hw-Deltaschleifer) mit der Typennummer F015712601 finden Sie in der nachfolgenden Darstellung geordnet nach der Positionsnummern aus der Explosionszeichnung:

Pos.
2
BOSCH Polschuh | Ersatzteile für 7126 | 2610Z08342
Hersteller: BOSCH
Artikelnummer: EB-F015712601-2610Z08342
nur Informationsartikel
Nie mehr lieferbar
keine Alternativen
Pos.
5
BOSCH Netzanschlussleitung EU 230V 2,7m 2 x 0,75mm H05 VV-F | Ersatzteile für 7126 | 2604460259
Hersteller: BOSCH
Artikelnummer: EB-F015712601-2604460259
Netto: 11,92 € zzgl. MwSt.
zzgl. 6,90 € Versand (brutto)
einmalig pro Bestellung

Lieferzeit: 5 Werktage

Stück
Pos.
801
BOSCH Gehäusesatz | Ersatzteile für 7126 | 2610Z08339
Hersteller: BOSCH
Artikelnummer: EB-F015712601-2610Z08339
nur Informationsartikel
Nie mehr lieferbar
keine Alternativen
Pos.
803
BOSCH Anker | Ersatzteile für 7126 | 2610Z08343
Hersteller: BOSCH
Artikelnummer: EB-F015712601-2610Z08343
nur Informationsartikel
Nie mehr lieferbar
keine Alternativen
Pos.
804
BOSCH Drehzahlregler | Ersatzteile für 7126 | 2610Z08341
Hersteller: BOSCH
Artikelnummer: EB-F015712601-2610Z08341
nur Informationsartikel
Nie mehr lieferbar
keine Alternativen
Pos.
807
BOSCH Kabeltülle | Ersatzteile für 7126 | 2610Z08340
Hersteller: BOSCH
Artikelnummer: EB-F015712601-2610Z08340
nur Informationsartikel
Nie mehr lieferbar
keine Alternativen
Pos.
810
BOSCH Kohlebürstensatz | Ersatzteile für 7126 | 2610Z08349
Hersteller: BOSCH
Artikelnummer: EB-F015712601-2610Z08349
nur Informationsartikel
Nie mehr lieferbar
keine Alternativen
Pos.
821
BOSCH Knopfsatz | Ersatzteile für 7126 | 2610Z08344
Hersteller: BOSCH
Artikelnummer: EB-F015712601-2610Z08344
nur Informationsartikel
Nie mehr lieferbar
keine Alternativen
Pos.
822
BOSCH Verstellwelle | Ersatzteile für 7126 | 2610Z08345
Hersteller: BOSCH
Artikelnummer: EB-F015712601-2610Z08345
nur Informationsartikel
Nie mehr lieferbar
keine Alternativen
Pos.
823
BOSCH Schwenkteil | Ersatzteile für 7126 | 2610Z08346
Hersteller: BOSCH
Artikelnummer: EB-F015712601-2610Z08346
nur Informationsartikel
Nie mehr lieferbar
keine Alternativen
Pos.
824
BOSCH Schleifrahmen | Ersatzteile für 7126 | 2610Z08347
Hersteller: BOSCH
Artikelnummer: EB-F015712601-2610Z08347
nur Informationsartikel
Nie mehr lieferbar
keine Alternativen
Pos.
825
BOSCH Grundplatte | Ersatzteile für 7126 | 2610Z08348
Hersteller: BOSCH
Artikelnummer: EB-F015712601-2610Z08348
nur Informationsartikel
Nie mehr lieferbar
keine Alternativen

Angaben zur Produktsicherheit

Hersteller:
Robert Bosch Power Tools GmbH
Postfach 30 02 20
70442 Stuttgart

E-Mail:
kontakt@bosch.de