BOSCH 7370 - F015737003

Artikelnummer: EB-F015737003

Position:

Marke: BOSCH


Bitte Kompatibilität prüfen!

Bitte prüfen Sie unbedingt die 10-stellige Typennummer Ihrer Maschine / Ihres Gerätes. Das Ersatzteil ist nur kompatibel, wenn Sie die Typennummer Ihrer Maschine in der unten stehenden Produktbeschreibung finden.

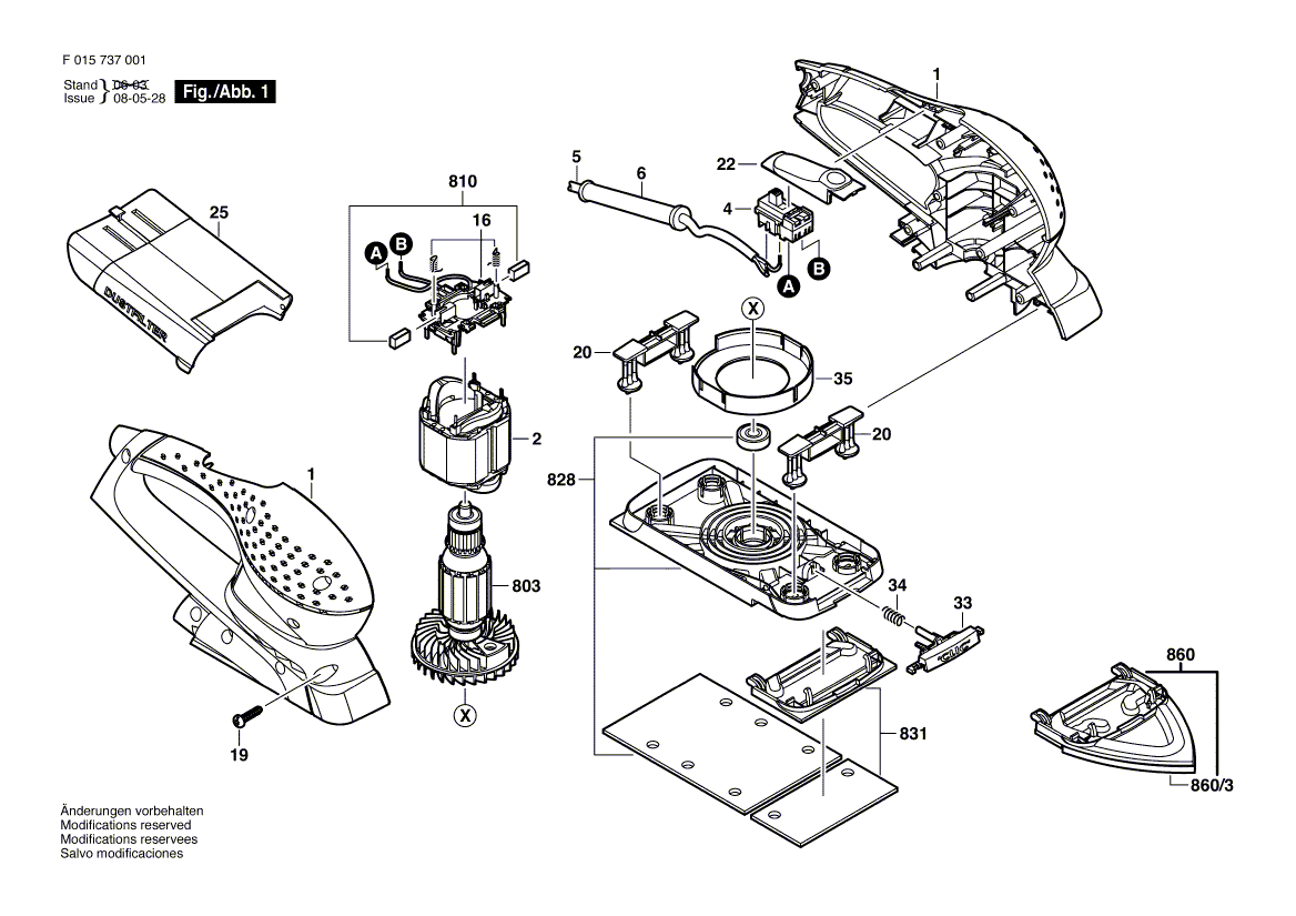
Bitte prüfen Sie ebenfalls detailliert die Explosionszeichnung mit Ihrem Artikelwunsch und der jeweiligen Pos-Nummer.

Alle Elemente, welche vom schwarzen Strich der Pos-Nummer ausgehend berührt / erfasst werden, gehören zu dieser Pos-Nummer und somit zu diesem Artikel. Jede Pos-Nummer ist ein eigenständiger Artikel, welchen Sie in der Auflistung finden.

Sie erhalten stets die aktuellste, neueste Produktversion zu der gewählten Pos-Nummer seitens des Herstellers. Es kann daher je nach Gerätealter vorkommen, dass Sie ggf. weitere, zugehörige Elemente, welche an diese Pos-Nummer grenzen, ebenfalls mittauschen müssen.

Nähere Informationen finden Sie unter dem Link
Hinweise zu Ihrer BOSCH Ersatzteilsuche

Beschreibung

Die aufgelisteten BOSCH Ersatzteile sind mit folgendem Gerät und Modell kompatibel:

BOSCH Gerätename:7370
BOSCH Typennummer:F015737003
alternative Schreibweisen:F 015 737 003, F015 737 003, F.015.737.003, F-015-737-003

Bitte prüfen Sie die Typennummer auf Ihrem Gerät um die Kompatibilität des BOSCH Ersatzteils zu gewährleisten.

Die passenden Ersatzteile des BOSCH 7370 (Schwingschleifer) mit der Typennummer F015737003 finden Sie in der nachfolgenden Darstellung geordnet nach der Positionsnummern aus der Explosionszeichnung:

Pos.
1
BOSCH Gehäuse | Ersatzteile für 7370 | 2609000726
Hersteller: BOSCH
Artikelnummer: EB-F015737003-2609000726
nur Informationsartikel
Nie mehr lieferbar
keine Alternativen
Pos.
860/3
BOSCH Zellgummi | Ersatzteile für 7370 | 2609001211
Hersteller: BOSCH
Artikelnummer: EB-F015737003-2609001211
Netto: 6,21 € zzgl. MwSt.
zzgl. 6,90 € Versand (brutto)
einmalig pro Bestellung

Lieferzeit: 5 Werktage

Stück
Pos.
2
BOSCH Polschuh 220-240V | Ersatzteile für 7370 | 2604220636
Hersteller: BOSCH
Artikelnummer: EB-F015737003-2604220636
Netto: 15,75 € zzgl. MwSt.
zzgl. 6,90 € Versand (brutto)
einmalig pro Bestellung

Lieferzeit: 5 Werktage

Stück
Pos.
4
BOSCH Schalter | Ersatzteile für 7370 | 1607200204
Hersteller: BOSCH
Artikelnummer: EB-F015737003-1607200204
nur Informationsartikel
Nie mehr lieferbar
keine Alternativen
Pos.
5
BOSCH Netzanschlussleitung GB 230V 2,65m 2 x 1,0mm H05 VV-F | Ersatzteile für 7370 | 2604460147
Hersteller: BOSCH
Artikelnummer: EB-F015737003-2604460147
Netto: 14,36 € zzgl. MwSt.
zzgl. 6,90 € Versand (brutto)
einmalig pro Bestellung

Lieferzeit: 5 Werktage

Stück
Pos.
6
BOSCH Tülle Ø6,5-Ø6,9x95 MM | Ersatzteile für 7370 | 2600703012
Hersteller: BOSCH
Artikelnummer: EB-F015737003-2600703012
Netto: 4,82 € zzgl. MwSt.
zzgl. 6,90 € Versand (brutto)
einmalig pro Bestellung

Lieferzeit: 5 Werktage

Stück
Pos.
16
BOSCH Bürstenhalter | Ersatzteile für 7370 | 2609000975
Hersteller: BOSCH
Artikelnummer: EB-F015737003-2609000975
Netto: 7,18 € zzgl. MwSt.
zzgl. 6,90 € Versand (brutto)
einmalig pro Bestellung

Lieferzeit: 5 Werktage

Stück
Pos.
19
BOSCH Torx-Linsenschraube T20-8x19 MM | Ersatzteile für 7370 | 2610374919
Hersteller: BOSCH
Artikelnummer: EB-F015737003-2610374919
Netto: 3,63 € zzgl. MwSt.
zzgl. 6,90 € Versand (brutto)
einmalig pro Bestellung

Lieferzeit: 5 Werktage

Stück
Pos.
20
BOSCH Schwingbein | Ersatzteile für 7370 | 2609001312
Hersteller: BOSCH
Artikelnummer: EB-F015737003-2609001312
Netto: 4,53 € zzgl. MwSt.
zzgl. 6,90 € Versand (brutto)
einmalig pro Bestellung

Lieferzeit: 5 Werktage

Stück
Pos.
22
BOSCH Schiebeknopf | Ersatzteile für 7370 | 2609000558
Hersteller: BOSCH
Artikelnummer: EB-F015737003-2609000558
nur Informationsartikel
Nie mehr lieferbar
keine Alternativen
Pos.
25
BOSCH Filterkasten | Ersatzteile für 7370 | 2609000736
Hersteller: BOSCH
Artikelnummer: EB-F015737003-2609000736
Netto: 9,18 € zzgl. MwSt.
zzgl. 6,90 € Versand (brutto)
einmalig pro Bestellung

Lieferzeit: 5 Werktage

Stück
Pos.
33
BOSCH Taste | Ersatzteile für 7370 | 2609000559
Hersteller: BOSCH
Artikelnummer: EB-F015737003-2609000559
nur Informationsartikel
Nie mehr lieferbar
keine Alternativen
Pos.
34
BOSCH Druckfeder | Ersatzteile für 7370 | 2609000731
Hersteller: BOSCH
Artikelnummer: EB-F015737003-2609000731
nur Informationsartikel
Nie mehr lieferbar
keine Alternativen
Pos.
35
BOSCH Aufspannring | Ersatzteile für 7370 | 2609001244
Hersteller: BOSCH
Artikelnummer: EB-F015737003-2609001244
nur Informationsartikel
Nie mehr lieferbar
keine Alternativen
Pos.
803
BOSCH Anker 220-240V | Ersatzteile für 7370 | 2609001129
Hersteller: BOSCH
Artikelnummer: EB-F015737003-2609001129
nur Informationsartikel
Nie mehr lieferbar
keine Alternativen
Pos.
810
BOSCH Kohlebürstensatz | Ersatzteile für 7370 | 2610391290
Hersteller: BOSCH
Artikelnummer: EB-F015737003-2610391290
Netto: 6,15 € zzgl. MwSt.
zzgl. 6,90 € Versand (brutto)
einmalig pro Bestellung

Lieferzeit: 5 Werktage

Stück
Pos.
828
BOSCH Fussplatte | Ersatzteile für 7370 | 2609001124
Hersteller: BOSCH
Artikelnummer: EB-F015737003-2609001124
nur Informationsartikel
Nie mehr lieferbar
keine Alternativen
Pos.
831
BOSCH Schleifplatte | Ersatzteile für 7370 | 2609001126
Hersteller: BOSCH
Artikelnummer: EB-F015737003-2609001126
Netto: 11,42 € zzgl. MwSt.
zzgl. 6,90 € Versand (brutto)
einmalig pro Bestellung

Lieferzeit: 5 Werktage

Stück
Pos.
860
BOSCH Schleifplatte | Ersatzteile für 7370 | 2609001125
Hersteller: BOSCH
Artikelnummer: EB-F015737003-2609001125
nur Informationsartikel
Nie mehr lieferbar
keine Alternativen

Angaben zur Produktsicherheit

Hersteller:
Robert Bosch Power Tools GmbH
Postfach 30 02 20
70442 Stuttgart

E-Mail:
kontakt@bosch.de