BOSCH 9004 - F015900403

Artikelnummer: EB-F015900403

Position:

Marke: BOSCH


Bitte Kompatibilität prüfen!

Bitte prüfen Sie unbedingt die 10-stellige Typennummer Ihrer Maschine / Ihres Gerätes. Das Ersatzteil ist nur kompatibel, wenn Sie die Typennummer Ihrer Maschine in der unten stehenden Produktbeschreibung finden.

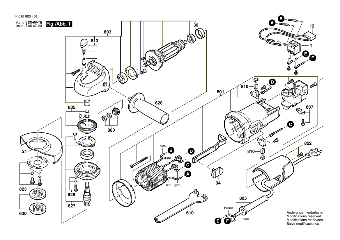
Bitte prüfen Sie ebenfalls detailliert die Explosionszeichnung mit Ihrem Artikelwunsch und der jeweiligen Pos-Nummer.

Alle Elemente, welche vom schwarzen Strich der Pos-Nummer ausgehend berührt / erfasst werden, gehören zu dieser Pos-Nummer und somit zu diesem Artikel. Jede Pos-Nummer ist ein eigenständiger Artikel, welchen Sie in der Auflistung finden.

Sie erhalten stets die aktuellste, neueste Produktversion zu der gewählten Pos-Nummer seitens des Herstellers. Es kann daher je nach Gerätealter vorkommen, dass Sie ggf. weitere, zugehörige Elemente, welche an diese Pos-Nummer grenzen, ebenfalls mittauschen müssen.

Nähere Informationen finden Sie unter dem Link
Hinweise zu Ihrer BOSCH Ersatzteilsuche

Beschreibung

Die aufgelisteten BOSCH Ersatzteile sind mit folgendem Gerät und Modell kompatibel:

BOSCH Gerätename:9004
BOSCH Typennummer:F015900403
alternative Schreibweisen:F 015 900 403, F015 900 403, F.015.900.403, F-015-900-403

Bitte prüfen Sie die Typennummer auf Ihrem Gerät um die Kompatibilität des BOSCH Ersatzteils zu gewährleisten.

Die passenden Ersatzteile des BOSCH 9004 (Winkelschleifer) mit der Typennummer F015900403 finden Sie in der nachfolgenden Darstellung geordnet nach der Positionsnummern aus der Explosionszeichnung:

Pos.
4
BOSCH Schalter | Ersatzteile für 9004 | 2610395286
Hersteller: BOSCH
Artikelnummer: EB-F015900403-2610395286
nur Informationsartikel
Nie mehr lieferbar
keine Alternativen
Pos.
12
BOSCH Entstörkondensator | Ersatzteile für 9004 | 2610395287
Hersteller: BOSCH
Artikelnummer: EB-F015900403-2610395287
nur Informationsartikel
Nie mehr lieferbar
keine Alternativen
Pos.
30
BOSCH Gummibuchse | Ersatzteile für 9004 | 2610395289
Hersteller: BOSCH
Artikelnummer: EB-F015900403-2610395289
nur Informationsartikel
Nie mehr lieferbar
keine Alternativen
Pos.
34
BOSCH Schaltergriff | Ersatzteile für 9004 | 2610395290
Hersteller: BOSCH
Artikelnummer: EB-F015900403-2610395290
nur Informationsartikel
Nie mehr lieferbar
keine Alternativen
Pos.
610
BOSCH Zweilochmutterndreher | Ersatzteile für 9004 | 2610395291
Hersteller: BOSCH
Artikelnummer: EB-F015900403-2610395291
nur Informationsartikel
Nie mehr lieferbar
keine Alternativen
Pos.
620
BOSCH Zusatzhandgriff M10, Ø32,5x105 MM | Ersatzteile für 9004 | 2602025067
Hersteller: BOSCH
Artikelnummer: EB-F015900403-2602025067
nur Informationsartikel
Nie mehr lieferbar
keine Alternativen
Pos.
630
BOSCH Flanschbausatz | Ersatzteile für 9004 | 2610395292
Hersteller: BOSCH
Artikelnummer: EB-F015900403-2610395292
nur Informationsartikel
Nie mehr lieferbar
keine Alternativen
Pos.
801
BOSCH Motorgehäuse | Ersatzteile für 9004 | 2610395293
Hersteller: BOSCH
Artikelnummer: EB-F015900403-2610395293
nur Informationsartikel
Nie mehr lieferbar
keine Alternativen
Pos.
803
BOSCH Anker 230V | Ersatzteile für 9004 | 2610395294
Hersteller: BOSCH
Artikelnummer: EB-F015900403-2610395294
nur Informationsartikel
Nie mehr lieferbar
keine Alternativen
Pos.
805
BOSCH Netzanschlussleitung | Ersatzteile für 9004 | 2610395296
Hersteller: BOSCH
Artikelnummer: EB-F015900403-2610395296
nur Informationsartikel
Nie mehr lieferbar
keine Alternativen
Pos.
807
BOSCH Leitungshalter | Ersatzteile für 9004 | 2610395297
Hersteller: BOSCH
Artikelnummer: EB-F015900403-2610395297
nur Informationsartikel
Nie mehr lieferbar
keine Alternativen
Pos.
810
BOSCH Kohlebürstensatz | Ersatzteile für 9004 | 2610395298
Hersteller: BOSCH
Artikelnummer: EB-F015900403-2610395298
nur Informationsartikel
Nie mehr lieferbar
keine Alternativen
Pos.
813
BOSCH Teilesatz | Ersatzteile für 9004 | 2610395299
Hersteller: BOSCH
Artikelnummer: EB-F015900403-2610395299
nur Informationsartikel
Nie mehr lieferbar
keine Alternativen
Pos.
821
BOSCH Schutzhaube | Ersatzteile für 9004 | 2610Z00797
Hersteller: BOSCH
Artikelnummer: EB-F015900403-2610Z00797
nur Informationsartikel
Nie mehr lieferbar
keine Alternativen
Pos.
822
BOSCH Abdeckung | Ersatzteile für 9004 | 2610395300
Hersteller: BOSCH
Artikelnummer: EB-F015900403-2610395300
nur Informationsartikel
Nie mehr lieferbar
keine Alternativen
Pos.
827
BOSCH Ersatzteilgruppe | Ersatzteile für 9004 | 2610395302
Hersteller: BOSCH
Artikelnummer: EB-F015900403-2610395302
nur Informationsartikel
Nie mehr lieferbar
keine Alternativen
Pos.
828
BOSCH Teilesatz | Ersatzteile für 9004 | 2610395303
Hersteller: BOSCH
Artikelnummer: EB-F015900403-2610395303
nur Informationsartikel
Nie mehr lieferbar
keine Alternativen
Pos.
835
BOSCH Tellerrad | Ersatzteile für 9004 | 2610395304
Hersteller: BOSCH
Artikelnummer: EB-F015900403-2610395304
nur Informationsartikel
Nie mehr lieferbar
keine Alternativen

Angaben zur Produktsicherheit

Hersteller:
Robert Bosch Power Tools GmbH
Postfach 30 02 20
70442 Stuttgart

E-Mail:
kontakt@bosch.de