BOSCH 9050 - F012905002

Artikelnummer: EB-F012905002

Position:

Marke: BOSCH


Bitte Kompatibilität prüfen!

Bitte prüfen Sie unbedingt die 10-stellige Typennummer Ihrer Maschine / Ihres Gerätes. Das Ersatzteil ist nur kompatibel, wenn Sie die Typennummer Ihrer Maschine in der unten stehenden Produktbeschreibung finden.

Bitte prüfen Sie ebenfalls detailliert die Explosionszeichnung mit Ihrem Artikelwunsch und der jeweiligen Pos-Nummer.

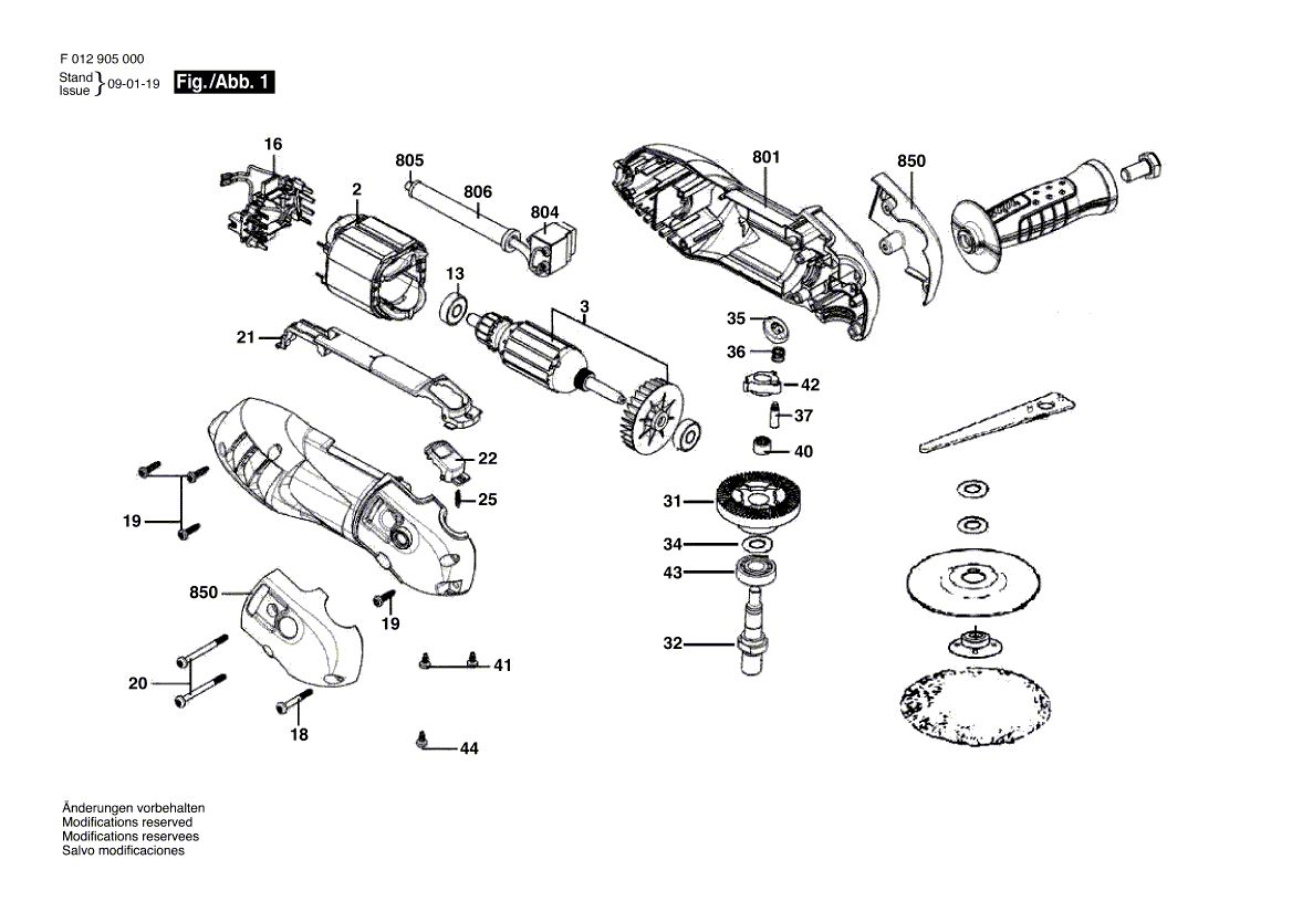
Alle Elemente, welche vom schwarzen Strich der Pos-Nummer ausgehend berührt / erfasst werden, gehören zu dieser Pos-Nummer und somit zu diesem Artikel. Jede Pos-Nummer ist ein eigenständiger Artikel, welchen Sie in der Auflistung finden.

Sie erhalten stets die aktuellste, neueste Produktversion zu der gewählten Pos-Nummer seitens des Herstellers. Es kann daher je nach Gerätealter vorkommen, dass Sie ggf. weitere, zugehörige Elemente, welche an diese Pos-Nummer grenzen, ebenfalls mittauschen müssen.

Nähere Informationen finden Sie unter dem Link
Hinweise zu Ihrer BOSCH Ersatzteilsuche

Beschreibung

Die aufgelisteten BOSCH Ersatzteile sind mit folgendem Gerät und Modell kompatibel:

BOSCH Gerätename:9050
BOSCH Typennummer:F012905002
alternative Schreibweisen:F 012 905 002, F012 905 002, F.012.905.002, F-012-905-002

Bitte prüfen Sie die Typennummer auf Ihrem Gerät um die Kompatibilität des BOSCH Ersatzteils zu gewährleisten.

Die passenden Ersatzteile des BOSCH 9050 (Winkelpolierer) mit der Typennummer F012905002 finden Sie in der nachfolgenden Darstellung geordnet nach der Positionsnummern aus der Explosionszeichnung:

Pos.
2
BOSCH Polschuh 220V | Ersatzteile für 9050 | F000607065
Hersteller: BOSCH
Artikelnummer: EB-F012905002-F000607065
nur Informationsartikel
Nie mehr lieferbar
keine Alternativen
Pos.
3
BOSCH Anker 220V | Ersatzteile für 9050 | F000605101
Hersteller: BOSCH
Artikelnummer: EB-F012905002-F000605101
nur Informationsartikel
Nie mehr lieferbar
keine Alternativen
Pos.
13
BOSCH Rillenkugellager 8x22x7 608-2Z/C3 | Ersatzteile für 9050 | 3130900020
Hersteller: BOSCH
Artikelnummer: EB-F012905002-3130900020
Netto: 7,26 € zzgl. MwSt.
zzgl. 6,90 € Versand (brutto)
einmalig pro Bestellung

Lieferzeit: 5 Werktage

Stück
Pos.
16
BOSCH Bürstenhalter | Ersatzteile für 9050 | F000612041
Hersteller: BOSCH
Artikelnummer: EB-F012905002-F000612041
nur Informationsartikel
Nie mehr lieferbar
keine Alternativen
Pos.
18
BOSCH Schraube | Ersatzteile für 9050 | F000616065
Hersteller: BOSCH
Artikelnummer: EB-F012905002-F000616065
nur Informationsartikel
Nie mehr lieferbar
keine Alternativen
Pos.
20
BOSCH Schraube | Ersatzteile für 9050 | F000616066
Hersteller: BOSCH
Artikelnummer: EB-F012905002-F000616066
nur Informationsartikel
Nie mehr lieferbar
keine Alternativen
Pos.
21
BOSCH Schaltklinke | Ersatzteile für 9050 | F000608058
Hersteller: BOSCH
Artikelnummer: EB-F012905002-F000608058
nur Informationsartikel
Nie mehr lieferbar
keine Alternativen
Pos.
22
BOSCH Schalterknopf | Ersatzteile für 9050 | F000608059
Hersteller: BOSCH
Artikelnummer: EB-F012905002-F000608059
nur Informationsartikel
Nie mehr lieferbar
keine Alternativen
Pos.
25
BOSCH Druckfeder | Ersatzteile für 9050 | F000620012
Hersteller: BOSCH
Artikelnummer: EB-F012905002-F000620012
nur Informationsartikel
Nie mehr lieferbar
keine Alternativen
Pos.
31
BOSCH Kegelrad | Ersatzteile für 9050 | F000617035
Hersteller: BOSCH
Artikelnummer: EB-F012905002-F000617035
nur Informationsartikel
Nie mehr lieferbar
keine Alternativen
Pos.
32
BOSCH Schleifspindel | Ersatzteile für 9050 | 1607000D6A
Hersteller: BOSCH
Artikelnummer: EB-F012905002-1607000D6A
Netto: 7,66 € zzgl. MwSt.
zzgl. 6,90 € Versand (brutto)
einmalig pro Bestellung

Lieferzeit: 5 Werktage

Stück
Pos.
34
BOSCH Ausgleichscheibe | Ersatzteile für 9050 | F000616080
Hersteller: BOSCH
Artikelnummer: EB-F012905002-F000616080
nur Informationsartikel
Nie mehr lieferbar
keine Alternativen
Pos.
35
BOSCH Drucktaste | Ersatzteile für 9050 | F000616067
Hersteller: BOSCH
Artikelnummer: EB-F012905002-F000616067
nur Informationsartikel
Nie mehr lieferbar
keine Alternativen
Pos.
36
BOSCH Feder | Ersatzteile für 9050 | F000620013
Hersteller: BOSCH
Artikelnummer: EB-F012905002-F000620013
Netto: 3,60 € zzgl. MwSt.
zzgl. 6,90 € Versand (brutto)
einmalig pro Bestellung

Lieferzeit: 5 Werktage

Stück
Pos.
37
BOSCH Rastbolzen | Ersatzteile für 9050 | F000616079
Hersteller: BOSCH
Artikelnummer: EB-F012905002-F000616079
nur Informationsartikel
Nie mehr lieferbar
keine Alternativen
Pos.
40
BOSCH Nadelhülse | Ersatzteile für 9050 | F000600231
Hersteller: BOSCH
Artikelnummer: EB-F012905002-F000600231
nur Informationsartikel
Nie mehr lieferbar
keine Alternativen
Pos.
41
BOSCH Blechschraube 4x16 MM | Ersatzteile für 9050 | 9618087099
Hersteller: BOSCH
Artikelnummer: EB-F012905002-9618087099
nur Informationsartikel
Nie mehr lieferbar
keine Alternativen
Pos.
42
BOSCH Lagerblock | Ersatzteile für 9050 | F000613045
Hersteller: BOSCH
Artikelnummer: EB-F012905002-F000613045
nur Informationsartikel
Nie mehr lieferbar
keine Alternativen
Pos.
43
BOSCH Rillenkugellager 12x28x8 | Ersatzteile für 9050 | 1600905019
Hersteller: BOSCH
Artikelnummer: EB-F012905002-1600905019
Netto: 7,36 € zzgl. MwSt.
zzgl. 6,90 € Versand (brutto)
einmalig pro Bestellung

Lieferzeit: 5 Werktage

Stück
Pos.
801
BOSCH Motorgehäuse | Ersatzteile für 9050 | F000601263
Hersteller: BOSCH
Artikelnummer: EB-F012905002-F000601263
nur Informationsartikel
Nie mehr lieferbar
keine Alternativen
Pos.
804
BOSCH Schalter | Ersatzteile für 9050 | 1607200146
Hersteller: BOSCH
Artikelnummer: EB-F012905002-1607200146
nur Informationsartikel
Nie mehr lieferbar
keine Alternativen
Pos.
805
BOSCH Netzanschlussleitung LAM 2,00m 2 x 0,75mm H05 VVF | Ersatzteile für 9050 | F000609079
Hersteller: BOSCH
Artikelnummer: EB-F012905002-F000609079
nur Informationsartikel
Nie mehr lieferbar
keine Alternativen
Pos.
806
BOSCH Tülle Ø6,5-Ø6,9x95 MM | Ersatzteile für 9050 | 2600703012
Hersteller: BOSCH
Artikelnummer: EB-F012905002-2600703012
Netto: 4,80 € zzgl. MwSt.
zzgl. 6,90 € Versand (brutto)
einmalig pro Bestellung

Lieferzeit: 5 Werktage

Stück
Pos.
850
BOSCH Motorlager | Ersatzteile für 9050 | F000601244
Hersteller: BOSCH
Artikelnummer: EB-F012905002-F000601244
nur Informationsartikel
Nie mehr lieferbar
keine Alternativen

Angaben zur Produktsicherheit

Hersteller:
Robert Bosch Power Tools GmbH
Postfach 30 02 20
70442 Stuttgart

E-Mail:
kontakt@bosch.de