BOSCH Messersatz | Ersatzteile für 94H1 | 2610394635

Artikelnummer: EB-F0150094F1-2610394635

Position: 51

Marke: BOSCH


Bitte Kompatibilität prüfen!

Bitte prüfen Sie unbedingt die 10-stellige Typennummer Ihrer Maschine / Ihres Gerätes. Das Ersatzteil ist nur kompatibel, wenn Sie die Typennummer Ihrer Maschine in der unten stehenden Produktbeschreibung finden.

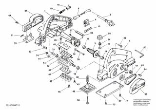
Bitte prüfen Sie ebenfalls detailliert die Explosionszeichnung mit Ihrem Artikelwunsch und der jeweiligen Pos-Nummer.

Alle Elemente, welche vom schwarzen Strich der Pos-Nummer ausgehend berührt / erfasst werden, gehören zu dieser Pos-Nummer und somit zu diesem Artikel. Jede Pos-Nummer ist ein eigenständiger Artikel, welchen Sie in der Auflistung finden.

Sie erhalten stets die aktuellste, neueste Produktversion zu der gewählten Pos-Nummer seitens des Herstellers. Es kann daher je nach Gerätealter vorkommen, dass Sie ggf. weitere, zugehörige Elemente, welche an diese Pos-Nummer grenzen, ebenfalls mittauschen müssen.

Nähere Informationen finden Sie unter dem Link
Hinweise zu Ihrer BOSCH Ersatzteilsuche
Leider wird dieses Ersatzteil seitens des Herstellers nicht mehr und nie wieder hergestellt.

Es gibt somit leider keine Alternative oder Ersatz, da dieser ansonsten hier gelistet / genannt wäre.

Bitte prüfen Sie alternativ ggf. auch Gebrauchtwarenmärkte und Kleinanzeigenplattformen.

Beschreibung

  • Messersatz
  • Original Bosch Zubehör / BOSCH Ersatzteil (2610394635)
  • im Gerät verbaut: 1
Dieses BOSCH Ersatzteil ist mit folgendem Gerät und Modell kompatibel:
  • BOSCH Gerätename: 94H1
  • BOSCH Explosionszeichnung: Position 51
  • BOSCH Typennummer: F0150094F1
  • BOSCH Typennummer alternative Schreibweisen: F 015 009 4F1, F015 009 4F1, F.015.009.4F1, F-015-009-4F1
    Bitte prüfen Sie diese Typennummer auf Ihrem Gerät um die Kompatibilität des BOSCH Ersatzteils zu gewährleisten.
Weitere BOSCH Ersatzteile des Gerätes 94H1 (Handhobel) mit der Typennummer F0150094F1 finden Sie in der nachfolgenden Darstellung und im Dropdown zu Ihrer Auswahl:

Pos.
1
BOSCH Gehäuse | Ersatzteile für 94H1 | 2610371026
Hersteller: BOSCH
Artikelnummer: EB-F0150094F1-2610371026
nur Informationsartikel
Nie mehr lieferbar
keine Alternativen
Pos.
5
BOSCH Netzanschlussleitung EU 2,65m 2 x 1,0mm H05 VV-F | Ersatzteile für 94H1 | 2610362954
Hersteller: BOSCH
Artikelnummer: EB-F0150094F1-2610362954
nur Informationsartikel
Nie mehr lieferbar
keine Alternativen
Pos.
12
BOSCH Schutz | Ersatzteile für 94H1 | 2610371301
Hersteller: BOSCH
Artikelnummer: EB-F0150094F1-2610371301
Netto: 4,50 € zzgl. MwSt.
zzgl. 6,90 € Versand (brutto)
einmalig pro Bestellung

Lieferzeit: 64 Werktage

Pos.
2
BOSCH Polschuh | Ersatzteile für 94H1 | 2610371043
Hersteller: BOSCH
Artikelnummer: EB-F0150094F1-2610371043
nur Informationsartikel
Nie mehr lieferbar
keine Alternativen
Pos.
14
BOSCH Rillenkugellager 8x22x7 | Ersatzteile für 94H1 | 2600905052
Hersteller: BOSCH
Artikelnummer: EB-F0150094F1-2600905052
Netto: 7,66 € zzgl. MwSt.
zzgl. 6,90 € Versand (brutto)
einmalig pro Bestellung

Lieferzeit: 5 Werktage

Pos.
3
BOSCH Anker | Ersatzteile für 94H1 | 2610371044
Hersteller: BOSCH
Artikelnummer: EB-F0150094F1-2610371044
nur Informationsartikel
Nie mehr lieferbar
keine Alternativen
Pos.
4
BOSCH Schalter | Ersatzteile für 94H1 | 2610364374
Hersteller: BOSCH
Artikelnummer: EB-F0150094F1-2610364374
nur Informationsartikel
Nie mehr lieferbar
keine Alternativen
Pos.
46
BOSCH Klemme | Ersatzteile für 94H1 | 2610371010
Hersteller: BOSCH
Artikelnummer: EB-F0150094F1-2610371010
nur Informationsartikel
Nie mehr lieferbar
keine Alternativen
Pos.
47
BOSCH Halter | Ersatzteile für 94H1 | 2610371049
Hersteller: BOSCH
Artikelnummer: EB-F0150094F1-2610371049
nur Informationsartikel
Nie mehr lieferbar
keine Alternativen
Pos.
51
BOSCH Messersatz | Ersatzteile für 94H1 | 2610394635
Hersteller: BOSCH
Artikelnummer: EB-F0150094F1-2610394635
nur Informationsartikel
Nie mehr lieferbar
keine Alternativen
Pos.
53
BOSCH Scheibe | Ersatzteile für 94H1 | 2610060362
Hersteller: BOSCH
Artikelnummer: EB-F0150094F1-2610060362
Netto: 3,94 € zzgl. MwSt.
zzgl. 6,90 € Versand (brutto)
einmalig pro Bestellung

Lieferzeit: 64 Werktage

Pos.
65
BOSCH Antriebsscheibe | Ersatzteile für 94H1 | 2610373250
Hersteller: BOSCH
Artikelnummer: EB-F0150094F1-2610373250
Netto: 4,45 € zzgl. MwSt.
zzgl. 6,90 € Versand (brutto)
einmalig pro Bestellung

Lieferzeit: 64 Werktage

Pos.
73
BOSCH Schraube | Ersatzteile für 94H1 | 2610371033
Hersteller: BOSCH
Artikelnummer: EB-F0150094F1-2610371033
Netto: 4,10 € zzgl. MwSt.
zzgl. 6,90 € Versand (brutto)
einmalig pro Bestellung

Lieferzeit: 64 Werktage

Pos.
10
BOSCH Kohlebürste | Ersatzteile für 94H1 | 2610373248
Hersteller: BOSCH
Artikelnummer: EB-F0150094F1-2610373248
nur Informationsartikel
Nie mehr lieferbar
keine Alternativen
Pos.
74
BOSCH Ring | Ersatzteile für 94H1 | 2610360057
Hersteller: BOSCH
Artikelnummer: EB-F0150094F1-2610360057
Netto: 3,75 € zzgl. MwSt.
zzgl. 6,90 € Versand (brutto)
einmalig pro Bestellung

Lieferzeit: 64 Werktage

Pos.
16
BOSCH Kohlebürstenhalter | Ersatzteile für 94H1 | 2610371038
Hersteller: BOSCH
Artikelnummer: EB-F0150094F1-2610371038
nur Informationsartikel
Nie mehr lieferbar
keine Alternativen
Pos.
22
BOSCH Schraube | Ersatzteile für 94H1 | 2610371030
Hersteller: BOSCH
Artikelnummer: EB-F0150094F1-2610371030
nur Informationsartikel
Nie mehr lieferbar
keine Alternativen
Pos.
24
BOSCH Deckel | Ersatzteile für 94H1 | 2610371035
Hersteller: BOSCH
Artikelnummer: EB-F0150094F1-2610371035
nur Informationsartikel
Nie mehr lieferbar
keine Alternativen
Pos.
33
BOSCH Platte | Ersatzteile für 94H1 | 2610371041
Hersteller: BOSCH
Artikelnummer: EB-F0150094F1-2610371041
nur Informationsartikel
Nie mehr lieferbar
keine Alternativen
Pos.
37
BOSCH Verbinder | Ersatzteile für 94H1 | 2610372030
Hersteller: BOSCH
Artikelnummer: EB-F0150094F1-2610372030
nur Informationsartikel
Nie mehr lieferbar
keine Alternativen
Pos.
39
BOSCH Schaftschraube | Ersatzteile für 94H1 | 2610386817
Hersteller: BOSCH
Artikelnummer: EB-F0150094F1-2610386817
nur Informationsartikel
Nie mehr lieferbar
keine Alternativen
Pos.
41
BOSCH Scheibe | Ersatzteile für 94H1 | 2610371047
Hersteller: BOSCH
Artikelnummer: EB-F0150094F1-2610371047
nur Informationsartikel
Nie mehr lieferbar
keine Alternativen
Pos.
45
BOSCH Schraube | Ersatzteile für 94H1 | 2610372012
Hersteller: BOSCH
Artikelnummer: EB-F0150094F1-2610372012
nur Informationsartikel
Nie mehr lieferbar
keine Alternativen
Pos.
48
BOSCH Feder | Ersatzteile für 94H1 | 2610371027
Hersteller: BOSCH
Artikelnummer: EB-F0150094F1-2610371027
nur Informationsartikel
Nie mehr lieferbar
keine Alternativen
Pos.
49
BOSCH Fuss | Ersatzteile für 94H1 | 2610371028
Hersteller: BOSCH
Artikelnummer: EB-F0150094F1-2610371028
nur Informationsartikel
Nie mehr lieferbar
keine Alternativen
Pos.
50
BOSCH Schraube | Ersatzteile für 94H1 | 2610371029
Hersteller: BOSCH
Artikelnummer: EB-F0150094F1-2610371029
nur Informationsartikel
Nie mehr lieferbar
keine Alternativen
Pos.
52
BOSCH Messerkörper | Ersatzteile für 94H1 | 2610371048
Hersteller: BOSCH
Artikelnummer: EB-F0150094F1-2610371048
nur Informationsartikel
Nie mehr lieferbar
keine Alternativen
Pos.
54
BOSCH Einlage | Ersatzteile für 94H1 | 2610371021
Hersteller: BOSCH
Artikelnummer: EB-F0150094F1-2610371021
nur Informationsartikel
Nie mehr lieferbar
keine Alternativen
Pos.
55
BOSCH Knopf | Ersatzteile für 94H1 | 2610371020
Hersteller: BOSCH
Artikelnummer: EB-F0150094F1-2610371020
nur Informationsartikel
Nie mehr lieferbar
keine Alternativen
Pos.
60
BOSCH Winkelschraubendreher | Ersatzteile für 94H1 | 2610372021
Hersteller: BOSCH
Artikelnummer: EB-F0150094F1-2610372021
nur Informationsartikel
Nie mehr lieferbar
keine Alternativen
Pos.
61
BOSCH Antriebsscheibe | Ersatzteile für 94H1 | 2610373249
Hersteller: BOSCH
Artikelnummer: EB-F0150094F1-2610373249
nur Informationsartikel
Nie mehr lieferbar
keine Alternativen
Pos.
62
BOSCH Antriebsriemen | Ersatzteile für 94H1 | 2610373251
Hersteller: BOSCH
Artikelnummer: EB-F0150094F1-2610373251
nur Informationsartikel
Nie mehr lieferbar
keine Alternativen
Pos.
63
BOSCH Deckel | Ersatzteile für 94H1 | 2610371034
Hersteller: BOSCH
Artikelnummer: EB-F0150094F1-2610371034
nur Informationsartikel
Nie mehr lieferbar
keine Alternativen
Pos.
64
BOSCH Schraube | Ersatzteile für 94H1 | 2610371031
Hersteller: BOSCH
Artikelnummer: EB-F0150094F1-2610371031
nur Informationsartikel
Nie mehr lieferbar
keine Alternativen
Pos.
67
BOSCH Fuss | Ersatzteile für 94H1 | 2610371032
Hersteller: BOSCH
Artikelnummer: EB-F0150094F1-2610371032
nur Informationsartikel
Nie mehr lieferbar
keine Alternativen
Pos.
69
BOSCH Platte | Ersatzteile für 94H1 | 2610371042
Hersteller: BOSCH
Artikelnummer: EB-F0150094F1-2610371042
nur Informationsartikel
Nie mehr lieferbar
keine Alternativen
Pos.
70
BOSCH Stütze | Ersatzteile für 94H1 | 2610371037
Hersteller: BOSCH
Artikelnummer: EB-F0150094F1-2610371037
nur Informationsartikel
Nie mehr lieferbar
keine Alternativen
Pos.
71
BOSCH Feder | Ersatzteile für 94H1 | 2610371036
Hersteller: BOSCH
Artikelnummer: EB-F0150094F1-2610371036
nur Informationsartikel
Nie mehr lieferbar
keine Alternativen
Pos.
72
BOSCH Scheibe | Ersatzteile für 94H1 | 2610061984
Hersteller: BOSCH
Artikelnummer: EB-F0150094F1-2610061984
nur Informationsartikel
Nie mehr lieferbar
keine Alternativen
Pos.
75
BOSCH Achse | Ersatzteile für 94H1 | 2610371045
Hersteller: BOSCH
Artikelnummer: EB-F0150094F1-2610371045
nur Informationsartikel
Nie mehr lieferbar
keine Alternativen

Angaben zur Produktsicherheit

Hersteller:
Robert Bosch Power Tools GmbH
Postfach 30 02 20
70442 Stuttgart

E-Mail:
kontakt@bosch.de