BOSCH AGP 800 - 0600880032

Artikelnummer: EB-0600880032

Position:

Marke: BOSCH


Bitte Kompatibilität prüfen!

Bitte prüfen Sie unbedingt die 10-stellige Typennummer Ihrer Maschine / Ihres Gerätes. Das Ersatzteil ist nur kompatibel, wenn Sie die Typennummer Ihrer Maschine in der unten stehenden Produktbeschreibung finden.

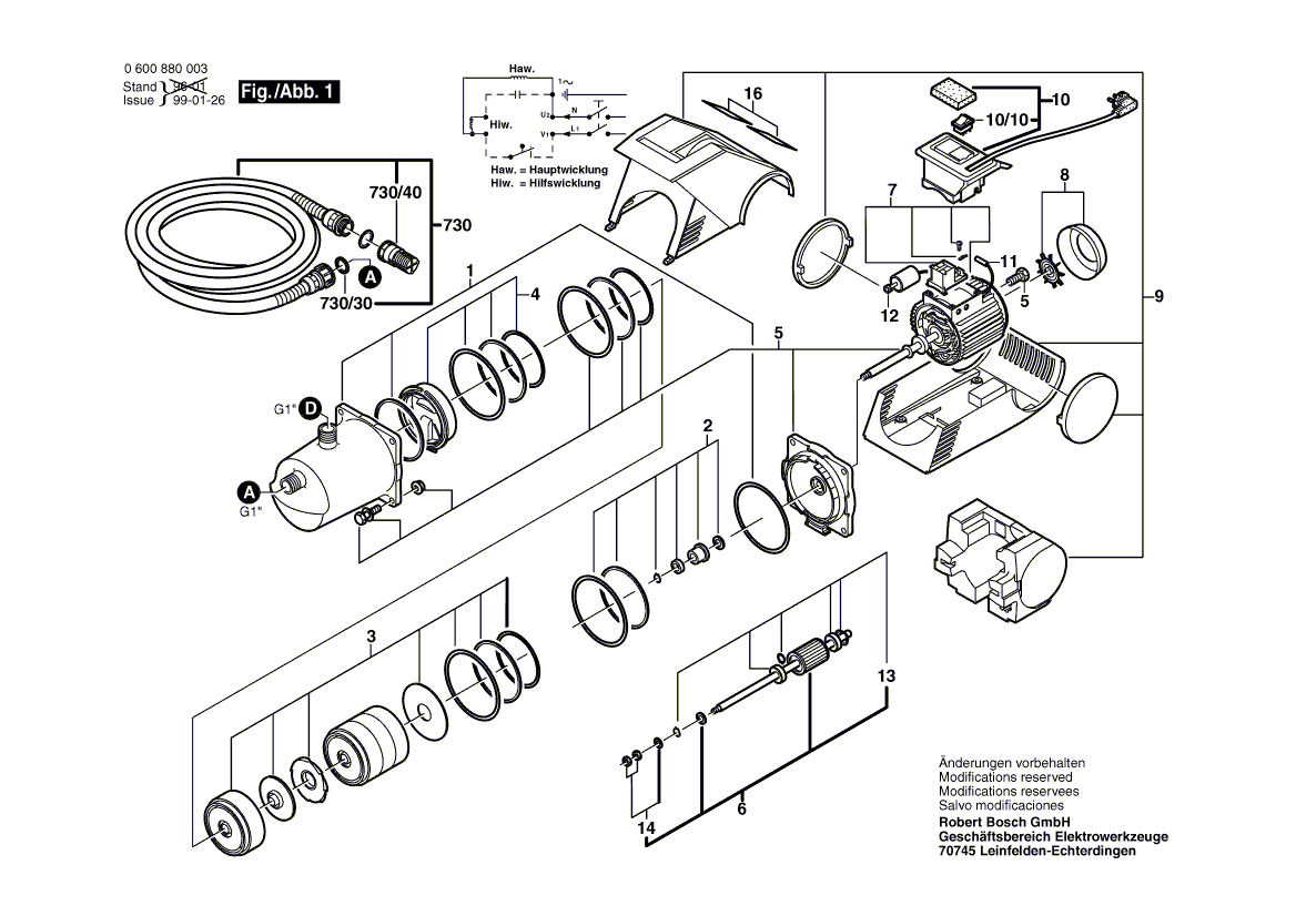
Bitte prüfen Sie ebenfalls detailliert die Explosionszeichnung mit Ihrem Artikelwunsch und der jeweiligen Pos-Nummer.

Alle Elemente, welche vom schwarzen Strich der Pos-Nummer ausgehend berührt / erfasst werden, gehören zu dieser Pos-Nummer und somit zu diesem Artikel. Jede Pos-Nummer ist ein eigenständiger Artikel, welchen Sie in der Auflistung finden.

Sie erhalten stets die aktuellste, neueste Produktversion zu der gewählten Pos-Nummer seitens des Herstellers. Es kann daher je nach Gerätealter vorkommen, dass Sie ggf. weitere, zugehörige Elemente, welche an diese Pos-Nummer grenzen, ebenfalls mittauschen müssen.

Nähere Informationen finden Sie unter dem Link
Hinweise zu Ihrer BOSCH Ersatzteilsuche

Beschreibung

Die aufgelisteten BOSCH Ersatzteile sind mit folgendem Gerät und Modell kompatibel:

BOSCH Gerätename:AGP 800
BOSCH Typennummer:0600880032
alternative Schreibweisen:0 600 880 032, 0600 880 032, 0.600.880.032, 0-600-880-032

Bitte prüfen Sie die Typennummer auf Ihrem Gerät um die Kompatibilität des BOSCH Ersatzteils zu gewährleisten.

Die passenden Ersatzteile des BOSCH AGP 800 (Elektro-Wasserpumpe) mit der Typennummer 0600880032 finden Sie in der nachfolgenden Darstellung geordnet nach der Positionsnummern aus der Explosionszeichnung:

Pos.
1
BOSCH Teilesatz | Ersatzteile für AGP 800 | 1609350417
Hersteller: BOSCH
Artikelnummer: EB-0600880032-1609350417
Netto: 38,40 € zzgl. MwSt.
zzgl. 6,90 € Versand (brutto)
einmalig pro Bestellung

Lieferzeit: 5 Werktage

Stück
Pos.
10/10
BOSCH Ein/Aus-Schalter | Ersatzteile für AGP 800 | 1609350438
Hersteller: BOSCH
Artikelnummer: EB-0600880032-1609350438
nur Informationsartikel
Nie mehr lieferbar
keine Alternativen
Pos.
730/30
BOSCH Flachdichtung Ø22xØ30x3=1" | Ersatzteile für AGP 800 | 1609351003
Hersteller: BOSCH
Artikelnummer: EB-0600880032-1609351003
nur Informationsartikel
Nie mehr lieferbar
keine Alternativen
Pos.
730/40
BOSCH Saugfilter | Ersatzteile für AGP 800 | 1609350439
Hersteller: BOSCH
Artikelnummer: EB-0600880032-1609350439
Netto: 20,80 € zzgl. MwSt.
zzgl. 6,90 € Versand (brutto)
einmalig pro Bestellung

Lieferzeit: 5 Werktage

Stück
Pos.
2
BOSCH Dichtungssatz | Ersatzteile für AGP 800 | 1609350418
Hersteller: BOSCH
Artikelnummer: EB-0600880032-1609350418
Netto: 46,22 € zzgl. MwSt.
zzgl. 6,90 € Versand (brutto)
einmalig pro Bestellung

Lieferzeit: 5 Werktage

Stück
Pos.
3
BOSCH Teilesatz | Ersatzteile für AGP 800 | 1609350419
Hersteller: BOSCH
Artikelnummer: EB-0600880032-1609350419
nur Informationsartikel
Nie mehr lieferbar
keine Alternativen
Pos.
4
BOSCH Teilesatz | Ersatzteile für AGP 800 | 1609350420
Hersteller: BOSCH
Artikelnummer: EB-0600880032-1609350420
nur Informationsartikel
Nie mehr lieferbar
keine Alternativen
Pos.
5
BOSCH Teilesatz | Ersatzteile für AGP 800 | 1609350421
Hersteller: BOSCH
Artikelnummer: EB-0600880032-1609350421
nur Informationsartikel
Nie mehr lieferbar
keine Alternativen
Pos.
6
BOSCH Teilesatz | Ersatzteile für AGP 800 | 1609350422
Hersteller: BOSCH
Artikelnummer: EB-0600880032-1609350422
nur Informationsartikel
Nie mehr lieferbar
keine Alternativen
Pos.
7
BOSCH Teilesatz | Ersatzteile für AGP 800 | 1609350423
Hersteller: BOSCH
Artikelnummer: EB-0600880032-1609350423
nur Informationsartikel
Nie mehr lieferbar
keine Alternativen
Pos.
8
BOSCH Teilesatz | Ersatzteile für AGP 800 | 1609350424
Hersteller: BOSCH
Artikelnummer: EB-0600880032-1609350424
nur Informationsartikel
Nie mehr lieferbar
keine Alternativen
Pos.
9
BOSCH Teilesatz | Ersatzteile für AGP 800 | 1609350425
Hersteller: BOSCH
Artikelnummer: EB-0600880032-1609350425
nur Informationsartikel
Nie mehr lieferbar
keine Alternativen
Pos.
10
BOSCH Schaltkasten | Ersatzteile für AGP 800 | 1609350446
Hersteller: BOSCH
Artikelnummer: EB-0600880032-1609350446
nur Informationsartikel
Nie mehr lieferbar
keine Alternativen
Pos.
11
BOSCH Thermoschalter | Ersatzteile für AGP 800 | 1609350427
Hersteller: BOSCH
Artikelnummer: EB-0600880032-1609350427
nur Informationsartikel
Nie mehr lieferbar
keine Alternativen
Pos.
12
BOSCH Entstörfilter | Ersatzteile für AGP 800 | 1609350428
Hersteller: BOSCH
Artikelnummer: EB-0600880032-1609350428
Netto: 35,13 € zzgl. MwSt.
zzgl. 6,90 € Versand (brutto)
einmalig pro Bestellung

Lieferzeit: 5 Werktage

Stück
Pos.
13
BOSCH Teilesatz | Ersatzteile für AGP 800 | 1609350429
Hersteller: BOSCH
Artikelnummer: EB-0600880032-1609350429
nur Informationsartikel
Nie mehr lieferbar
keine Alternativen
Pos.
14
BOSCH Befestigungssatz | Ersatzteile für AGP 800 | 1609350430
Hersteller: BOSCH
Artikelnummer: EB-0600880032-1609350430
nur Informationsartikel
Nie mehr lieferbar
keine Alternativen
Pos.
16
BOSCH Schildersatz | Ersatzteile für AGP 800 | 1609350441
Hersteller: BOSCH
Artikelnummer: EB-0600880032-1609350441
Netto: 5,21 € zzgl. MwSt.
zzgl. 6,90 € Versand (brutto)
einmalig pro Bestellung

Lieferzeit: 5 Werktage

Stück
Pos.
730
BOSCH Absaugvorrichtung | Ersatzteile für AGP 800 | 0600880900
Hersteller: BOSCH
Artikelnummer: EB-0600880032-0600880900
nur Informationsartikel
Nie mehr lieferbar
keine Alternativen

Angaben zur Produktsicherheit

Hersteller:
Robert Bosch Power Tools GmbH
Postfach 30 02 20
70442 Stuttgart

E-Mail:
kontakt@bosch.de