BOSCH AHR 1300 - 0600815060

Artikelnummer: EB-0600815060

Position:

Marke: BOSCH


Bitte Kompatibilität prüfen!

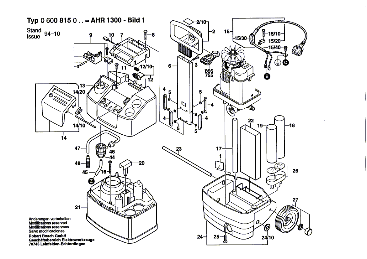
Bitte prüfen Sie unbedingt die 10-stellige Typennummer Ihrer Maschine / Ihres Gerätes. Das Ersatzteil ist nur kompatibel, wenn Sie die Typennummer Ihrer Maschine in der unten stehenden Produktbeschreibung finden.

Bitte prüfen Sie ebenfalls detailliert die Explosionszeichnung mit Ihrem Artikelwunsch und der jeweiligen Pos-Nummer.

Alle Elemente, welche vom schwarzen Strich der Pos-Nummer ausgehend berührt / erfasst werden, gehören zu dieser Pos-Nummer und somit zu diesem Artikel. Jede Pos-Nummer ist ein eigenständiger Artikel, welchen Sie in der Auflistung finden.

Sie erhalten stets die aktuellste, neueste Produktversion zu der gewählten Pos-Nummer seitens des Herstellers. Es kann daher je nach Gerätealter vorkommen, dass Sie ggf. weitere, zugehörige Elemente, welche an diese Pos-Nummer grenzen, ebenfalls mittauschen müssen.

Nähere Informationen finden Sie unter dem Link
Hinweise zu Ihrer BOSCH Ersatzteilsuche

Beschreibung

Die aufgelisteten BOSCH Ersatzteile sind mit folgendem Gerät und Modell kompatibel:

BOSCH Gerätename:AHR 1300
BOSCH Typennummer:0600815060
alternative Schreibweisen:0 600 815 060, 0600 815 060, 0.600.815.060, 0-600-815-060

Bitte prüfen Sie die Typennummer auf Ihrem Gerät um die Kompatibilität des BOSCH Ersatzteils zu gewährleisten.

Die passenden Ersatzteile des BOSCH AHR 1300 (Hochdruckreiniger) mit der Typennummer 0600815060 finden Sie in der nachfolgenden Darstellung geordnet nach der Positionsnummern aus der Explosionszeichnung:

Pos.
1
BOSCH Typschild | Ersatzteile für AHR 1300 | 1601118478
Hersteller: BOSCH
Artikelnummer: EB-0600815060-1601118478
nur Informationsartikel
Nie mehr lieferbar
keine Alternativen
Pos.
12/10
BOSCH Schenkelfeder | Ersatzteile für AHR 1300 | 1609350413
Hersteller: BOSCH
Artikelnummer: EB-0600815060-1609350413
nur Informationsartikel
Nie mehr lieferbar
keine Alternativen
Pos.
14/10
BOSCH Achse | Ersatzteile für AHR 1300 | 1609350328
Hersteller: BOSCH
Artikelnummer: EB-0600815060-1609350328
nur Informationsartikel
Nie mehr lieferbar
keine Alternativen
Pos.
14/20
BOSCH Biegefeder | Ersatzteile für AHR 1300 | 1609350406
Hersteller: BOSCH
Artikelnummer: EB-0600815060-1609350406
nur Informationsartikel
Nie mehr lieferbar
keine Alternativen
Pos.
15/10
BOSCH Blechschraube ST Ø3x20 MM | Ersatzteile für AHR 1300 | 1609350142
Hersteller: BOSCH
Artikelnummer: EB-0600815060-1609350142
nur Informationsartikel
Nie mehr lieferbar
keine Alternativen
Pos.
15/20
BOSCH Zugentlastung | Ersatzteile für AHR 1300 | 1609350025
Hersteller: BOSCH
Artikelnummer: EB-0600815060-1609350025
nur Informationsartikel
Nie mehr lieferbar
keine Alternativen
Pos.
15/30
BOSCH Kabeltülle | Ersatzteile für AHR 1300 | 1609350166
Hersteller: BOSCH
Artikelnummer: EB-0600815060-1609350166
nur Informationsartikel
Nie mehr lieferbar
keine Alternativen
Pos.
15/40
BOSCH Linsenschraube DIN 7985-M5x8-8.8-Z | Ersatzteile für AHR 1300 | 2912311150
Hersteller: BOSCH
Artikelnummer: EB-0600815060-2912311150
nur Informationsartikel
Nie mehr lieferbar
keine Alternativen
Pos.
2/10
BOSCH Hinweisschild | Ersatzteile für AHR 1300 | 1601118479
Hersteller: BOSCH
Artikelnummer: EB-0600815060-1601118479
nur Informationsartikel
Nie mehr lieferbar
keine Alternativen
Pos.
24/10
BOSCH Gummimanschette | Ersatzteile für AHR 1300 | 1609350407
Hersteller: BOSCH
Artikelnummer: EB-0600815060-1609350407
nur Informationsartikel
Nie mehr lieferbar
keine Alternativen
Pos.
28/10
BOSCH Gehäuseoberteil SCHWARZ | Ersatzteile für AHR 1300 | 1609350364
Hersteller: BOSCH
Artikelnummer: EB-0600815060-1609350364
nur Informationsartikel
Nie mehr lieferbar
keine Alternativen
Pos.
28/20
BOSCH Abdeckplatte | Ersatzteile für AHR 1300 | 1609350365
Hersteller: BOSCH
Artikelnummer: EB-0600815060-1609350365
nur Informationsartikel
Nie mehr lieferbar
keine Alternativen
Pos.
28/30
BOSCH Ein/Aus-Schalter | Ersatzteile für AHR 1300 | 1609350366
Hersteller: BOSCH
Artikelnummer: EB-0600815060-1609350366
nur Informationsartikel
Nie mehr lieferbar
keine Alternativen
Pos.
28/40
BOSCH Gehäuse SCHWARZ | Ersatzteile für AHR 1300 | 1609350367
Hersteller: BOSCH
Artikelnummer: EB-0600815060-1609350367
nur Informationsartikel
Nie mehr lieferbar
keine Alternativen
Pos.
28/50
BOSCH Federscheibe | Ersatzteile für AHR 1300 | 1609350368
Hersteller: BOSCH
Artikelnummer: EB-0600815060-1609350368
nur Informationsartikel
Nie mehr lieferbar
keine Alternativen
Pos.
28/60
BOSCH Kondensator SCHWARZ | Ersatzteile für AHR 1300 | 1609350369
Hersteller: BOSCH
Artikelnummer: EB-0600815060-1609350369
nur Informationsartikel
Nie mehr lieferbar
keine Alternativen
Pos.
28/70
BOSCH Kondensator | Ersatzteile für AHR 1300 | 1609350370
Hersteller: BOSCH
Artikelnummer: EB-0600815060-1609350370
nur Informationsartikel
Nie mehr lieferbar
keine Alternativen
Pos.
28/80
BOSCH Grundplatte | Ersatzteile für AHR 1300 | 1609350371
Hersteller: BOSCH
Artikelnummer: EB-0600815060-1609350371
nur Informationsartikel
Nie mehr lieferbar
keine Alternativen
Pos.
29/10
BOSCH Reparatursatz | Ersatzteile für AHR 1300 | 1609350343
Hersteller: BOSCH
Artikelnummer: EB-0600815060-1609350343
nur Informationsartikel
Nie mehr lieferbar
keine Alternativen
Pos.
35/10
BOSCH Reparatursatz | Ersatzteile für AHR 1300 | 1609350410
Hersteller: BOSCH
Artikelnummer: EB-0600815060-1609350410
nur Informationsartikel
Nie mehr lieferbar
keine Alternativen
Pos.
35/100
BOSCH O-Ring | Ersatzteile für AHR 1300 | 1609350382
Hersteller: BOSCH
Artikelnummer: EB-0600815060-1609350382
nur Informationsartikel
Nie mehr lieferbar
keine Alternativen
Pos.
35/110
BOSCH Gummimanschette | Ersatzteile für AHR 1300 | 1609350035
Hersteller: BOSCH
Artikelnummer: EB-0600815060-1609350035
nur Informationsartikel
Nie mehr lieferbar
keine Alternativen
Pos.
35/120
BOSCH Druckring | Ersatzteile für AHR 1300 | 1609350036
Hersteller: BOSCH
Artikelnummer: EB-0600815060-1609350036
nur Informationsartikel
Nie mehr lieferbar
keine Alternativen
Pos.
35/130
BOSCH Dichtung | Ersatzteile für AHR 1300 | 1609350383
Hersteller: BOSCH
Artikelnummer: EB-0600815060-1609350383
nur Informationsartikel
Nie mehr lieferbar
keine Alternativen
Pos.
35/20
BOSCH O-Ring 80x2 MM | Ersatzteile für AHR 1300 | 1609350098
Hersteller: BOSCH
Artikelnummer: EB-0600815060-1609350098
nur Informationsartikel
Nie mehr lieferbar
keine Alternativen
Pos.
35/30
BOSCH Verschlussstopfen | Ersatzteile für AHR 1300 | 1609350308
Hersteller: BOSCH
Artikelnummer: EB-0600815060-1609350308
nur Informationsartikel
Nie mehr lieferbar
keine Alternativen
Pos.
35/40
BOSCH Zylinderblock | Ersatzteile für AHR 1300 | 1609350377
Hersteller: BOSCH
Artikelnummer: EB-0600815060-1609350377
nur Informationsartikel
Nie mehr lieferbar
keine Alternativen
Pos.
35/50
BOSCH Filtersieb | Ersatzteile für AHR 1300 | 1609350032
Hersteller: BOSCH
Artikelnummer: EB-0600815060-1609350032
nur Informationsartikel
Nie mehr lieferbar
keine Alternativen
Pos.
35/60
BOSCH Sprengring | Ersatzteile für AHR 1300 | 1609350378
Hersteller: BOSCH
Artikelnummer: EB-0600815060-1609350378
nur Informationsartikel
Nie mehr lieferbar
keine Alternativen
Pos.
35/70
BOSCH Gewindestück | Ersatzteile für AHR 1300 | 1609350379
Hersteller: BOSCH
Artikelnummer: EB-0600815060-1609350379
nur Informationsartikel
Nie mehr lieferbar
keine Alternativen
Pos.
35/80
BOSCH Dichtung | Ersatzteile für AHR 1300 | 1609350380
Hersteller: BOSCH
Artikelnummer: EB-0600815060-1609350380
nur Informationsartikel
Nie mehr lieferbar
keine Alternativen
Pos.
35/90
BOSCH O-Ring | Ersatzteile für AHR 1300 | 1609350381
Hersteller: BOSCH
Artikelnummer: EB-0600815060-1609350381
nur Informationsartikel
Nie mehr lieferbar
keine Alternativen
Pos.
38/10
BOSCH O-Ring | Ersatzteile für AHR 1300 | 1609350384
Hersteller: BOSCH
Artikelnummer: EB-0600815060-1609350384
nur Informationsartikel
Nie mehr lieferbar
keine Alternativen
Pos.
38/100
BOSCH Teilesatz Ø1,6xØ15,1 MM 3 STUECK | Ersatzteile für AHR 1300 | 1609350038
Hersteller: BOSCH
Artikelnummer: EB-0600815060-1609350038
nur Informationsartikel
Nie mehr lieferbar
keine Alternativen
Pos.
38/20
BOSCH O-Ring | Ersatzteile für AHR 1300 | 1609350385
Hersteller: BOSCH
Artikelnummer: EB-0600815060-1609350385
nur Informationsartikel
Nie mehr lieferbar
keine Alternativen
Pos.
38/30
BOSCH Manschette | Ersatzteile für AHR 1300 | 1609350386
Hersteller: BOSCH
Artikelnummer: EB-0600815060-1609350386
Netto: 8,42 € zzgl. MwSt.
zzgl. 6,90 € Versand (brutto)
einmalig pro Bestellung

Lieferzeit: 5 Werktage

Stück
Pos.
38/40
BOSCH Manschette | Ersatzteile für AHR 1300 | 1609350387
Hersteller: BOSCH
Artikelnummer: EB-0600815060-1609350387
nur Informationsartikel
Nie mehr lieferbar
keine Alternativen
Pos.
38/50
BOSCH Druckring | Ersatzteile für AHR 1300 | 1609350388
Hersteller: BOSCH
Artikelnummer: EB-0600815060-1609350388
nur Informationsartikel
Nie mehr lieferbar
keine Alternativen
Pos.
38/60
BOSCH Ventil | Ersatzteile für AHR 1300 | 1609350389
Hersteller: BOSCH
Artikelnummer: EB-0600815060-1609350389
nur Informationsartikel
Nie mehr lieferbar
keine Alternativen
Pos.
38/70
BOSCH Verbindungsstück | Ersatzteile für AHR 1300 | 1609350390
Hersteller: BOSCH
Artikelnummer: EB-0600815060-1609350390
nur Informationsartikel
Nie mehr lieferbar
keine Alternativen
Pos.
38/80
BOSCH Zylinderkopf | Ersatzteile für AHR 1300 | 1609350391
Hersteller: BOSCH
Artikelnummer: EB-0600815060-1609350391
nur Informationsartikel
Nie mehr lieferbar
keine Alternativen
Pos.
38/90
BOSCH Schraube | Ersatzteile für AHR 1300 | 1609350392
Hersteller: BOSCH
Artikelnummer: EB-0600815060-1609350392
nur Informationsartikel
Nie mehr lieferbar
keine Alternativen
Pos.
40/10
BOSCH O-Ring | Ersatzteile für AHR 1300 | 1609350350
Hersteller: BOSCH
Artikelnummer: EB-0600815060-1609350350
nur Informationsartikel
Nie mehr lieferbar
keine Alternativen
Pos.
43/10
BOSCH Ventilgehäuse | Ersatzteile für AHR 1300 | 1609350393
Hersteller: BOSCH
Artikelnummer: EB-0600815060-1609350393
nur Informationsartikel
Nie mehr lieferbar
keine Alternativen
Pos.
43/100
BOSCH Nippel | Ersatzteile für AHR 1300 | 1609350402
Hersteller: BOSCH
Artikelnummer: EB-0600815060-1609350402
nur Informationsartikel
Nie mehr lieferbar
keine Alternativen
Pos.
43/110
BOSCH Überwurfmutter | Ersatzteile für AHR 1300 | 1609350403
Hersteller: BOSCH
Artikelnummer: EB-0600815060-1609350403
nur Informationsartikel
Nie mehr lieferbar
keine Alternativen
Pos.
43/20
BOSCH Durchflussdrossel | Ersatzteile für AHR 1300 | 1609350394
Hersteller: BOSCH
Artikelnummer: EB-0600815060-1609350394
nur Informationsartikel
Nie mehr lieferbar
keine Alternativen
Pos.
43/30
BOSCH Ventilkegel | Ersatzteile für AHR 1300 | 1609350400
Hersteller: BOSCH
Artikelnummer: EB-0600815060-1609350400
nur Informationsartikel
Nie mehr lieferbar
keine Alternativen
Pos.
43/40
BOSCH Stopfen | Ersatzteile für AHR 1300 | 1609350395
Hersteller: BOSCH
Artikelnummer: EB-0600815060-1609350395
nur Informationsartikel
Nie mehr lieferbar
keine Alternativen
Pos.
43/50
BOSCH Verlängerung | Ersatzteile für AHR 1300 | 1609350396
Hersteller: BOSCH
Artikelnummer: EB-0600815060-1609350396
nur Informationsartikel
Nie mehr lieferbar
keine Alternativen
Pos.
43/70
BOSCH Stopfen | Ersatzteile für AHR 1300 | 1609350398
Hersteller: BOSCH
Artikelnummer: EB-0600815060-1609350398
nur Informationsartikel
Nie mehr lieferbar
keine Alternativen
Pos.
43/80
BOSCH Schraube | Ersatzteile für AHR 1300 | 1609350399
Hersteller: BOSCH
Artikelnummer: EB-0600815060-1609350399
nur Informationsartikel
Nie mehr lieferbar
keine Alternativen
Pos.
43/90
BOSCH Schlauchstutzen | Ersatzteile für AHR 1300 | 1609350401
Hersteller: BOSCH
Artikelnummer: EB-0600815060-1609350401
nur Informationsartikel
Nie mehr lieferbar
keine Alternativen
Pos.
650/12
BOSCH Verbindungsrohr | Ersatzteile für AHR 1300 | 1609350089
Hersteller: BOSCH
Artikelnummer: EB-0600815060-1609350089
nur Informationsartikel
Nie mehr lieferbar
keine Alternativen
Pos.
650/18
BOSCH Kunststoffschlauch L=9 M, MAX. 150 BAR | Ersatzteile für AHR 1300 | 1609350504
Hersteller: BOSCH
Artikelnummer: EB-0600815060-1609350504
nur Informationsartikel
Nie mehr lieferbar
keine Alternativen
Pos.
650/18/12
BOSCH Teilesatz Ø2xØ11 MM 3 STUECK | Ersatzteile für AHR 1300 | 1609350074
Hersteller: BOSCH
Artikelnummer: EB-0600815060-1609350074
nur Informationsartikel
Nie mehr lieferbar
keine Alternativen
Pos.
650/18/17
BOSCH Teilesatz Ø2,4xØ9,6 MM 3 STUECK | Ersatzteile für AHR 1300 | 1609350078
Hersteller: BOSCH
Artikelnummer: EB-0600815060-1609350078
nur Informationsartikel
Nie mehr lieferbar
keine Alternativen
Pos.
650/19
BOSCH Reparatursatz | Ersatzteile für AHR 1300 | 1609350080
Hersteller: BOSCH
Artikelnummer: EB-0600815060-1609350080
nur Informationsartikel
Nie mehr lieferbar
keine Alternativen
Pos.
650/20
BOSCH Teilesatz | Ersatzteile für AHR 1300 | 1609350176
Hersteller: BOSCH
Artikelnummer: EB-0600815060-1609350176
nur Informationsartikel
Nie mehr lieferbar
keine Alternativen
Pos.
650/40
BOSCH Griffhülse | Ersatzteile für AHR 1300 | 1609350198
Hersteller: BOSCH
Artikelnummer: EB-0600815060-1609350198
nur Informationsartikel
Nie mehr lieferbar
keine Alternativen
Pos.
651/10
BOSCH Düsenspannmutter | Ersatzteile für AHR 1300 | 1609350145
Hersteller: BOSCH
Artikelnummer: EB-0600815060-1609350145
nur Informationsartikel
Nie mehr lieferbar
keine Alternativen
Pos.
651/20
BOSCH Teilesatz Ø2,0xØ18,0 MM 3 STUECK | Ersatzteile für AHR 1300 | 1609350182
Hersteller: BOSCH
Artikelnummer: EB-0600815060-1609350182
nur Informationsartikel
Nie mehr lieferbar
keine Alternativen
Pos.
651/30
BOSCH Teilesatz Ø1,78xØ18,77 MM 3 STUECK | Ersatzteile für AHR 1300 | 1609350181
Hersteller: BOSCH
Artikelnummer: EB-0600815060-1609350181
nur Informationsartikel
Nie mehr lieferbar
keine Alternativen
Pos.
653/10
BOSCH Düsenspannmutter | Ersatzteile für AHR 1300 | 1609350414
Hersteller: BOSCH
Artikelnummer: EB-0600815060-1609350414
nur Informationsartikel
Nie mehr lieferbar
keine Alternativen
Pos.
653/12
BOSCH Verbindungsrohr | Ersatzteile für AHR 1300 | 1609350411
Hersteller: BOSCH
Artikelnummer: EB-0600815060-1609350411
nur Informationsartikel
Nie mehr lieferbar
keine Alternativen
Pos.
653/13
BOSCH Reparatursatz | Ersatzteile für AHR 1300 | 1609350412
Hersteller: BOSCH
Artikelnummer: EB-0600815060-1609350412
nur Informationsartikel
Nie mehr lieferbar
keine Alternativen
Pos.
678/10
BOSCH Flachdichtung Ø15xØ24x4,5=3/4" | Ersatzteile für AHR 1300 | 1609351029
Hersteller: BOSCH
Artikelnummer: EB-0600815060-1609351029
Netto: 3,59 € zzgl. MwSt.
zzgl. 6,90 € Versand (brutto)
einmalig pro Bestellung

Lieferzeit: 5 Werktage

Stück
Pos.
704/30
BOSCH Gelenkstück | Ersatzteile für AHR 1300 | 1609351014
Hersteller: BOSCH
Artikelnummer: EB-0600815060-1609351014
Netto: 16,44 € zzgl. MwSt.
zzgl. 6,90 € Versand (brutto)
einmalig pro Bestellung

Lieferzeit: 5 Werktage

Stück
Pos.
704/40
BOSCH Adapter | Ersatzteile für AHR 1300 | 1609350159
Hersteller: BOSCH
Artikelnummer: EB-0600815060-1609350159
nur Informationsartikel
Nie mehr lieferbar
keine Alternativen
Pos.
705/1
BOSCH Rohrreinigungsset L=15 M | Ersatzteile für AHR 1300 | 1609350055
Hersteller: BOSCH
Artikelnummer: EB-0600815060-1609350055
nur Informationsartikel
Nie mehr lieferbar
keine Alternativen
Pos.
705/10
BOSCH Rohrdüse | Ersatzteile für AHR 1300 | 1609350137
Hersteller: BOSCH
Artikelnummer: EB-0600815060-1609350137
nur Informationsartikel
Nie mehr lieferbar
keine Alternativen
Pos.
705/20
BOSCH Teilesatz Ø1,6xØ10 MM 3 STUECK | Ersatzteile für AHR 1300 | 1609350088
Hersteller: BOSCH
Artikelnummer: EB-0600815060-1609350088
nur Informationsartikel
Nie mehr lieferbar
keine Alternativen
Pos.
707/10
BOSCH Düsenspannmutter | Ersatzteile für AHR 1300 | 1609350136
Hersteller: BOSCH
Artikelnummer: EB-0600815060-1609350136
nur Informationsartikel
Nie mehr lieferbar
keine Alternativen
Pos.
708/10
BOSCH Klemmschraube | Ersatzteile für AHR 1300 | 1609350120
Hersteller: BOSCH
Artikelnummer: EB-0600815060-1609350120
nur Informationsartikel
Nie mehr lieferbar
keine Alternativen
Pos.
708/20
BOSCH Klemmstück | Ersatzteile für AHR 1300 | 1609350121
Hersteller: BOSCH
Artikelnummer: EB-0600815060-1609350121
nur Informationsartikel
Nie mehr lieferbar
keine Alternativen
Pos.
708/30
BOSCH Rad | Ersatzteile für AHR 1300 | 1609350122
Hersteller: BOSCH
Artikelnummer: EB-0600815060-1609350122
nur Informationsartikel
Nie mehr lieferbar
keine Alternativen
Pos.
708/40
BOSCH Verschlusskappe | Ersatzteile für AHR 1300 | 1609350123
Hersteller: BOSCH
Artikelnummer: EB-0600815060-1609350123
nur Informationsartikel
Nie mehr lieferbar
keine Alternativen
Pos.
709/10
BOSCH Düsenhalter | Ersatzteile für AHR 1300 | 1609350146
Hersteller: BOSCH
Artikelnummer: EB-0600815060-1609350146
nur Informationsartikel
Nie mehr lieferbar
keine Alternativen
Pos.
709/11
BOSCH Ansaugstutzen | Ersatzteile für AHR 1300 | 1609350135
Hersteller: BOSCH
Artikelnummer: EB-0600815060-1609350135
nur Informationsartikel
Nie mehr lieferbar
keine Alternativen
Pos.
709/12
BOSCH Verbindungsrohr | Ersatzteile für AHR 1300 | 1609350192
Hersteller: BOSCH
Artikelnummer: EB-0600815060-1609350192
nur Informationsartikel
Nie mehr lieferbar
keine Alternativen
Pos.
709/20
BOSCH Linsenschraube DIN 7985-M4x20-8.8-Z | Ersatzteile für AHR 1300 | 2912311130
Hersteller: BOSCH
Artikelnummer: EB-0600815060-2912311130
nur Informationsartikel
Nie mehr lieferbar
keine Alternativen
Pos.
709/30
BOSCH Sechskantmutter DIN 934 -M4-m-8 | Ersatzteile für AHR 1300 | 2915011005
Hersteller: BOSCH
Artikelnummer: EB-0600815060-2915011005
Netto: 0,60 € zzgl. MwSt.
zzgl. 6,90 € Versand (brutto)
einmalig pro Bestellung

Lieferzeit: 5 Werktage

Stück
Pos.
709/40
BOSCH Blechschraube DIN7981-ST2,9x9,5C-Z | Ersatzteile für AHR 1300 | 2912401005
Hersteller: BOSCH
Artikelnummer: EB-0600815060-2912401005
Netto: 0,60 € zzgl. MwSt.
zzgl. 6,90 € Versand (brutto)
einmalig pro Bestellung

Lieferzeit: 5 Werktage

Stück
Pos.
709/50
BOSCH Düse | Ersatzteile für AHR 1300 | 1609350134
Hersteller: BOSCH
Artikelnummer: EB-0600815060-1609350134
nur Informationsartikel
Nie mehr lieferbar
keine Alternativen
Pos.
712/10
BOSCH Flachdichtung Ø15xØ24x3=3/4" | Ersatzteile für AHR 1300 | 1609351002
Hersteller: BOSCH
Artikelnummer: EB-0600815060-1609351002
nur Informationsartikel
Nie mehr lieferbar
keine Alternativen
Pos.
754/1
BOSCH Reinigungsmittel 1x2,5 LITER | Ersatzteile für AHR 1300 | 1609350155
Hersteller: BOSCH
Artikelnummer: EB-0600815060-1609350155
nur Informationsartikel
Nie mehr lieferbar
keine Alternativen
Pos.
760/1
BOSCH Wachs 1x2,5 LITER | Ersatzteile für AHR 1300 | 1609350162
Hersteller: BOSCH
Artikelnummer: EB-0600815060-1609350162
nur Informationsartikel
Nie mehr lieferbar
keine Alternativen
Pos.
2
BOSCH Handgriff SCHWARZ | Ersatzteile für AHR 1300 | 1609350316
Hersteller: BOSCH
Artikelnummer: EB-0600815060-1609350316
nur Informationsartikel
Nie mehr lieferbar
keine Alternativen
Pos.
3
BOSCH Linsenblechschraube | Ersatzteile für AHR 1300 | 1609350317
Hersteller: BOSCH
Artikelnummer: EB-0600815060-1609350317
nur Informationsartikel
Nie mehr lieferbar
keine Alternativen
Pos.
4
BOSCH Führungsschiene | Ersatzteile für AHR 1300 | 1609350318
Hersteller: BOSCH
Artikelnummer: EB-0600815060-1609350318
nur Informationsartikel
Nie mehr lieferbar
keine Alternativen
Pos.
5
BOSCH O-Ring | Ersatzteile für AHR 1300 | 1609350319
Hersteller: BOSCH
Artikelnummer: EB-0600815060-1609350319
nur Informationsartikel
Nie mehr lieferbar
keine Alternativen
Pos.
6
BOSCH Vierkantrohr | Ersatzteile für AHR 1300 | 1609350320
Hersteller: BOSCH
Artikelnummer: EB-0600815060-1609350320
nur Informationsartikel
Nie mehr lieferbar
keine Alternativen
Pos.
7
BOSCH Traggriff | Ersatzteile für AHR 1300 | 1609350321
Hersteller: BOSCH
Artikelnummer: EB-0600815060-1609350321
nur Informationsartikel
Nie mehr lieferbar
keine Alternativen
Pos.
8
BOSCH Linsenblechschraube | Ersatzteile für AHR 1300 | 1609350322
Hersteller: BOSCH
Artikelnummer: EB-0600815060-1609350322
nur Informationsartikel
Nie mehr lieferbar
keine Alternativen
Pos.
9
BOSCH Flaschenträger | Ersatzteile für AHR 1300 | 1609350323
Hersteller: BOSCH
Artikelnummer: EB-0600815060-1609350323
nur Informationsartikel
Nie mehr lieferbar
keine Alternativen
Pos.
10
BOSCH Reinigungsnadel | Ersatzteile für AHR 1300 | 1609350324
Hersteller: BOSCH
Artikelnummer: EB-0600815060-1609350324
nur Informationsartikel
Nie mehr lieferbar
keine Alternativen
Pos.
11
BOSCH Linsenblechschraube Ø6x20 MM | Ersatzteile für AHR 1300 | 1609350006
Hersteller: BOSCH
Artikelnummer: EB-0600815060-1609350006
nur Informationsartikel
Nie mehr lieferbar
keine Alternativen
Pos.
12
BOSCH Auslösehebel | Ersatzteile für AHR 1300 | 1609350325
Hersteller: BOSCH
Artikelnummer: EB-0600815060-1609350325
nur Informationsartikel
Nie mehr lieferbar
keine Alternativen
Pos.
13
BOSCH Gehäuseoberteil GRUEN | Ersatzteile für AHR 1300 | 1609350326
Hersteller: BOSCH
Artikelnummer: EB-0600815060-1609350326
nur Informationsartikel
Nie mehr lieferbar
keine Alternativen
Pos.
14
BOSCH Drucktaste GRAU | Ersatzteile für AHR 1300 | 1609350327
Hersteller: BOSCH
Artikelnummer: EB-0600815060-1609350327
Netto: 23,33 € zzgl. MwSt.
zzgl. 6,90 € Versand (brutto)
einmalig pro Bestellung

Lieferzeit: 5 Werktage

Stück
Pos.
15
BOSCH Netzanschlussleitung L=5 M | Ersatzteile für AHR 1300 | 1609350405
Hersteller: BOSCH
Artikelnummer: EB-0600815060-1609350405
Netto: 14,92 € zzgl. MwSt.
zzgl. 6,90 € Versand (brutto)
einmalig pro Bestellung

Lieferzeit: 5 Werktage

Stück
Pos.
16
BOSCH Linsenblechschraube | Ersatzteile für AHR 1300 | 1609350329
Hersteller: BOSCH
Artikelnummer: EB-0600815060-1609350329
nur Informationsartikel
Nie mehr lieferbar
keine Alternativen
Pos.
17
BOSCH Rohr | Ersatzteile für AHR 1300 | 1609350330
Hersteller: BOSCH
Artikelnummer: EB-0600815060-1609350330
nur Informationsartikel
Nie mehr lieferbar
keine Alternativen
Pos.
18
BOSCH Schlauchführung | Ersatzteile für AHR 1300 | 1609350331
Hersteller: BOSCH
Artikelnummer: EB-0600815060-1609350331
nur Informationsartikel
Nie mehr lieferbar
keine Alternativen
Pos.
19
BOSCH Schlauchführung | Ersatzteile für AHR 1300 | 1609350332
Hersteller: BOSCH
Artikelnummer: EB-0600815060-1609350332
nur Informationsartikel
Nie mehr lieferbar
keine Alternativen
Pos.
20
BOSCH Schalthebel | Ersatzteile für AHR 1300 | 1609350333
Hersteller: BOSCH
Artikelnummer: EB-0600815060-1609350333
nur Informationsartikel
Nie mehr lieferbar
keine Alternativen
Pos.
21
BOSCH Zwischengehäuse GRUEN | Ersatzteile für AHR 1300 | 1609350334
Hersteller: BOSCH
Artikelnummer: EB-0600815060-1609350334
nur Informationsartikel
Nie mehr lieferbar
keine Alternativen
Pos.
22
BOSCH Vierkantrohr | Ersatzteile für AHR 1300 | 1609350335
Hersteller: BOSCH
Artikelnummer: EB-0600815060-1609350335
nur Informationsartikel
Nie mehr lieferbar
keine Alternativen
Pos.
23
BOSCH Achse | Ersatzteile für AHR 1300 | 1609350336
Hersteller: BOSCH
Artikelnummer: EB-0600815060-1609350336
nur Informationsartikel
Nie mehr lieferbar
keine Alternativen
Pos.
24
BOSCH Gehäuseunterteil SCHWARZ | Ersatzteile für AHR 1300 | 1609350337
Hersteller: BOSCH
Artikelnummer: EB-0600815060-1609350337
nur Informationsartikel
Nie mehr lieferbar
keine Alternativen
Pos.
25
BOSCH Linsenblechschraube | Ersatzteile für AHR 1300 | 1609350338
Hersteller: BOSCH
Artikelnummer: EB-0600815060-1609350338
nur Informationsartikel
Nie mehr lieferbar
keine Alternativen
Pos.
26
BOSCH Verbindungsstück | Ersatzteile für AHR 1300 | 1609350339
Hersteller: BOSCH
Artikelnummer: EB-0600815060-1609350339
nur Informationsartikel
Nie mehr lieferbar
keine Alternativen
Pos.
27
BOSCH Radsatz | Ersatzteile für AHR 1300 | 1609350340
Hersteller: BOSCH
Artikelnummer: EB-0600815060-1609350340
nur Informationsartikel
Nie mehr lieferbar
keine Alternativen
Pos.
28
BOSCH Schaltereinheit | Ersatzteile für AHR 1300 | 1609350341
Hersteller: BOSCH
Artikelnummer: EB-0600815060-1609350341
nur Informationsartikel
Nie mehr lieferbar
keine Alternativen
Pos.
29
BOSCH Elektromotor 230V | Ersatzteile für AHR 1300 | 1609350342
Hersteller: BOSCH
Artikelnummer: EB-0600815060-1609350342
nur Informationsartikel
Nie mehr lieferbar
keine Alternativen
Pos.
31
BOSCH Reparatursatz | Ersatzteile für AHR 1300 | 1609350344
Hersteller: BOSCH
Artikelnummer: EB-0600815060-1609350344
nur Informationsartikel
Nie mehr lieferbar
keine Alternativen
Pos.
32
BOSCH Sicherungsring | Ersatzteile für AHR 1300 | 1609350016
Hersteller: BOSCH
Artikelnummer: EB-0600815060-1609350016
nur Informationsartikel
Nie mehr lieferbar
keine Alternativen
Pos.
33
BOSCH Lüfterrad | Ersatzteile für AHR 1300 | 1609350017
Hersteller: BOSCH
Artikelnummer: EB-0600815060-1609350017
nur Informationsartikel
Nie mehr lieferbar
keine Alternativen
Pos.
35
BOSCH Zylinderblock | Ersatzteile für AHR 1300 | 1609350345
Hersteller: BOSCH
Artikelnummer: EB-0600815060-1609350345
nur Informationsartikel
Nie mehr lieferbar
keine Alternativen
Pos.
36
BOSCH Reparatursatz | Ersatzteile für AHR 1300 | 1609350408
Hersteller: BOSCH
Artikelnummer: EB-0600815060-1609350408
nur Informationsartikel
Nie mehr lieferbar
keine Alternativen
Pos.
37
BOSCH Zwischenflansch | Ersatzteile für AHR 1300 | 1609350347
Hersteller: BOSCH
Artikelnummer: EB-0600815060-1609350347
nur Informationsartikel
Nie mehr lieferbar
keine Alternativen
Pos.
38
BOSCH Zylinderkopf | Ersatzteile für AHR 1300 | 1609350348
Hersteller: BOSCH
Artikelnummer: EB-0600815060-1609350348
nur Informationsartikel
Nie mehr lieferbar
keine Alternativen
Pos.
40
BOSCH Manometer | Ersatzteile für AHR 1300 | 1609350307
Hersteller: BOSCH
Artikelnummer: EB-0600815060-1609350307
nur Informationsartikel
Nie mehr lieferbar
keine Alternativen
Pos.
42
BOSCH Manschette | Ersatzteile für AHR 1300 | 1609350351
Hersteller: BOSCH
Artikelnummer: EB-0600815060-1609350351
nur Informationsartikel
Nie mehr lieferbar
keine Alternativen
Pos.
43
BOSCH Anhängersteuerventil | Ersatzteile für AHR 1300 | 1609350352
Hersteller: BOSCH
Artikelnummer: EB-0600815060-1609350352
nur Informationsartikel
Nie mehr lieferbar
keine Alternativen
Pos.
44
BOSCH Dosiereinrichtung | Ersatzteile für AHR 1300 | 1609350353
Hersteller: BOSCH
Artikelnummer: EB-0600815060-1609350353
nur Informationsartikel
Nie mehr lieferbar
keine Alternativen
Pos.
45
BOSCH Schlauch | Ersatzteile für AHR 1300 | 1609350354
Hersteller: BOSCH
Artikelnummer: EB-0600815060-1609350354
nur Informationsartikel
Nie mehr lieferbar
keine Alternativen
Pos.
46
BOSCH Stopfbuchse | Ersatzteile für AHR 1300 | 1609350355
Hersteller: BOSCH
Artikelnummer: EB-0600815060-1609350355
nur Informationsartikel
Nie mehr lieferbar
keine Alternativen
Pos.
47
BOSCH Schlauch | Ersatzteile für AHR 1300 | 1609350356
Hersteller: BOSCH
Artikelnummer: EB-0600815060-1609350356
nur Informationsartikel
Nie mehr lieferbar
keine Alternativen
Pos.
48
BOSCH Filter | Ersatzteile für AHR 1300 | 1609350357
Hersteller: BOSCH
Artikelnummer: EB-0600815060-1609350357
nur Informationsartikel
Nie mehr lieferbar
keine Alternativen
Pos.
650
BOSCH Handgriff-Set | Ersatzteile für AHR 1300 | 1609350310
Hersteller: BOSCH
Artikelnummer: EB-0600815060-1609350310
nur Informationsartikel
Nie mehr lieferbar
keine Alternativen
Pos.
651
BOSCH Hochdruckreinigungsdüse | Ersatzteile für AHR 1300 | 1609350311
Hersteller: BOSCH
Artikelnummer: EB-0600815060-1609350311
nur Informationsartikel
Nie mehr lieferbar
keine Alternativen
Pos.
653
BOSCH Düse | Ersatzteile für AHR 1300 | F016102635
Hersteller: BOSCH
Artikelnummer: EB-0600815060-F016102635
nur Informationsartikel
Nie mehr lieferbar
keine Alternativen
Pos.
678
BOSCH Hahnanschlussstück 3/4" FUER ERSTAUSRUESTUNG | Ersatzteile für AHR 1300 | 0600800001
Hersteller: BOSCH
Artikelnummer: EB-0600815060-0600800001
nur Informationsartikel
Nie mehr lieferbar
keine Alternativen
Pos.
700
BOSCH Verbindungsschlauch L=7 M | Ersatzteile für AHR 1300 | 2609200276
Hersteller: BOSCH
Artikelnummer: EB-0600815060-2609200276
nur Informationsartikel
Nie mehr lieferbar
keine Alternativen
Pos.
702
BOSCH Verlängerungsrohr | Ersatzteile für AHR 1300 | 1609350053
Hersteller: BOSCH
Artikelnummer: EB-0600815060-1609350053
nur Informationsartikel
Nie mehr lieferbar
keine Alternativen
Pos.
703
BOSCH Waschbürste | Ersatzteile für AHR 1300 | 1609350156
Hersteller: BOSCH
Artikelnummer: EB-0600815060-1609350156
nur Informationsartikel
Nie mehr lieferbar
keine Alternativen
Pos.
704
BOSCH Rotationswaschbürste | Ersatzteile für AHR 1300 | 1609350126
Hersteller: BOSCH
Artikelnummer: EB-0600815060-1609350126
nur Informationsartikel
Nie mehr lieferbar
keine Alternativen
Pos.
705
BOSCH Rohrreinigungsset L=7 M | Ersatzteile für AHR 1300 | 1609350054
Hersteller: BOSCH
Artikelnummer: EB-0600815060-1609350054
nur Informationsartikel
Nie mehr lieferbar
keine Alternativen
Pos.
706
BOSCH Rohrreinigungsset L=7 M | Ersatzteile für AHR 1300 | 2609200277
Hersteller: BOSCH
Artikelnummer: EB-0600815060-2609200277
nur Informationsartikel
Nie mehr lieferbar
keine Alternativen
Pos.
707
BOSCH Strahlrohr | Ersatzteile für AHR 1300 | 1609350057
Hersteller: BOSCH
Artikelnummer: EB-0600815060-1609350057
nur Informationsartikel
Nie mehr lieferbar
keine Alternativen
Pos.
708
BOSCH Abstandshalter | Ersatzteile für AHR 1300 | 1609350119
Hersteller: BOSCH
Artikelnummer: EB-0600815060-1609350119
nur Informationsartikel
Nie mehr lieferbar
keine Alternativen
Pos.
709
BOSCH Nassstrahlset ROT | Ersatzteile für AHR 1300 | 1609350188
Hersteller: BOSCH
Artikelnummer: EB-0600815060-1609350188
nur Informationsartikel
Nie mehr lieferbar
keine Alternativen
Pos.
712
BOSCH Rückschlagventil | Ersatzteile für AHR 1300 | 1609350060
Hersteller: BOSCH
Artikelnummer: EB-0600815060-1609350060
nur Informationsartikel
Nie mehr lieferbar
keine Alternativen
Pos.
717
BOSCH Verlängerungsrohr 410 MM | Ersatzteile für AHR 1300 | 1609350164
Hersteller: BOSCH
Artikelnummer: EB-0600815060-1609350164
nur Informationsartikel
Nie mehr lieferbar
keine Alternativen
Pos.
754
BOSCH Reinigungsmittel 1x0,55 LITER | Ersatzteile für AHR 1300 | 1609350153
Hersteller: BOSCH
Artikelnummer: EB-0600815060-1609350153
nur Informationsartikel
Nie mehr lieferbar
keine Alternativen
Pos.
755
BOSCH Zugentlastung | Ersatzteile für AHR 1300 | 2601398012
Hersteller: BOSCH
Artikelnummer: EB-0600815060-2601398012
nur Informationsartikel
Nie mehr lieferbar
keine Alternativen
Pos.
760
BOSCH Wachs 1x0,55 LITER | Ersatzteile für AHR 1300 | 1609350161
Hersteller: BOSCH
Artikelnummer: EB-0600815060-1609350161
nur Informationsartikel
Nie mehr lieferbar
keine Alternativen
Pos.
898
BOSCH Behälter 0,55 LITER, 12 STCK. | Ersatzteile für AHR 1300 | 1609350189
Hersteller: BOSCH
Artikelnummer: EB-0600815060-1609350189
nur Informationsartikel
Nie mehr lieferbar
keine Alternativen

Angaben zur Produktsicherheit

Hersteller:
Robert Bosch Power Tools GmbH
Postfach 30 02 20
70442 Stuttgart

E-Mail:
kontakt@bosch.de