BOSCH Angle Grinder - 0601318033

Artikelnummer: EB-0601318033

Position:

Marke: BOSCH


Bitte Kompatibilität prüfen!

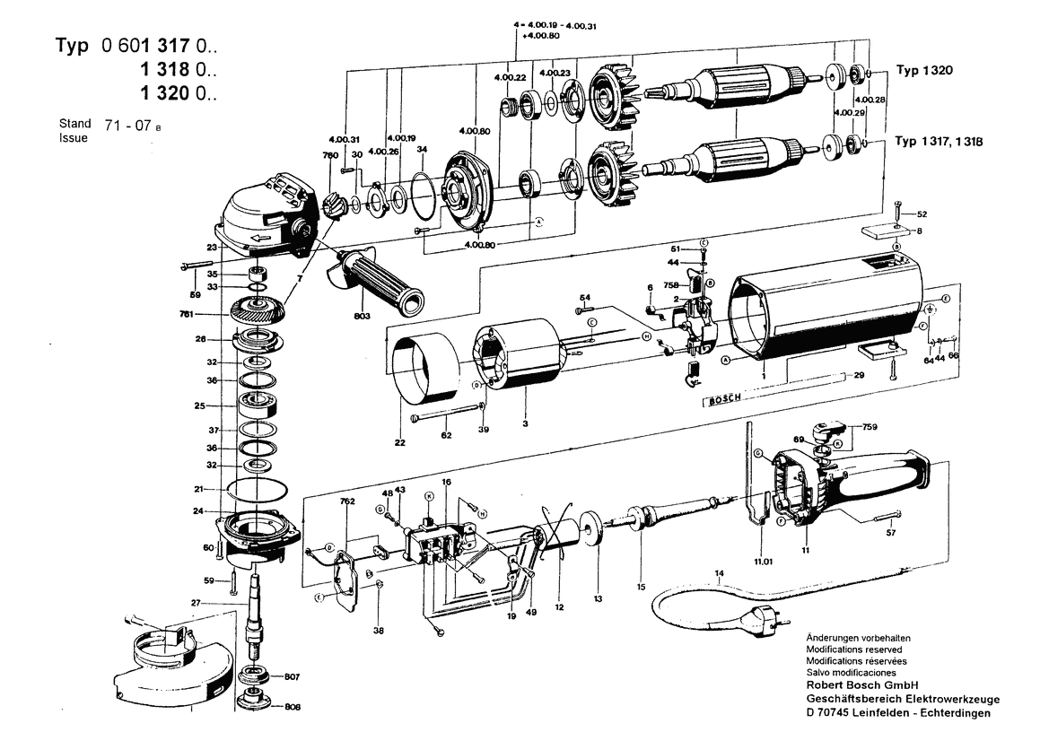
Bitte prüfen Sie unbedingt die 10-stellige Typennummer Ihrer Maschine / Ihres Gerätes. Das Ersatzteil ist nur kompatibel, wenn Sie die Typennummer Ihrer Maschine in der unten stehenden Produktbeschreibung finden.

Bitte prüfen Sie ebenfalls detailliert die Explosionszeichnung mit Ihrem Artikelwunsch und der jeweiligen Pos-Nummer.

Alle Elemente, welche vom schwarzen Strich der Pos-Nummer ausgehend berührt / erfasst werden, gehören zu dieser Pos-Nummer und somit zu diesem Artikel. Jede Pos-Nummer ist ein eigenständiger Artikel, welchen Sie in der Auflistung finden.

Sie erhalten stets die aktuellste, neueste Produktversion zu der gewählten Pos-Nummer seitens des Herstellers. Es kann daher je nach Gerätealter vorkommen, dass Sie ggf. weitere, zugehörige Elemente, welche an diese Pos-Nummer grenzen, ebenfalls mittauschen müssen.

Nähere Informationen finden Sie unter dem Link
Hinweise zu Ihrer BOSCH Ersatzteilsuche

Beschreibung

Die aufgelisteten BOSCH Ersatzteile sind mit folgendem Gerät und Modell kompatibel:

BOSCH Gerätename:Angle Grinder
BOSCH Typennummer:0601318033
alternative Schreibweisen:0 601 318 033, 0601 318 033, 0.601.318.033, 0-601-318-033

Bitte prüfen Sie die Typennummer auf Ihrem Gerät um die Kompatibilität des BOSCH Ersatzteils zu gewährleisten.

Die passenden Ersatzteile des BOSCH Angle Grinder (Winkelschleifer) mit der Typennummer 0601318033 finden Sie in der nachfolgenden Darstellung geordnet nach der Positionsnummern aus der Explosionszeichnung:

Pos.
1
BOSCH Motorgehäuse | Ersatzteile für Winkelschleifer | 1605108065
Hersteller: BOSCH
Artikelnummer: EB-0601318033-1605108065
nur Informationsartikel
Nie mehr lieferbar
keine Alternativen
Pos.
11/01
BOSCH Dichtschnur | Ersatzteile für Winkelschleifer | 1601014000
Hersteller: BOSCH
Artikelnummer: EB-0601318033-1601014000
Netto: 4,82 € zzgl. MwSt.
zzgl. 6,90 € Versand (brutto)
einmalig pro Bestellung

Lieferzeit: 5 Werktage

Stück
Pos.
4/19
BOSCH Filzscheibe | Ersatzteile für Winkelschleifer | 1600108018
Hersteller: BOSCH
Artikelnummer: EB-0601318033-1600108018
Netto: 4,53 € zzgl. MwSt.
zzgl. 6,90 € Versand (brutto)
einmalig pro Bestellung

Lieferzeit: 5 Werktage

Stück
Pos.
4/22
BOSCH Gewindering | Ersatzteile für Winkelschleifer | 1603344029
Hersteller: BOSCH
Artikelnummer: EB-0601318033-1603344029
Netto: 63,99 € zzgl. MwSt.
zzgl. 6,90 € Versand (brutto)
einmalig pro Bestellung

Lieferzeit: 5 Werktage

Stück
Pos.
4/23
BOSCH Ausgleichscheibe 0,05 MM DICK | Ersatzteile für Winkelschleifer | 1600101635
Hersteller: BOSCH
Artikelnummer: EB-0601318033-1600101637
nur Informationsartikel
Nie mehr lieferbar
keine Alternativen
Pos.
4/26
BOSCH Abdeckscheibe | Ersatzteile für Winkelschleifer | 1600501024
Hersteller: BOSCH
Artikelnummer: EB-0601318033-1600501024
Netto: 14,36 € zzgl. MwSt.
zzgl. 6,90 € Versand (brutto)
einmalig pro Bestellung

Lieferzeit: 5 Werktage

Stück
Pos.
4/28
BOSCH Sprengring | Ersatzteile für Winkelschleifer | 1604601013
Hersteller: BOSCH
Artikelnummer: EB-0601318033-1604601013
nur Informationsartikel
Nie mehr lieferbar
keine Alternativen
Pos.
4/29
BOSCH Rillenkugellager | Ersatzteile für Winkelschleifer | 1600900015
Hersteller: BOSCH
Artikelnummer: EB-0601318033-1600900015
nur Informationsartikel
Nie mehr lieferbar
keine Alternativen
Pos.
4/31
BOSCH Senkschraube | Ersatzteile für Winkelschleifer | 2910511122
Hersteller: BOSCH
Artikelnummer: EB-0601318033-2910511122
nur Informationsartikel
Nie mehr lieferbar
keine Alternativen
Pos.
4/80
BOSCH Zwischenlager | Ersatzteile für Winkelschleifer | 1605820901
Hersteller: BOSCH
Artikelnummer: EB-0601318033-1605820901
nur Informationsartikel
Nie mehr lieferbar
keine Alternativen
Pos.
2
BOSCH Bürstenhalter | Ersatzteile für Winkelschleifer | 1604336006
Hersteller: BOSCH
Artikelnummer: EB-0601318033-1604336006
nur Informationsartikel
Nie mehr lieferbar
keine Alternativen
Pos.
3
BOSCH Polschuh 220V | Ersatzteile für Winkelschleifer | 1604220078
Hersteller: BOSCH
Artikelnummer: EB-0601318033-1604220078
nur Informationsartikel
Nie mehr lieferbar
keine Alternativen
Pos.
4
BOSCH Anker 220V | Ersatzteile für Winkelschleifer | 1604011216
Hersteller: BOSCH
Artikelnummer: EB-0601318033-1604011216
nur Informationsartikel
Nie mehr lieferbar
keine Alternativen
Pos.
6
BOSCH Spiralfeder | Ersatzteile für Winkelschleifer | 1604652015
Hersteller: BOSCH
Artikelnummer: EB-0601318033-1604652015
Netto: 4,82 € zzgl. MwSt.
zzgl. 6,90 € Versand (brutto)
einmalig pro Bestellung

Lieferzeit: 5 Werktage

Stück
Pos.
8
BOSCH Verschlussdeckel | Ersatzteile für Winkelschleifer | 1605500059
Hersteller: BOSCH
Artikelnummer: EB-0601318033-1605500059
nur Informationsartikel
Nie mehr lieferbar
keine Alternativen
Pos.
11
BOSCH Handgriff | Ersatzteile für Winkelschleifer | 1605132051
Hersteller: BOSCH
Artikelnummer: EB-0601318033-1605132051
nur Informationsartikel
Nie mehr lieferbar
keine Alternativen
Pos.
12
BOSCH Entstörkondensator | Ersatzteile für Winkelschleifer | 1607329005
Hersteller: BOSCH
Artikelnummer: EB-0601318033-1607329005
nur Informationsartikel
Nie mehr lieferbar
keine Alternativen
Pos.
13
BOSCH Dichtung | Ersatzteile für Winkelschleifer | 1600113002
Hersteller: BOSCH
Artikelnummer: EB-0601318033-1600113002
Netto: 3,94 € zzgl. MwSt.
zzgl. 6,90 € Versand (brutto)
einmalig pro Bestellung

Lieferzeit: 5 Werktage

Stück
Pos.
14
BOSCH Netzanschlussleitung | Ersatzteile für Winkelschleifer | 1607000391
Hersteller: BOSCH
Artikelnummer: EB-0601318033-1607000391
Netto: 17,38 € zzgl. MwSt.
zzgl. 6,90 € Versand (brutto)
einmalig pro Bestellung

Lieferzeit: 5 Werktage

Stück
Pos.
15
BOSCH Tülle Ø9,2-Ø12x120 MM | Ersatzteile für Winkelschleifer | 3600703011
Hersteller: BOSCH
Artikelnummer: EB-0601318033-3600703011
Netto: 4,82 € zzgl. MwSt.
zzgl. 6,90 € Versand (brutto)
einmalig pro Bestellung

Lieferzeit: 5 Werktage

Stück
Pos.
16
BOSCH Schaltersatz | Ersatzteile für Winkelschleifer | 1607000034
Hersteller: BOSCH
Artikelnummer: EB-0601318033-1607000034
nur Informationsartikel
Nie mehr lieferbar
keine Alternativen
Pos.
19
BOSCH Befestigungsschelle | Ersatzteile für Winkelschleifer | 1601302013
Hersteller: BOSCH
Artikelnummer: EB-0601318033-1601302013
Netto: 3,94 € zzgl. MwSt.
zzgl. 6,90 € Versand (brutto)
einmalig pro Bestellung

Lieferzeit: 5 Werktage

Stück
Pos.
21
BOSCH O-Ring 66,0x3,0 MM | Ersatzteile für Winkelschleifer | 1600210005
Hersteller: BOSCH
Artikelnummer: EB-0601318033-1600210005
Netto: 4,82 € zzgl. MwSt.
zzgl. 6,90 € Versand (brutto)
einmalig pro Bestellung

Lieferzeit: 5 Werktage

Stück
Pos.
22
BOSCH Luftleitring | Ersatzteile für Winkelschleifer | 1600209008
Hersteller: BOSCH
Artikelnummer: EB-0601318033-1600209008
nur Informationsartikel
Nie mehr lieferbar
keine Alternativen
Pos.
23
BOSCH Getriebegehäuse | Ersatzteile für Winkelschleifer | 1605806172
Hersteller: BOSCH
Artikelnummer: EB-0601318033-1605806172
nur Informationsartikel
Nie mehr lieferbar
keine Alternativen
Pos.
24
BOSCH Flanschlager | Ersatzteile für Winkelschleifer | 1605805038
Hersteller: BOSCH
Artikelnummer: EB-0601318033-1605805038
nur Informationsartikel
Nie mehr lieferbar
keine Alternativen
Pos.
25
BOSCH Rillenkugellager 17x47x14 | Ersatzteile für Winkelschleifer | 1900900352
Hersteller: BOSCH
Artikelnummer: EB-0601318033-1900900352
Netto: 24,13 € zzgl. MwSt.
zzgl. 6,90 € Versand (brutto)
einmalig pro Bestellung

Lieferzeit: 5 Werktage

Stück
Pos.
26
BOSCH Spannscheibe | Ersatzteile für Winkelschleifer | 1600521013
Hersteller: BOSCH
Artikelnummer: EB-0601318033-1600521013
nur Informationsartikel
Nie mehr lieferbar
keine Alternativen
Pos.
27
BOSCH Schleifspindel 5/8 Zoll-UNC-2A | Ersatzteile für Winkelschleifer | 1603523091
Hersteller: BOSCH
Artikelnummer: EB-0601318033-1603523091
nur Informationsartikel
Nie mehr lieferbar
keine Alternativen
Pos.
27
BOSCH Schleifspindel M14x1,5 MM | Ersatzteile für Winkelschleifer | 1603523032
Hersteller: BOSCH
Artikelnummer: EB-0601318033-1603523032
Netto: 32,74 € zzgl. MwSt.
zzgl. 6,90 € Versand (brutto)
einmalig pro Bestellung

Lieferzeit: 5 Werktage

Stück
Pos.
29
BOSCH Hinweisschild | Ersatzteile für Winkelschleifer | 1601110006
Hersteller: BOSCH
Artikelnummer: EB-0601318033-1601110006
nur Informationsartikel
Nie mehr lieferbar
keine Alternativen
Pos.
30
BOSCH Ausgleichscheibe | Ersatzteile für Winkelschleifer | 1600100612
Hersteller: BOSCH
Artikelnummer: EB-0601318033-1600100612
nur Informationsartikel
Nie mehr lieferbar
keine Alternativen
Pos.
30
BOSCH Ausgleichscheibe 0,05 MM DICK | Ersatzteile für Winkelschleifer | 1600101619
Hersteller: BOSCH
Artikelnummer: EB-0601318033-1600101619
Netto: 4,32 € zzgl. MwSt.
zzgl. 6,90 € Versand (brutto)
einmalig pro Bestellung

Lieferzeit: 5 Werktage

Stück
Pos.
30
BOSCH Ausgleichscheibe 0,1 MM DICK | Ersatzteile für Winkelschleifer | 1600101616
Hersteller: BOSCH
Artikelnummer: EB-0601318033-1600101616
Netto: 4,53 € zzgl. MwSt.
zzgl. 6,90 € Versand (brutto)
einmalig pro Bestellung

Lieferzeit: 5 Werktage

Stück
Pos.
30
BOSCH Ausgleichscheibe 0,2 MM DICK | Ersatzteile für Winkelschleifer | 1600101617
Hersteller: BOSCH
Artikelnummer: EB-0601318033-1600101617
Netto: 3,94 € zzgl. MwSt.
zzgl. 6,90 € Versand (brutto)
einmalig pro Bestellung

Lieferzeit: 5 Werktage

Stück
Pos.
30
BOSCH Ausgleichscheibe 0,3 MM DICK | Ersatzteile für Winkelschleifer | 1600101618
Hersteller: BOSCH
Artikelnummer: EB-0601318033-1600101618
nur Informationsartikel
Nie mehr lieferbar
keine Alternativen
Pos.
32
BOSCH Dichtscheibe | Ersatzteile für Winkelschleifer | 1600108048
Hersteller: BOSCH
Artikelnummer: EB-0601318033-1600108048
Netto: 3,94 € zzgl. MwSt.
zzgl. 6,90 € Versand (brutto)
einmalig pro Bestellung

Lieferzeit: 5 Werktage

Stück
Pos.
33
BOSCH Sprengring Ø22 MM | Ersatzteile für Winkelschleifer | 2916620011
Hersteller: BOSCH
Artikelnummer: EB-0601318033-2916620011
Netto: 3,94 € zzgl. MwSt.
zzgl. 6,90 € Versand (brutto)
einmalig pro Bestellung

Lieferzeit: 5 Werktage

Stück
Pos.
34
BOSCH O-Ring 54,0x3,0 MM | Ersatzteile für Winkelschleifer | 1600210004
Hersteller: BOSCH
Artikelnummer: EB-0601318033-1600210004
Netto: 4,82 € zzgl. MwSt.
zzgl. 6,90 € Versand (brutto)
einmalig pro Bestellung

Lieferzeit: 5 Werktage

Stück
Pos.
35
BOSCH Nadelhülse Ø22x11,3 MM | Ersatzteile für Winkelschleifer | 1600910010
Hersteller: BOSCH
Artikelnummer: EB-0601318033-1600910010
Netto: 39,11 € zzgl. MwSt.
zzgl. 6,90 € Versand (brutto)
einmalig pro Bestellung

Lieferzeit: 5 Werktage

Stück
Pos.
36
BOSCH Unterlegscheibe | Ersatzteile für Winkelschleifer | 2100551000
Hersteller: BOSCH
Artikelnummer: EB-0601318033-2100551000
nur Informationsartikel
Nie mehr lieferbar
keine Alternativen
Pos.
37
BOSCH Ausgleichscheibe 0,05 MM DICK | Ersatzteile für Winkelschleifer | 1600102638
Hersteller: BOSCH
Artikelnummer: EB-0601318033-1600102638
Netto: 3,92 € zzgl. MwSt.
zzgl. 6,90 € Versand (brutto)
einmalig pro Bestellung

Lieferzeit: 5 Werktage

Stück
Pos.
37
BOSCH Ausgleichscheibe 0,1 MM DICK | Ersatzteile für Winkelschleifer | 1600102639
Hersteller: BOSCH
Artikelnummer: EB-0601318033-1600102639
nur Informationsartikel
Nie mehr lieferbar
keine Alternativen
Pos.
37
BOSCH Ausgleichscheibe 0,15 MM DICK | Ersatzteile für Winkelschleifer | 1600102640
Hersteller: BOSCH
Artikelnummer: EB-0601318033-1600102640
nur Informationsartikel
Nie mehr lieferbar
keine Alternativen
Pos.
38
BOSCH Sicherungsring | Ersatzteile für Winkelschleifer | 1600118001
Hersteller: BOSCH
Artikelnummer: EB-0601318033-1600118001
nur Informationsartikel
Nie mehr lieferbar
keine Alternativen
Pos.
39
BOSCH Federring DIN 127-B 5 | Ersatzteile für Winkelschleifer | 2916680006
Hersteller: BOSCH
Artikelnummer: EB-0601318033-2916680006
nur Informationsartikel
Nie mehr lieferbar
keine Alternativen
Pos.
43
BOSCH Federscheibe A 3 DIN 137-ST | Ersatzteile für Winkelschleifer | 2916060003
Hersteller: BOSCH
Artikelnummer: EB-0601318033-2916060003
nur Informationsartikel
Nie mehr lieferbar
keine Alternativen
Pos.
44
BOSCH Federscheibe DIN 137-A4 | Ersatzteile für Winkelschleifer | 1600150006
Hersteller: BOSCH
Artikelnummer: EB-0601318033-1600150006
nur Informationsartikel
Nie mehr lieferbar
keine Alternativen
Pos.
48
BOSCH Zylinderschraube DIN 84-AM3x8-8.8 | Ersatzteile für Winkelschleifer | 2910021050
Hersteller: BOSCH
Artikelnummer: EB-0601318033-2910021050
Netto: 3,63 € zzgl. MwSt.
zzgl. 6,90 € Versand (brutto)
einmalig pro Bestellung

Lieferzeit: 5 Werktage

Stück
Pos.
49
BOSCH Zylinderschraube DIN 84-AM4x12-5.8 | Ersatzteile für Winkelschleifer | 2910011122
Hersteller: BOSCH
Artikelnummer: EB-0601318033-2910011122
nur Informationsartikel
Nie mehr lieferbar
keine Alternativen
Pos.
51
BOSCH Zylinderschraube DIN 84-AM4x10-5.8 | Ersatzteile für Winkelschleifer | 2910011120
Hersteller: BOSCH
Artikelnummer: EB-0601318033-2910011120
Netto: 3,63 € zzgl. MwSt.
zzgl. 6,90 € Versand (brutto)
einmalig pro Bestellung

Lieferzeit: 5 Werktage

Stück
Pos.
52
BOSCH Zylinderschraube DIN 84-AM4x15-8.8 | Ersatzteile für Winkelschleifer | 2910021125
Hersteller: BOSCH
Artikelnummer: EB-0601318033-2910021125
Netto: 3,63 € zzgl. MwSt.
zzgl. 6,90 € Versand (brutto)
einmalig pro Bestellung

Lieferzeit: 5 Werktage

Stück
Pos.
54
BOSCH Blechschraube DIN 7971-ST3,9x16-F | Ersatzteile für Winkelschleifer | 2910211019
Hersteller: BOSCH
Artikelnummer: EB-0601318033-2910211019
Netto: 3,63 € zzgl. MwSt.
zzgl. 6,90 € Versand (brutto)
einmalig pro Bestellung

Lieferzeit: 5 Werktage

Stück
Pos.
57
BOSCH Zylinderschraube DIN 84-BM5x30-5.8 | Ersatzteile für Winkelschleifer | 2910011166
Hersteller: BOSCH
Artikelnummer: EB-0601318033-2910011166
Netto: 3,63 € zzgl. MwSt.
zzgl. 6,90 € Versand (brutto)
einmalig pro Bestellung

Lieferzeit: 5 Werktage

Stück
Pos.
59
BOSCH Zylinderschraube DIN 84-AM5x25-5.8 | Ersatzteile für Winkelschleifer | 2910011164
Hersteller: BOSCH
Artikelnummer: EB-0601318033-2910011164
nur Informationsartikel
Nie mehr lieferbar
keine Alternativen
Pos.
60
BOSCH Zylinderschraube DIN 84-AM5x15-5.8 | Ersatzteile für Winkelschleifer | 2910011157
Hersteller: BOSCH
Artikelnummer: EB-0601318033-2910011157
nur Informationsartikel
Nie mehr lieferbar
keine Alternativen
Pos.
62
BOSCH Zylinderschraube DIN 84-BM5x82 | Ersatzteile für Winkelschleifer | 1603410001
Hersteller: BOSCH
Artikelnummer: EB-0601318033-1603410001
nur Informationsartikel
Nie mehr lieferbar
keine Alternativen
Pos.
64
BOSCH Unterlegscheibe A 4,3 DIN 125-ST | Ersatzteile für Winkelschleifer | 2916010410
Hersteller: BOSCH
Artikelnummer: EB-0601318033-2916010410
nur Informationsartikel
Nie mehr lieferbar
keine Alternativen
Pos.
66
BOSCH Flachkopfschraube DIN 85-AM4x8-MS | Ersatzteile für Winkelschleifer | 2910110118
Hersteller: BOSCH
Artikelnummer: EB-0601318033-2910110118
Netto: 3,94 € zzgl. MwSt.
zzgl. 6,90 € Versand (brutto)
einmalig pro Bestellung

Lieferzeit: 5 Werktage

Stück
Pos.
69
BOSCH Filzring | Ersatzteile für Winkelschleifer | 1600205008
Hersteller: BOSCH
Artikelnummer: EB-0601318033-1600205008
Netto: 3,94 € zzgl. MwSt.
zzgl. 6,90 € Versand (brutto)
einmalig pro Bestellung

Lieferzeit: 5 Werktage

Stück
Pos.
758
BOSCH Kohlebürstensatz | Ersatzteile für Winkelschleifer | 1607014102
Hersteller: BOSCH
Artikelnummer: EB-0601318033-1607014102
nur Informationsartikel
Nie mehr lieferbar
keine Alternativen
Pos.
759
BOSCH Schalthebel | Ersatzteile für Winkelschleifer | 1602026030
Hersteller: BOSCH
Artikelnummer: EB-0601318033-1602026030
Netto: 9,18 € zzgl. MwSt.
zzgl. 6,90 € Versand (brutto)
einmalig pro Bestellung

Lieferzeit: 5 Werktage

Stück
Pos.
760
BOSCH Kegelrad Z=13 | Ersatzteile für Winkelschleifer | 1606333123
Hersteller: BOSCH
Artikelnummer: EB-0601318033-1606333123
nur Informationsartikel
Nie mehr lieferbar
keine Alternativen
Pos.
761
BOSCH Tellerrad Z=51 | Ersatzteile für Winkelschleifer | 1606333124
Hersteller: BOSCH
Artikelnummer: EB-0601318033-1606333124
nur Informationsartikel
Nie mehr lieferbar
keine Alternativen
Pos.
762
BOSCH Dichtplatte | Ersatzteile für Winkelschleifer | 1602388007
Hersteller: BOSCH
Artikelnummer: EB-0601318033-1602388007
Netto: 10,92 € zzgl. MwSt.
zzgl. 6,90 € Versand (brutto)
einmalig pro Bestellung

Lieferzeit: 5 Werktage

Stück
Pos.
803
BOSCH Zusatzhandgriff | Ersatzteile für Angle Grinder | 160202509Z
Hersteller: BOSCH
Artikelnummer: EB-0601318033-16020250A1
Netto: 14,36 € zzgl. MwSt.
zzgl. 6,90 € Versand (brutto)
einmalig pro Bestellung

Lieferzeit: 5 Werktage

Stück
Pos.
803
BOSCH Zusatzhandgriff M14 SCHWARZ | Ersatzteile für Winkelschleifer | 1602025022
Hersteller: BOSCH
Artikelnummer: EB-0601318033-1602025022
Netto: 11,41 € zzgl. MwSt.
zzgl. 6,90 € Versand (brutto)
einmalig pro Bestellung

Lieferzeit: 5 Werktage

Stück
Pos.
803
BOSCH Zusatzhandgriff M14, Ø37x115 MM SCHWARZ | Ersatzteile für Winkelschleifer | 1602025030
Hersteller: BOSCH
Artikelnummer: EB-0601318033-1602025030
Netto: 14,92 € zzgl. MwSt.
zzgl. 6,90 € Versand (brutto)
einmalig pro Bestellung

Lieferzeit: 5 Werktage

Stück
Pos.
804
BOSCH Einmaulschlüssel SW17 | Ersatzteile für Winkelschleifer | 2607950511
Hersteller: BOSCH
Artikelnummer: EB-0601318033-2607950511
Netto: 5,67 € zzgl. MwSt.
zzgl. 6,90 € Versand (brutto)
einmalig pro Bestellung

Lieferzeit: 5 Werktage

Stück
Pos.
805
BOSCH Schutzhaube Ø180 MM | Ersatzteile für Winkelschleifer | 1605510199
Hersteller: BOSCH
Artikelnummer: EB-0601318033-1605510199
nur Informationsartikel
Nie mehr lieferbar
keine Alternativen
Pos.
805
BOSCH Schutzhaube Ø230 MM | Ersatzteile für Winkelschleifer | 1605510198
Hersteller: BOSCH
Artikelnummer: EB-0601318033-1605510198
nur Informationsartikel
Nie mehr lieferbar
keine Alternativen
Pos.
806
BOSCH Winkelschraubendreher DIN 911-4 | Ersatzteile für Winkelschleifer | 2607950004
Hersteller: BOSCH
Artikelnummer: EB-0601318033-2607950004
Netto: 3,94 € zzgl. MwSt.
zzgl. 6,90 € Versand (brutto)
einmalig pro Bestellung

Lieferzeit: 5 Werktage

Stück
Pos.
807
BOSCH Aufnahmeflansch Ø45 MM | Ersatzteile für Winkelschleifer | 2600501006
Hersteller: BOSCH
Artikelnummer: EB-0601318033-2600501006
Netto: 15,75 € zzgl. MwSt.
zzgl. 6,90 € Versand (brutto)
einmalig pro Bestellung

Lieferzeit: 5 Werktage

Stück
Pos.
808
BOSCH Rundmutter M14 | Ersatzteile für Winkelschleifer | 2603345004
Hersteller: BOSCH
Artikelnummer: EB-0601318033-2603345004
Netto: 7,30 € zzgl. MwSt.
zzgl. 6,90 € Versand (brutto)
einmalig pro Bestellung

Lieferzeit: 5 Werktage

Stück
Pos.
809
BOSCH Winkelschraubendreher DIN 911 SW6 | Ersatzteile für Winkelschleifer | 1907950007
Hersteller: BOSCH
Artikelnummer: EB-0601318033-1907950007
Netto: 6,15 € zzgl. MwSt.
zzgl. 6,90 € Versand (brutto)
einmalig pro Bestellung

Lieferzeit: 5 Werktage

Stück
Pos.
888
BOSCH Typschild | Ersatzteile für Winkelschleifer | 160111A3H3
Hersteller: BOSCH
Artikelnummer: EB-0601318033-160111A3H3
Netto: 4,53 € zzgl. MwSt.
zzgl. 6,90 € Versand (brutto)
einmalig pro Bestellung

Lieferzeit: 5 Werktage

Stück

Angaben zur Produktsicherheit

Hersteller:
Robert Bosch Power Tools GmbH
Postfach 30 02 20
70442 Stuttgart

E-Mail:
kontakt@bosch.de