BOSCH Ansatzschraube | Ersatzteile für GCM 12 GDL, GCM 12 JL - 1609B00252
-
Vergleichsliste
- Bitte fügen Sie mindestens 2 Artikel hinzu, um den Vergleich durchzuführen.
GRATIS VERSAND AB 200 EUR*
MARKENQUALITÄT ZU TOP-PREISEN
SCHNELLE LIEFERUNG
- 0,00 € *
-
Anmelden
- Anmelden sicher
-
Ich bin Neukunde
Jetzt kostenlos registrieren

- Service
- 0,00 € *
-
Anmelden
- Anmelden sicher
-
Ich bin Neukunde
Jetzt kostenlos registrieren

- Service
BOSCH: Versand-Pause / Inventur von 05.12.2025 - 15.12.2025 - es erfolgt kein Versand in dieser Zeit. Bitte addieren Sie das Zeitfenster zu der angegebenen Lieferzeit im Artikel.
- Übersicht
- Ersatzteile
- BOSCH Ersatzteile
- BOSCH Ersatzteile
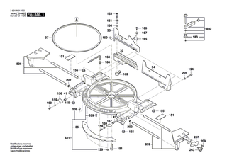
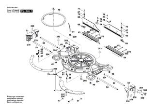
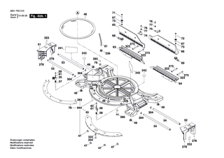
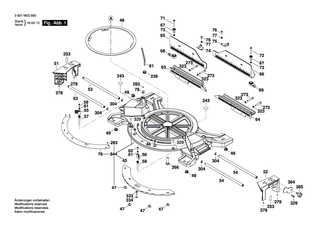
- BOSCH Ansatzschraube | Ersatzteile für GCM 12 GDL, GCM 12 JL - 1609B00252