BOSCH ART 23 - 0600821842

Artikelnummer: EB-0600821842

Position:

Marke: BOSCH


Bitte Kompatibilität prüfen!

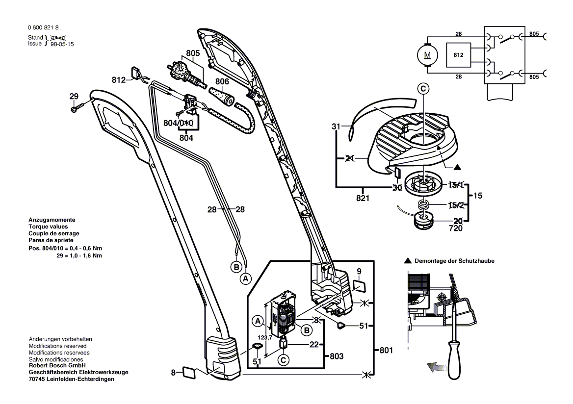
Bitte prüfen Sie unbedingt die 10-stellige Typennummer Ihrer Maschine / Ihres Gerätes. Das Ersatzteil ist nur kompatibel, wenn Sie die Typennummer Ihrer Maschine in der unten stehenden Produktbeschreibung finden.

Bitte prüfen Sie ebenfalls detailliert die Explosionszeichnung mit Ihrem Artikelwunsch und der jeweiligen Pos-Nummer.

Alle Elemente, welche vom schwarzen Strich der Pos-Nummer ausgehend berührt / erfasst werden, gehören zu dieser Pos-Nummer und somit zu diesem Artikel. Jede Pos-Nummer ist ein eigenständiger Artikel, welchen Sie in der Auflistung finden.

Sie erhalten stets die aktuellste, neueste Produktversion zu der gewählten Pos-Nummer seitens des Herstellers. Es kann daher je nach Gerätealter vorkommen, dass Sie ggf. weitere, zugehörige Elemente, welche an diese Pos-Nummer grenzen, ebenfalls mittauschen müssen.

Nähere Informationen finden Sie unter dem Link
Hinweise zu Ihrer BOSCH Ersatzteilsuche

Beschreibung

Die aufgelisteten BOSCH Ersatzteile sind mit folgendem Gerät und Modell kompatibel:

BOSCH Gerätename:ART 23
BOSCH Typennummer:0600821842
alternative Schreibweisen:0 600 821 842, 0600 821 842, 0.600.821.842, 0-600-821-842

Bitte prüfen Sie die Typennummer auf Ihrem Gerät um die Kompatibilität des BOSCH Ersatzteils zu gewährleisten.

Die passenden Ersatzteile des BOSCH ART 23 (Rasentrimmer) mit der Typennummer 0600821842 finden Sie in der nachfolgenden Darstellung geordnet nach der Positionsnummern aus der Explosionszeichnung:

Pos.
8
BOSCH Typschild | Ersatzteile für ART 23 | 1601118984
Hersteller: BOSCH
Artikelnummer: EB-0600821842-1601118984
nur Informationsartikel
Nie mehr lieferbar
keine Alternativen
Pos.
9
BOSCH Firmenschild | Ersatzteile für ART 23 | 1601118978
Hersteller: BOSCH
Artikelnummer: EB-0600821842-1601118978
nur Informationsartikel
Nie mehr lieferbar
keine Alternativen
Pos.
15
BOSCH Fadenspender | Ersatzteile für ART 23 | 1606610138
Hersteller: BOSCH
Artikelnummer: EB-0600821842-1606610138
nur Informationsartikel
Nie mehr lieferbar
keine Alternativen
Pos.
22
BOSCH Klemmhalter | Ersatzteile für ART 23 | 1608040113
Hersteller: BOSCH
Artikelnummer: EB-0600821842-1608040113
Netto: 4,56 € zzgl. MwSt.
zzgl. 6,90 € Versand (brutto)
einmalig pro Bestellung

Lieferzeit: 5 Werktage

Stück
Pos.
28
BOSCH Verbindungsleitung L=780 MM WEISS | Ersatzteile für ART 23 | 1604448014
Hersteller: BOSCH
Artikelnummer: EB-0600821842-1604448014
nur Informationsartikel
Nie mehr lieferbar
keine Alternativen
Pos.
29
BOSCH Linsenschraube 4x18 MM,TORX T20 | Ersatzteile für ART 23 | 2914201506
Hersteller: BOSCH
Artikelnummer: EB-0600821842-2914201506
Netto: 3,60 € zzgl. MwSt.
zzgl. 6,90 € Versand (brutto)
einmalig pro Bestellung

Lieferzeit: 5 Werktage

Stück
Pos.
31
BOSCH Hinweisschild | Ersatzteile für ART 23 | 1601118987
Hersteller: BOSCH
Artikelnummer: EB-0600821842-1601118987
nur Informationsartikel
Nie mehr lieferbar
keine Alternativen
Pos.
51
BOSCH Gummieinlage | Ersatzteile für ART 23 | 1601006012
Hersteller: BOSCH
Artikelnummer: EB-0600821842-1601006012
nur Informationsartikel
Nie mehr lieferbar
keine Alternativen
Pos.
720
BOSCH Fadenspender | Ersatzteile für ART 23 | F016102388
Hersteller: BOSCH
Artikelnummer: EB-0600821842-F016102388
nur Informationsartikel
Nie mehr lieferbar
keine Alternativen
Pos.
801
BOSCH Motorgehäuse GRUEN | Ersatzteile für ART 23 | 1607000864
Hersteller: BOSCH
Artikelnummer: EB-0600821842-1607000864
nur Informationsartikel
Nie mehr lieferbar
keine Alternativen
Pos.
803
BOSCH Wechselstrommotor | Ersatzteile für ART 23 | 1607220045
Hersteller: BOSCH
Artikelnummer: EB-0600821842-1607220045
Netto: 18,86 € zzgl. MwSt.
zzgl. 6,90 € Versand (brutto)
einmalig pro Bestellung

Lieferzeit: 5 Werktage

Stück
Pos.
804
BOSCH Schalter | Ersatzteile für ART 23 | 1607200116
Hersteller: BOSCH
Artikelnummer: EB-0600821842-1607200116
nur Informationsartikel
Nie mehr lieferbar
keine Alternativen
Pos.
805
BOSCH Netzanschlussleitung | Ersatzteile für ART 23 | 1604460165
Hersteller: BOSCH
Artikelnummer: EB-0600821842-1604460165
nur Informationsartikel
Nie mehr lieferbar
keine Alternativen
Pos.
806
BOSCH Tülle Ø7,2-Ø9,5x81 MM | Ersatzteile für ART 23 | 1600703026
Hersteller: BOSCH
Artikelnummer: EB-0600821842-1600703026
Netto: 4,36 € zzgl. MwSt.
zzgl. 6,90 € Versand (brutto)
einmalig pro Bestellung

Lieferzeit: 5 Werktage

Stück
Pos.
812
BOSCH Entstörfilter | Ersatzteile für ART 23 | 1607328028
Hersteller: BOSCH
Artikelnummer: EB-0600821842-1607328028
Netto: 6,27 € zzgl. MwSt.
zzgl. 6,90 € Versand (brutto)
einmalig pro Bestellung

Lieferzeit: 5 Werktage

Stück
Pos.
821
BOSCH Schutzhaube | Ersatzteile für ART 23 | 1607000866
Hersteller: BOSCH
Artikelnummer: EB-0600821842-1607000866
nur Informationsartikel
Nie mehr lieferbar
keine Alternativen

Angaben zur Produktsicherheit

Hersteller:
Robert Bosch Power Tools GmbH
Postfach 30 02 20
70442 Stuttgart

E-Mail:
kontakt@bosch.de