BOSCH ART 23 F - 0600821169

Artikelnummer: EB-0600821169

Position:

Marke: BOSCH


Bitte Kompatibilität prüfen!

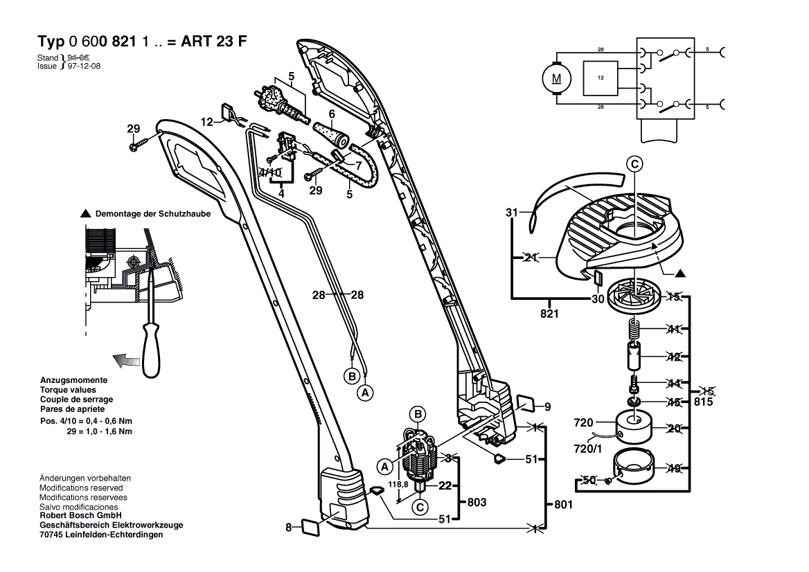
Bitte prüfen Sie unbedingt die 10-stellige Typennummer Ihrer Maschine / Ihres Gerätes. Das Ersatzteil ist nur kompatibel, wenn Sie die Typennummer Ihrer Maschine in der unten stehenden Produktbeschreibung finden.

Bitte prüfen Sie ebenfalls detailliert die Explosionszeichnung mit Ihrem Artikelwunsch und der jeweiligen Pos-Nummer.

Alle Elemente, welche vom schwarzen Strich der Pos-Nummer ausgehend berührt / erfasst werden, gehören zu dieser Pos-Nummer und somit zu diesem Artikel. Jede Pos-Nummer ist ein eigenständiger Artikel, welchen Sie in der Auflistung finden.

Sie erhalten stets die aktuellste, neueste Produktversion zu der gewählten Pos-Nummer seitens des Herstellers. Es kann daher je nach Gerätealter vorkommen, dass Sie ggf. weitere, zugehörige Elemente, welche an diese Pos-Nummer grenzen, ebenfalls mittauschen müssen.

Nähere Informationen finden Sie unter dem Link
Hinweise zu Ihrer BOSCH Ersatzteilsuche

Beschreibung

Die aufgelisteten BOSCH Ersatzteile sind mit folgendem Gerät und Modell kompatibel:

BOSCH Gerätename:ART 23 F
BOSCH Typennummer:0600821169
alternative Schreibweisen:0 600 821 169, 0600 821 169, 0.600.821.169, 0-600-821-169

Bitte prüfen Sie die Typennummer auf Ihrem Gerät um die Kompatibilität des BOSCH Ersatzteils zu gewährleisten.

Die passenden Ersatzteile des BOSCH ART 23 F (Hw-Rasentrimmer) mit der Typennummer 0600821169 finden Sie in der nachfolgenden Darstellung geordnet nach der Positionsnummern aus der Explosionszeichnung:

Pos.
720/1
BOSCH Kunststoffseil Ø1,4 MM, L=24 M | Ersatzteile für ART 23 F | 1604700004
Hersteller: BOSCH
Artikelnummer: EB-0600821169-1604700004
nur Informationsartikel
Nie mehr lieferbar
keine Alternativen
Pos.
4
BOSCH Schalter | Ersatzteile für ART 23 F | 1607200116
Hersteller: BOSCH
Artikelnummer: EB-0600821169-1607200116
nur Informationsartikel
Nie mehr lieferbar
keine Alternativen
Pos.
5
BOSCH Netzanschlussleitung | Ersatzteile für ART 23 F | 1604460165
Hersteller: BOSCH
Artikelnummer: EB-0600821169-1604460165
nur Informationsartikel
Nie mehr lieferbar
keine Alternativen
Pos.
6
BOSCH Tülle Ø7,2-Ø9,5x81 MM | Ersatzteile für ART 23 F | 1600703026
Hersteller: BOSCH
Artikelnummer: EB-0600821169-1600703026
Netto: 4,36 € zzgl. MwSt.
zzgl. 6,90 € Versand (brutto)
einmalig pro Bestellung

Lieferzeit: 5 Werktage

Stück
Pos.
7
BOSCH Leitungshalter | Ersatzteile für ART 23 F | 2601035001
Hersteller: BOSCH
Artikelnummer: EB-0600821169-2601035001
Netto: 3,94 € zzgl. MwSt.
zzgl. 6,90 € Versand (brutto)
einmalig pro Bestellung

Lieferzeit: 5 Werktage

Stück
Pos.
8
BOSCH Typschild | Ersatzteile für ART 23 F | 1601110911
Hersteller: BOSCH
Artikelnummer: EB-0600821169-1601110911
nur Informationsartikel
Nie mehr lieferbar
keine Alternativen
Pos.
9
BOSCH Firmenschild | Ersatzteile für ART 23 F | 1601110912
Hersteller: BOSCH
Artikelnummer: EB-0600821169-1601110912
nur Informationsartikel
Nie mehr lieferbar
keine Alternativen
Pos.
12
BOSCH Entstörfilter | Ersatzteile für ART 23 F | 1607328028
Hersteller: BOSCH
Artikelnummer: EB-0600821169-1607328028
Netto: 6,27 € zzgl. MwSt.
zzgl. 6,90 € Versand (brutto)
einmalig pro Bestellung

Lieferzeit: 5 Werktage

Stück
Pos.
22
BOSCH Klemmhalter | Ersatzteile für ART 23 F | 1608040113
Hersteller: BOSCH
Artikelnummer: EB-0600821169-1608040113
Netto: 4,56 € zzgl. MwSt.
zzgl. 6,90 € Versand (brutto)
einmalig pro Bestellung

Lieferzeit: 5 Werktage

Stück
Pos.
29
BOSCH Linsenschraube 4x18 MM,TORX T20 | Ersatzteile für ART 23 F | 2914201506
Hersteller: BOSCH
Artikelnummer: EB-0600821169-2914201506
Netto: 3,60 € zzgl. MwSt.
zzgl. 6,90 € Versand (brutto)
einmalig pro Bestellung

Lieferzeit: 5 Werktage

Stück
Pos.
30
BOSCH Messerplatte | Ersatzteile für ART 23 F | 1608635042
Hersteller: BOSCH
Artikelnummer: EB-0600821169-1608635042
nur Informationsartikel
Nie mehr lieferbar
keine Alternativen
Pos.
720
BOSCH Fadenspender | Ersatzteile für ART 23 F | F016800002
Hersteller: BOSCH
Artikelnummer: EB-0600821169-F016800002
nur Informationsartikel
Nie mehr lieferbar
keine Alternativen
Pos.
801
BOSCH Motorgehäuse GRUEN | Ersatzteile für ART 23 F | 1607000292
Hersteller: BOSCH
Artikelnummer: EB-0600821169-1607000292
nur Informationsartikel
Nie mehr lieferbar
keine Alternativen
Pos.
815
BOSCH Fadenspender | Ersatzteile für ART 23 F | F016102658
Hersteller: BOSCH
Artikelnummer: EB-0600821169-F016102658
nur Informationsartikel
Nie mehr lieferbar
keine Alternativen
Pos.
821
BOSCH Schutzhaube | Ersatzteile für ART 23 F | 1607000949
Hersteller: BOSCH
Artikelnummer: EB-0600821169-1607000949
nur Informationsartikel
Nie mehr lieferbar
keine Alternativen

Angaben zur Produktsicherheit

Hersteller:
Robert Bosch Power Tools GmbH
Postfach 30 02 20
70442 Stuttgart

E-Mail:
kontakt@bosch.de