BOSCH ART 25 F - 0600822432

Artikelnummer: EB-0600822432

Position:

Marke: BOSCH


Bitte Kompatibilität prüfen!

Bitte prüfen Sie unbedingt die 10-stellige Typennummer Ihrer Maschine / Ihres Gerätes. Das Ersatzteil ist nur kompatibel, wenn Sie die Typennummer Ihrer Maschine in der unten stehenden Produktbeschreibung finden.

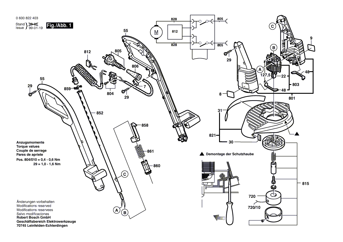
Bitte prüfen Sie ebenfalls detailliert die Explosionszeichnung mit Ihrem Artikelwunsch und der jeweiligen Pos-Nummer.

Alle Elemente, welche vom schwarzen Strich der Pos-Nummer ausgehend berührt / erfasst werden, gehören zu dieser Pos-Nummer und somit zu diesem Artikel. Jede Pos-Nummer ist ein eigenständiger Artikel, welchen Sie in der Auflistung finden.

Sie erhalten stets die aktuellste, neueste Produktversion zu der gewählten Pos-Nummer seitens des Herstellers. Es kann daher je nach Gerätealter vorkommen, dass Sie ggf. weitere, zugehörige Elemente, welche an diese Pos-Nummer grenzen, ebenfalls mittauschen müssen.

Nähere Informationen finden Sie unter dem Link
Hinweise zu Ihrer BOSCH Ersatzteilsuche

Beschreibung

Die aufgelisteten BOSCH Ersatzteile sind mit folgendem Gerät und Modell kompatibel:

BOSCH Gerätename:ART 25 F
BOSCH Typennummer:0600822432
alternative Schreibweisen:0 600 822 432, 0600 822 432, 0.600.822.432, 0-600-822-432

Bitte prüfen Sie die Typennummer auf Ihrem Gerät um die Kompatibilität des BOSCH Ersatzteils zu gewährleisten.

Die passenden Ersatzteile des BOSCH ART 25 F (Rasentrimmer) mit der Typennummer 0600822432 finden Sie in der nachfolgenden Darstellung geordnet nach der Positionsnummern aus der Explosionszeichnung:

Pos.
720/10
BOSCH Kunststoffseil Ø1,4 MM, L=24 M | Ersatzteile für ART 25 F | 1604700004
Hersteller: BOSCH
Artikelnummer: EB-0600822432-1604700004
nur Informationsartikel
Nie mehr lieferbar
keine Alternativen
Pos.
7
BOSCH Leitungshalter | Ersatzteile für ART 25 F | 2601035001
Hersteller: BOSCH
Artikelnummer: EB-0600822432-2601035001
Netto: 3,94 € zzgl. MwSt.
zzgl. 6,90 € Versand (brutto)
einmalig pro Bestellung

Lieferzeit: 5 Werktage

Stück
Pos.
8
BOSCH Typschild | Ersatzteile für ART 25 F | 1601118971
Hersteller: BOSCH
Artikelnummer: EB-0600822432-1601118971
Netto: 2,21 € zzgl. MwSt.
zzgl. 6,90 € Versand (brutto)
einmalig pro Bestellung

Lieferzeit: 5 Werktage

Stück
Pos.
9
BOSCH Firmenschild | Ersatzteile für ART 25 F | 1601118035
Hersteller: BOSCH
Artikelnummer: EB-0600822432-1601118035
nur Informationsartikel
Nie mehr lieferbar
keine Alternativen
Pos.
22
BOSCH Klemmhalter | Ersatzteile für ART 25 F | 1608040116
Hersteller: BOSCH
Artikelnummer: EB-0600822432-1608040116
nur Informationsartikel
Nie mehr lieferbar
keine Alternativen
Pos.
29
BOSCH Linsenschraube 4x18 MM,TORX T20 | Ersatzteile für ART 25 F | 2914201506
Hersteller: BOSCH
Artikelnummer: EB-0600822432-2914201506
Netto: 3,63 € zzgl. MwSt.
zzgl. 6,90 € Versand (brutto)
einmalig pro Bestellung

Lieferzeit: 5 Werktage

Stück
Pos.
30
BOSCH Messerplatte | Ersatzteile für ART 25 F | 1608635042
Hersteller: BOSCH
Artikelnummer: EB-0600822432-1608635042
nur Informationsartikel
Nie mehr lieferbar
keine Alternativen
Pos.
31
BOSCH Hinweisschild | Ersatzteile für ART 25 F | 1601118435
Hersteller: BOSCH
Artikelnummer: EB-0600822432-1601118435
nur Informationsartikel
Nie mehr lieferbar
keine Alternativen
Pos.
48
BOSCH Gummiplatte | Ersatzteile für ART 25 F | 1601016012
Hersteller: BOSCH
Artikelnummer: EB-0600822432-1601016012
nur Informationsartikel
Nie mehr lieferbar
keine Alternativen
Pos.
55
BOSCH Griffschale GRUEN | Ersatzteile für ART 25 F | 1605133040
Hersteller: BOSCH
Artikelnummer: EB-0600822432-1605133040
nur Informationsartikel
Nie mehr lieferbar
keine Alternativen
Pos.
720
BOSCH Fadenspender | Ersatzteile für ART 25 F | F016800002
Hersteller: BOSCH
Artikelnummer: EB-0600822432-F016800002
nur Informationsartikel
Nie mehr lieferbar
keine Alternativen
Pos.
801
BOSCH Motorgehäuse GRUEN | Ersatzteile für ART 25 F | 1607000849
Hersteller: BOSCH
Artikelnummer: EB-0600822432-1607000849
nur Informationsartikel
Nie mehr lieferbar
keine Alternativen
Pos.
803
BOSCH Wechselstrommotor | Ersatzteile für ART 25 F | 1607000850
Hersteller: BOSCH
Artikelnummer: EB-0600822432-1607000850
nur Informationsartikel
Nie mehr lieferbar
keine Alternativen
Pos.
804
BOSCH Schalter | Ersatzteile für ART 25 F | 1607200116
Hersteller: BOSCH
Artikelnummer: EB-0600822432-1607200116
nur Informationsartikel
Nie mehr lieferbar
keine Alternativen
Pos.
805
BOSCH Netzanschlussleitung CH 0,4m 2 x 1,0mm H05 VV-F | Ersatzteile für ART 25 F | 1604460437
Hersteller: BOSCH
Artikelnummer: EB-0600822432-1604460437
nur Informationsartikel
Nie mehr lieferbar
keine Alternativen
Pos.
806
BOSCH Tülle Ø7,2-Ø9,5x81 MM | Ersatzteile für ART 25 F | 1600703026
Hersteller: BOSCH
Artikelnummer: EB-0600822432-1600703026
Netto: 4,32 € zzgl. MwSt.
zzgl. 6,90 € Versand (brutto)
einmalig pro Bestellung

Lieferzeit: 5 Werktage

Stück
Pos.
812
BOSCH Entstörfilter | Ersatzteile für ART 25 F | 1607328028
Hersteller: BOSCH
Artikelnummer: EB-0600822432-1607328028
Netto: 6,15 € zzgl. MwSt.
zzgl. 6,90 € Versand (brutto)
einmalig pro Bestellung

Lieferzeit: 5 Werktage

Stück
Pos.
815
BOSCH Fadenspender | Ersatzteile für ART 25 F | F016102658
Hersteller: BOSCH
Artikelnummer: EB-0600822432-F016102658
nur Informationsartikel
Nie mehr lieferbar
keine Alternativen
Pos.
821
BOSCH Schutzhaube | Ersatzteile für ART 25 F | 1607000954
Hersteller: BOSCH
Artikelnummer: EB-0600822432-1607000954
nur Informationsartikel
Nie mehr lieferbar
keine Alternativen
Pos.
852
BOSCH Führungsrohr | Ersatzteile für ART 25 F | 1607000869
Hersteller: BOSCH
Artikelnummer: EB-0600822432-1607000869
nur Informationsartikel
Nie mehr lieferbar
keine Alternativen
Pos.
858
BOSCH Führungshülse SCHWARZ | Ersatzteile für ART 25 F | 1600499008
Hersteller: BOSCH
Artikelnummer: EB-0600822432-1600499008
nur Informationsartikel
Nie mehr lieferbar
keine Alternativen
Pos.
859
BOSCH Anschlagplatte | Ersatzteile für ART 25 F | 1602388032
Hersteller: BOSCH
Artikelnummer: EB-0600822432-1602388032
nur Informationsartikel
Nie mehr lieferbar
keine Alternativen
Pos.
860
BOSCH Federhülse | Ersatzteile für ART 25 F | 1600499009
Hersteller: BOSCH
Artikelnummer: EB-0600822432-1600499009
nur Informationsartikel
Nie mehr lieferbar
keine Alternativen
Pos.
861
BOSCH Druckfeder | Ersatzteile für ART 25 F | 1604615013
Hersteller: BOSCH
Artikelnummer: EB-0600822432-1604615013
nur Informationsartikel
Nie mehr lieferbar
keine Alternativen

Angaben zur Produktsicherheit

Hersteller:
Robert Bosch Power Tools GmbH
Postfach 30 02 20
70442 Stuttgart

E-Mail:
kontakt@bosch.de