BOSCH ASG 3 - 0603920024

Artikelnummer: EB-0603920024

Position:

Marke: BOSCH


Bitte Kompatibilität prüfen!

Bitte prüfen Sie unbedingt die 10-stellige Typennummer Ihrer Maschine / Ihres Gerätes. Das Ersatzteil ist nur kompatibel, wenn Sie die Typennummer Ihrer Maschine in der unten stehenden Produktbeschreibung finden.

Bitte prüfen Sie ebenfalls detailliert die Explosionszeichnung mit Ihrem Artikelwunsch und der jeweiligen Pos-Nummer.

Alle Elemente, welche vom schwarzen Strich der Pos-Nummer ausgehend berührt / erfasst werden, gehören zu dieser Pos-Nummer und somit zu diesem Artikel. Jede Pos-Nummer ist ein eigenständiger Artikel, welchen Sie in der Auflistung finden.

Sie erhalten stets die aktuellste, neueste Produktversion zu der gewählten Pos-Nummer seitens des Herstellers. Es kann daher je nach Gerätealter vorkommen, dass Sie ggf. weitere, zugehörige Elemente, welche an diese Pos-Nummer grenzen, ebenfalls mittauschen müssen.

Nähere Informationen finden Sie unter dem Link
Hinweise zu Ihrer BOSCH Ersatzteilsuche

Beschreibung

Die aufgelisteten BOSCH Ersatzteile sind mit folgendem Gerät und Modell kompatibel:

BOSCH Gerätename:ASG 3
BOSCH Typennummer:0603920024
alternative Schreibweisen:0 603 920 024, 0603 920 024, 0.603.920.024, 0-603-920-024

Bitte prüfen Sie die Typennummer auf Ihrem Gerät um die Kompatibilität des BOSCH Ersatzteils zu gewährleisten.

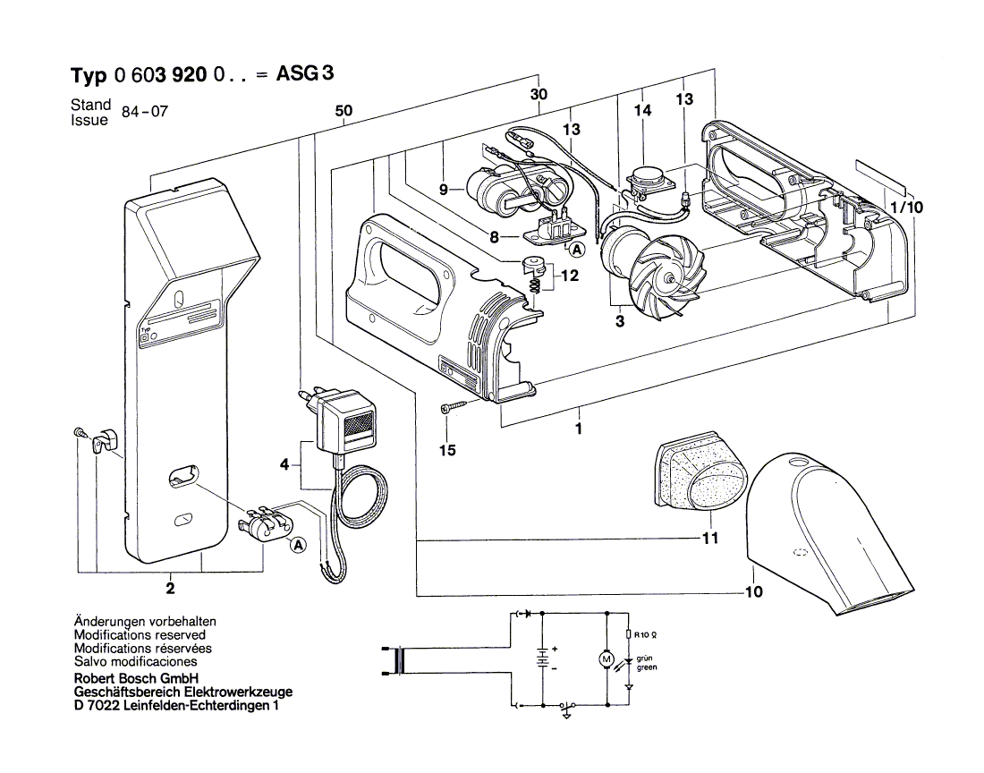
Die passenden Ersatzteile des BOSCH ASG 3 (Akku-Sauger) mit der Typennummer 0603920024 finden Sie in der nachfolgenden Darstellung geordnet nach der Positionsnummern aus der Explosionszeichnung:

Pos.
1
BOSCH Motorgehäuse GRUEN | Ersatzteile für ASG 3 | 1609201423
Hersteller: BOSCH
Artikelnummer: EB-0603920024-1609201423
nur Informationsartikel
Nie mehr lieferbar
keine Alternativen
Pos.
1/10
BOSCH Hinweisschild | Ersatzteile für ASG 3 | 1601110298
Hersteller: BOSCH
Artikelnummer: EB-0603920024-1601110298
nur Informationsartikel
Nie mehr lieferbar
keine Alternativen
Pos.
2
BOSCH Befestigungshalter SCHWARZ | Ersatzteile für ASG 3 | 1609201434
Hersteller: BOSCH
Artikelnummer: EB-0603920024-1609201434
nur Informationsartikel
Nie mehr lieferbar
keine Alternativen
Pos.
3
BOSCH Gleichstrommotor 3,6V | Ersatzteile für ASG 3 | 1609201425
Hersteller: BOSCH
Artikelnummer: EB-0603920024-1609201425
nur Informationsartikel
Nie mehr lieferbar
keine Alternativen
Pos.
8
BOSCH Steckdoseneinsatz | Ersatzteile für ASG 3 | 1609201427
Hersteller: BOSCH
Artikelnummer: EB-0603920024-1609201427
nur Informationsartikel
Nie mehr lieferbar
keine Alternativen
Pos.
9
BOSCH Batterie-Set | Ersatzteile für ASG 3 | 1609201430
Hersteller: BOSCH
Artikelnummer: EB-0603920024-1609201430
nur Informationsartikel
Nie mehr lieferbar
keine Alternativen
Pos.
10
BOSCH Saugdüse GRUEN | Ersatzteile für ASG 3 | 1609201431
Hersteller: BOSCH
Artikelnummer: EB-0603920024-1609201431
nur Informationsartikel
Nie mehr lieferbar
keine Alternativen
Pos.
11
BOSCH Staubbeutel | Ersatzteile für ASG 3 | 1609201398
Hersteller: BOSCH
Artikelnummer: EB-0603920024-1609201398
nur Informationsartikel
Nie mehr lieferbar
keine Alternativen
Pos.
12
BOSCH Drucktaste | Ersatzteile für ASG 3 | 1609201424
Hersteller: BOSCH
Artikelnummer: EB-0603920024-1609201424
nur Informationsartikel
Nie mehr lieferbar
keine Alternativen
Pos.
13
BOSCH Verbindungsleitung | Ersatzteile für ASG 3 | 1609201426
Hersteller: BOSCH
Artikelnummer: EB-0603920024-1609201426
nur Informationsartikel
Nie mehr lieferbar
keine Alternativen
Pos.
14
BOSCH Ein/Aus-Schalter | Ersatzteile für ASG 3 | 1609201432
Hersteller: BOSCH
Artikelnummer: EB-0603920024-1609201432
nur Informationsartikel
Nie mehr lieferbar
keine Alternativen
Pos.
15
BOSCH Blechschraube | Ersatzteile für ASG 3 | 1609201567
Hersteller: BOSCH
Artikelnummer: EB-0603920024-1609201567
nur Informationsartikel
Nie mehr lieferbar
keine Alternativen
Pos.
30
BOSCH Akku-Sauger 3,6V + AKKU OHNE LADEGERAET | Ersatzteile für ASG 3 | 0603920024
Hersteller: BOSCH
Artikelnummer: EB-0603920024-0603920024
nur Informationsartikel
Nie mehr lieferbar
keine Alternativen
Pos.
50
BOSCH Akku-Sauger 3,6V | Ersatzteile für ASG 3 | 0603920042
Hersteller: BOSCH
Artikelnummer: EB-0603920024-0603920042
nur Informationsartikel
Nie mehr lieferbar
keine Alternativen
Pos.
50
BOSCH Akku-Sauger 3,6V + AKKU OHNE LADEGERAET | Ersatzteile für ASG 3 | 0603920003
Hersteller: BOSCH
Artikelnummer: EB-0603920024-0603920003
nur Informationsartikel
Nie mehr lieferbar
keine Alternativen

Angaben zur Produktsicherheit

Hersteller:
Robert Bosch Power Tools GmbH
Postfach 30 02 20
70442 Stuttgart

E-Mail:
kontakt@bosch.de