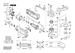
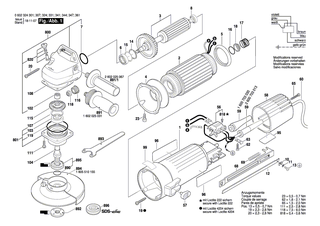
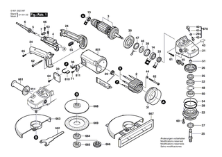
BOSCH Aufnahmeflansch Ø22,3xØ42 MM | Ersatzteile für GWS 9-125 CS, GWS 9-125 CM - 2605703014
-
Vergleichsliste
- Bitte fügen Sie mindestens 2 Artikel hinzu, um den Vergleich durchzuführen.
GRATIS VERSAND AB 200 EUR*
MARKENQUALITÄT ZU TOP-PREISEN
SCHNELLE LIEFERUNG
- 0,00 € *
-
Anmelden
- Anmelden sicher
-
Ich bin Neukunde
Jetzt kostenlos registrieren

- Service
- 0,00 € *
-
Anmelden
- Anmelden sicher
-
Ich bin Neukunde
Jetzt kostenlos registrieren

- Service
- Übersicht
- Ersatzteile
- BOSCH Ersatzteile
- BOSCH Ersatzteile
- BOSCH Aufnahmeflansch Ø22,3xØ42 MM | Ersatzteile für GWS 9-125 CS, GWS 9-125 CM - 2605703014