BOSCH B 2300 - 0603933435

Artikelnummer: EB-0603933435

Position:

Marke: BOSCH


Bitte Kompatibilität prüfen!

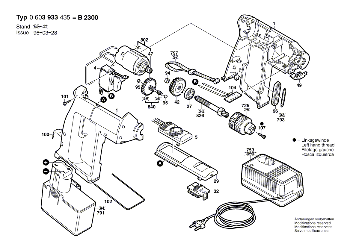
Bitte prüfen Sie unbedingt die 10-stellige Typennummer Ihrer Maschine / Ihres Gerätes. Das Ersatzteil ist nur kompatibel, wenn Sie die Typennummer Ihrer Maschine in der unten stehenden Produktbeschreibung finden.

Bitte prüfen Sie ebenfalls detailliert die Explosionszeichnung mit Ihrem Artikelwunsch und der jeweiligen Pos-Nummer.

Alle Elemente, welche vom schwarzen Strich der Pos-Nummer ausgehend berührt / erfasst werden, gehören zu dieser Pos-Nummer und somit zu diesem Artikel. Jede Pos-Nummer ist ein eigenständiger Artikel, welchen Sie in der Auflistung finden.

Sie erhalten stets die aktuellste, neueste Produktversion zu der gewählten Pos-Nummer seitens des Herstellers. Es kann daher je nach Gerätealter vorkommen, dass Sie ggf. weitere, zugehörige Elemente, welche an diese Pos-Nummer grenzen, ebenfalls mittauschen müssen.

Nähere Informationen finden Sie unter dem Link
Hinweise zu Ihrer BOSCH Ersatzteilsuche

Beschreibung

Die aufgelisteten BOSCH Ersatzteile sind mit folgendem Gerät und Modell kompatibel:

BOSCH Gerätename:B 2300
BOSCH Typennummer:0603933435
alternative Schreibweisen:0 603 933 435, 0603 933 435, 0.603.933.435, 0-603-933-435

Bitte prüfen Sie die Typennummer auf Ihrem Gerät um die Kompatibilität des BOSCH Ersatzteils zu gewährleisten.

Die passenden Ersatzteile des BOSCH B 2300 (Gw-Akku-Schrauber) mit der Typennummer 0603933435 finden Sie in der nachfolgenden Darstellung geordnet nach der Positionsnummern aus der Explosionszeichnung:

Pos.
1
BOSCH Gehäuseschale BLAU | Ersatzteile für B 2300 | 2605104466
Hersteller: BOSCH
Artikelnummer: EB-0603933435-2605104466
nur Informationsartikel
Nie mehr lieferbar
keine Alternativen
Pos.
4
BOSCH Ein/Aus-Schalter | Ersatzteile für B 2300 | 2607200395
Hersteller: BOSCH
Artikelnummer: EB-0603933435-2607200395
nur Informationsartikel
Nie mehr lieferbar
keine Alternativen
Pos.
5
BOSCH Drehmomentregler | Ersatzteile für B 2300 | 2607233030
Hersteller: BOSCH
Artikelnummer: EB-0603933435-2607233030
nur Informationsartikel
Nie mehr lieferbar
keine Alternativen
Pos.
27
BOSCH Rillenkugellager 10x26x8 | Ersatzteile für B 2300 | 1900905120
Hersteller: BOSCH
Artikelnummer: EB-0603933435-1900905120
nur Informationsartikel
Nie mehr lieferbar
keine Alternativen
Pos.
29
BOSCH Einsatzstück SCHWARZ | Ersatzteile für B 2300 | 2605510116
Hersteller: BOSCH
Artikelnummer: EB-0603933435-2605510116
nur Informationsartikel
Nie mehr lieferbar
keine Alternativen
Pos.
32
BOSCH Verstellscheibe GELB | Ersatzteile für B 2300 | 2601099058
Hersteller: BOSCH
Artikelnummer: EB-0603933435-2601099058
nur Informationsartikel
Nie mehr lieferbar
keine Alternativen
Pos.
42
BOSCH Zahnradsatz Z=58/67 | Ersatzteile für B 2300 | 1609340007
Hersteller: BOSCH
Artikelnummer: EB-0603933435-1609340007
Netto: 12,32 € zzgl. MwSt.
zzgl. 6,90 € Versand (brutto)
einmalig pro Bestellung

Lieferzeit: 5 Werktage

Stück
Pos.
47
BOSCH Ritzel Z=11 | Ersatzteile für B 2300 | 2606316112
Hersteller: BOSCH
Artikelnummer: EB-0603933435-2606316112
nur Informationsartikel
Nie mehr lieferbar
keine Alternativen
Pos.
49
BOSCH Einsatzstück SCHWARZ | Ersatzteile für B 2300 | 2605510117
Hersteller: BOSCH
Artikelnummer: EB-0603933435-2605510117
nur Informationsartikel
Nie mehr lieferbar
keine Alternativen
Pos.
94
BOSCH Sinterbuchse | Ersatzteile für B 2300 | 2600301011
Hersteller: BOSCH
Artikelnummer: EB-0603933435-2600301011
nur Informationsartikel
Nie mehr lieferbar
keine Alternativen
Pos.
95
BOSCH Sinterbuchse | Ersatzteile für B 2300 | 2600302002
Hersteller: BOSCH
Artikelnummer: EB-0603933435-2600302002
nur Informationsartikel
Nie mehr lieferbar
keine Alternativen
Pos.
96
BOSCH Einlage | Ersatzteile für B 2300 | 2600290022
Hersteller: BOSCH
Artikelnummer: EB-0603933435-2600290022
nur Informationsartikel
Nie mehr lieferbar
keine Alternativen
Pos.
100
BOSCH Klemmfeder | Ersatzteile für B 2300 | 2601322016
Hersteller: BOSCH
Artikelnummer: EB-0603933435-2601322016
nur Informationsartikel
Nie mehr lieferbar
keine Alternativen
Pos.
101
BOSCH Blechschraube DIN7981-ST3,9x19-F-Z | Ersatzteile für B 2300 | 2912401420
Hersteller: BOSCH
Artikelnummer: EB-0603933435-2912401420
nur Informationsartikel
Nie mehr lieferbar
keine Alternativen
Pos.
102
BOSCH Haltebügel | Ersatzteile für B 2300 | 2601329041
Hersteller: BOSCH
Artikelnummer: EB-0603933435-2601329041
nur Informationsartikel
Nie mehr lieferbar
keine Alternativen
Pos.
104
BOSCH Kontakthalter | Ersatzteile für B 2300 | 2608018004
Hersteller: BOSCH
Artikelnummer: EB-0603933435-2608018004
nur Informationsartikel
Nie mehr lieferbar
keine Alternativen
Pos.
107
BOSCH Senkschraube M5x20 | Ersatzteile für B 2300 | 2609110721
Hersteller: BOSCH
Artikelnummer: EB-0603933435-2609110721
Netto: 4,33 € zzgl. MwSt.
zzgl. 6,90 € Versand (brutto)
einmalig pro Bestellung

Lieferzeit: 5 Werktage

Stück
Pos.
725
BOSCH Schnellspannbohrfutter Ø 1-10 MM,3/8" | Ersatzteile für B 2300 | 2608572068
Hersteller: BOSCH
Artikelnummer: EB-0603933435-2608572068
Netto: 61,73 € zzgl. MwSt.
zzgl. 6,90 € Versand (brutto)
einmalig pro Bestellung

Lieferzeit: 5 Werktage

Stück
Pos.
753
BOSCH Schnell-Lader USA 120/7,2-24V, 1h | Ersatzteile für B 2300 | 2607224431
Hersteller: BOSCH
Artikelnummer: EB-0603933435-2607224431
Netto: 114,51 € zzgl. MwSt.
zzgl. 6,90 € Versand (brutto)
einmalig pro Bestellung

Lieferzeit: 5 Werktage

Stück
Pos.
791
BOSCH Akku-Paket 12V,1,2Ah,NiCd | Ersatzteile für B 2300 | 2607335090
Hersteller: BOSCH
Artikelnummer: EB-0603933435-2607335090
nur Informationsartikel
Nie mehr lieferbar
keine Alternativen
Pos.
793
BOSCH Schrauberklinge 6 MM | Ersatzteile für B 2300 | 1609200147
Hersteller: BOSCH
Artikelnummer: EB-0603933435-1609200147
Netto: 5,13 € zzgl. MwSt.
zzgl. 6,90 € Versand (brutto)
einmalig pro Bestellung

Lieferzeit: 5 Werktage

Stück
Pos.
797
BOSCH Tragschlaufe | Ersatzteile für B 2300 | 2601398009
Hersteller: BOSCH
Artikelnummer: EB-0603933435-2601398009
nur Informationsartikel
Nie mehr lieferbar
keine Alternativen
Pos.
802
BOSCH Gleichstrommotor 12V | Ersatzteile für B 2300 | 2607022925
Hersteller: BOSCH
Artikelnummer: EB-0603933435-2607022925
nur Informationsartikel
Nie mehr lieferbar
keine Alternativen
Pos.
826
BOSCH Bohrspindel 3/8" | Ersatzteile für B 2300 | 2606309915
Hersteller: BOSCH
Artikelnummer: EB-0603933435-2606309915
nur Informationsartikel
Nie mehr lieferbar
keine Alternativen
Pos.
840
BOSCH Zahnwelle Z=10/19/81 | Ersatzteile für B 2300 | 1609340005
Hersteller: BOSCH
Artikelnummer: EB-0603933435-1609340005
nur Informationsartikel
Nie mehr lieferbar
keine Alternativen
Pos.
899
BOSCH Hw-Akku-Bohrmaschine | Ersatzteile für B 2300 | 0603933490
Hersteller: BOSCH
Artikelnummer: EB-0603933435-0603933490
nur Informationsartikel
Nie mehr lieferbar
keine Alternativen

Angaben zur Produktsicherheit

Hersteller:
Robert Bosch Power Tools GmbH
Postfach 30 02 20
70442 Stuttgart

E-Mail:
kontakt@bosch.de