BOSCH B 5678 - 0601657035

Artikelnummer: EB-0601657035

Position:

Marke: BOSCH


Bitte Kompatibilität prüfen!

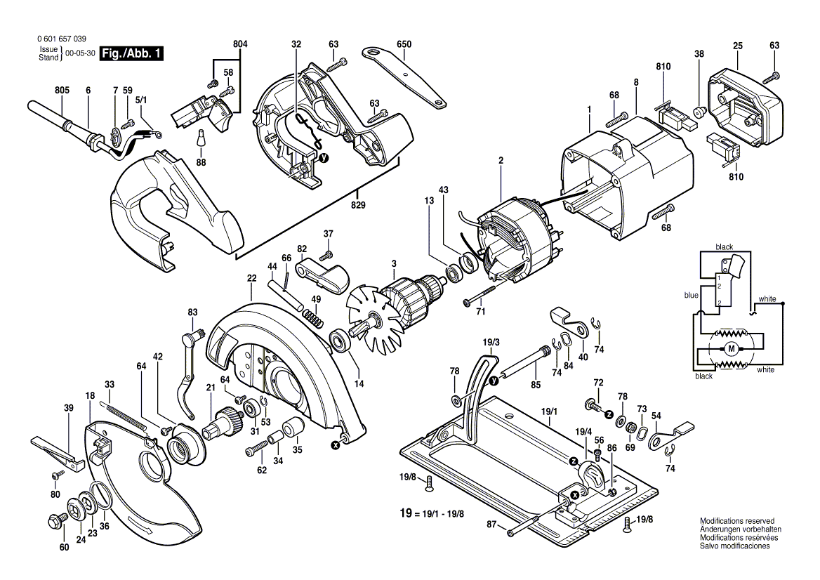
Bitte prüfen Sie unbedingt die 10-stellige Typennummer Ihrer Maschine / Ihres Gerätes. Das Ersatzteil ist nur kompatibel, wenn Sie die Typennummer Ihrer Maschine in der unten stehenden Produktbeschreibung finden.

Bitte prüfen Sie ebenfalls detailliert die Explosionszeichnung mit Ihrem Artikelwunsch und der jeweiligen Pos-Nummer.

Alle Elemente, welche vom schwarzen Strich der Pos-Nummer ausgehend berührt / erfasst werden, gehören zu dieser Pos-Nummer und somit zu diesem Artikel. Jede Pos-Nummer ist ein eigenständiger Artikel, welchen Sie in der Auflistung finden.

Sie erhalten stets die aktuellste, neueste Produktversion zu der gewählten Pos-Nummer seitens des Herstellers. Es kann daher je nach Gerätealter vorkommen, dass Sie ggf. weitere, zugehörige Elemente, welche an diese Pos-Nummer grenzen, ebenfalls mittauschen müssen.

Nähere Informationen finden Sie unter dem Link
Hinweise zu Ihrer BOSCH Ersatzteilsuche

Beschreibung

Die aufgelisteten BOSCH Ersatzteile sind mit folgendem Gerät und Modell kompatibel:

BOSCH Gerätename:B 5678
BOSCH Typennummer:0601657035
alternative Schreibweisen:0 601 657 035, 0601 657 035, 0.601.657.035, 0-601-657-035

Bitte prüfen Sie die Typennummer auf Ihrem Gerät um die Kompatibilität des BOSCH Ersatzteils zu gewährleisten.

Die passenden Ersatzteile des BOSCH B 5678 (Gw-Handkreissäge) mit der Typennummer 0601657035 finden Sie in der nachfolgenden Darstellung geordnet nach der Positionsnummern aus der Explosionszeichnung:

Pos.
1
BOSCH Gerätegehäuse | Ersatzteile für B 5678 | 2610904128
Hersteller: BOSCH
Artikelnummer: EB-0601657035-2610904128
nur Informationsartikel
Nie mehr lieferbar
keine Alternativen
Pos.
19/1
BOSCH Aufspannplatte | Ersatzteile für B 5678 | 2610352094
Hersteller: BOSCH
Artikelnummer: EB-0601657035-2610352094
nur Informationsartikel
Nie mehr lieferbar
keine Alternativen
Pos.
19/1
BOSCH Führungsklotz | Ersatzteile für B 5678 | 2610905042
Hersteller: BOSCH
Artikelnummer: EB-0601657035-2610905042
nur Informationsartikel
Nie mehr lieferbar
keine Alternativen
Pos.
19/3
BOSCH Haltearm | Ersatzteile für B 5678 | 2610901951
Hersteller: BOSCH
Artikelnummer: EB-0601657035-2610901951
nur Informationsartikel
Nie mehr lieferbar
keine Alternativen
Pos.
19/3
BOSCH Tiefenanschlag | Ersatzteile für B 5678 | 2610904152
Hersteller: BOSCH
Artikelnummer: EB-0601657035-2610904152
nur Informationsartikel
Nie mehr lieferbar
keine Alternativen
Pos.
19/4
BOSCH Führungsbügel | Ersatzteile für B 5678 | 2610904150
Hersteller: BOSCH
Artikelnummer: EB-0601657035-2610904150
nur Informationsartikel
Nie mehr lieferbar
keine Alternativen
Pos.
19/8
BOSCH Blechschraube | Ersatzteile für B 5678 | 2610352119
Hersteller: BOSCH
Artikelnummer: EB-0601657035-2610352119
nur Informationsartikel
Nie mehr lieferbar
keine Alternativen
Pos.
5/1
BOSCH Anschlussklemme | Ersatzteile für B 5678 | 2610316596
Hersteller: BOSCH
Artikelnummer: EB-0601657035-2610316596
nur Informationsartikel
Nie mehr lieferbar
keine Alternativen
Pos.
2
BOSCH Ständer 120V | Ersatzteile für B 5678 | 2610904109
Hersteller: BOSCH
Artikelnummer: EB-0601657035-2610904109
nur Informationsartikel
Nie mehr lieferbar
keine Alternativen
Pos.
3
BOSCH Anker 120V | Ersatzteile für B 5678 | 2610908399
Hersteller: BOSCH
Artikelnummer: EB-0601657035-2610908399
nur Informationsartikel
Nie mehr lieferbar
keine Alternativen
Pos.
6
BOSCH Tülle | Ersatzteile für B 5678 | 2610313327
Hersteller: BOSCH
Artikelnummer: EB-0601657035-2610313327
nur Informationsartikel
Nie mehr lieferbar
keine Alternativen
Pos.
7
BOSCH Leitungshalter | Ersatzteile für B 5678 | 2610364033
Hersteller: BOSCH
Artikelnummer: EB-0601657035-2610364033
Netto: 4,54 € zzgl. MwSt.
zzgl. 6,90 € Versand (brutto)
einmalig pro Bestellung

Lieferzeit: 5 Werktage

Stück
Pos.
8
BOSCH Typschild | Ersatzteile für B 5678 | 2610906759
Hersteller: BOSCH
Artikelnummer: EB-0601657035-2610906759
nur Informationsartikel
Nie mehr lieferbar
keine Alternativen
Pos.
13
BOSCH Rillenkugellager | Ersatzteile für B 5678 | 2610017348
Hersteller: BOSCH
Artikelnummer: EB-0601657035-2610017348
nur Informationsartikel
Nie mehr lieferbar
keine Alternativen
Pos.
14
BOSCH Rillenkugellager | Ersatzteile für B 5678 | 2610350311
Hersteller: BOSCH
Artikelnummer: EB-0601657035-2610350311
Netto: 10,47 € zzgl. MwSt.
zzgl. 6,90 € Versand (brutto)
einmalig pro Bestellung

Lieferzeit: 5 Werktage

Stück
Pos.
18
BOSCH Pendelschutzhaube | Ersatzteile für B 5678 | 2610346580
Hersteller: BOSCH
Artikelnummer: EB-0601657035-2610346580
nur Informationsartikel
Nie mehr lieferbar
keine Alternativen
Pos.
19
BOSCH Grundplatte | Ersatzteile für B 5678 | 2610905036
Hersteller: BOSCH
Artikelnummer: EB-0601657035-2610905036
nur Informationsartikel
Nie mehr lieferbar
keine Alternativen
Pos.
21
BOSCH Zahnradwelle | Ersatzteile für B 5678 | 2610355586
Hersteller: BOSCH
Artikelnummer: EB-0601657035-2610355586
Netto: 23,33 € zzgl. MwSt.
zzgl. 6,90 € Versand (brutto)
einmalig pro Bestellung

Lieferzeit: 5 Werktage

Stück
Pos.
22
BOSCH Gehäusevorderteil | Ersatzteile für B 5678 | 2610905047
Hersteller: BOSCH
Artikelnummer: EB-0601657035-2610905047
nur Informationsartikel
Nie mehr lieferbar
keine Alternativen
Pos.
23
BOSCH Flansch 5/8" | Ersatzteile für B 5678 | 2610350668
Hersteller: BOSCH
Artikelnummer: EB-0601657035-2610350668
Netto: 7,58 € zzgl. MwSt.
zzgl. 6,90 € Versand (brutto)
einmalig pro Bestellung

Lieferzeit: 5 Werktage

Stück
Pos.
24
BOSCH Scheibe | Ersatzteile für B 5678 | 1619X00934
Hersteller: BOSCH
Artikelnummer: EB-0601657035-1619X00934
nur Informationsartikel
Nie mehr lieferbar
keine Alternativen
Pos.
25
BOSCH Abdeckung | Ersatzteile für B 5678 | 2610904100
Hersteller: BOSCH
Artikelnummer: EB-0601657035-2610904100
nur Informationsartikel
Nie mehr lieferbar
keine Alternativen
Pos.
31
BOSCH Kugellager | Ersatzteile für B 5678 | 1619P01511
Hersteller: BOSCH
Artikelnummer: EB-0601657035-1619P01511
Netto: 7,18 € zzgl. MwSt.
zzgl. 6,90 € Versand (brutto)
einmalig pro Bestellung

Lieferzeit: 5 Werktage

Stück
Pos.
32
BOSCH Klemme | Ersatzteile für B 5678 | 2610350663
Hersteller: BOSCH
Artikelnummer: EB-0601657035-2610350663
nur Informationsartikel
Nie mehr lieferbar
keine Alternativen
Pos.
33
BOSCH Zugfeder | Ersatzteile für B 5678 | 2610347486
Hersteller: BOSCH
Artikelnummer: EB-0601657035-2610347486
Netto: 4,76 € zzgl. MwSt.
zzgl. 6,90 € Versand (brutto)
einmalig pro Bestellung

Lieferzeit: 5 Werktage

Stück
Pos.
34
BOSCH Abstandshalter | Ersatzteile für B 5678 | 2610341366
Hersteller: BOSCH
Artikelnummer: EB-0601657035-2610341366
nur Informationsartikel
Nie mehr lieferbar
keine Alternativen
Pos.
35
BOSCH Anschlag | Ersatzteile für B 5678 | 2610341394
Hersteller: BOSCH
Artikelnummer: EB-0601657035-2610341394
nur Informationsartikel
Nie mehr lieferbar
keine Alternativen
Pos.
36
BOSCH Sicherungsring | Ersatzteile für B 5678 | 2610341359
Hersteller: BOSCH
Artikelnummer: EB-0601657035-2610341359
nur Informationsartikel
Nie mehr lieferbar
keine Alternativen
Pos.
37
BOSCH Schraube ROT | Ersatzteile für B 5678 | 2610354611
Hersteller: BOSCH
Artikelnummer: EB-0601657035-2610354611
nur Informationsartikel
Nie mehr lieferbar
keine Alternativen
Pos.
38
BOSCH Gummipuffer | Ersatzteile für B 5678 | 2610350655
Hersteller: BOSCH
Artikelnummer: EB-0601657035-2610350655
Netto: 3,93 € zzgl. MwSt.
zzgl. 6,90 € Versand (brutto)
einmalig pro Bestellung

Lieferzeit: 5 Werktage

Stück
Pos.
39
BOSCH Hebel | Ersatzteile für B 5678 | 2610351898
Hersteller: BOSCH
Artikelnummer: EB-0601657035-2610351898
nur Informationsartikel
Nie mehr lieferbar
keine Alternativen
Pos.
40
BOSCH Hebel | Ersatzteile für B 5678 | 2610350665
Hersteller: BOSCH
Artikelnummer: EB-0601657035-2610350665
Netto: 4,76 € zzgl. MwSt.
zzgl. 6,90 € Versand (brutto)
einmalig pro Bestellung

Lieferzeit: 5 Werktage

Stück
Pos.
42
BOSCH Lagerdeckel | Ersatzteile für B 5678 | 2610350678
Hersteller: BOSCH
Artikelnummer: EB-0601657035-2610350678
Netto: 16,45 € zzgl. MwSt.
zzgl. 6,90 € Versand (brutto)
einmalig pro Bestellung

Lieferzeit: 5 Werktage

Stück
Pos.
43
BOSCH Gummiring | Ersatzteile für B 5678 | 1619P01127
Hersteller: BOSCH
Artikelnummer: EB-0601657035-1619P01127
Netto: 3,59 € zzgl. MwSt.
zzgl. 6,90 € Versand (brutto)
einmalig pro Bestellung

Lieferzeit: 5 Werktage

Stück
Pos.
44
BOSCH Verschlussbolzen | Ersatzteile für B 5678 | 2610351295
Hersteller: BOSCH
Artikelnummer: EB-0601657035-2610351295
Netto: 8,94 € zzgl. MwSt.
zzgl. 6,90 € Versand (brutto)
einmalig pro Bestellung

Lieferzeit: 5 Werktage

Stück
Pos.
49
BOSCH Feder | Ersatzteile für B 5678 | 2610350667
Hersteller: BOSCH
Artikelnummer: EB-0601657035-2610350667
Netto: 4,33 € zzgl. MwSt.
zzgl. 6,90 € Versand (brutto)
einmalig pro Bestellung

Lieferzeit: 5 Werktage

Stück
Pos.
53
BOSCH Sicherungsring | Ersatzteile für B 5678 | 2610350683
Hersteller: BOSCH
Artikelnummer: EB-0601657035-2610350683
Netto: 4,33 € zzgl. MwSt.
zzgl. 6,90 € Versand (brutto)
einmalig pro Bestellung

Lieferzeit: 5 Werktage

Stück
Pos.
54
BOSCH Hebel | Ersatzteile für B 5678 | 2610901987
Hersteller: BOSCH
Artikelnummer: EB-0601657035-2610901987
Netto: 4,54 € zzgl. MwSt.
zzgl. 6,90 € Versand (brutto)
einmalig pro Bestellung

Lieferzeit: 5 Werktage

Stück
Pos.
56
BOSCH Schraube | Ersatzteile für B 5678 | 2610350698
Hersteller: BOSCH
Artikelnummer: EB-0601657035-2610350698
Netto: 3,60 € zzgl. MwSt.
zzgl. 6,90 € Versand (brutto)
einmalig pro Bestellung

Lieferzeit: 5 Werktage

Stück
Pos.
58
BOSCH Schraube | Ersatzteile für B 5678 | 2610901971
Hersteller: BOSCH
Artikelnummer: EB-0601657035-2610901971
nur Informationsartikel
Nie mehr lieferbar
keine Alternativen
Pos.
59
BOSCH Schraube | Ersatzteile für B 5678 | 1619X00504
Hersteller: BOSCH
Artikelnummer: EB-0601657035-1619X00504
Netto: 3,59 € zzgl. MwSt.
zzgl. 6,90 € Versand (brutto)
einmalig pro Bestellung

Lieferzeit: 5 Werktage

Stück
Pos.
60
BOSCH Bolzen | Ersatzteile für B 5678 | 2610016657
Hersteller: BOSCH
Artikelnummer: EB-0601657035-2610016657
nur Informationsartikel
Nie mehr lieferbar
keine Alternativen
Pos.
62
BOSCH Schraube | Ersatzteile für B 5678 | 2610347100
Hersteller: BOSCH
Artikelnummer: EB-0601657035-2610347100
nur Informationsartikel
Nie mehr lieferbar
keine Alternativen
Pos.
63
BOSCH Schraube | Ersatzteile für B 5678 | 1619P01505
Hersteller: BOSCH
Artikelnummer: EB-0601657035-1619P01505
nur Informationsartikel
Nie mehr lieferbar
keine Alternativen
Pos.
64
BOSCH Kontaktschraube | Ersatzteile für B 5678 | 1619X01786
Hersteller: BOSCH
Artikelnummer: EB-0601657035-1619X01786
nur Informationsartikel
Nie mehr lieferbar
keine Alternativen
Pos.
66
BOSCH Spannstift | Ersatzteile für B 5678 | 2610020656
Hersteller: BOSCH
Artikelnummer: EB-0601657035-2610020656
Netto: 4,33 € zzgl. MwSt.
zzgl. 6,90 € Versand (brutto)
einmalig pro Bestellung

Lieferzeit: 5 Werktage

Stück
Pos.
68
BOSCH Schraube | Ersatzteile für B 5678 | 2610341335
Hersteller: BOSCH
Artikelnummer: EB-0601657035-2610341335
Netto: 4,33 € zzgl. MwSt.
zzgl. 6,90 € Versand (brutto)
einmalig pro Bestellung

Lieferzeit: 5 Werktage

Stück
Pos.
69
BOSCH Rundmutter | Ersatzteile für B 5678 | 2610901988
Hersteller: BOSCH
Artikelnummer: EB-0601657035-2610901988
Netto: 4,54 € zzgl. MwSt.
zzgl. 6,90 € Versand (brutto)
einmalig pro Bestellung

Lieferzeit: 5 Werktage

Stück
Pos.
71
BOSCH Schraube | Ersatzteile für B 5678 | 1619P01508
Hersteller: BOSCH
Artikelnummer: EB-0601657035-1619P01508
Netto: 3,59 € zzgl. MwSt.
zzgl. 6,90 € Versand (brutto)
einmalig pro Bestellung

Lieferzeit: 5 Werktage

Stück
Pos.
72
BOSCH Führungsbolzen | Ersatzteile für B 5678 | 2610905039
Hersteller: BOSCH
Artikelnummer: EB-0601657035-2610905039
nur Informationsartikel
Nie mehr lieferbar
keine Alternativen
Pos.
73
BOSCH Federscheibe | Ersatzteile für B 5678 | 2610069183
Hersteller: BOSCH
Artikelnummer: EB-0601657035-2610069183
Netto: 3,60 € zzgl. MwSt.
zzgl. 6,90 € Versand (brutto)
einmalig pro Bestellung

Lieferzeit: 5 Werktage

Stück
Pos.
74
BOSCH Sicherungsring | Ersatzteile für B 5678 | 2610341354
Hersteller: BOSCH
Artikelnummer: EB-0601657035-2610341354
Netto: 4,33 € zzgl. MwSt.
zzgl. 6,90 € Versand (brutto)
einmalig pro Bestellung

Lieferzeit: 5 Werktage

Stück
Pos.
78
BOSCH Scheibe | Ersatzteile für B 5678 | 1619X00942
Hersteller: BOSCH
Artikelnummer: EB-0601657035-1619X00942
Netto: 3,59 € zzgl. MwSt.
zzgl. 6,90 € Versand (brutto)
einmalig pro Bestellung

Lieferzeit: 5 Werktage

Stück
Pos.
80
BOSCH Schraube | Ersatzteile für B 5678 | 2610328924
Hersteller: BOSCH
Artikelnummer: EB-0601657035-2610328924
nur Informationsartikel
Nie mehr lieferbar
keine Alternativen
Pos.
82
BOSCH Hebel | Ersatzteile für B 5678 | 2610905014
Hersteller: BOSCH
Artikelnummer: EB-0601657035-2610905014
nur Informationsartikel
Nie mehr lieferbar
keine Alternativen
Pos.
83
BOSCH Schwinge | Ersatzteile für B 5678 | 2610354607
Hersteller: BOSCH
Artikelnummer: EB-0601657035-2610354607
nur Informationsartikel
Nie mehr lieferbar
keine Alternativen
Pos.
84
BOSCH Unterlegscheibe | Ersatzteile für B 5678 | 2610313808
Hersteller: BOSCH
Artikelnummer: EB-0601657035-2610313808
nur Informationsartikel
Nie mehr lieferbar
keine Alternativen
Pos.
85
BOSCH Rollen-Bundbolzen | Ersatzteile für B 5678 | 2610904102
Hersteller: BOSCH
Artikelnummer: EB-0601657035-2610904102
nur Informationsartikel
Nie mehr lieferbar
keine Alternativen
Pos.
86
BOSCH Sicherungsmutter | Ersatzteile für B 5678 | 2610904165
Hersteller: BOSCH
Artikelnummer: EB-0601657035-2610904165
Netto: 4,54 € zzgl. MwSt.
zzgl. 6,90 € Versand (brutto)
einmalig pro Bestellung

Lieferzeit: 5 Werktage

Stück
Pos.
87
BOSCH Klemmschraube | Ersatzteile für B 5678 | 2610909129
Hersteller: BOSCH
Artikelnummer: EB-0601657035-2610909129
nur Informationsartikel
Nie mehr lieferbar
keine Alternativen
Pos.
88
BOSCH Steckkupplung | Ersatzteile für B 5678 | 2610016167
Hersteller: BOSCH
Artikelnummer: EB-0601657035-2610016167
nur Informationsartikel
Nie mehr lieferbar
keine Alternativen
Pos.
650
BOSCH Schlüssel | Ersatzteile für B 5678 | 2610351201
Hersteller: BOSCH
Artikelnummer: EB-0601657035-2610351201
Netto: 9,63 € zzgl. MwSt.
zzgl. 6,90 € Versand (brutto)
einmalig pro Bestellung

Lieferzeit: 5 Werktage

Stück
Pos.
804
BOSCH Kippschalter | Ersatzteile für B 5678 | 2610904130
Hersteller: BOSCH
Artikelnummer: EB-0601657035-2610904130
nur Informationsartikel
Nie mehr lieferbar
keine Alternativen
Pos.
805
BOSCH Netzanschlussleitung USA/CDN 3,275m 2 x 1,32mm SJ 16/2 | Ersatzteile für B 5678 | 3604460514
Hersteller: BOSCH
Artikelnummer: EB-0601657035-3604460514
Netto: 14,92 € zzgl. MwSt.
zzgl. 6,90 € Versand (brutto)
einmalig pro Bestellung

Lieferzeit: 5 Werktage

Stück
Pos.
810
BOSCH Kohlebürste | Ersatzteile für B 5678 | 2610904132
Hersteller: BOSCH
Artikelnummer: EB-0601657035-2610904132
nur Informationsartikel
Nie mehr lieferbar
keine Alternativen
Pos.
829
BOSCH Handgriff | Ersatzteile für B 5678 | 2610904144
Hersteller: BOSCH
Artikelnummer: EB-0601657035-2610904144
nur Informationsartikel
Nie mehr lieferbar
keine Alternativen

Angaben zur Produktsicherheit

Hersteller:
Robert Bosch Power Tools GmbH
Postfach 30 02 20
70442 Stuttgart

E-Mail:
kontakt@bosch.de