BOSCH B 5700 - 0601656135

Artikelnummer: EB-0601656135

Position:

Marke: BOSCH


Bitte Kompatibilität prüfen!

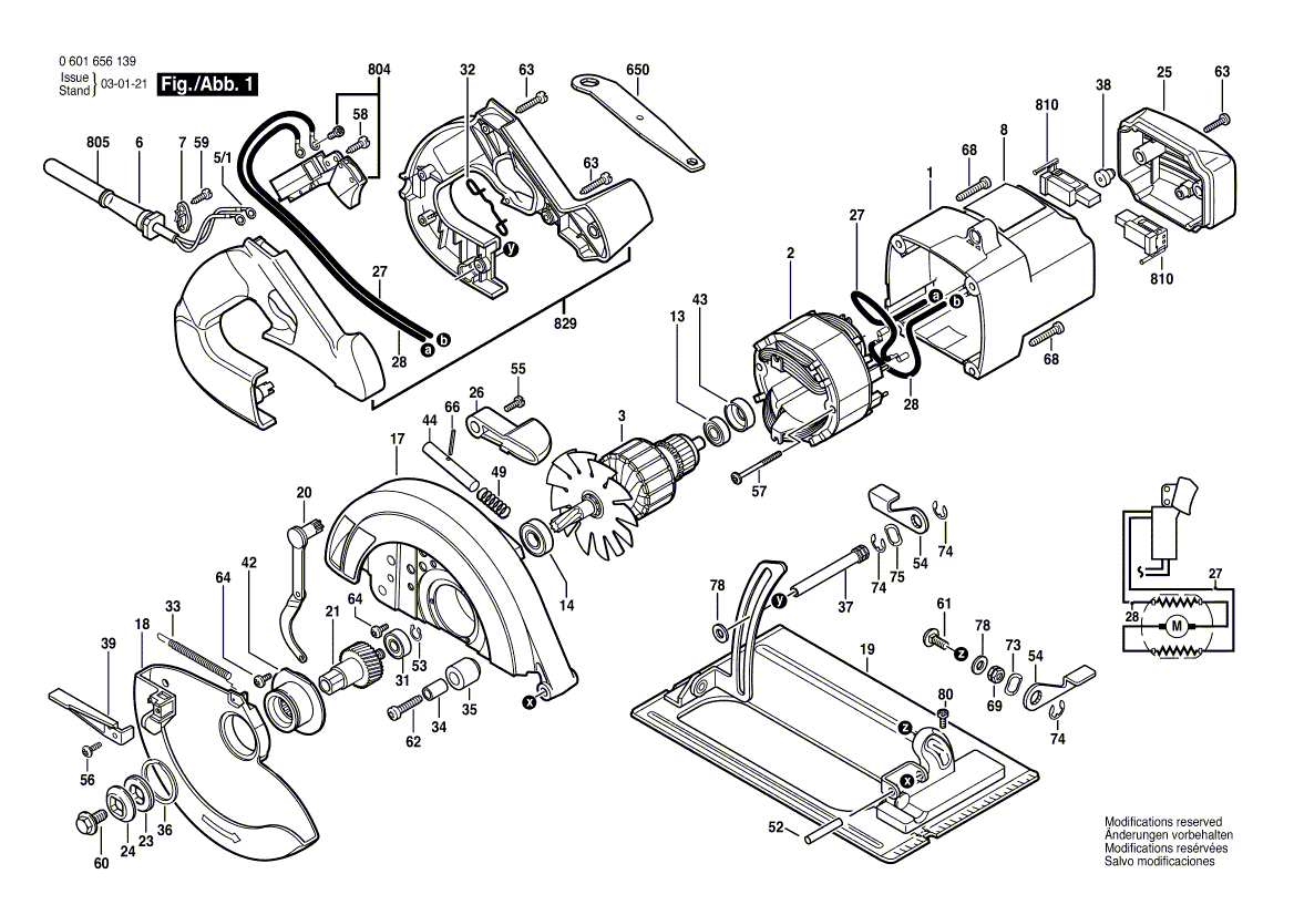
Bitte prüfen Sie unbedingt die 10-stellige Typennummer Ihrer Maschine / Ihres Gerätes. Das Ersatzteil ist nur kompatibel, wenn Sie die Typennummer Ihrer Maschine in der unten stehenden Produktbeschreibung finden.

Bitte prüfen Sie ebenfalls detailliert die Explosionszeichnung mit Ihrem Artikelwunsch und der jeweiligen Pos-Nummer.

Alle Elemente, welche vom schwarzen Strich der Pos-Nummer ausgehend berührt / erfasst werden, gehören zu dieser Pos-Nummer und somit zu diesem Artikel. Jede Pos-Nummer ist ein eigenständiger Artikel, welchen Sie in der Auflistung finden.

Sie erhalten stets die aktuellste, neueste Produktversion zu der gewählten Pos-Nummer seitens des Herstellers. Es kann daher je nach Gerätealter vorkommen, dass Sie ggf. weitere, zugehörige Elemente, welche an diese Pos-Nummer grenzen, ebenfalls mittauschen müssen.

Nähere Informationen finden Sie unter dem Link
Hinweise zu Ihrer BOSCH Ersatzteilsuche

Beschreibung

Die aufgelisteten BOSCH Ersatzteile sind mit folgendem Gerät und Modell kompatibel:

BOSCH Gerätename:B 5700
BOSCH Typennummer:0601656135
alternative Schreibweisen:0 601 656 135, 0601 656 135, 0.601.656.135, 0-601-656-135

Bitte prüfen Sie die Typennummer auf Ihrem Gerät um die Kompatibilität des BOSCH Ersatzteils zu gewährleisten.

Die passenden Ersatzteile des BOSCH B 5700 (Gw-Handkreissäge) mit der Typennummer 0601656135 finden Sie in der nachfolgenden Darstellung geordnet nach der Positionsnummern aus der Explosionszeichnung:

Pos.
1
BOSCH Motorgehäuse | Ersatzteile für B 5700 | 2610903196
Hersteller: BOSCH
Artikelnummer: EB-0601656135-2610903196
nur Informationsartikel
Nie mehr lieferbar
keine Alternativen
Pos.
5/1
BOSCH Anschlussklemme | Ersatzteile für B 5700 | 2610316596
Hersteller: BOSCH
Artikelnummer: EB-0601656135-2610316596
nur Informationsartikel
Nie mehr lieferbar
keine Alternativen
Pos.
2
BOSCH Polschuh 115V | Ersatzteile für B 5700 | 2610351836
Hersteller: BOSCH
Artikelnummer: EB-0601656135-2610351836
nur Informationsartikel
Nie mehr lieferbar
keine Alternativen
Pos.
3
BOSCH Anker 120V | Ersatzteile für B 5700 | 2610908397
Hersteller: BOSCH
Artikelnummer: EB-0601656135-2610908397
nur Informationsartikel
Nie mehr lieferbar
keine Alternativen
Pos.
6
BOSCH Tülle | Ersatzteile für B 5700 | 2610313327
Hersteller: BOSCH
Artikelnummer: EB-0601656135-2610313327
nur Informationsartikel
Nie mehr lieferbar
keine Alternativen
Pos.
7
BOSCH Leitungshalter | Ersatzteile für B 5700 | 2610364033
Hersteller: BOSCH
Artikelnummer: EB-0601656135-2610364033
Netto: 4,56 € zzgl. MwSt.
zzgl. 6,90 € Versand (brutto)
einmalig pro Bestellung

Lieferzeit: 5 Werktage

Stück
Pos.
8
BOSCH Typschild | Ersatzteile für B 5700 | 2610968262
Hersteller: BOSCH
Artikelnummer: EB-0601656135-2610968262
nur Informationsartikel
Nie mehr lieferbar
keine Alternativen
Pos.
13
BOSCH Rillenkugellager | Ersatzteile für B 5700 | 2610017348
Hersteller: BOSCH
Artikelnummer: EB-0601656135-2610017348
nur Informationsartikel
Nie mehr lieferbar
keine Alternativen
Pos.
14
BOSCH Rillenkugellager | Ersatzteile für B 5700 | 2610350311
Hersteller: BOSCH
Artikelnummer: EB-0601656135-2610350311
Netto: 10,62 € zzgl. MwSt.
zzgl. 6,90 € Versand (brutto)
einmalig pro Bestellung

Lieferzeit: 5 Werktage

Stück
Pos.
17
BOSCH Gehäuseoberteil | Ersatzteile für B 5700 | 2610905022
Hersteller: BOSCH
Artikelnummer: EB-0601656135-2610905022
nur Informationsartikel
Nie mehr lieferbar
keine Alternativen
Pos.
18
BOSCH Schutzhaube | Ersatzteile für B 5700 | 2610350729
Hersteller: BOSCH
Artikelnummer: EB-0601656135-2610350729
Netto: 26,41 € zzgl. MwSt.
zzgl. 6,90 € Versand (brutto)
einmalig pro Bestellung

Lieferzeit: 5 Werktage

Stück
Pos.
19
BOSCH Montagesockel | Ersatzteile für B 5700 | 2610350691
Hersteller: BOSCH
Artikelnummer: EB-0601656135-2610350691
nur Informationsartikel
Nie mehr lieferbar
keine Alternativen
Pos.
20
BOSCH Schwinge | Ersatzteile für B 5700 | 2610354607
Hersteller: BOSCH
Artikelnummer: EB-0601656135-2610354607
nur Informationsartikel
Nie mehr lieferbar
keine Alternativen
Pos.
21
BOSCH Zahnradwelle | Ersatzteile für B 5700 | 2610355586
Hersteller: BOSCH
Artikelnummer: EB-0601656135-2610355586
Netto: 23,72 € zzgl. MwSt.
zzgl. 6,90 € Versand (brutto)
einmalig pro Bestellung

Lieferzeit: 5 Werktage

Stück
Pos.
23
BOSCH Flansch 5/8" | Ersatzteile für B 5700 | 2610350668
Hersteller: BOSCH
Artikelnummer: EB-0601656135-2610350668
Netto: 7,66 € zzgl. MwSt.
zzgl. 6,90 € Versand (brutto)
einmalig pro Bestellung

Lieferzeit: 5 Werktage

Stück
Pos.
24
BOSCH Scheibe | Ersatzteile für B 5700 | 1619X00934
Hersteller: BOSCH
Artikelnummer: EB-0601656135-1619X00934
nur Informationsartikel
Nie mehr lieferbar
keine Alternativen
Pos.
25
BOSCH Verschlussdeckel SCHWARZ | Ersatzteile für B 5700 | 2610350656
Hersteller: BOSCH
Artikelnummer: EB-0601656135-2610350656
Netto: 13,81 € zzgl. MwSt.
zzgl. 6,90 € Versand (brutto)
einmalig pro Bestellung

Lieferzeit: 5 Werktage

Stück
Pos.
26
BOSCH Hebel | Ersatzteile für B 5700 | 2610905014
Hersteller: BOSCH
Artikelnummer: EB-0601656135-2610905014
nur Informationsartikel
Nie mehr lieferbar
keine Alternativen
Pos.
27
BOSCH Elektr Leitung | Ersatzteile für B 5700 | 2610038934
Hersteller: BOSCH
Artikelnummer: EB-0601656135-2610038934
Netto: 4,56 € zzgl. MwSt.
zzgl. 6,90 € Versand (brutto)
einmalig pro Bestellung

Lieferzeit: 5 Werktage

Stück
Pos.
28
BOSCH Elektr Leitung | Ersatzteile für B 5700 | 2610038935
Hersteller: BOSCH
Artikelnummer: EB-0601656135-2610038935
Netto: 4,56 € zzgl. MwSt.
zzgl. 6,90 € Versand (brutto)
einmalig pro Bestellung

Lieferzeit: 5 Werktage

Stück
Pos.
31
BOSCH Kugellager | Ersatzteile für B 5700 | 1619P01511
Hersteller: BOSCH
Artikelnummer: EB-0601656135-1619P01511
Netto: 7,26 € zzgl. MwSt.
zzgl. 6,90 € Versand (brutto)
einmalig pro Bestellung

Lieferzeit: 5 Werktage

Stück
Pos.
32
BOSCH Klemme | Ersatzteile für B 5700 | 2610350663
Hersteller: BOSCH
Artikelnummer: EB-0601656135-2610350663
nur Informationsartikel
Nie mehr lieferbar
keine Alternativen
Pos.
33
BOSCH Zugfeder | Ersatzteile für B 5700 | 2610351246
Hersteller: BOSCH
Artikelnummer: EB-0601656135-2610351246
nur Informationsartikel
Nie mehr lieferbar
keine Alternativen
Pos.
34
BOSCH Abstandshalter | Ersatzteile für B 5700 | 2610341366
Hersteller: BOSCH
Artikelnummer: EB-0601656135-2610341366
nur Informationsartikel
Nie mehr lieferbar
keine Alternativen
Pos.
35
BOSCH Anschlag | Ersatzteile für B 5700 | 2610341394
Hersteller: BOSCH
Artikelnummer: EB-0601656135-2610341394
nur Informationsartikel
Nie mehr lieferbar
keine Alternativen
Pos.
36
BOSCH Sicherungsring | Ersatzteile für B 5700 | 2610341359
Hersteller: BOSCH
Artikelnummer: EB-0601656135-2610341359
nur Informationsartikel
Nie mehr lieferbar
keine Alternativen
Pos.
37
BOSCH Rollen-Bundbolzen | Ersatzteile für B 5700 | 2610904102
Hersteller: BOSCH
Artikelnummer: EB-0601656135-2610904102
nur Informationsartikel
Nie mehr lieferbar
keine Alternativen
Pos.
38
BOSCH Gummipuffer | Ersatzteile für B 5700 | 2610350655
Hersteller: BOSCH
Artikelnummer: EB-0601656135-2610350655
Netto: 3,94 € zzgl. MwSt.
zzgl. 6,90 € Versand (brutto)
einmalig pro Bestellung

Lieferzeit: 5 Werktage

Stück
Pos.
39
BOSCH Hebel | Ersatzteile für B 5700 | 2610351898
Hersteller: BOSCH
Artikelnummer: EB-0601656135-2610351898
nur Informationsartikel
Nie mehr lieferbar
keine Alternativen
Pos.
42
BOSCH Lagerdeckel | Ersatzteile für B 5700 | 2610350678
Hersteller: BOSCH
Artikelnummer: EB-0601656135-2610350678
Netto: 16,70 € zzgl. MwSt.
zzgl. 6,90 € Versand (brutto)
einmalig pro Bestellung

Lieferzeit: 5 Werktage

Stück
Pos.
43
BOSCH Gummiring | Ersatzteile für B 5700 | 1619P01127
Hersteller: BOSCH
Artikelnummer: EB-0601656135-1619P01127
Netto: 3,60 € zzgl. MwSt.
zzgl. 6,90 € Versand (brutto)
einmalig pro Bestellung

Lieferzeit: 5 Werktage

Stück
Pos.
44
BOSCH Verschlussbolzen | Ersatzteile für B 5700 | 2610351295
Hersteller: BOSCH
Artikelnummer: EB-0601656135-2610351295
Netto: 9,05 € zzgl. MwSt.
zzgl. 6,90 € Versand (brutto)
einmalig pro Bestellung

Lieferzeit: 5 Werktage

Stück
Pos.
49
BOSCH Feder | Ersatzteile für B 5700 | 2610350667
Hersteller: BOSCH
Artikelnummer: EB-0601656135-2610350667
Netto: 4,36 € zzgl. MwSt.
zzgl. 6,90 € Versand (brutto)
einmalig pro Bestellung

Lieferzeit: 5 Werktage

Stück
Pos.
52
BOSCH Spiralspannstift | Ersatzteile für B 5700 | 2610341332
Hersteller: BOSCH
Artikelnummer: EB-0601656135-2610341332
Netto: 4,36 € zzgl. MwSt.
zzgl. 6,90 € Versand (brutto)
einmalig pro Bestellung

Lieferzeit: 5 Werktage

Stück
Pos.
53
BOSCH Sicherungsring | Ersatzteile für B 5700 | 2610350683
Hersteller: BOSCH
Artikelnummer: EB-0601656135-2610350683
Netto: 4,36 € zzgl. MwSt.
zzgl. 6,90 € Versand (brutto)
einmalig pro Bestellung

Lieferzeit: 5 Werktage

Stück
Pos.
54
BOSCH Hebel | Ersatzteile für B 5700 | 2610901987
Hersteller: BOSCH
Artikelnummer: EB-0601656135-2610901987
Netto: 4,56 € zzgl. MwSt.
zzgl. 6,90 € Versand (brutto)
einmalig pro Bestellung

Lieferzeit: 5 Werktage

Stück
Pos.
55
BOSCH Schraube ROT | Ersatzteile für B 5700 | 2610354611
Hersteller: BOSCH
Artikelnummer: EB-0601656135-2610354611
nur Informationsartikel
Nie mehr lieferbar
keine Alternativen
Pos.
56
BOSCH Schraube | Ersatzteile für B 5700 | 2610328924
Hersteller: BOSCH
Artikelnummer: EB-0601656135-2610328924
nur Informationsartikel
Nie mehr lieferbar
keine Alternativen
Pos.
57
BOSCH Schraube | Ersatzteile für B 5700 | 1619P01508
Hersteller: BOSCH
Artikelnummer: EB-0601656135-1619P01508
Netto: 3,60 € zzgl. MwSt.
zzgl. 6,90 € Versand (brutto)
einmalig pro Bestellung

Lieferzeit: 5 Werktage

Stück
Pos.
58
BOSCH Schraube | Ersatzteile für B 5700 | 2610901971
Hersteller: BOSCH
Artikelnummer: EB-0601656135-2610901971
nur Informationsartikel
Nie mehr lieferbar
keine Alternativen
Pos.
59
BOSCH Schraube | Ersatzteile für B 5700 | 1619X00504
Hersteller: BOSCH
Artikelnummer: EB-0601656135-1619X00504
Netto: 3,60 € zzgl. MwSt.
zzgl. 6,90 € Versand (brutto)
einmalig pro Bestellung

Lieferzeit: 5 Werktage

Stück
Pos.
60
BOSCH Sechskantschraube | Ersatzteile für B 5700 | 1619X00935
Hersteller: BOSCH
Artikelnummer: EB-0601656135-1619X00935
nur Informationsartikel
Nie mehr lieferbar
keine Alternativen
Pos.
61
BOSCH Flachrundschraube | Ersatzteile für B 5700 | 2610017262
Hersteller: BOSCH
Artikelnummer: EB-0601656135-2610017262
nur Informationsartikel
Nie mehr lieferbar
keine Alternativen
Pos.
62
BOSCH Schraube | Ersatzteile für B 5700 | 2610347100
Hersteller: BOSCH
Artikelnummer: EB-0601656135-2610347100
nur Informationsartikel
Nie mehr lieferbar
keine Alternativen
Pos.
63
BOSCH Schraube | Ersatzteile für B 5700 | 1619P01505
Hersteller: BOSCH
Artikelnummer: EB-0601656135-1619P01505
nur Informationsartikel
Nie mehr lieferbar
keine Alternativen
Pos.
64
BOSCH Kontaktschraube | Ersatzteile für B 5700 | 1619X01786
Hersteller: BOSCH
Artikelnummer: EB-0601656135-1619X01786
nur Informationsartikel
Nie mehr lieferbar
keine Alternativen
Pos.
66
BOSCH Spannstift | Ersatzteile für B 5700 | 2610020656
Hersteller: BOSCH
Artikelnummer: EB-0601656135-2610020656
Netto: 4,36 € zzgl. MwSt.
zzgl. 6,90 € Versand (brutto)
einmalig pro Bestellung

Lieferzeit: 5 Werktage

Stück
Pos.
68
BOSCH Schraube | Ersatzteile für B 5700 | 2610341335
Hersteller: BOSCH
Artikelnummer: EB-0601656135-2610341335
Netto: 4,36 € zzgl. MwSt.
zzgl. 6,90 € Versand (brutto)
einmalig pro Bestellung

Lieferzeit: 5 Werktage

Stück
Pos.
69
BOSCH Rundmutter | Ersatzteile für B 5700 | 2610901988
Hersteller: BOSCH
Artikelnummer: EB-0601656135-2610901988
Netto: 4,56 € zzgl. MwSt.
zzgl. 6,90 € Versand (brutto)
einmalig pro Bestellung

Lieferzeit: 5 Werktage

Stück
Pos.
73
BOSCH Federscheibe | Ersatzteile für B 5700 | 2610069183
Hersteller: BOSCH
Artikelnummer: EB-0601656135-2610069183
Netto: 3,60 € zzgl. MwSt.
zzgl. 6,90 € Versand (brutto)
einmalig pro Bestellung

Lieferzeit: 5 Werktage

Stück
Pos.
74
BOSCH Sicherungsring | Ersatzteile für B 5700 | 2610341354
Hersteller: BOSCH
Artikelnummer: EB-0601656135-2610341354
Netto: 4,36 € zzgl. MwSt.
zzgl. 6,90 € Versand (brutto)
einmalig pro Bestellung

Lieferzeit: 5 Werktage

Stück
Pos.
75
BOSCH Unterlegscheibe | Ersatzteile für B 5700 | 2610313808
Hersteller: BOSCH
Artikelnummer: EB-0601656135-2610313808
nur Informationsartikel
Nie mehr lieferbar
keine Alternativen
Pos.
78
BOSCH Scheibe | Ersatzteile für B 5700 | 1619X00942
Hersteller: BOSCH
Artikelnummer: EB-0601656135-1619X00942
Netto: 3,60 € zzgl. MwSt.
zzgl. 6,90 € Versand (brutto)
einmalig pro Bestellung

Lieferzeit: 5 Werktage

Stück
Pos.
80
BOSCH Schraube | Ersatzteile für B 5700 | 2610350698
Hersteller: BOSCH
Artikelnummer: EB-0601656135-2610350698
Netto: 3,60 € zzgl. MwSt.
zzgl. 6,90 € Versand (brutto)
einmalig pro Bestellung

Lieferzeit: 5 Werktage

Stück
Pos.
650
BOSCH Schlüssel | Ersatzteile für B 5700 | 2610351201
Hersteller: BOSCH
Artikelnummer: EB-0601656135-2610351201
Netto: 9,75 € zzgl. MwSt.
zzgl. 6,90 € Versand (brutto)
einmalig pro Bestellung

Lieferzeit: 5 Werktage

Stück
Pos.
804
BOSCH Ein/Aus-Schalter | Ersatzteile für B 5700 | 2610321608
Hersteller: BOSCH
Artikelnummer: EB-0601656135-2610321608
nur Informationsartikel
Nie mehr lieferbar
keine Alternativen
Pos.
805
BOSCH Netzanschlussleitung USA/CDN 3,275m 2 x 1,32mm SJ 16/2 | Ersatzteile für B 5700 | 3604460514
Hersteller: BOSCH
Artikelnummer: EB-0601656135-3604460514
Netto: 15,15 € zzgl. MwSt.
zzgl. 6,90 € Versand (brutto)
einmalig pro Bestellung

Lieferzeit: 5 Werktage

Stück
Pos.
810
BOSCH Bürstenhalter | Ersatzteile für B 5700 | 2610355594
Hersteller: BOSCH
Artikelnummer: EB-0601656135-2610355594
nur Informationsartikel
Nie mehr lieferbar
keine Alternativen
Pos.
829
BOSCH Handgriff | Ersatzteile für B 5700 | 2610904144
Hersteller: BOSCH
Artikelnummer: EB-0601656135-2610904144
nur Informationsartikel
Nie mehr lieferbar
keine Alternativen

Angaben zur Produktsicherheit

Hersteller:
Robert Bosch Power Tools GmbH
Postfach 30 02 20
70442 Stuttgart

E-Mail:
kontakt@bosch.de