BOSCH B 6500 - 0601140635

Artikelnummer: EB-0601140635

Position:

Marke: BOSCH


Bitte Kompatibilität prüfen!

Bitte prüfen Sie unbedingt die 10-stellige Typennummer Ihrer Maschine / Ihres Gerätes. Das Ersatzteil ist nur kompatibel, wenn Sie die Typennummer Ihrer Maschine in der unten stehenden Produktbeschreibung finden.

Bitte prüfen Sie ebenfalls detailliert die Explosionszeichnung mit Ihrem Artikelwunsch und der jeweiligen Pos-Nummer.

Alle Elemente, welche vom schwarzen Strich der Pos-Nummer ausgehend berührt / erfasst werden, gehören zu dieser Pos-Nummer und somit zu diesem Artikel. Jede Pos-Nummer ist ein eigenständiger Artikel, welchen Sie in der Auflistung finden.

Sie erhalten stets die aktuellste, neueste Produktversion zu der gewählten Pos-Nummer seitens des Herstellers. Es kann daher je nach Gerätealter vorkommen, dass Sie ggf. weitere, zugehörige Elemente, welche an diese Pos-Nummer grenzen, ebenfalls mittauschen müssen.

Nähere Informationen finden Sie unter dem Link
Hinweise zu Ihrer BOSCH Ersatzteilsuche

Beschreibung

Die aufgelisteten BOSCH Ersatzteile sind mit folgendem Gerät und Modell kompatibel:

BOSCH Gerätename:B 6500
BOSCH Typennummer:0601140635
alternative Schreibweisen:0 601 140 635, 0601 140 635, 0.601.140.635, 0-601-140-635

Bitte prüfen Sie die Typennummer auf Ihrem Gerät um die Kompatibilität des BOSCH Ersatzteils zu gewährleisten.

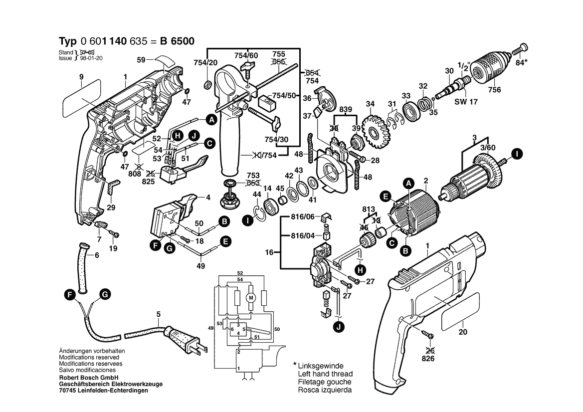
Die passenden Ersatzteile des BOSCH B 6500 (Schlagbohrmaschine) mit der Typennummer 0601140635 finden Sie in der nachfolgenden Darstellung geordnet nach der Positionsnummern aus der Explosionszeichnung:

Pos.
754/20
BOSCH Sechskantmutter DIN 934-M6-8-A | Ersatzteile für B 6500 | 2915011007
Hersteller: BOSCH
Artikelnummer: EB-0601140635-2915011007
Netto: 3,60 € zzgl. MwSt.
zzgl. 6,90 € Versand (brutto)
einmalig pro Bestellung

Lieferzeit: 5 Werktage

Stück
Pos.
816/04
BOSCH Kohlebürstensatz | Ersatzteile für B 6500 | 2604321916
Hersteller: BOSCH
Artikelnummer: EB-0601140635-2604321916
nur Informationsartikel
Nie mehr lieferbar
keine Alternativen
Pos.
5
BOSCH Netzanschlussleitung USA/CDN 2,68m 2 x 0,82mm SJ 18/2 | Ersatzteile für B 6500 | 2604460188
Hersteller: BOSCH
Artikelnummer: EB-0601140635-2604460188
nur Informationsartikel
Nie mehr lieferbar
keine Alternativen
Pos.
6
BOSCH Tülle Ø7,6-Ø8,2x95 MM | Ersatzteile für B 6500 | 2600703013
Hersteller: BOSCH
Artikelnummer: EB-0601140635-2600703013
Netto: 4,56 € zzgl. MwSt.
zzgl. 6,90 € Versand (brutto)
einmalig pro Bestellung

Lieferzeit: 5 Werktage

Stück
Pos.
7
BOSCH Leitungshalter | Ersatzteile für B 6500 | 2601035001
Hersteller: BOSCH
Artikelnummer: EB-0601140635-2601035001
Netto: 3,94 € zzgl. MwSt.
zzgl. 6,90 € Versand (brutto)
einmalig pro Bestellung

Lieferzeit: 5 Werktage

Stück
Pos.
18
BOSCH Zylinderschraube M3x6,5-4.8 | Ersatzteile für B 6500 | 2603410001
Hersteller: BOSCH
Artikelnummer: EB-0601140635-2603410001
Netto: 3,94 € zzgl. MwSt.
zzgl. 6,90 € Versand (brutto)
einmalig pro Bestellung

Lieferzeit: 5 Werktage

Stück
Pos.
19
BOSCH Schraube 4x16 | Ersatzteile für B 6500 | 2603490022
Hersteller: BOSCH
Artikelnummer: EB-0601140635-2603490022
Netto: 3,60 € zzgl. MwSt.
zzgl. 6,90 € Versand (brutto)
einmalig pro Bestellung

Lieferzeit: 5 Werktage

Stück
Pos.
27
BOSCH Torx-Linsenschraube 3x10 | Ersatzteile für B 6500 | 2603490017
Hersteller: BOSCH
Artikelnummer: EB-0601140635-2603490017
nur Informationsartikel
Nie mehr lieferbar
keine Alternativen
Pos.
29
BOSCH Dämmplatte | Ersatzteile für B 6500 | 2601022000
Hersteller: BOSCH
Artikelnummer: EB-0601140635-2601022000
nur Informationsartikel
Nie mehr lieferbar
keine Alternativen
Pos.
30
BOSCH Bohrspindel 1/2 Zoll,M6 LINKSGEWINDE | Ersatzteile für B 6500 | 2606135033
Hersteller: BOSCH
Artikelnummer: EB-0601140635-2606135033
nur Informationsartikel
Nie mehr lieferbar
keine Alternativen
Pos.
31
BOSCH Sicherungsscheibe 0,3 MM | Ersatzteile für B 6500 | 2600118006
Hersteller: BOSCH
Artikelnummer: EB-0601140635-2600118006
nur Informationsartikel
Nie mehr lieferbar
keine Alternativen
Pos.
33
BOSCH Rillenkugellager 15x32x9 | Ersatzteile für B 6500 | 1900905122
Hersteller: BOSCH
Artikelnummer: EB-0601140635-1900905122
Netto: 9,05 € zzgl. MwSt.
zzgl. 6,90 € Versand (brutto)
einmalig pro Bestellung

Lieferzeit: 5 Werktage

Stück
Pos.
34
BOSCH Stirnrad Z=42 | Ersatzteile für B 6500 | 2606320050
Hersteller: BOSCH
Artikelnummer: EB-0601140635-2606320050
nur Informationsartikel
Nie mehr lieferbar
keine Alternativen
Pos.
49
BOSCH Elektr Leitung L=173 MM WEISS | Ersatzteile für B 6500 | 2604448060
Hersteller: BOSCH
Artikelnummer: EB-0601140635-2604448060
nur Informationsartikel
Nie mehr lieferbar
keine Alternativen
Pos.
84
BOSCH Senkschraube M6x31 MM LINKSGEWINDE | Ersatzteile für B 6500 | 2603421209
Hersteller: BOSCH
Artikelnummer: EB-0601140635-2603421209
nur Informationsartikel
Nie mehr lieferbar
keine Alternativen
Pos.
753
BOSCH Bohreraufnahme | Ersatzteile für B 6500 | 2607000122
Hersteller: BOSCH
Artikelnummer: EB-0601140635-2607000122
nur Informationsartikel
Nie mehr lieferbar
keine Alternativen
Pos.
754
BOSCH Zusatzhandgriff | Ersatzteile für B 6500 | 1619PB4323
Hersteller: BOSCH
Artikelnummer: EB-0601140635-1619PB4323
Netto: 9,05 € zzgl. MwSt.
zzgl. 6,90 € Versand (brutto)
einmalig pro Bestellung

Lieferzeit: 5 Werktage

Stück
Pos.
754
BOSCH Zusatzhandgriff Ø43 MM SCHWARZ | Ersatzteile für B 6500 | 1612025031
Hersteller: BOSCH
Artikelnummer: EB-0601140635-1612025031
Netto: 8,13 € zzgl. MwSt.
zzgl. 6,90 € Versand (brutto)
einmalig pro Bestellung

Lieferzeit: 63 Werktage

Stück
Pos.
756
BOSCH Schnellspannbohrfutter Ø 1-10 MM, 1/2 Zoll | Ersatzteile für B 6500 | 2608572030
Hersteller: BOSCH
Artikelnummer: EB-0601140635-2608572030
nur Informationsartikel
Nie mehr lieferbar
keine Alternativen
Pos.
808
BOSCH Typschild | Ersatzteile für B 6500 | 160111A3H3
Hersteller: BOSCH
Artikelnummer: EB-0601140635-160111A3H3
Netto: 4,56 € zzgl. MwSt.
zzgl. 6,90 € Versand (brutto)
einmalig pro Bestellung

Lieferzeit: 5 Werktage

Stück
Pos.
825
BOSCH Umschalter | Ersatzteile für B 6500 | 2607200231
Hersteller: BOSCH
Artikelnummer: EB-0601140635-2607200231
Netto: 13,81 € zzgl. MwSt.
zzgl. 6,90 € Versand (brutto)
einmalig pro Bestellung

Lieferzeit: 5 Werktage

Stück

Angaben zur Produktsicherheit

Hersteller:
Robert Bosch Power Tools GmbH
Postfach 30 02 20
70442 Stuttgart

E-Mail:
kontakt@bosch.de