BOSCH B 6600 - 0601141635

Artikelnummer: EB-0601141635

Position:

Marke: BOSCH


Bitte Kompatibilität prüfen!

Bitte prüfen Sie unbedingt die 10-stellige Typennummer Ihrer Maschine / Ihres Gerätes. Das Ersatzteil ist nur kompatibel, wenn Sie die Typennummer Ihrer Maschine in der unten stehenden Produktbeschreibung finden.

Bitte prüfen Sie ebenfalls detailliert die Explosionszeichnung mit Ihrem Artikelwunsch und der jeweiligen Pos-Nummer.

Alle Elemente, welche vom schwarzen Strich der Pos-Nummer ausgehend berührt / erfasst werden, gehören zu dieser Pos-Nummer und somit zu diesem Artikel. Jede Pos-Nummer ist ein eigenständiger Artikel, welchen Sie in der Auflistung finden.

Sie erhalten stets die aktuellste, neueste Produktversion zu der gewählten Pos-Nummer seitens des Herstellers. Es kann daher je nach Gerätealter vorkommen, dass Sie ggf. weitere, zugehörige Elemente, welche an diese Pos-Nummer grenzen, ebenfalls mittauschen müssen.

Nähere Informationen finden Sie unter dem Link
Hinweise zu Ihrer BOSCH Ersatzteilsuche

Beschreibung

Die aufgelisteten BOSCH Ersatzteile sind mit folgendem Gerät und Modell kompatibel:

BOSCH Gerätename:B 6600
BOSCH Typennummer:0601141635
alternative Schreibweisen:0 601 141 635, 0601 141 635, 0.601.141.635, 0-601-141-635

Bitte prüfen Sie die Typennummer auf Ihrem Gerät um die Kompatibilität des BOSCH Ersatzteils zu gewährleisten.

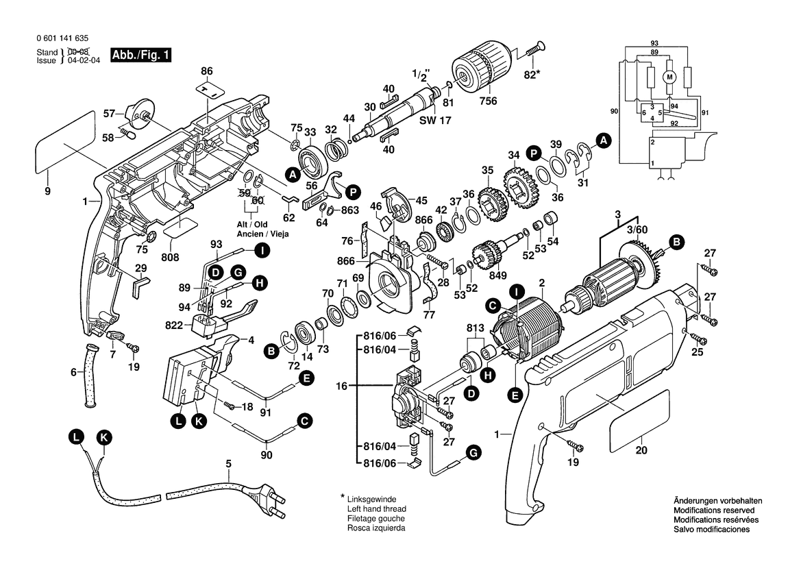
Die passenden Ersatzteile des BOSCH B 6600 (Schlagbohrmaschine) mit der Typennummer 0601141635 finden Sie in der nachfolgenden Darstellung geordnet nach der Positionsnummern aus der Explosionszeichnung:

Pos.
1
BOSCH Gehäuseschale BLAU | Ersatzteile für B 6600 | 2605104437
Hersteller: BOSCH
Artikelnummer: EB-0601141635-2605104437
nur Informationsartikel
Nie mehr lieferbar
keine Alternativen
Pos.
3/60
BOSCH Lüfter | Ersatzteile für B 6600 | 2606610029
Hersteller: BOSCH
Artikelnummer: EB-0601141635-2606610029
Netto: 4,56 € zzgl. MwSt.
zzgl. 6,90 € Versand (brutto)
einmalig pro Bestellung

Lieferzeit: 5 Werktage

Stück
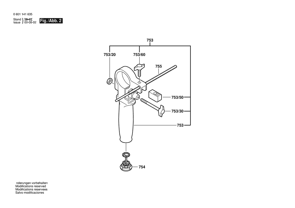
Pos.
753/20
BOSCH Sechskantmutter DIN 934-M6-8-A | Ersatzteile für B 6600 | 2915011007
Hersteller: BOSCH
Artikelnummer: EB-0601141635-2915011007
Netto: 3,60 € zzgl. MwSt.
zzgl. 6,90 € Versand (brutto)
einmalig pro Bestellung

Lieferzeit: 5 Werktage

Stück
Pos.
753/30
BOSCH Flügelschraube M6x(15)55 | Ersatzteile für B 6600 | 1613480007
Hersteller: BOSCH
Artikelnummer: EB-0601141635-1613480007
Netto: 3,94 € zzgl. MwSt.
zzgl. 6,90 € Versand (brutto)
einmalig pro Bestellung

Lieferzeit: 5 Werktage

Stück
Pos.
753/50
BOSCH Spannplatte M6 | Ersatzteile für B 6600 | 2608040014
Hersteller: BOSCH
Artikelnummer: EB-0601141635-2608040014
nur Informationsartikel
Nie mehr lieferbar
keine Alternativen
Pos.
753/60
BOSCH Flügelschraube M6x20 MM | Ersatzteile für B 6600 | 1613480008
Hersteller: BOSCH
Artikelnummer: EB-0601141635-1613480008
Netto: 3,94 € zzgl. MwSt.
zzgl. 6,90 € Versand (brutto)
einmalig pro Bestellung

Lieferzeit: 5 Werktage

Stück
Pos.
816/04
BOSCH Kohlebürstensatz | Ersatzteile für B 6600 | 2604321916
Hersteller: BOSCH
Artikelnummer: EB-0601141635-2604321916
nur Informationsartikel
Nie mehr lieferbar
keine Alternativen
Pos.
4
BOSCH Schalter | Ersatzteile für B 6600 | 2607200203
Hersteller: BOSCH
Artikelnummer: EB-0601141635-2607200203
nur Informationsartikel
Nie mehr lieferbar
keine Alternativen
Pos.
5
BOSCH Netzanschlussleitung USA/CDN 2,68m 2 x 0,82mm SJ 18/2 | Ersatzteile für B 6600 | 2604460188
Hersteller: BOSCH
Artikelnummer: EB-0601141635-2604460188
nur Informationsartikel
Nie mehr lieferbar
keine Alternativen
Pos.
6
BOSCH Tülle Ø6,5-Ø6,9x95 MM | Ersatzteile für B 6600 | 2600703012
Hersteller: BOSCH
Artikelnummer: EB-0601141635-2600703012
Netto: 4,80 € zzgl. MwSt.
zzgl. 6,90 € Versand (brutto)
einmalig pro Bestellung

Lieferzeit: 5 Werktage

Stück
Pos.
6
BOSCH Tülle Ø7,6-Ø8,2x95 MM | Ersatzteile für B 6600 | 2600703013
Hersteller: BOSCH
Artikelnummer: EB-0601141635-2600703013
Netto: 4,56 € zzgl. MwSt.
zzgl. 6,90 € Versand (brutto)
einmalig pro Bestellung

Lieferzeit: 5 Werktage

Stück
Pos.
6
BOSCH Tülle Ø8,3-Ø9,4x95 MM | Ersatzteile für B 6600 | 2600703011
Hersteller: BOSCH
Artikelnummer: EB-0601141635-2600703011
Netto: 4,80 € zzgl. MwSt.
zzgl. 6,90 € Versand (brutto)
einmalig pro Bestellung

Lieferzeit: 5 Werktage

Stück
Pos.
7
BOSCH Leitungshalter | Ersatzteile für B 6600 | 2601035001
Hersteller: BOSCH
Artikelnummer: EB-0601141635-2601035001
Netto: 3,94 € zzgl. MwSt.
zzgl. 6,90 € Versand (brutto)
einmalig pro Bestellung

Lieferzeit: 5 Werktage

Stück
Pos.
16
BOSCH Bürstenplatte | Ersatzteile für B 6600 | 2609992627
Hersteller: BOSCH
Artikelnummer: EB-0601141635-2609992627
nur Informationsartikel
Nie mehr lieferbar
keine Alternativen
Pos.
18
BOSCH Zylinderschraube M3x6,5-4.8 | Ersatzteile für B 6600 | 2603410001
Hersteller: BOSCH
Artikelnummer: EB-0601141635-2603410001
Netto: 3,94 € zzgl. MwSt.
zzgl. 6,90 € Versand (brutto)
einmalig pro Bestellung

Lieferzeit: 5 Werktage

Stück
Pos.
19
BOSCH Blechschraube DIN 7981-ST3,9x16-C-H | Ersatzteile für B 6600 | 2910611019
Hersteller: BOSCH
Artikelnummer: EB-0601141635-2910611019
nur Informationsartikel
Nie mehr lieferbar
keine Alternativen
Pos.
27
BOSCH Torx-Linsenschraube 3x18 | Ersatzteile für B 6600 | 2603490018
Hersteller: BOSCH
Artikelnummer: EB-0601141635-2603490018
nur Informationsartikel
Nie mehr lieferbar
keine Alternativen
Pos.
29
BOSCH Dämmplatte | Ersatzteile für B 6600 | 2601022000
Hersteller: BOSCH
Artikelnummer: EB-0601141635-2601022000
nur Informationsartikel
Nie mehr lieferbar
keine Alternativen
Pos.
30
BOSCH Bohrspindel 1/2 Zoll, SW 17 INNEN-LINKSGEWINDE | Ersatzteile für B 6600 | 2606135044
Hersteller: BOSCH
Artikelnummer: EB-0601141635-2606135044
nur Informationsartikel
Nie mehr lieferbar
keine Alternativen
Pos.
31
BOSCH Sicherungsscheibe 0,3 MM | Ersatzteile für B 6600 | 2600118006
Hersteller: BOSCH
Artikelnummer: EB-0601141635-2600118006
nur Informationsartikel
Nie mehr lieferbar
keine Alternativen
Pos.
32
BOSCH Druckfeder | Ersatzteile für B 6600 | 2604616002
Hersteller: BOSCH
Artikelnummer: EB-0601141635-2604616002
Netto: 3,94 € zzgl. MwSt.
zzgl. 6,90 € Versand (brutto)
einmalig pro Bestellung

Lieferzeit: 5 Werktage

Stück
Pos.
33
BOSCH Rillenkugellager 17x35x10 | Ersatzteile für B 6600 | 1900905163
Hersteller: BOSCH
Artikelnummer: EB-0601141635-1900905163
Netto: 9,75 € zzgl. MwSt.
zzgl. 6,90 € Versand (brutto)
einmalig pro Bestellung

Lieferzeit: 5 Werktage

Stück
Pos.
34
BOSCH Stirnrad Z=48 | Ersatzteile für B 6600 | 2606317045
Hersteller: BOSCH
Artikelnummer: EB-0601141635-2606317045
Netto: 9,75 € zzgl. MwSt.
zzgl. 6,90 € Versand (brutto)
einmalig pro Bestellung

Lieferzeit: 5 Werktage

Stück
Pos.
35
BOSCH Stirnrad Z=36 | Ersatzteile für B 6600 | 2606317037
Hersteller: BOSCH
Artikelnummer: EB-0601141635-2606317037
nur Informationsartikel
Nie mehr lieferbar
keine Alternativen
Pos.
37
BOSCH Sicherungsbügel DIN 471-15x1-FSt | Ersatzteile für B 6600 | 2916650006
Hersteller: BOSCH
Artikelnummer: EB-0601141635-2916650006
Netto: 3,94 € zzgl. MwSt.
zzgl. 6,90 € Versand (brutto)
einmalig pro Bestellung

Lieferzeit: 5 Werktage

Stück
Pos.
42
BOSCH Rastscheibe | Ersatzteile für B 6600 | 2600190052
Hersteller: BOSCH
Artikelnummer: EB-0601141635-2600190052
nur Informationsartikel
Nie mehr lieferbar
keine Alternativen
Pos.
58
BOSCH Rastkappe | Ersatzteile für B 6600 | 2600590006
Hersteller: BOSCH
Artikelnummer: EB-0601141635-2600590006
Netto: 3,94 € zzgl. MwSt.
zzgl. 6,90 € Versand (brutto)
einmalig pro Bestellung

Lieferzeit: 5 Werktage

Stück
Pos.
59
BOSCH Ausgleichscheibe 0,3 MM | Ersatzteile für B 6600 | 2600100576
Hersteller: BOSCH
Artikelnummer: EB-0601141635-2600100576
Netto: 4,36 € zzgl. MwSt.
zzgl. 6,90 € Versand (brutto)
einmalig pro Bestellung

Lieferzeit: 5 Werktage

Stück
Pos.
60
BOSCH Sicherungsring DIN 471-10X1MM-FST | Ersatzteile für B 6600 | 2916650001
Hersteller: BOSCH
Artikelnummer: EB-0601141635-2916650001
Netto: 4,56 € zzgl. MwSt.
zzgl. 6,90 € Versand (brutto)
einmalig pro Bestellung

Lieferzeit: 5 Werktage

Stück
Pos.
72
BOSCH Sicherungsring DIN 472-24x1,2 MM | Ersatzteile für B 6600 | 2916660008
Hersteller: BOSCH
Artikelnummer: EB-0601141635-2916660008
Netto: 4,36 € zzgl. MwSt.
zzgl. 6,90 € Versand (brutto)
einmalig pro Bestellung

Lieferzeit: 5 Werktage

Stück
Pos.
82
BOSCH Senkschraube M6x31 MM LINKSGEWINDE | Ersatzteile für B 6600 | 2603421209
Hersteller: BOSCH
Artikelnummer: EB-0601141635-2603421209
nur Informationsartikel
Nie mehr lieferbar
keine Alternativen
Pos.
89
BOSCH Verbindungsleitung L=85 MM WEISS | Ersatzteile für B 6600 | 2604448147
Hersteller: BOSCH
Artikelnummer: EB-0601141635-2604448147
Netto: 3,60 € zzgl. MwSt.
zzgl. 6,90 € Versand (brutto)
einmalig pro Bestellung

Lieferzeit: 5 Werktage

Stück
Pos.
90
BOSCH Elektr Leitung L=173 MM WEISS | Ersatzteile für B 6600 | 2604448060
Hersteller: BOSCH
Artikelnummer: EB-0601141635-2604448060
nur Informationsartikel
Nie mehr lieferbar
keine Alternativen
Pos.
753
BOSCH Zusatzhandgriff | Ersatzteile für B 6600 | 1619PB4323
Hersteller: BOSCH
Artikelnummer: EB-0601141635-1619PB4323
Netto: 9,05 € zzgl. MwSt.
zzgl. 6,90 € Versand (brutto)
einmalig pro Bestellung

Lieferzeit: 5 Werktage

Stück
Pos.
753
BOSCH Zusatzhandgriff Ø43 MM SCHWARZ | Ersatzteile für B 6600 | 1612025031
Hersteller: BOSCH
Artikelnummer: EB-0601141635-1612025031
Netto: 8,13 € zzgl. MwSt.
zzgl. 6,90 € Versand (brutto)
einmalig pro Bestellung

Lieferzeit: 63 Werktage

Stück
Pos.
754
BOSCH Bohreraufnahme | Ersatzteile für B 6600 | 2607000122
Hersteller: BOSCH
Artikelnummer: EB-0601141635-2607000122
nur Informationsartikel
Nie mehr lieferbar
keine Alternativen
Pos.
755
BOSCH Tiefenanschlag SW 6x210 MM | Ersatzteile für B 6600 | 1613001006
Hersteller: BOSCH
Artikelnummer: EB-0601141635-1613001006
nur Informationsartikel
Nie mehr lieferbar
keine Alternativen
Pos.
756
BOSCH Schnellspannbohrfutter Ø 2-13 MM-1/2 Zoll | Ersatzteile für B 6600 | 2608572034
Hersteller: BOSCH
Artikelnummer: EB-0601141635-2608572034
Netto: 77,51 € zzgl. MwSt.
zzgl. 6,90 € Versand (brutto)
einmalig pro Bestellung

Lieferzeit: 5 Werktage

Stück
Pos.
808
BOSCH Typschild | Ersatzteile für B 6600 | 160111A3H3
Hersteller: BOSCH
Artikelnummer: EB-0601141635-160111A3H3
Netto: 4,56 € zzgl. MwSt.
zzgl. 6,90 € Versand (brutto)
einmalig pro Bestellung

Lieferzeit: 5 Werktage

Stück
Pos.
822
BOSCH Umschalter | Ersatzteile für B 6600 | 2607200231
Hersteller: BOSCH
Artikelnummer: EB-0601141635-2607200231
Netto: 13,81 € zzgl. MwSt.
zzgl. 6,90 € Versand (brutto)
einmalig pro Bestellung

Lieferzeit: 5 Werktage

Stück
Pos.
849
BOSCH Zahnwelle Z= 10/29/22 | Ersatzteile für B 6600 | 2606309913
Hersteller: BOSCH
Artikelnummer: EB-0601141635-2606309913
nur Informationsartikel
Nie mehr lieferbar
keine Alternativen
Pos.
863
BOSCH Sicherungsscheibe DIN 6799-4-FSt | Ersatzteile für B 6600 | 2916080007
Hersteller: BOSCH
Artikelnummer: EB-0601141635-2916080007
Netto: 4,56 € zzgl. MwSt.
zzgl. 6,90 € Versand (brutto)
einmalig pro Bestellung

Lieferzeit: 5 Werktage

Stück
Pos.
866
BOSCH Lagerbrücke | Ersatzteile für B 6600 | 2605807928
Hersteller: BOSCH
Artikelnummer: EB-0601141635-2605807928
nur Informationsartikel
Nie mehr lieferbar
keine Alternativen

Angaben zur Produktsicherheit

Hersteller:
Robert Bosch Power Tools GmbH
Postfach 30 02 20
70442 Stuttgart

E-Mail:
kontakt@bosch.de